CASE 580CK Tractor Workshop Service / Repair Manual

What's Included?
Download Lifetime Access
Fast Download Speeds
Online & Offline Access
Access PDF Contents & Bookmarks
Full Search Facility
Print one or all pages of your manual
Viewed 17 Times Today Fire
Trust Guard Security Scanned
Secure transaction
What's Included?
Download Lifetime Access
Fast Download Speeds
Online & Offline Access
Access PDF Contents & Bookmarks
Full Search Facility
Print one or all pages of your manual
$41.99 $54.99

This is a comprehensive repair and service manual for the CASE 580CK Tractor Backhoe. It contains detailed instructions and step-by-step diagrams for all workshop procedures, including changing plugs, electrical diagrams, torque settings, and fluid capacities. This manual is designed for use by professional mechanics and DIY enthusiasts alike.

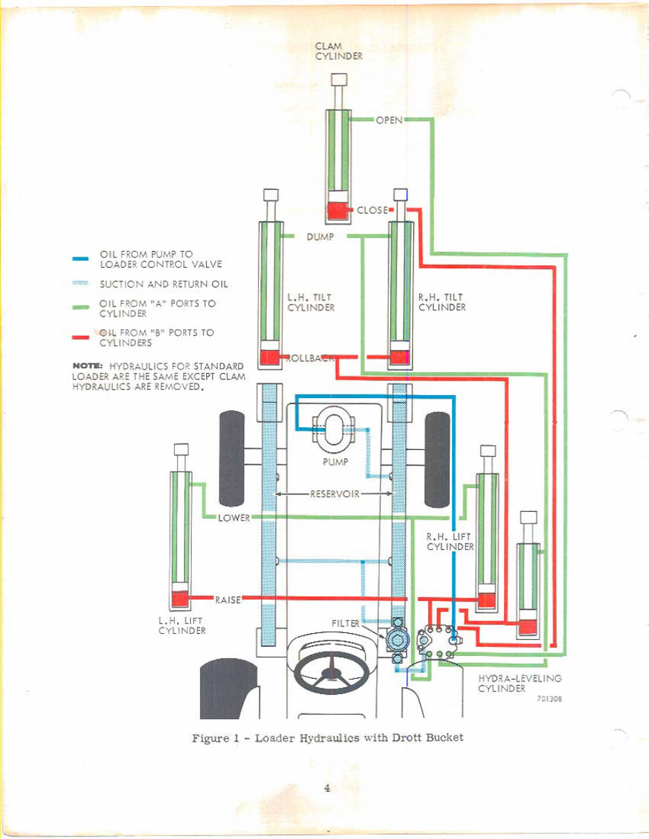
The manual covers a wide range of topics including loader, hydraulic testing, equipment pump, control valves, hydraulic cylinders, electrical system, servicing the hydraulic pump, servicing the fuel injectors, mechanical shuttle, servicing the front axles, steering cylinders and adjustment, adjusting the 580 Diesel CK throttle, dual range assembly, servicing the power shuttle, hydraulic testing torque converter with Rockford power shuttle, and much more.

It consists of 618 pages and is available in English format. The manual is compatible with both Windows and Mac operating systems. Additionally, it includes wiring diagrams, service notes, and a wealth of information to aid in the repair of your tractor.

The manual is designed to be user-friendly and is packed with tons of pictures and diagrams for easy reference. All pages are printable, allowing for easy access to the necessary information at home, in the office, or in the repair shop.

For any manual-specific questions or needs, feel free to email us, and we will be happy to assist you promptly. By using these very easy-to-follow, step-by-step instructions, you can save money by doing your own repairs.

Instant access means no shipping costs or waiting for a CD to arrive in the mail. The manual is compatible with both Windows and Mac operating systems.

Happy Clients 5,521,897 Happy Clients
eManuals 2,594,462 eManuals
Trusted Sellers 1,120,453 Trusted Sellers
Years in Business 15 Years in Business