CASE IH Electric TWINE WRAPPER For RBX451 RBX461 ROUND BALER Operators Manual
What's Included?
Lifetime Access
Fast Download Speeds
Online & Offline Access
Access PDF Contents & Bookmarks
Full Search Facility
Print one or all pages of your manual
Electric-Twine Wrapper for RBX451, RBX461, RBX561 Round Balers Operator’s Manual 86625679 NOT FOR REPRODUCTION
0-1 CONTENTS GENERAL INFORMATION 1-1 ........................................... INSTALLATION OF TRACTOR MOUNTED COMPONENTS 2-1 .............. OPERATORS PANEL OPERATION 3-1 ................................... MAINTENANCE 4-1 ..................................................... TROUBLESHOOTING 5-1 ............................................... INDEX 5-7 ............................................................. NOT FOR REPRODUCTION
0-2 NOT FOR REPRODUCTION
1-1 SECTION 1 GENERAL INFORMATION Electric wrap is a computerized control system that allows the operator to visually know when to shift the baler to the left or right side of the windrow. Proper feeding of the windrow into the round baler builds well shaped bales. The control panel also provides the operator with the ability to select the desired number of twine wraps on the bale and wraps the bale automatically. The system has four wrap patterns to select from. The system retains the selected wrap pattern until changed. This manual covers the electrical/electronic portion of the Electric wrap system. Refer to the baler operators manual for the mechanical portion of the wrapping system. NOTE: The electric wrap system is designed for use with a 12 volt negative ground system only. NOT FOR REPRODUCTION
SECTION 1 - GENERAL INFORMATION 1-2 SYSTEM COMPONENTS TRACTOR MOUNTED COMPONENTS Power Supply Harness The power supply harness, 1, connects the tractor power source to the operators panel. The harness includes a 30 amp circuit breaker. 3983-11 2 1 1 Operators Panel The operators panel consist of several features. The main display window, 1, contains bar graphs that are activated by the bale shape sensors on the baler as well as the computer controller inside the panel. Touch sensitive keys, 2, are located to the right of the display window. The keys are marked with their function and allow the operator to control the system. A horn is located at, 3, and will sound to indicate a change in operation status. The volume can be increased or decreased by opening or closing the gate over the horn. 50013044 1 3 2 2 Operators Panel Wire Harness The operators panel wire harness is permanently attached to the operators panel. The wire harness has two connectors. One connector attaches to the power supply harness and the other connector attaches to the wrapper wire harness on the baler as shown at, 1. 50010735 1 3 NOT FOR REPRODUCTION
SECTION 1 - GENERAL INFORMATION 1-3 BALER MOUNTED COMPONENTS Bale Shape Sensors There is a bale shape sensor, 1, on the left and right side of the baler. The sensor is a rotary potentiometer that changes the level of return signal to the operators panel based on the amount of rotation of the center section of the sensor. The center section of the sensor is connected with linkage to bale shape springs inside the bale chamber. The controller inside the operators panel converts the signal to display the appropriate segments of the bar graph in the display window. 50010736 1 4 Full Bale Switch The full bale switch, 1, signals the operators panel that full bale size has been reached. The switch is activated by linkage from the belt take up arm 50010737 1 5 Twine Wrapper Actuator The twine wrapper actuator, 1, operates the twine tubes to wrap the bale with twine and open and closes the knives to cut the twine. Twine Wrapper Actuator Sensor The twine wrapper actuator sensor, 2, is a rotary potentiometer that changes the level of return signal to the operators panel based on the amount of rotation of the center section of the sensor. The center section of the sensor is connected with linkage to the extendable end of the actuator. The position of the sensor indicates the Insert (fully extended), Precut (partially retracted) and Home (fully retracted) position of the actuator to the operators panel during a wrap cycle. 50010738 1 2 6 NOT FOR REPRODUCTION
SECTION 1 - GENERAL INFORMATION 1-4 BASIC OPERATION AND WRAP CYCLE Close the tailgate with an empty bale chamber. Be sure the indicator on the baler shows the tailgate is locked. Turn the operators panel on. The Baler is now ready to form and wrap a bale. Engage the tractor PTO. Drive straight into the center of the windrow and then weave back and forth to start a core. When the core is formed the leaf springs inside the bale chamber will push out activating the bale shape sensors. When the bale shape sensors move they will control the bar graphs in the display window in the operators panel, shown at 1. The farther the leaf springs are pushed out the higher the segments will light in the graph. Fill the bale chamber so both the left and right sides of the bar graph light all segments. As one side of the bar graph drops down, shift the baler to feed the windrow into the side of the baler pickup as indicated by the side with the fewer number of segments lit. Continue to fill the bale chamber keeping both sides of the bar graph to the top until full bale is reached. 50013044 1 7 When full bale is reached linkage between the belt take up arm and full bale switch will activate the switch. The full bale switch sends a signal to the operators panel. The horn will sound for three seconds and only one segment in each of the four corners of the display window will be lit indicating full bale, shown at 2. Pull to the center of the window and stop forward travel. The twine wrapper actuator will automatically extend to insert the twine and start the wrap cycle. The wrap cycle will continue automatically placing the selected number of wraps on the bale. The twine wrapper actuator sensor indexes the twine tubes and stops the actuator at the precut position. This allows the twine tubes to place the required end wraps on the outside of the bale. Once the bale is wrapped the actuator retracts to the home position and cuts the twine. The horn will sound again for three seconds to indicate the completion of the wrap cycle. Open the tailgate to eject the completed bale. When the tailgate is closed and locked the baler will be empty and the belt take up arm will have released the full bale switch. No segments in the display window will be lit indicating the start of a new bale. 50013044 2 8 NOT FOR REPRODUCTION
2-1 SECTION 2 INSTALLATION OF TRACTOR MOUNTED COMPONENTS Power Supply Harness The power supply harness has a three pin connector. Only two pins are used. The connector is wired such that terminal 1 is 12 volt power supply and terminal 3 is ground. Terminal 2 is not used. If the tractor has a three pin connector be sure the tractor is wired correctly or rewire the connector as required. Connect the operators panel wire harness directly to the tractor connector, if available. The tractor connector should be fused for 30 amps. If the tractor does not have a three pin power connector the power supply harness must be installed. 19998365 1 NOT FOR REPRODUCTION
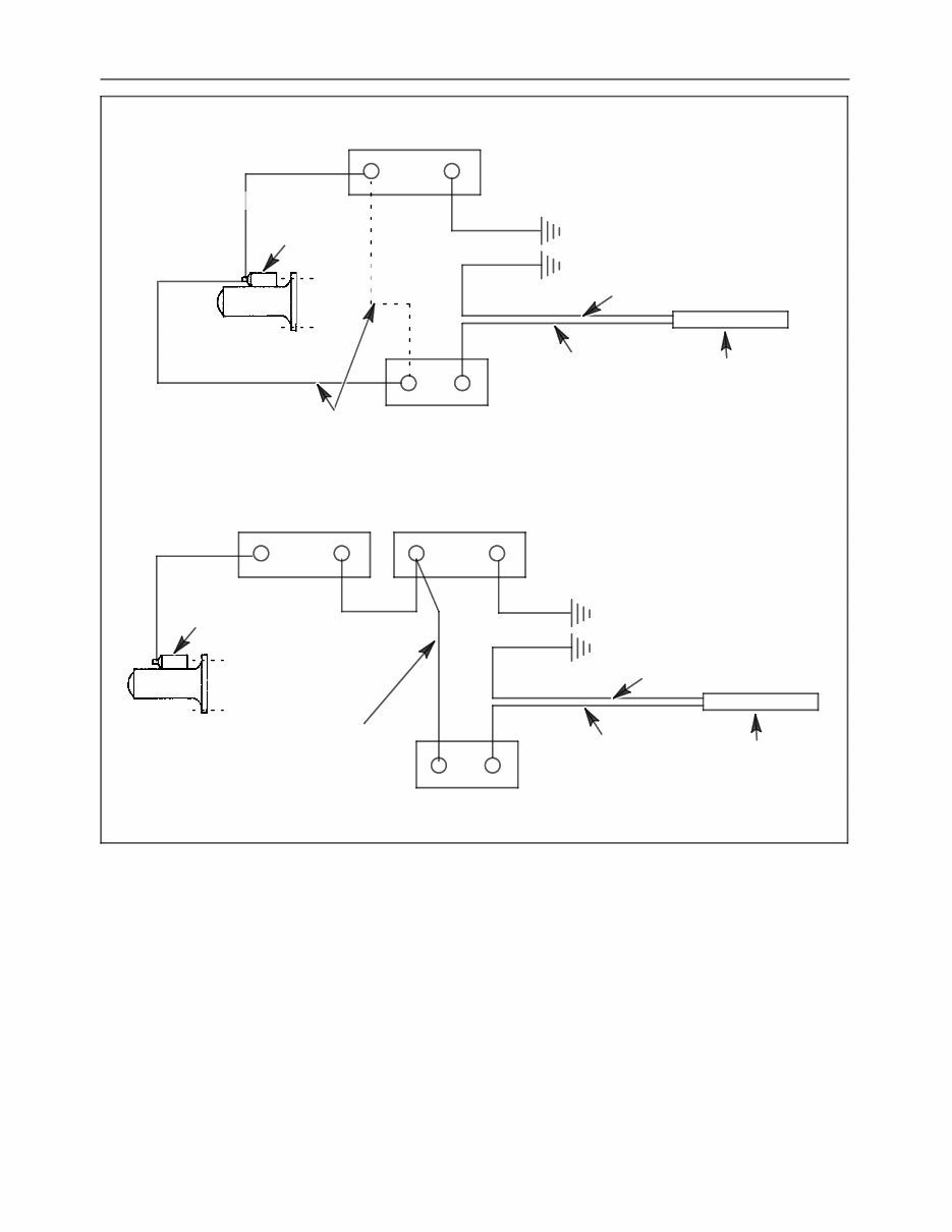
SECTION 2 - INSTALLATION OF TRACTOR MOUNTED COMPONENTS 2-2 12-VOLT -- NEGATIVEGROUND (+) 12 VOLTS PREFERRED ROUTING CIRCUIT BREAKER AUX. BAT. 12V SOLENOID OPTIONAL ROUTING RED WIRE BLACK WIRE RED WIRE POWER WIRE HARNESS TRACTOR BATTERY (CONTAINS 6 WATER FILL CAPS) (--) GROUND TRACTOR FRAME STARTER + - 24-VOLT -- NEGATIVEGROUND CIRCUIT BREAKER AUX. BAT. 12V SOLENOID RED WIRE BLACK WIRE RED WIRE POWER WIRE HARNESS TRACTOR BATTERIES (CONTAINS 6 WATER FILL CAPS) (--) GROUND TRACTOR FRAME STARTER + - 12V + - 2 NOTE: The electrical system is designed for use with a 12 volt negative ground system only. The system can be used on tractors with a 24 volt system if it can be connected to a 12 volt source as shown. NOT FOR REPRODUCTION
SECTION 2 - INSTALLATION OF TRACTOR MOUNTED COMPONENTS 2-3 Connect the power supply harness to the tractor battery or starter as follows: The red wire in the power supply harness must always be the positive (+) wire and the black wire must always be the negative (--) wire. Failure to connect the wires correctly may result in damage to the wiring harness. A circuit breaker, 1, is included in the red wire of the harness. Disconnect the battery ground cable before installing the wire harness on the tractor. Connect the red wire from the circuit breaker to a positive (+) 12 volt source, starter solenoid or battery (+) post. Connect the black wire to an existing bolt on the tractor to provide a good ground (--). Reconnect the tractor battery ground cable. 1 3994-06 3 Operators Panel and Harness The operators panel is fitted with a standard SMV spade. A SMV mounting socket is supplied with the panel for installation. Mount the socket in a convenient location on the tractor platform to hold the panel where it is visible. Connect operators panel wire harness, 1, to the power supply harness or directly to the tractor power connector if equipped. 1 4 Extend the operators panel harness connector out the rear of the tractor and connect to the wrapper wire harness on the baler at 1. Be sure any excess harness is secured out of the way and will not be damaged by the tractor or baler. 50010735 1 5 NOT FOR REPRODUCTION
This manual is designed to provide guidance on the operation and maintenance of the CASE IH Electric Twine Wrapper for RBX451 RBX461 Round Baler. It includes essential safety precautions, details on controls and instruments, operational procedures, a maintenance schedule, a brief troubleshooting section, and specifications.
Publication Number: 86625679
Manufacturer: CASE COMPANY
Pages: 52
Instant Access: No Waiting
The manual is the latest edition and is available in English language. It is compatible with all versions of Windows, Mac, iOS, BB, Android, etc. The document can be viewed, zoomed, and printed on any computer. Please note that the documents may require the newest version of Acrobat Reader for proper display. If you encounter any issues, ensure that you have the latest version of Adobe Acrobat Reader installed.
Table of Contents:
GENERAL INFORMATION
INSTALLATION OF TRACTOR MOUNTED COMPONENTS
OPERATORS PANEL OPERATION
MAINTENANCE
TROUBLESHOOTING
INDEX
For any other manuals you may require, feel free to email for further assistance.
Recently Viewed
5,521,897Happy Clients
2,594,462eManuals
1,120,453Trusted Sellers
15Years in Business
Price:
Actual Price:
CASE IH Electric TWINE WRAPPER For RBX451 RBX461 ROUND BALER Operators Manual