Kubota Bh75 Backhoe Illustrated Master Parts List Manual
What's Included?
Lifetime Access
Fast Download Speeds
Online & Offline Access
Access PDF Contents & Bookmarks
Full Search Facility
Print one or all pages of your manual
Instructions for Parts Books The heading at the top of the page will be the same for the picture of the parts at it is for the page with the part numbers. Definition of column headings on part number pages: REF.No The number refering to the part on the picture page of the parts book. Part No. The number assigned to this part at the time of printing the parts book. Description Discription of part. Q'ty Quanity of part used on that page. S.No. Serial number range of the equipment that this part will fit. >= Your serial number should be greater than or equal to the number shown. <= Your serial number should be lesser than or equal to the serial number shown. I/C Interchangeability of part shown. The part shown will work for the older and later serial number. # The part shown is not interchangable with the other serial number. new for old old for new Remarks Notes about this particulart part. Sometimes this may say except [FR] or [CA] Note about Country Codes: The parts books we use in the United States of America may also contain information about a part that would be different in another country. It is important that you are aware of the country codes in some instances. Symbol Country A United States of America CA Canada FR France GR Greece PO Portugal AU Australia If the remarks column says for example EXCEPT [FR] this part works in all countries except France. That means it will work here in the USA.
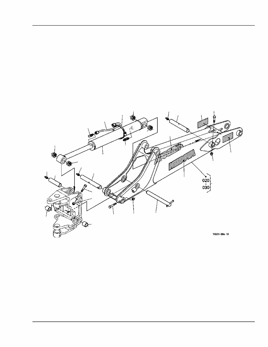
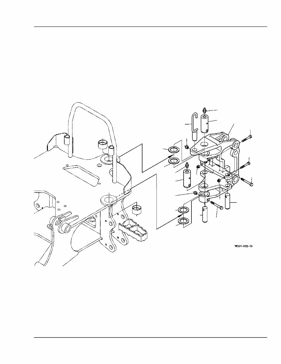
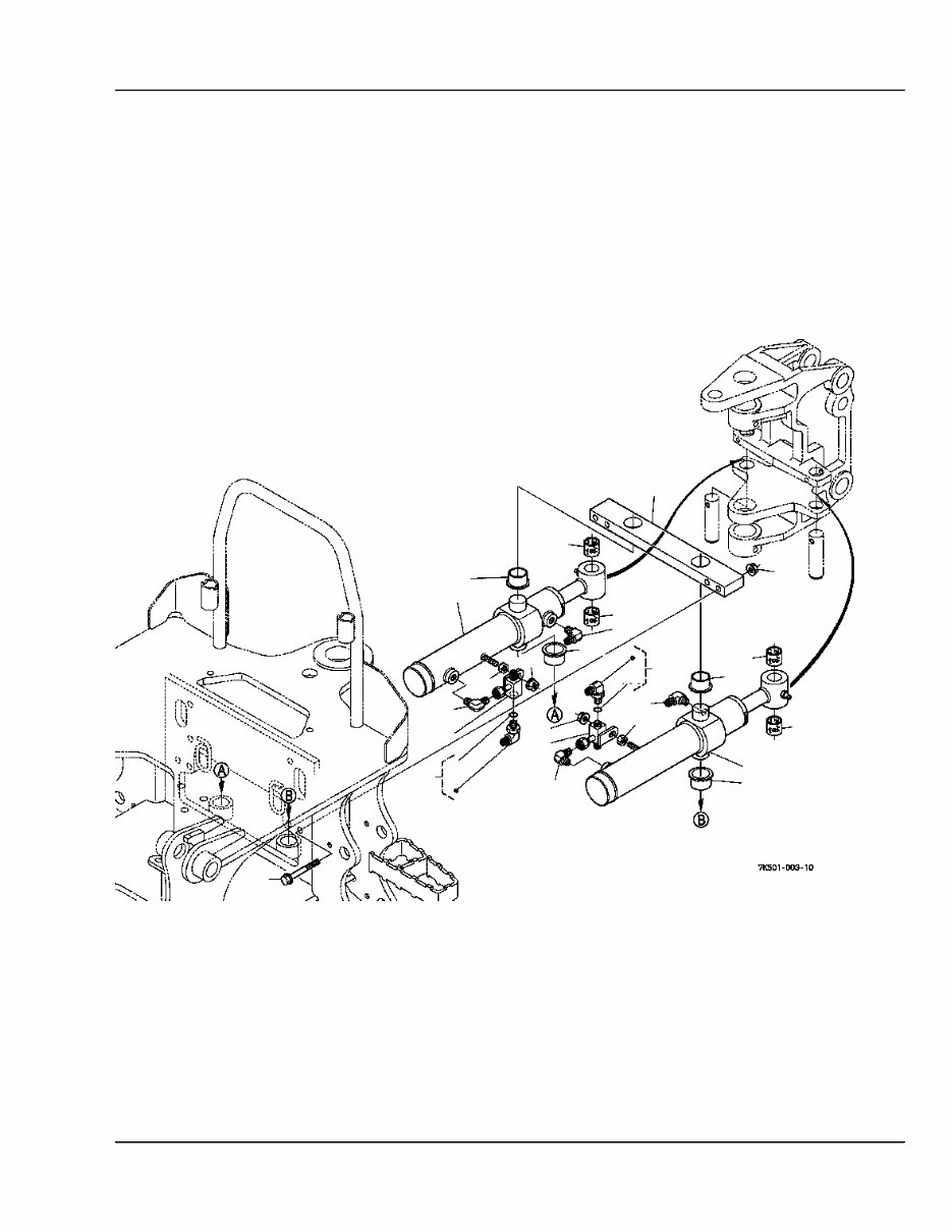
|ALL PRODUCT INDEX BH75 Ref. BH75 Page 65073 HYDRAULIC CYLINDER OPERATOR'S PLATFORM CONTROL LEVER LABELS ACCESSORIES AND SERVICE PARTS CHASSIS FRONT ATTACHMENTS CONTROL VALVE HYDRAULIC SYSTEM
Ref. BH75 Page 65073 Item Part No. Description Book CHASSIS 01B001 MAIN FRAME 100A0278 01B010 SWING FRAME 100A0278 FRONT ATTACHMENTS 01B050 SWING CYLINDER 100A0278 01B100 BOOM 100A0278 01B110 DIPPERSTICK 100A0278 01B120 BUCKET LINK 100A0278 01B150 BUCKET 100A0278 01B160 STABILIZER ARM 100A0278 CONTROL VALVE 01B200 CONTROL VALVE 100A0278 01B210 CONTROL VALVE [COMPONENT PARTS] 100A0278 HYDRAULIC SYSTEM 01B220 HYDRAULIC HOSE(INTAKE) 100A0278 01B230 HYDRAULIC HOSE(SWING) 100A0278 01B240 HYDRAULIC HOSE(BOOM/DIPPER) 100A0278 01B250 HYDRAULIC HOSE(BUCKET) 100A0278 01B260 HYDRAULIC HOSE(STABILIZER) 100A0278 HYDRAULIC CYLINDER 01B310 CYLINDER(SWING) [COMPONENT PARTS] 100A0278 01B320 CYLINDER(BOOM) [COMPONENT PARTS] 100A0278 01B330 CYLINDER(DIPPER) [COMPONENT PARTS] 100A0278 01B340 CYLINDER(BUCKET) [COMPONENT PARTS] 100A0278 01B35001 CYLINDER(STABILIZER) [COMPONENT PARTS] 100A0278 01B35002 CYLINDER(STABILIZER) [COMPONENT PARTS] 100A0278 OPERATOR'S PLATFORM 01B401 COVER 100A0278 01B410 SEAT 100A0278 CONTROL LEVER 01B510 CONTROL LEVER 1 100A0278 01B520 CONTROL LEVER 2 100A0278 LABELS 01B710 LABEL 100A0278 ACCESSORIES AND SERVICE PARTS 01B82001 MOUNT KIT(D21) 100A0278 01B82002 MOUNT KIT(E27) 100A0278 01B82003 MOUNT KIT(D20) 100A0278
This is a comprehensive parts manual for the Kubota Bh75 Backhoe, featuring step-by-step instructions and detailed exploded diagrams. It covers all parts including:
Main frame
Swing frame
Swing cylinder
Boom
Dipperstick
Bucket link
Bucket
Stabilizer arm
Control valve
Control valve [component parts]
Hydraulic hose(intake)
Hydraulic hose(swing)
Hydraulic hose(boom/dipper)
Hydraulic hose(bucket)
Hydraulic hose(stabilizer)
Cylinder(swing) [component parts]
Cylinder(boom) [component parts]
Cylinder(dipper) [component parts]
Cylinder(bucket) [component parts]
Cylinder(stabilizer) [component parts]
Cylinder(stabilizer) [component parts]
Cover
Seat
Control lever 1
Control lever 2
Label
Mount kit(d21)
Mount kit(e27)
Mount kit(d20)
Instant delivery means no shipping costs or waiting for a CD or paper manual. You will receive this manual today via instant download on completion of payment. It is compatible with all versions of Windows & Mac and requires Adobe Reader & Win.
Recently Viewed
5,521,897Happy Clients
2,594,462eManuals
1,120,453Trusted Sellers
15Years in Business
Price:
Actual Price:
Kubota Bh75 Backhoe Illustrated Master Parts List Manual