Kubota FZ2100 FZ2400 Front Mount Tractor Mower (3 Manual Set) Parts & Complete Workshop Service Repair Manual
This is a complete set of three manuals for the Kubota FZ2100 FZ2400 Front Mount Tractor Mower, including parts and a comprehensive workshop service repair manual.
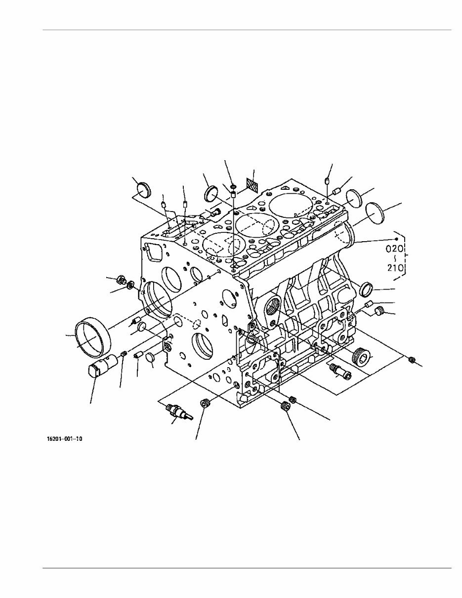
Whether you are a professional mechanic or a DIY enthusiast, this manual covers every service and repair procedure with easy-to-follow step-by-step instructions and pictures for all areas of servicing and repairs.
By using this manual, you can save a significant amount of money by performing your own repairs. It is yours to keep forever, allowing you to print out specific pages, chapters, or the entire manual. You can also store it on your tablet or smartphone for easy access.
All models, engines, trim, and transmission types are covered in this manual, and it includes high-quality repair procedures from A to Z.
Compatible with all PC and MAC computers, tablets, and mobile phones, this downloadable manual requires only Adobe Reader, which is usually pre-installed on your computer or can be downloaded for free.
Upon payment by Visa, MasterCard, or PayPal, the manual will be instantly emailed to the address you used during checkout, ensuring prompt delivery.
Customer satisfaction is guaranteed with this comprehensive manual.




