Kubota F2560 Lawnmower Illustrated Master Parts List Manual
This is an illustrated parts list manual for the Kubota model F2560 F-Series Lawnmower. It contains detailed parts explosions, breakdowns of all part numbers, and detailed engine parts breakdowns. This manual is essential for both professional mechanics and DIY enthusiasts for servicing, rebuilding, teardowns, overhauls, repairs, and adjustments. The included attachment parts manuals cover the RC72-F30 Rotary Mower Attachment - 72 inch rotary mower (RC72F30, RC72 F30).
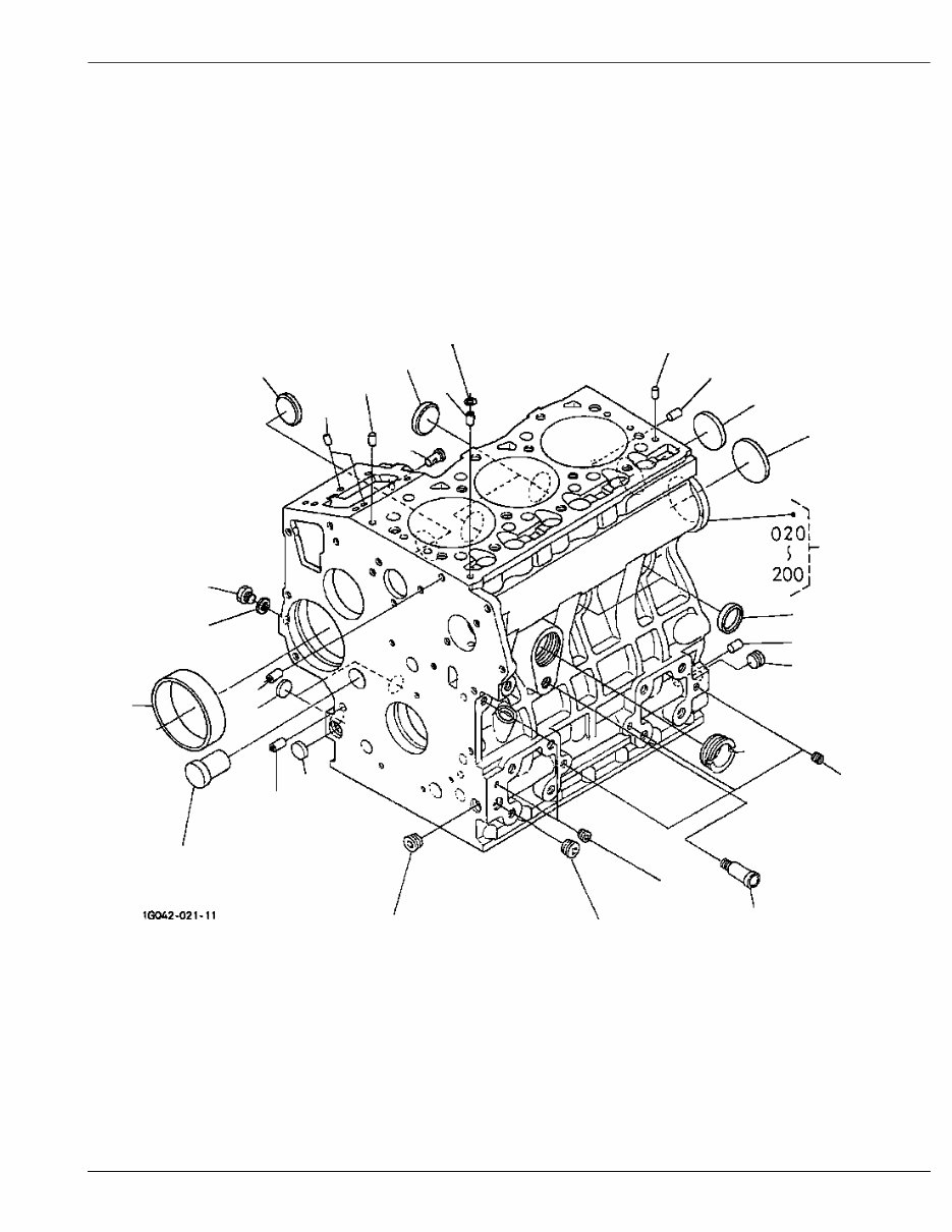
It is an exact digital replica of the original manual, providing instant access without the need for shipping. The manual is easily accessible, printable, and can be saved for future use. It is fully bookmarked and text searchable for quick navigation. The manual is divided into sections covering various aspects such as engine, fuel system, cooling water system, electrical system, transmission, front axle, brake, control lever and pedal, rear axle, steering, hydraulic system, frame, hood (bonnet) / ROPS, wheel, labels (decals), and accessories.
With this master parts manual, you will find detailed parts lookup data for components such as crank case, accelerator lever, fan, alternator, clutch, front differential, brake, cruise control lever, tie rod, hydraulic oil line (inlet), joint cover, hood (bonnet), front wheel, labels, and accessories.
About Kubota Tractors: The Kubota Corporation, established in 1890, has a long history of manufacturing agricultural machinery in Japan. Kubota entered the North American market in 1969 and established the Kubota Tractor Corporation in 1972. In 1988, Kubota opened its first American manufacturing facility in Gainesville, GA (USA) and later transferred the production facility to Kubota Industrial Equipment near Jefferson, GA (USA) in 2006. The popularity and low price of Kubota tractors led to a number of grey market imports of Japanese models into North America, which were later made illegal to distribute in the USA.
This is parts manual number: 100A0164. The specific Kubota F-Series Lawnmower model included in this manual is: F2560, designed specifically for Front Mount Lawnmower.









