calcActive())">
2010 VOLVO Truck Wiring ELECTRCAL Diagram FM FM9 FM12 ETC - NOW
What's Included?
Fast Download Speeds
Online & Offline Access
Access PDF Contents & Bookmarks
Full Search Facility
Print one or all pages of your manual

Service Manual
Trucks
Group 37
Release01
Wiring diagram
FM
CHID A698436–
CHID B564590–
CHID W100620–754005
CHID CKD891518–
88956890

Foreword
The descriptions and service procedures contained in this manual are based on designs and
methods studies carried out up to September 10.
The products are under continuous development. Vehicles and components produced after
the above date may therefore have different specifications and repair methods. When this is
judged to have a significant bearing on this manual, supplementary service bulletins will be
issued to cover the changes.
The new edition of this manual will update the changes.
In service procedures where the title incorporates an operation number, this is a reference to
V.S.T. (Volvo Standard Times).
Service procedures which do not include an operation number in the title are for general
information and no reference is made to V.S.T.
The following levels of observations, cautions and warnings are used in this Service
Documentation:
Note: Indicates a procedure, practice, or condition that must be followed in order to have the
vehicle or component function in the manner intended.
Caution: Indicates an unsafe practice where damage to the product could occur.
Warning: Indicates an unsafe practice where personal injury or severe damage to the product
could occur.
Danger: Indicates an unsafe practice where serious personal injury or death could occur.

Contents
Example of wiring diagram....................................................................................................... 2
Component wiring diagram index ............................................................................................. 5
Component wiring diagrams .................................................................................................... 9
Illustrations index ................................................................................................................. 125
Illustrations .......................................................................................................................... 126
Fuses ................................................................................................................................... 227
Relays .................................................................................................................................. 229
Wiring harness illustration index ........................................................................................... 231
Ground connections ............................................................................................................. 234
List of connectors................................................................................................................. 237
List of components ............................................................................................................... 252
Abbreviations ....................................................................................................................... 262
Cable colour code................................................................................................................. 264
Feedback ............................................................................................................................. 265
1

Group 37 Wiring diagram FM
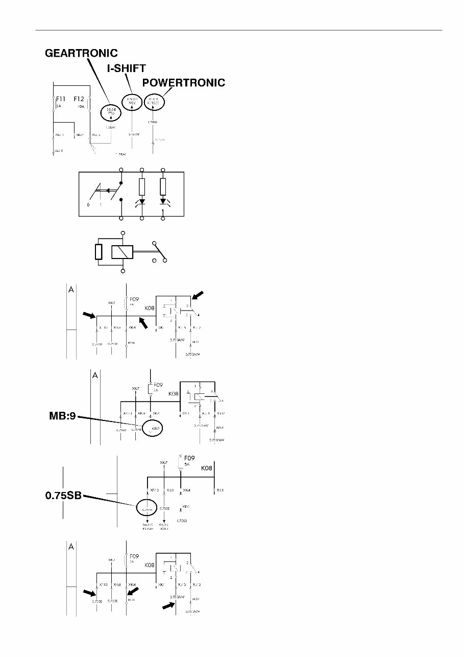
Example of wiring diagram
Component wiring diagram title, variant/subtitle and symbol.
Coordinates (B 1).
30 Voltage battery, kl.30.
15 Voltage with starter key in drive position, kl.15.
DR Voltage with starter key in drive position, preheat
position and start position, kl.DR.
61 Voltage when alternator charges, kl.61.
Splice.
Fuse.
Reference arrow, for diagram BA, coordinates 0 C,
component A17, connector PA pin 29.
2

Group 37 Wiring diagram FM
The maximum of variants are drawn, think about that all
wires and components are not standard for all markets or
vehicle models.
Switch.
Relay.
Conductor on circuit card.
Connector MB terminal 9.
Wire area and colour.
Thin lines, wires.
3

Group 37 Wiring diagram FM
Earth connection point 4, earth connection 1 and wire 2.
Earth connection to circuit card.
Earth connection without wire.
Same splice can be drawn on several diagrams. The wire
from the splice to the earth connection point will only be
drawn and coded on one diagram. On the other diagrams
will only the earth connection point be written besides the
splice.
4

Group 37 Wiring diagram FM
Component wiring diagram index
AA
Power supply, starting system ........................................................................ “”, page 9
AB
Main switch ..................................................................................................... “”, page 10
AC
Power distribution ........................................................................................... “”, page 11
AE
ADR, main switch ........................................................................................... “”, page 12
AF
ADR, main switch, ADR3 ................................................................................ “”, page 13
BA
Vehicle ECU ................................................................................................... “”, page 14
BE
Driver Assistance System, ACC ..................................................................... “”, page 15
BI
Instrument cluster ........................................................................................... “”, page 16
BM
Tachograph in dash ........................................................................................ “”, page 17
BN
Tachograph in shelf ........................................................................................ “”, page 18
BU
Dynafleet TIS-BAS/TIS-MED/TIS-HIGH .........................................................
“”, page 19
BX
FMS Gateway .................................................................................................
“”, page 20
BZ
Toll collect .......................................................................................................
“”, page 21
BZ RHD
Toll collect .......................................................................................................
“”, page 22
CJ
Engine interface ..............................................................................................
“”, page 23
CO
Engine D11A, D11B, D13A .............................................................................
“”, page 24
Engine D11C, EM-EU5 ................................................................................... “”, page 25
Engine D11C, EM-EU5 ................................................................................... “”, page 26
Engine D13B, EGR-C, EM-EC06 ................................................................... “”, page 27
Engine D13B, EGR-C, EM-EC06 ................................................................... “”, page 28
Engine D13H, EM-JPN10 ............................................................................... “”, page 29
Engine D13H, EM-JPN10 ............................................................................... “”, page 30
Engine D13C, EM-EU5 ................................................................................... “”, page 31
Engine D13C, EM-EU5 ................................................................................... “”, page 32
CP
12V trailer ABS converter, VERS-AUS, TABS-12V ........................................
“”, page 33
CR
SCR+DPF, EM-JPN10 ....................................................................................
“”, page 34
CV
SCR ................................................................................................................
“”, page 35
DC
Gear selector ECU (I-SHIFT/POWERTRONIC) .............................................
“”, page 36
DI
Powertronic .....................................................................................................
“”, page 37
DM
Retarder manual gearshift ..............................................................................
“”, page 38
DP
I-shift ...............................................................................................................
“”, page 39
DQ
Power take off .................................................................................................
“”, page 40
DU
Diff-lock ...........................................................................................................
“”, page 41
EE
ABS basic, E-version ......................................................................................
“”, page 42
EE RHD
ABS basic, E-version ......................................................................................
“”, page 43
EF
ABS 6x2 VERS-SAM ......................................................................................
“”, page 44
EO
EBS ECU ........................................................................................................
“”, page 45
EO RHD
EBS ECU ........................................................................................................
“”, page 46
5

Group 37 Wiring diagram FM
EP
EBS modulators ..............................................................................................
“”, page 47
FA
Air-suspension ................................................................................................
“”, page 48
FA RHD
Air-suspension ................................................................................................
“”, page 49
FB
Air-suspension ................................................................................................
“”, page 50
FB RHD
Air-suspension ................................................................................................
“”, page 51
FG
Load indicator .................................................................................................
“”, page 52
FI
Bogie lift A-ride ...............................................................................................
“”, page 53
FK
Bogie lift A-ride with axle load limiter ..............................................................
“”, page 54
FL
Bogie lift J-ride 6x2 .........................................................................................
“”, page 55
FM
Axle lock, self steered axle .............................................................................
“”, page 56
FO
Electronic steered axle ...................................................................................
“”, page 57
FP
Dual steered front axle ...................................................................................
“”, page 58
FQ
Air dryer ..........................................................................................................
“”, page 59
FU
Central lubrication system ..............................................................................
“”, page 60
FX
Fuel heater, Thermoline ..................................................................................
“”, page 61
GA
LCM head lights, BUMP-S/BUMP-P/BUMP-SC .............................................
“”, page 62
GA4
LCM head lights, BUMP-HDC ........................................................................
“”, page 63
GB
LCM trailer ......................................................................................................
“”, page 64
GC
LCM rear lights ...............................................................................................
“”, page 65
GC RHD
LCM rear lights ...............................................................................................
“”, page 66
GE
Rear lights overhang ......................................................................................
“”, page 67
GF
Rear lights, India/Korea ..................................................................................
“”, page 68
GG
Trailer connections, RIGID .............................................................................
“”, page 69
GH
Trailer connections, TRACTOR ......................................................................
“”, page 70
GK
Trailer connections (AUS only) .......................................................................
“”, page 71
GL
Identification lamps .........................................................................................
“”, page 72
GL2
Identification lamps, sunvisor H1 ...................................................................
“”, page 73
GM
Wiper, rainsensor ............................................................................................
“”, page 74
GQ
Horn ................................................................................................................
“”, page 75
GR
Trailer connections TREL14 ...........................................................................
“”, page 76
GU
Headlights adjust, BUMP-S/BUMP-P/BUMP-SC ...........................................
“”, page 77
GU_2
Headlights adjust, BUMP-HDC .......................................................................
“”, page 78
HE
Fan in dash board ...........................................................................................
“”, page 79
HG
Climate unit, CU,-BAS,-MCC,-ECC ................................................................
“”, page 80
HI
Air heater, UADR ............................................................................................
“”, page 81
HI2
Air heater, ADR ...............................................................................................
“”, page 82
HM
Water heater ...................................................................................................
“”, page 83
HP
Short stop cab heater .....................................................................................
“”, page 84
6

Group 37 Wiring diagram FM
HY
Climat unit, CU,-HEAT,-ACMAN,-ACAUT . ......................................................
“”, page 85
HY RHD
Climat unit, CU,-HEAT,-ACMAN,-ACAUT . ......................................................
“”, page 86
HZ
Air cooler, Brazil ..............................................................................................
“”, page 87
IA
El. heated/adj. seat ........................................................................................
“”, page 88
IE
El. heat/adj. mirrors, El. window winders .......................................................
“”, page 89
IF
Foldable mirror bracket ...................................................................................
“”, page 90
IH
Interior light, H1 ..............................................................................................
“”, page 91
IH3
Interior light, INLI-NL/INLI-BAS ......................................................................
“”, page 92
IH4
Interior light, H2/H3 .........................................................................................
“”, page 93
IK
Alcolock, start prevention system ...................................................................
“”, page 94
IM
Central locking, immobiliser ............................................................................
“”, page 95
IQ
El. sunroof, cig. lighter, refrigerator ................................................................
“”, page 96
IR
12V power supply ...........................................................................................
“”, page 97
IR2
Power outlets ..................................................................................................
“”, page 98
IS
SRS. Air-bag ...................................................................................................
“”, page 99
IU
Audio ..............................................................................................................
“”, page 100
IU RHD
Audio ..............................................................................................................
“”, page 101
IV
Amplifier ..........................................................................................................
“”, page 102
IX
Integrated telephone .......................................................................................
“”, page 103
IZ
Backup camera ...............................................................................................
“”, page 104
KA
Cab tilt ............................................................................................................
“”, page 105
KE
Load light, 5:th wheel lamp .............................................................................
“”, page 106
KI
Light sign ........................................................................................................ “”, page 107
KM
Beacon warning light ...................................................................................... “”, page 108
ME
Extra fuse block, key switch relay ...................................................................
“”, page 109
MF
Extra fuse block, SPDU-S ..............................................................................
“”, page 110
NA
Body builder (BB), auxsw-6 and swapbody ....................................................
“”, page 111
NA_2
Body builder (BB), auxsw-6, working lamps ...................................................
“”, page 112
NB
Body builder (BB), tailprep and swapbody .....................................................
“”, page 113
NC
Body builder (BB), ELCE-CK, BBM, PTO2 .....................................................
“”, page 114
NI
Extra spotlamps front/roof, max 4x70W .........................................................
“”, page 115
NK
Burglar alarm ..................................................................................................
“”, page 116
NU
Body builder (BB), SPEED-DU .......................................................................
“”, page 117
NX
Body builder (BB), SPDU-S ............................................................................
“”, page 118
OA
Tyre pressure monitoring (TPM) .....................................................................
“”, page 119
XA
Bus J1708/J1587 ............................................................................................
“”, page 120
XB
Bus J1939 .......................................................................................................
“”, page 121
XC
Bus J1939–7, OBD .........................................................................................
“”, page 122
7

Group 37 Wiring diagram FM
YA
Ground connector ...........................................................................................
“”, page 123
ZA RHD
Ground/Misc. ..................................................................................................
“”, page 124
8
You're Reading a Preview
What's Included?
Fast Download Speeds
Online & Offline Access
Access PDF Contents & Bookmarks
Full Search Facility
Print one or all pages of your manual
$61.99
Viewed 40 Times Today
Loading...
Secure transaction
What's Included?
Fast Download Speeds
Online & Offline Access
Access PDF Contents & Bookmarks
Full Search Facility
Print one or all pages of your manual
$61.99
ServiceManual for Trucks
- Wiring diagram
- FM
- CHIDA698436
- CHIDB564590
- CHIDW100620754005
- CHIDCKD891518
- Example of wiring diagram
- Component wiring diagram
- Illustrations
- Fuses
- Relays
- Wiring harness illustration
- Ground connections
- List of connectors
- Abbreviations
- Cable colour code