Peterbilt 359 Electrical Wiring Diagrams Manual
Peterbilt 359 Electrical Wiring Diagrams Manual
The Peterbilt 359 Electrical Wiring Diagrams Manual provides detailed schematics for the complete electrical system of Peterbilt’s classic 359 model. Designed for professional technicians, fleet operators, and restoration specialists, this manual offers a clear roadmap for diagnosing, repairing, and restoring wiring circuits on Peterbilt 359 trucks.
What’s Inside the Peterbilt 359 Electrical Wiring Manual
This manual includes a full set of schematics broken down across six detailed sheets:
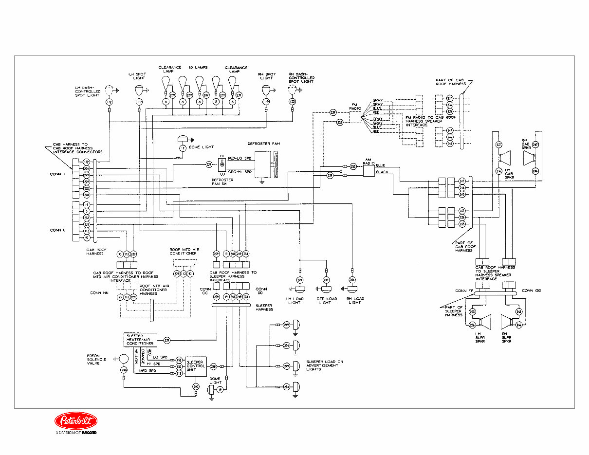
Wiring Diagrams Overview
Comprehensive system layout covering lighting, ignition, instrumentation, and chassis circuits.
Lighting Circuits
Detailed wiring for headlights, tail lamps, clearance lights, turn signals, and auxiliary lighting systems.
Starting and Charging Systems
Schematics for starter motors, alternators, voltage regulators, batteries, and related wiring.
Instrumentation and Dashboard Wiring
Wiring diagrams for gauges, indicator lights, dashboard switches, and cab controls.
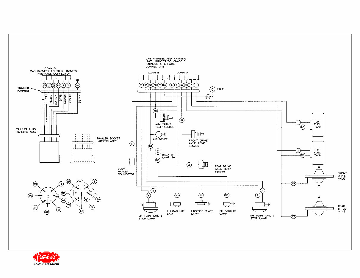
Chassis and Accessory Systems
Circuit diagrams covering trailer wiring, accessory power feeds, horn systems, and auxiliary connectors.
Ground Circuits and Power Distribution
Layouts showing grounding points, fuse panels, and main power distribution paths throughout the truck.
How to Access the Peterbilt 359 Electrical Wiring Manual
The Peterbilt 359 Electrical Wiring Diagrams Manual is available for immediate download in PDF format. Fully compatible with Windows, macOS, iOS, Android, and all devices supporting standard PDF readers like Adobe Reader.
Why This Peterbilt 359 Wiring Manual is Essential
Accurate wiring diagrams are critical for diagnosing electrical issues, performing repairs, and restoring classic Peterbilt trucks. With detailed schematics across all major systems, this manual simplifies troubleshooting and ensures correct restoration practices for the Peterbilt 359 model.
Get Your Peterbilt 359 Electrical Wiring Manual Today
Download your copy today and gain access to original schematics essential for maintaining, repairing, or restoring Peterbilt's legendary 359 series trucks.
Printable: Yes
Language: English
Compatibility: Works on all devices (Windows, Mac, iOS, Android)
Requirements: PDF reader (e.g., Adobe Reader)





