calcActive())">
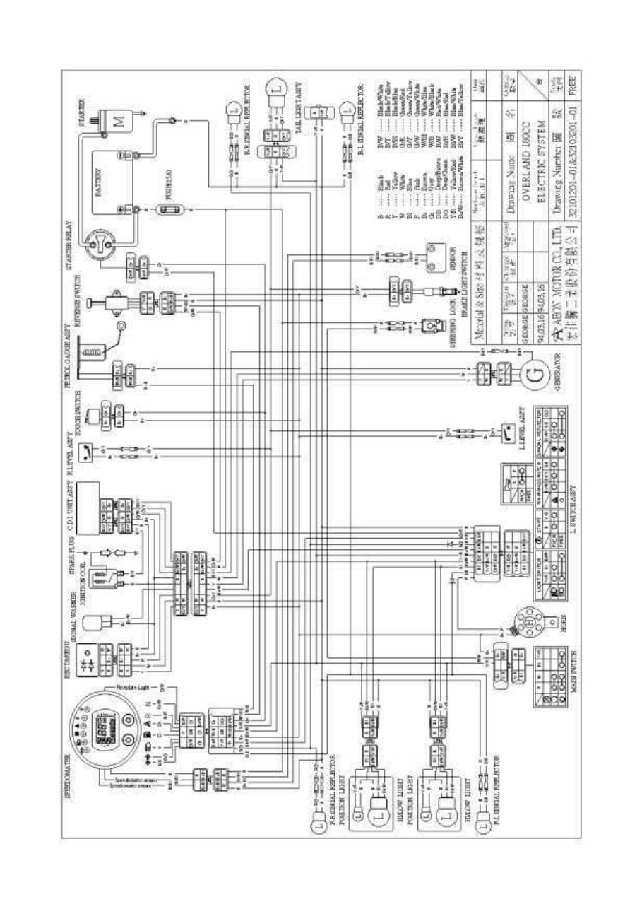
AEON OVERLand 180 Wiring Diagram
What's Included?
Fast Download Speeds
Online & Offline Access
Access PDF Contents & Bookmarks
Full Search Facility
Print one or all pages of your manual
Viewed 57 Times Today
Secure transaction
What's Included?
Fast Download Speeds
Online & Offline Access
Access PDF Contents & Bookmarks
Full Search Facility
Print one or all pages of your manual
$27.99
AEON Model OVERLAND 180 Wiring Diagram Manual
This wiring diagram manual is essential for motorbike and vehicle repair. It is suitable for various years of manufacture, making it valuable for both professional technicians and DIY enthusiasts.
Local dealership technicians rely on similar manuals to service, maintain, diagnose, and repair bikes.
System requirements for installation:
- Adobe Reader for viewing the manual
- A program like 7-Zip for extracting files
If you encounter download issues, consider using a download manager (e.g., Flashget) to prevent timeouts for large files. For further assistance, please contact us through this site.
We are committed to providing long-term support and solutions for any issues that may arise.
