1 J46-Y2210-00-00 REAR ARM COMP. . . . . . . . . . 1
2 J10-22123-00-00 . BUSH 1 . . . . . . . . . . . . . . . . . 2
3 90105-10359-00 BOLT, WASHER BASED . . . . . 2
4 90185-10115-00 NUT, SELF-LOCKING . . . . . . . . 2
5 J46-22210-00-00 SHOCK ABSORBER ASS’’Y,
rear (J42-22210-00-00) . . . . . . . 2
6 97012-10050-00 BOLT (97002-10050-00) . . . . . . 4
7 95601-10100-00 NUT, U (95602-10100-00) . . . . . 4
REAR SHOCKS
Ref. Part
No. Number Description Qty Remarks
A2
G3
1 (J46-22501-00-00) FRAME . . . . . . . . . . . . . . . . . . 1
2 J42-22571-00-00 PANEL 1 . . . . . . . . . . . . . . . . . 1
3 J42-22572-00-00 PANEL 2 . . . . . . . . . . . . . . . . . 1
4 90267-40054-00 RIVET, BLIND . . . . . . . . . . . . . 18
5 J42-2254J-01-00 SUPPORT, side panel . . . . . . . 1
6 J42-2254K-00-00 SUPPORT, side panel 2 . . . . . . 1
7 95821-08020-00 BOLT, FLANGE (95801-08020) . 8
8 90201-084K3-00 WASHER, PLATE . . . . . . . . . . . 8
9 95701-08500-00 NUT, FLANGE . . . . . . . . . . . . . 4
FRAME
Ref. Part
No. Number Description Qty Remarks
A3
G3
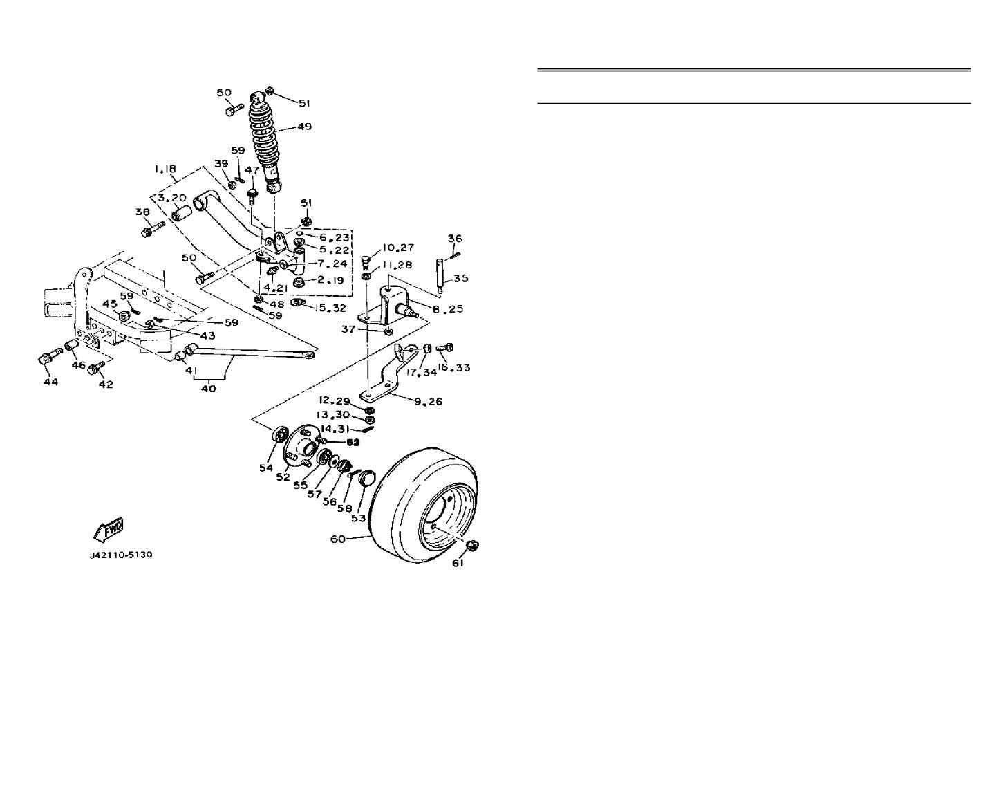
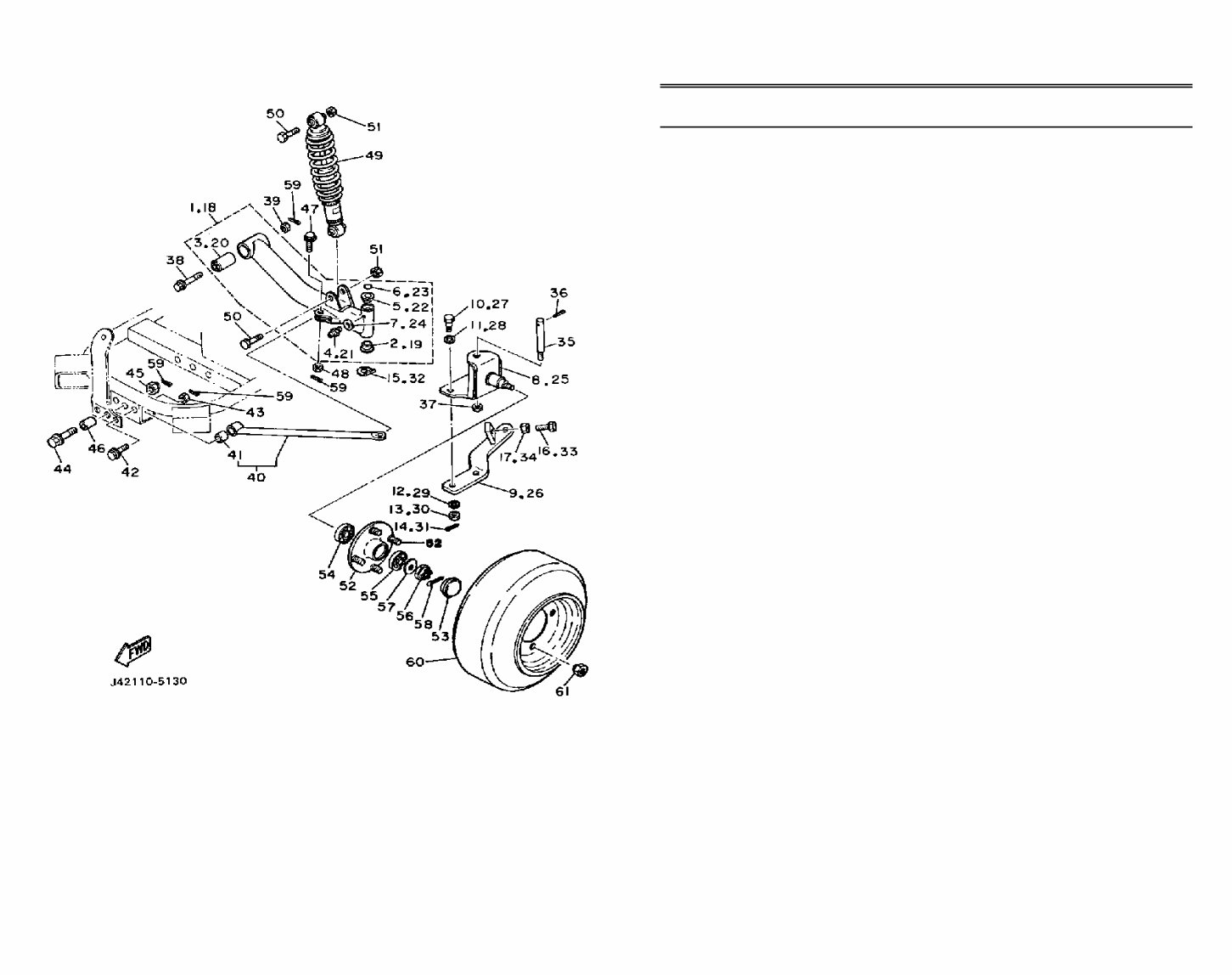
1 J42-W2351-00-00 FRONT LOWER ARM LHCOMP.
(L.H) . . . . . . . . . . . . . . . . . . . . 1
2 90381-15032-00 . BUSH, SOLID . . . . . . . . . . . . . 1
3 J10-23526-00-00 . BUSH . . . . . . . . . . . . . . . . . . . 1
4 93700-06M03-00 . NIPPLE, GREASE . . . . . . . . . 1
5 90381-15040-00 . BUSH, SOLID . . . . . . . . . . . . . 1
6 93210-15566-00 . O-RING . . . . . . . . . . . . . . . . . 1
7 90201-067F9-00 . WASHER, PLATE . . . . . . . . . . 1
8 J17-23510-00-00 KNUCKLE, STEERING 1 . . . . . 1
9 J11-23512-00-00 ARM, KNUCKLE 1 . . . . . . . . . . 1
10 90109-10643-00 BOLT . . . . . . . . . . . . . . . . . . . . 2
11 90201-121F0-00 WASHER, PLATE . . . . . . . . . . . 2
12 90201-105F2-00 WASHER, PLATE . . . . . . . . . . . 2
13 90171-10035-00 NUT, CASTLE . . . . . . . . . . . . . 2
14 91490-25030-00 PIN, COTTER . . . . . . . . . . . . . . 2
15 90214-16027-00 WASHER, CLAW . . . . . . . . . . . 1
16 97313-08030-00 BOLT, HEXAGON . . . . . . . . . . 1
17 95303-08700-00 NUT . . . . . . . . . . . . . . . . . . . . . 1
18 J42-W2352-00-00 FRONT LOWER ARM RHCOMP
(R.H) . . . . . . . . . . . . . . . . . . . . 1
19 90381-15032-00 . BUSH, SOLID . . . . . . . . . . . . . 1
20 J10-23526-00-00 . BUSH . . . . . . . . . . . . . . . . . . . 1
21 93700-06M03-00 . NIPPLE, GREASE . . . . . . . . . 1
22 90381-15040-00 . BUSH, SOLID . . . . . . . . . . . . . 1
23 93210-15566-00 . O-RING . . . . . . . . . . . . . . . . . 1
24 90201-067F9-00 . WASHER, PLATE . . . . . . . . . . 1
25 J17-23510-00-00 KNUCKLE, STEERING 1 . . . . . 1
26 J11-23522-00-00 ARM, KNUCKLE 2 . . . . . . . . . . 1
27 90109-10643-00 BOLT . . . . . . . . . . . . . . . . . . . . 2
CONTINUED ON NEXT FRAME ➤
FRONT SUSPENSION - WHEEL
Ref. Part
No. Number Description Qty Remarks
A4
G3
28 90201-121F0-00 WASHER, PLATE . . . . . . . . . . . 2
29 90201-105F2-00 WASHER, PLATE . . . . . . . . . . . 2
30 90171-10035-00 NUT, CASTLE . . . . . . . . . . . . . 2
31 91490-25030-00 PIN, COTTER . . . . . . . . . . . . . . 2
32 90214-16027-00 WASHER, CLAW . . . . . . . . . . . 1
33 97313-08030-00 BOLT, HEXAGON . . . . . . . . . . 1
34 95303-08700-00 NUT . . . . . . . . . . . . . . . . . . . . . 1
35 J10-23516-02-00 KING PIN, STRG KNKL . . . . . . 2
36 91401-30030-00 PIN, COTTER . . . . . . . . . . . . . . 2
37 95712-12300-00 2 . . . . . . . . . . . . . . . . . . . . . . . 2
38 90105-10224-00 BOLT, WASHER BASED . . . . . 2
39 95601-10200-00 NUT, SELF-LOCKING . . . . . . . . 2
40 J17-W2355-00-00 ROD, TENSION . . . . . . . . . . . . 2
41 J10-23583-01-00 . BUSH . . . . . . . . . . . . . . . . . . . 1
42 90105-08225-00 BOLT, WASHER BASED . . . . . 2
43 95601-08200-00 NUT, U . . . . . . . . . . . . . . . . . . . 2
44 95812-12050-00 BOLT, flange . . . . . . . . . . . . . . 1
45 95701-12500-00 NUT, FLANGE . . . . . . . . . . . . . 1
46 90387-137F6-00 COLLAR . . . . . . . . . . . . . . . . . 1
47 90102-12046-00 BOLT, WITH HOLE . . . . . . . . . 2
48 95601-12200-00 NUT, SELF-LOCKING . . . . . . . . 2
49 J46-23350-00-00 SHOCK ABSORBER
ASSEMBLYASSY . . . . . . . . . . . 2
50 (97022-10050-00) BOLT (83L) . . . . . . . . . . . . . . . 4
51 95612-10100-00 NUT, BIND . . . . . . . . . . . . . . . . 4
52 J17-W2511-00-00 HUB, FRONT . . . . . . . . . . . . . . 2
53 J17-25118-00-00 COVER, HUB DUST . . . . . . . . . 2
54 93306-00511-00 BEARING . . . . . . . . . . . . . . . . . 2
55 93306-20437-00 BEARING . . . . . . . . . . . . . . . . . 2
CONTINUED ON NEXT FRAME ➤
FRONT SUSPENSION - WHEEL
Ref. Part
No. Number Description Qty Remarks
A5
G3
56 95301-14900-00 NUT, SLOTTED . . . . . . . . . . . . 2
57 90209-14219-00 WASHER, SPEC’’L SHAP . . . . 2
58 91401-30030-00 PIN, COTTER . . . . . . . . . . . . . . 2
59 91490-25030-00 PIN, COTTER . . . . . . . . . . . . . . 6
60 *--- FRONT WHEEL ASSEMBLY . . 2 SEE NOTE
61 90179-12262-00 NUT . . . . . . . . . . . . . . . . . . . . . 8
62 90114-12004-00 BOLT, RIBBED NECK . . . . . . . 8
FRONT SUSPENSION - WHEEL
Ref. Part
No. Number Description Qty Remarks
A6
G3
1 J24-23816-01-00 ARM, PITMAN (J24-23816-00) . 1
2 93102-22087-00 OIL SEAL . . . . . . . . . . . . . . . . . 1
3 J55-F3876-00-00 BOLT . . . . . . . . . . . . . . . . . . . . 1
4 93332-00010-00 BEARING . . . . . . . . . . . . . . . . . 1
5 J10-23877-00-00 NUT . . . . . . . . . . . . . . . . . . . . . 1
6 J10-23444-00-00 WASHER . . . . . . . . . . . . . . . . . 1
7 J10-23818-00-00 COVER, STEERING . . . . . . . . . 1
8 J10-23462-00-00 SEAL, STEERING . . . . . . . . . . 1
9 90201-08087-00 WASHER, PLATE . . . . . . . . . . . 1
10 J10-23459-00-00 BOLT . . . . . . . . . . . . . . . . . . . . 1
11 90170-08024-00 NUT, HEX. . . . . . . . . . . . . . . . . 1
12 93104-15005-00 OIL SEAL, SO-TYPE . . . . . . . . 1
13 97313-08020-00 BOLT, HEXAGON . . . . . . . . . . 4
14 92990-08100-00 WASHER, SPRING . . . . . . . . . . 4
15 93332-00010-00 BEARING . . . . . . . . . . . . . . . . . 1
16 J42-23814-00-00 HOLDER, handle upper . . . . . . 1
17 J42-23811-00-00 COLUMN, steering . . . . . . . . . . 1
18 J10-23840-00-00 STEERING SHAFT . . . . . . . . . . 1
19 J50-F3838-00-00 WHEEL, STEERING . . . . . . . . . 1
20 J42-23839-00-00 PIN, CANCEL . . . . . . . . . . . . . . 1
21 98580-04008-00 SCREW, PAN HEAD . . . . . . . . 3
22 92901-04100-00 WASHER, SPRING . . . . . . . . . . 3
23 J24-23826-00-00 ARM, IDLER . . . . . . . . . . . . . . . 1
24 J10-23831-00-00 ROD, TIE . . . . . . . . . . . . . . . . . 1
25 J10-23841-10-00 JOINT, UNIVERSAL 1 . . . . . . . 1
26 J10-23845-10-00 JOINT, UNIVERSAL 2 . . . . . . . 1
27 90170-12054-00 NUT . . . . . . . . . . . . . . . . . . . . . 1
28 90170-12055-00 NUT . . . . . . . . . . . . . . . . . . . . . 1
29 J10-23831-00-00 ROD, TIE . . . . . . . . . . . . . . . . . 1
CONTINUED ON NEXT FRAME ➤
STEERING
Ref. Part
No. Number Description Qty Remarks
A7
G3
30 J10-23841-10-00 JOINT, UNIVERSAL 1 . . . . . . . 1
31 J10-23845-10-00 JOINT, UNIVERSAL 2 . . . . . . . 1
32 90170-12054-00 NUT . . . . . . . . . . . . . . . . . . . . . 1
33 90170-12055-00 NUT . . . . . . . . . . . . . . . . . . . . . 1
34 95301-12900-00 NUT, SLOTTED . . . . . . . . . . . . 4
35 92990-12600-00 WASHER, PLATE . . . . . . . . . . . 2
36 91401-30030-00 PIN, COTTER . . . . . . . . . . . . . . 4
37 95701-16300-00 NUT, FLANGE . . . . . . . . . . . . . 1
38 90215-16161-00 WASHER, LOCK . . . . . . . . . . . 1
39 90185-12119-00 NUT, SELF-LOCKING . . . . . . . . 1
40 92990-12200-00 WASHER, PLAIN . . . . . . . . . . . 1
41 90340-14115-00 PLUG, STRAIGHT SCRW . . . . . 1
42 95811-10050-00 BOLT, FLANGE
(95812-10050-00) . . . . . . . . . . . 4
43 90430-14043-00 GASKET . . . . . . . . . . . . . . . . . 1
44 J50-K8357-00-00 HOLDER 1 . . . . . . . . . . . . . . . . 1
45 J50-K8358-00-00 HOLDER 2 . . . . . . . . . . . . . . . . 1
46 90502-10013-00 SPRING, CONICAL . . . . . . . . . 2
47 97780-50125-00 SCREW, TAPPING . . . . . . . . . . 2
48 J10-78292-00-00 EMBLEM 2 . . . . . . . . . . . . . . . . 1
49 92901-05600-00 WASHER, PLATE . . . . . . . . . . . 2
50 (J46-77762-00-00) LABEL, WARNING 2 . . . . . . . . 1
51 J42-77741-00-00 INDICATOR 1 . . . . . . . . . . . . . . 1
52 J42-77742-00-00 INDICATOR 2 . . . . . . . . . . . . . . 1
53 90338-11125-00 PLUG . . . . . . . . . . . . . . . . . . . . 1
STEERING
Ref. Part
No. Number Description Qty Remarks
A8
G3
1 J46-27250-00-00 BRAKE ARM CMPLT . . . . . . . . 1
2 90384-14080-00 . BUSH, BIMETAL . . . . . . . . . . 2
3 J17-27245-00-00 PAD, BRAKE PEDAL . . . . . . . . 1
4 J10-27211-00-00 PEDAL, BRAKE . . . . . . . . . . . . 1
5 90508-40543-00 SPRING, TORSION . . . . . . . . . 1
6 90387-107F8-00 COLLAR . . . . . . . . . . . . . . . . . 1
7 J17-25654-00-00 BRACKET, PEDAL . . . . . . . . . . 1
8 90101-10447-00 BOLT, HEX. . . . . . . . . . . . . . . . 1
9 95601-10100-00 NUT, U (95602-10100-00) . . . . . 1
10 92990-10100-00 WASHER, SPRING . . . . . . . . . . 1
11 99999-01799-00 PARKING PEDAL COMP.
(J17-25670-00) . . . . . . . . . . . . . 1
12 90384-05163-00 . BUSH, BIMETAL . . . . . . . . . . 1
13 90384-12164-00 . BUSH, BIMETAL . . . . . . . . . . 1
14 90380-12051-00 . BUSH, SOLID . . . . . . . . . . . . . 1
15 90101-06555-00 BOLT, HEX. . . . . . . . . . . . . . . . 1
16 92990-06200-00 WASHER, PLAIN . . . . . . . . . . . 1
17 92995-06100-00 WASHER, SPRING . . . . . . . . . . 1
18 95380-06600-00 NUT . . . . . . . . . . . . . . . . . . . . . 1
19 90508-23542-00 SPRING, TORSION . . . . . . . . . 1
20 90109-08669-00 BOLT . . . . . . . . . . . . . . . . . . . . 1
21 92990-08100-00 WASHER, SPRING . . . . . . . . . . 1
22 90179-08378-00 NUT . . . . . . . . . . . . . . . . . . . . . 1
23 J17-25679-01-00 DAMPER . . . . . . . . . . . . . . . . . 1
24 J17-27246-00-00 NAIL, BRAKE . . . . . . . . . . . . . . 1
25 92990-08200-00 WASHER, PLAIN . . . . . . . . . . . 1
26 97001-08025-00 BOLT (1NV) . . . . . . . . . . . . . . . 2
27 95611-08100-00 NUT, U . . . . . . . . . . . . . . . . . . . 2
28 J17-W2561-00-00 SECTOR, PARKING BRAKE . . 1
CONTINUED ON NEXT FRAME ➤
BRAKE
Ref. Part
No. Number Description Qty Remarks
A9
G3
29 90384-10162-00 . BUSH, BIMETAL . . . . . . . . . . 1
30 J17-27221-00-00 SEAL, SHAFT . . . . . . . . . . . . . 2
31 90201-065F3-00 WASHER, PLATE . . . . . . . . . . . 1
32 95601-06100-00 NUT, U . . . . . . . . . . . . . . . . . . . 1
33 90508-14548-00 SPRING, TORSION . . . . . . . . . 1
34 J17-25672-01-00 PAD, PARKING . . . . . . . . . . . . 1
35 J17-27231-02-00 ROD, BRAKE . . . . . . . . . . . . . . 1
36 J17-27232-00-00 END, ROD . . . . . . . . . . . . . . . . 1
37 95380-06700-00 NUT . . . . . . . . . . . . . . . . . . . . . 2
38 90506-12277-00 SPRING, TENSION . . . . . . . . . . 1
39 J17-25673-00-00 DAMPER, BRAKE . . . . . . . . . . 2
40 J17-27228-00-00 PIN, LINK JOINT . . . . . . . . . . . 1
41 92901-05600-00 WASHER, PLATE . . . . . . . . . . . 1
42 99080-04600-00 CIRCLIP (E) . . . . . . . . . . . . . . . 1
43 90201-123F2-00 WASHER, PLAIN . . . . . . . . . . . 1
44 90508-26557-00 SPRING, TORSION . . . . . . . . . 1
45 90380-12105-00 BUSH, SOLID . . . . . . . . . . . . . . 1
46 90201-104G8-00 WASHER, PLAIN . . . . . . . . . . . 2
47 97313-06016-00 BOLT, HEXAGON . . . . . . . . . . 4
48 92995-06100-00 WASHER, SPRING . . . . . . . . . . 4
49 J10-25681-00-00 EQUALIZER, BRAKE . . . . . . . . 1
50 (J46-25685-00-00) ROD . . . . . . . . . . . . . . . . . . . . . 1
51 J13-25656-00-00 BRKT, STOP LT SWCHSTOP
LIGHT SWITCH . . . . . . . . . . . . 1
52 97313-06016-00 BOLT, HEXAGON . . . . . . . . . . 1
53 92995-06100-00 WASHER, SPRING . . . . . . . . . . 1
54 95380-06600-00 NUT . . . . . . . . . . . . . . . . . . . . . 1
55 91701-10022-00 PIN . . . . . . . . . . . . . . . . . . . . . 1
56 91490-30020-00 PIN, COTTER . . . . . . . . . . . . . . 1
CONTINUED ON NEXT FRAME ➤
BRAKE
Ref. Part
No. Number Description Qty Remarks
A10
G3
You're Reading a Preview
What's Included?
Lifetime Access
Access PDF Contents & Bookmarks
Print one or all pages of your manual
Add to Cart
$30.99
$40.99