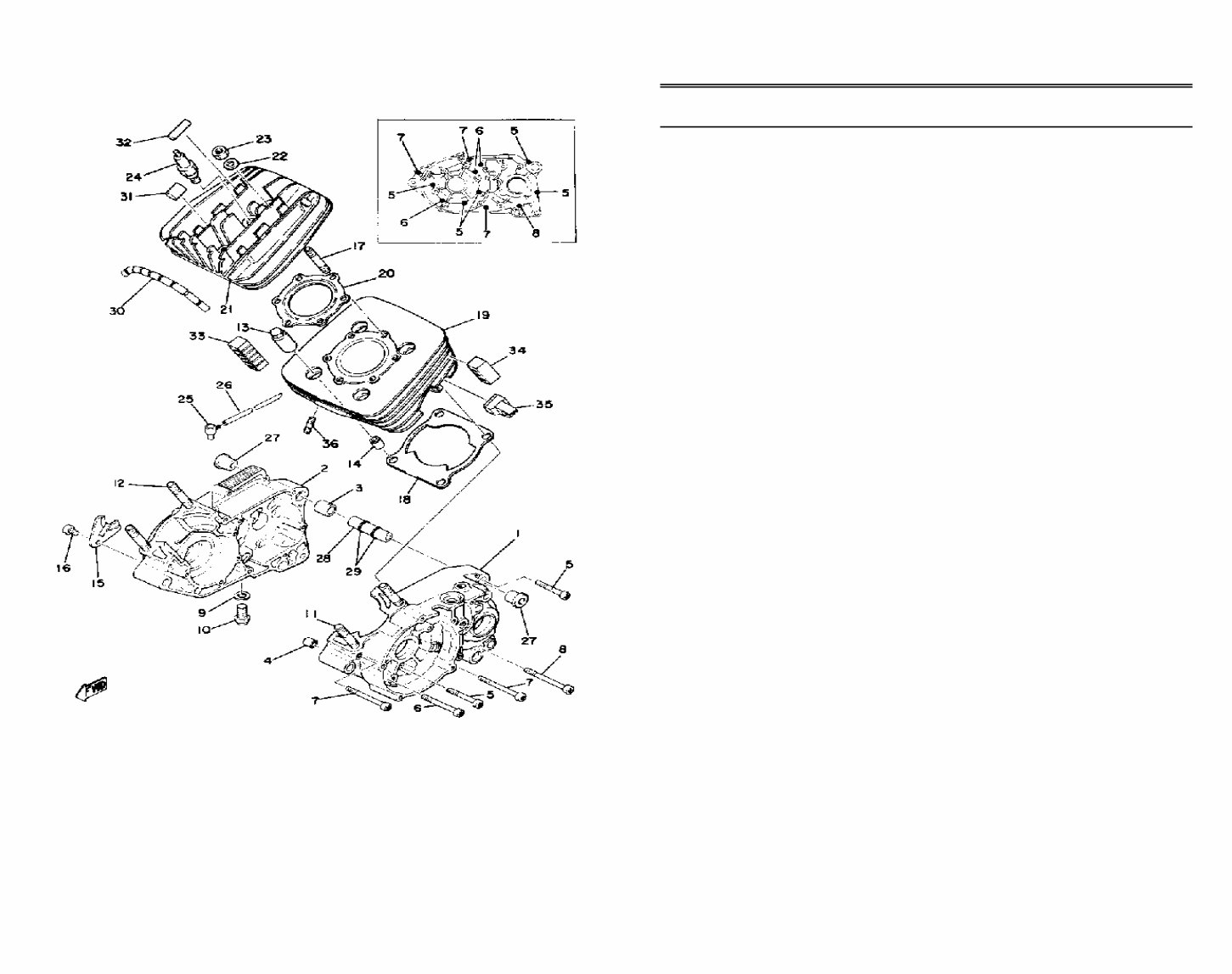
1 (2A6-15111-02-00) CRANKCASE 1 . . . . . . . . . . . . 1
2 2A6-15121-01-00 CRANKCASE 2 . . . . . . . . . . . . 1
3 99510-20020-00 PIN, DOWEL . . . . . . . . . . . . . . 1
4 99530-10014-00 PIN, DOWEL . . . . . . . . . . . . . . 1
5 98580-06550-00 SCREW PAN HEAD
(92503-06050) . . . . . . . . . . . . . 5
6 92580-06560-00 SCREW PAN HEAD . . . . . . . . . 3
7 98501-06070-00 SCREW, PAN HEAD . . . . . . . . 3
8 98501-06075-00 SCREW, PAN HEAD . . . . . . . . 1
9 90430-12207-00 GASKET . . . . . . . . . . . . . . . . . 1
10 90340-12005-00 PLUG, DRAIN . . . . . . . . . . . . . 1
11 95611-10630-00 BOLT, STUD . . . . . . . . . . . . . . 2
12 95611-10640-00 BOLT, STUD . . . . . . . . . . . . . . 2
13 90179-10201-00 NUT . . . . . . . . . . . . . . . . . . . . . 4
14 99530-14016-00 PIN, DOWEL . . . . . . . . . . . . . . 2
15 304-15128-00-00 HOLDER . . . . . . . . . . . . . . . . . 1
16 92501-08010-00 SCREW, PAN HEAD . . . . . . . . 1
17 90116-08104-00 BOLT, STUD . . . . . . . . . . . . . . 6
18 18G-11351-01-00 GASKET, CYLINDER . . . . . . . . 1
19 2A7-11311-00-00 CYLINDER 1 . . . . . . . . . . . . . . 1
20 1W2-11181-00-00 GASKET, CYLINDER HEAD 1 . 1
21 2A7-11111-00-00 HEAD, CYLINDER 1 . . . . . . . . . 1
22 90201-08100-00 WASHER, PLATE . . . . . . . . . . . 6
23 95333-08600-00 NUT . . . . . . . . . . . . . . . . . . . . . 6
24 NGK-B8ES0-00-00 PLUG, SPARK (NGK B8ES) . . . 1 SEE M7-068
25 583-15371-00-00 BREATHER . . . . . . . . . . . . . . . 1
26 90445-07340-00 HOSE . . . . . . . . . . . . . . . . . . . . 1
27 328-15316-00-00 DAMPER, ENG MOUNT 1
(328-15316-00) . . . . . . . . . . . . . 2
CONTINUED ON NEXT FRAME ➤
CRANKCASE - CYLINDER
Ref. Part
No. Number Description Qty Remarks
A2
DT175E
28 401-15317-00-00 SPACER, ENG MOUNT . . . . . . 1
29 93210-11073-00 O-RING . . . . . . . . . . . . . . . . . . 2
30 2A6-11161-00-00 ABSORBER 1 . . . . . . . . . . . . . 1
31 2A6-11162-00-00 ABSORBER 2 . . . . . . . . . . . . . 1
32 3LN-2139U-00-00 ABSORBER 2 . . . . . . . . . . . . . 2
33 2A6-11127-00-00 ABSORBER 3 . . . . . . . . . . . . . 2
34 2A6-11127-00-00 ABSORBER 3 . . . . . . . . . . . . . 2
35 2A6-11129-00-00 ABSORBER 5 . . . . . . . . . . . . . 1
36 90116-06016-00 BOLT, STUD . . . . . . . . . . . . . . 2
NGK-B8ES0-00-00 PLUG, SPARK (NGK B8ES) . . . 1
NGK-B9ES0-00-00 NGK B9ES 10PK . . . . . . . . . . . 1
CRANKCASE - CYLINDER
Ref. Part
No. Number Description Qty Remarks
A3
DT175E
1 2A7-15411-01-00 COVER, CRANKCASE L . . . . . 1
2 2A6-15455-01-00 GASKET 1 . . . . . . . . . . . . . . . . 1
3 98511-06025-00 SCREW PAN HEAD
(92501-06025) . . . . . . . . . . . . . 6
4 2A6-15484-01-00 CLAMP 2 . . . . . . . . . . . . . . . . . 1
5 2A6-15431-00-00 COVER, CRANKCASE 3 . . . . . 1
6 18G-15451-01-00 GASKET, CRCS. COVER . . . . . 1
7 99530-10014-00 PIN, DOWEL . . . . . . . . . . . . . . 2
8 98580-06030-00 SCREW PAN HEAD . . . . . . . . . 3
9 98580-06040-00 SCREW, pan head
(92501-06040-00) . . . . . . . . . . . 6
10 2A6-15416-00-00 COVER, OIL PUMP . . . . . . . . . 1
11 2A6-15456-00-00 GASKET, O/PMP CVR 1 . . . . . . 1
12 98511-06025-00 SCREW PAN HEAD
(92501-06025) . . . . . . . . . . . . . 4
13 401-15362-00-00 PLUG, OIL LEVEL . . . . . . . . . . 1
14 93210-19123-00 O-RING . . . . . . . . . . . . . . . . . . 1
CRANKCASE COVER
Ref. Part
No. Number Description Qty Remarks
A4
DT175E
1 2N4-11400-00-00 CRANKSHAFT ASSEMBLY . . . 1
2 1W1-11412-01-00 . CRANK 1 . . . . . . . . . . . . . . . . 1
3 1W1-11422-01-00 . CRANK 2 . . . . . . . . . . . . . . . . 1
4 25V-11651-00-00 . ROD, CONNECTING 1 . . . . . . 1
5 3M5-11681-00-00 . PIN, CRANK 1 . . . . . . . . . . . . 1
6 93310-42277-00 . BEARING, CYLINDER.#10
(93310-42231) . . . . . . . . . . . . 1
7 90209-22248-00 . WASHER . . . . . . . . . . . . . . . . 2
8 2N5-11631-00-96 PISTON STD (2A7-11631-00-96) 1
2N5-11635-00-00 PISTON 1 O/S 0.25
(2A7-11635-00) . . . . . . . . . . . . . 1 ALTERNATE PART
2N5-11636-00-00 PISTON 2 O/S 0.50
(2A7-11636-00) . . . . . . . . . . . . . 1 ALTERNATE PART
2N5-11637-00-00 PISTON 3 O/S 0.75
(2A7-11637-00) . . . . . . . . . . . . . 1 ALTERNATE PART
2N5-11638-00-00 PISTON 4 O/S 1.00
(2A7-11638-00) . . . . . . . . . . . . . 1 ALTERNATE PART
9 2N5-11610-00-00 PISTON RINGSET STD . . . . . . 1
2N5-11610-10-00 PISTON RINGSET 1ST . . . . . . . 1 ALTERNATE PART
2N5-11610-20-00 PISTON RINGSET 2ND . . . . . . 1 ALTERNATE PART
2N5-11610-30-00 PISTON RINGSET 3RD . . . . . . 1 ALTERNATE PART
2N5-11610-40-00 PISTON RINGSET 4TH . . . . . . . 1 ALTERNATE PART
10 93310-216E1-00 BEARING . . . . . . . . . . . . . . . . . 1
11 251-11633-00-00 PIN, PISTON . . . . . . . . . . . . . . 1
12 93450-17044-00 CIRCLIP . . . . . . . . . . . . . . . . . . 2
13 93306-20529-00 BEARING (B6205C4) . . . . . . . . 1
14 93102-25061-00 OIL SEAL, SD-TYPE . . . . . . . . 1
15 90201-12593-00 WASHER, PLATE . . . . . . . . . . . 1
16 92901-12100-00 WASHER, SPRING . . . . . . . . . . 1
17 90170-12347-00 NUT, HEXAGON . . . . . . . . . . . . 1
CONTINUED ON NEXT FRAME ➤
CRANK - PISTON
Ref. Part
No. Number Description Qty Remarks
A5
DT175E
You're Reading a Preview
What's Included?
Lifetime Access
Access PDF Contents & Bookmarks
Print one or all pages of your manual