SF-3300/SF-3600 (ZX-733A/ZX-733E,G) JULY 1998 R (without price) SF-3600
CONTENTS 1. SPECIFICATIONS .......................................................................................................... 1 2. OPERATION CHECK ..................................................................................................... 2 3. DATA TRANSFER .......................................................................................................... 3 4. TROUBLESHOOTING .................................................................................................... 4 5. SCHEMATIC DIAGRAMS .............................................................................................. 5 6. PARTS LIST ................................................................................................................... 7 7. EXPLODED VIEW .......................................................................................................... 8
— 1 — 1. SPECIFICATIONS Display: Liquid crystal display Power supply: Two lithium batteries (CR2032) Power consumption: 0.1 W Current consumption: At. DC 6.0 V ± 0.1 V When AC key is pressed; Max. 19 μA. Typ. 10 μA While Power OFF; Max. 15 μA While buzzing; Max. 765 μA When backlighting; Max. 17,500 μA Battery life: Approximately 1 year under the following test conditions: Unit turned on one hour each day (5 minutes operation, 55 minutes no operation), with two backlight operations and one Daily Alarm operation per day. Low battery message: DC 5.4 V ± 2.5 % Auto power off: Approx. 6 minutes after last key operation Ambient temperature range: 0 °C ~ 40 °C (32 °F ~ 104 °F) Dimensions: 14.6 (H) × 132 (W) × 82 (D) mm ........ Folded ( 5 / 8" (H) × 5 1 / 4" (W) × 3 1 /4" (D)) 11.3 (H) × 132 (W) × 160 (D) mm ...... Unfolded ( 5 / 8" (H) × 5 1 / 4" (W) × 6 1 /4" (D)) Weight: 105 g (3.7 oz) including batteries
— 2 — NAME E-mail TEL FAX CELL EDIT SEARCH SHIFT PAGE NAME E-mail TEL FAX CELL EDIT SEARCH SHIFT PAGE NAME E-mail TEL FAX CELL EDIT SEARCH SHIFT PAGE E-mail CELL SHIFT PAGE NAME TEL FAX EDIT SEARCH 2. OPERATION CHECK Note: Performing this check, the data saved to SF-3300/3600 are deleted. Before performing the operation, save the data to another unit referring “3. DATA TRANSFER” on page 3. No. 1 2 3 4 5 6 KEY While pushing down the RESET button, press G then release the RESET button. Press CLEAR for about 1 second. Press CLEAR for about 1 second. Press CLEAR for about 1 second. Press CLEAR for about 1 second. Press SET . DISPLAY NOTE The unit emits a buzz. RESET button is located on the back of the unit. If the unit is faulty, LCD indicates “NG” instead of “OK”. — END — (SF-3300) (SF-3600)
— 3 — GND SCLK SOUT SIN 3. DATA TRANSFER The SF-3300/3600 can transfer the stored data to another SF-3300/3600. Note: Before connecting wires, be sure to reset the Backup unit. 1. Remove the battery cover. 2. Connect 4 terminals on the PCB with wires as shown in the figure below. Wiring GND GND SCLK_ SCLK_ SIN SIN SOUT SOUT RESET User's unit Backup unit RESET
— 4 — Note: Perform the operation in numerical order. User's unit Back up unit Operation 1 While pushing down RESET button, press E then re- lease RESET button. 4 Press SET . 5 After the data transmis- sion.... It takes a few minutes to complete the data transfer. 7 Press RESET button. 9 Press ON . Note: Never press SET as it deletes all the data. A Press ON (OFF). Operation 2 While pushing down RESET button, press F then re- lease RESET button. 3 Press SET . 6 When the data is transferred properly...... In case the data transfer ends incomplete...... 8 Press RESET button. 0 Press ON . Note: Never press SET as it deletes all the data. B Press ON (OFF). 4. TROUBLESHOOTING Before doing the following solutions, save data if possible. SYMPTOM SOLUTION CAUSE No power Weak battery Replace batteries Resolder Poor soldering of the power supply circuit No display at all or wrong display Defective heat seal Replace the heat seal Defective LCD Replace the LCD Display T? (Unit emits a buzz.) T? (Unit emits a buzz.) OK! RESET? USED FREE 5250 60220 The above example is DC-8500 display. The numbers vary depending on the quantity of data. Display R? (Unit emits a buzz.) R? (Unit emits a buzz.) OK? NG! or RESET? RESET? USED FREE 5250 60220 The above example is DC-8500 display. The numbers vary depending on the quantity of data.
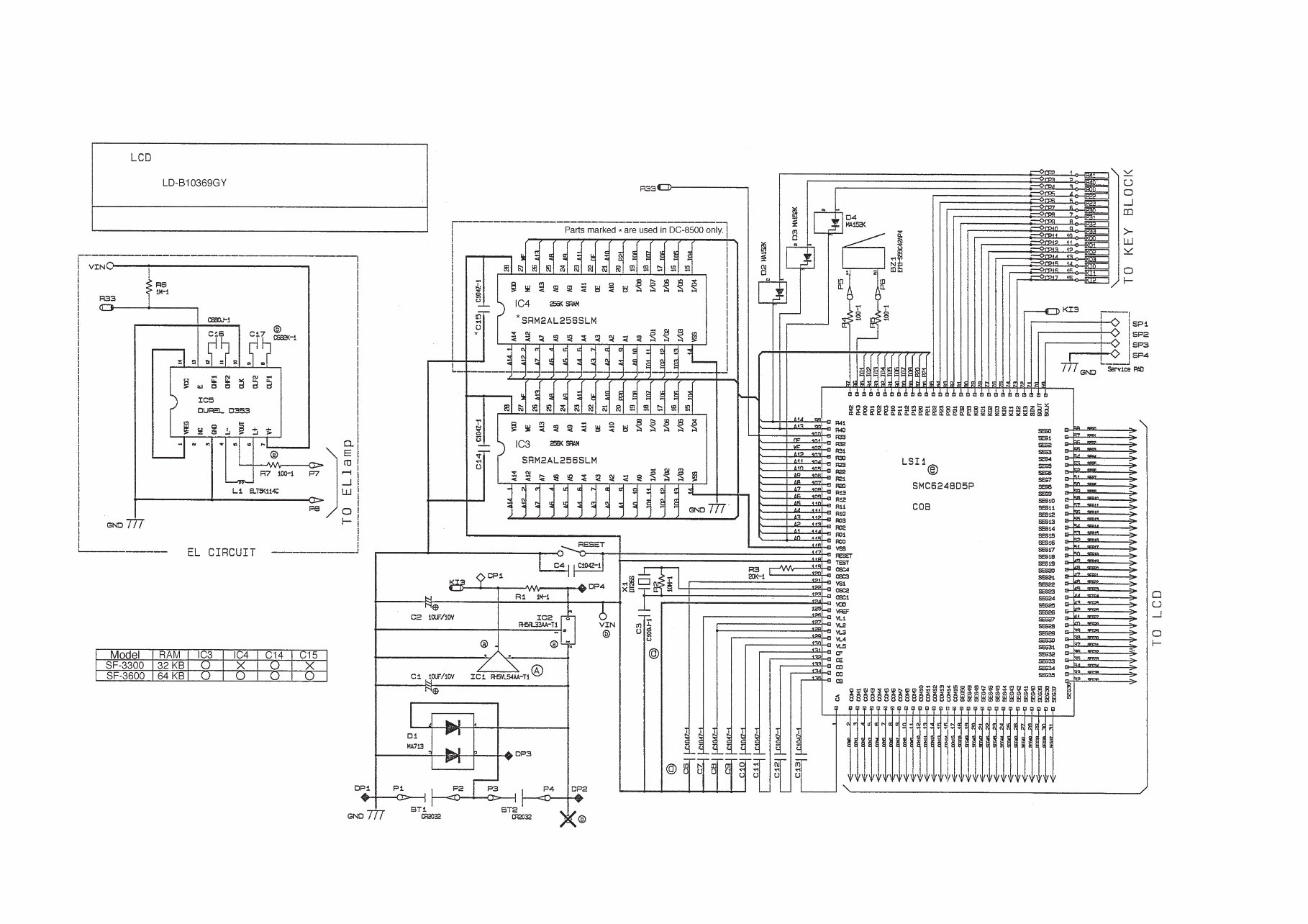
— 5 — 5. SCHEMATIC DIAGRAMS Main block
— 6 — Key block
— 7 — 6. PARTS LIST N Item Code No. Parts Name Specification Applicable Q R PCB ASSY IC6 2011 3955 LSI/S-RAM UPD43256BGU-B12 A 1 C IC6 2011 3955 LSI/S-RAM UPD43256BGU-B12 E, G 2 C N 1 6423 0340 SPRING/BATTERY HA310640-1 Common 2 C N 2 6421 5990 SPRING/BATTERY HA410593-1 Common 2 C COMPONENTS N 3 6423 5100 PCB ASSY HA210134*1 A 1 B N 3 6423 5110 PCB ASSY HA210134*2 E, G 1 B N 4 3335 6748 LCD LD-B10369GY Common 1 B N 5 6423 0270 HEAT SEAL HA410849-1 Common 1 B 6 6418 1080 ELECTRO LUMINESCENCE A341294-1 Common 1 B N 7 6423 0370 SPACER/LCD HA310642-1 Common 1 C N 8 6422 6300 PLATE/POLARIZATION UP-10123C Common 1 C N 9 6423 0120 CASE/UPPER HA110177-1 A 1 X N 9 6423 0130 CASE/UPPER HA110177-2 E 1 X N 9 6423 0140 CASE/UPPER HA110177-3 G 1 X N 10 6423 0150 CASE/LOWER HA110178-1 A, E 1 X N 10 6423 0170 CASE/LOWER HA110178-3 G 1 X N 11 6423 0180 HARD COVER HA110179-1 A 1 X N 11 6423 0190 HARD COVER HA110179-2 E 1 X N 11 6423 0200 HARD COVER HA110179-3 G 1 X N 12 6423 0210 COVER/BATTERY HA210121-1 A, E 1 C N 12 6423 0230 COVER/BATTERY HA210121-3 G 1 C N 13 6423 0240 BUTTON HA310623-1 A, E 1 C N 13 6423 0450 BUTTON HA310623-2 G 1 C N 14 6423 0250 KNOB HA310624-1 Common 1 C N 15 6423 0300 LABEL HA310630-1 A 1 C N 15 6423 0430 LABEL HA310630-2 E 1 C N 15 6423 0440 LABEL HA310630-3 G 1 C N 16 6423 0310 RUBBER/CONTACT HA110182-1 A, E 1 C N 16 6423 0330 RUBBER/CONTACT HA110182-3 G 1 C 17 6419 9840 RUBBER/CONTACT A341594-1 Common 1 C 18 6420 2600 SPACER A442667-1 Common 1 C N 19 3122 3571 BUZZER 64PE27044 Common 1 C N 20 6423 0400 TAPE/BUZZER HA410774-1 Common 1 C Parts prices will be informed separately by Parts Price List. Notes: N- New parts Essential Q-Quantity used per unit Stock recommended R-Rank Others No stock recommended *Applicable: Model Color of Case A SF-3300 Black E SF-3600 Black G SF-3600 Pale Gold R-A: B: C: X:
Get the repair manual for CASIO SF-3300/3600 DIARY 1998. This manual contains easy step-by-step guides and illustrations for simple to complicated repairs. It is useful for both professional mechanics and DIY enthusiasts. The manual provides information on specifications, operation check, data transfer, troubleshooting, schematic diagrams, parts list, exploded view, and more. It is a printable manual with a total of 11 pages in English format. Compatible with Win/Mac, it offers easy-to-follow instructions, diagrams, and pictures. No technical knowledge or skills are needed, making it a cost-saving solution.