calcActive())">
JLG Lull Telehandlers 844B ANSI Illustrated Master Parts List Manual ! (10709911)
What's Included?
Fast Download Speeds
Online & Offline Access
Access PDF Contents & Bookmarks
Full Search Facility
Print one or all pages of your manual
Viewed 71 Times Today
Secure transaction
What's Included?
Fast Download Speeds
Online & Offline Access
Access PDF Contents & Bookmarks
Full Search Facility
Print one or all pages of your manual
$31.99
$41.99
This comprehensive parts manual is specifically designed for the JLG Lull Telehandlers 844B ANSI. It provides easy access to essential information for professionals and DIY enthusiasts alike. The manual includes detailed diagrams and step-by-step instructions for completing various tasks efficiently.
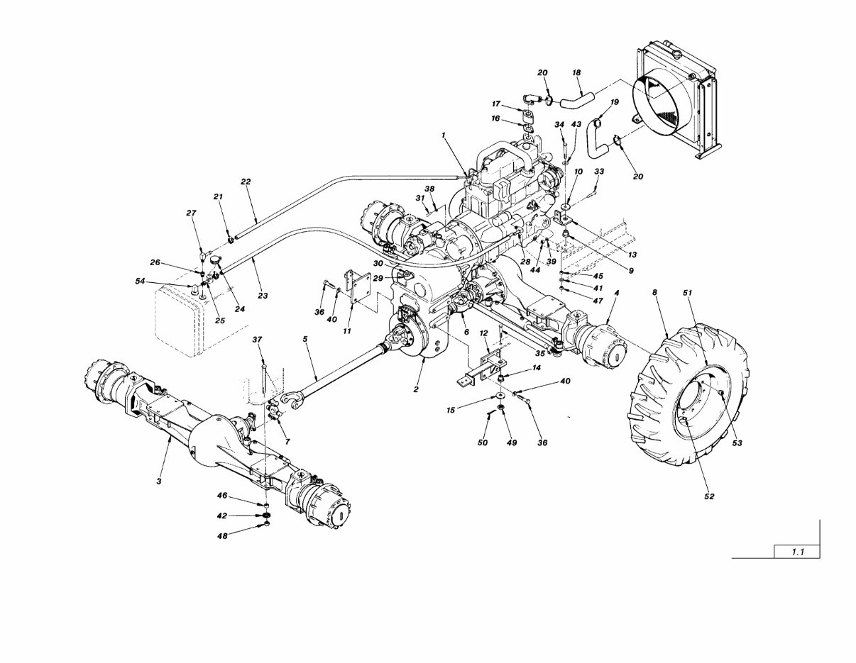
- Section 1: Drive Train
- Section 2: Transmission and Axles
- Section 3: Frame and Platform
- Section 4: Boom and Transfer Carriage
- Section 5: Boom and Transfer Hydraulics
- Section 6: Lower Hydraulics
- Section 7: Control Hydraulics
- Section 8: Brake Assembly
- Section 9: Electrical
- Section 10: Decals and Accessories
- Section 11: Fork Carriages
With instant access, there are no shipping costs or waiting for physical delivery. The manual is compatible with all versions of Windows and Mac, and it can be viewed using Adobe Reader. It's a valuable resource for maintaining and repairing the JLG Lull Telehandlers 844B ANSI.









