AISIN AR-5 Manual Transmission Workshop Service Manual
What's Included?
Lifetime Access
Fast Download Speeds
Online & Offline Access
Access PDF Contents & Bookmarks
Full Search Facility
Print one or all pages of your manual
2007 TRANSMISSION Manual Transmission - Aisin AR5 - H3 SPECIFICATIONS FASTENER TIGHTENING SPECIFICATIONS Fastener Tightening Specifications SEALERS, ADHESIVES AND LUBRICANTS Sealers, Adhesives and Lubricants LUBRICATION SPECIFICATIONS Lubrication Specifications Application Specification Metric English Backup Lamp Switch 44 N.m 32 lb ft Control Lever Boot Screw 2.5 N.m 22 lb in Drain Plug 37 N.m 27 lb ft Fill Plug 37 N.m 27 lb ft Fuel Hose/Pipe Brackets Nut 20 N.m 15 lb ft Input Shaft Bearing Retainer Bolt 17 N.m 13 lb ft Shift Lever Assembly Bolt 20 N.m 15 lb ft Transmission Mount Bolt 60 N.m 44 lb ft Transmission Mount Nut 57 N.m 42 lb ft Transmission Mounting Bolt 50 N.m 37 lb ft Vehicle Speed Sensor (VSS) 17 N.m 13 lb ft Application Type of Material GM Part Number United States Canada Input Shaft Bearing Retainer Sealant 89020326 89021188 Input Shaft Bearing Retainer Bolts Pipe Sealant 12346004 10953480 Transmission Fluid 75W-90 Gear Oil 89021806 89021807 Application Specification Metric English Manual Transmission Fluid 2007 Hummer H3 2007 TRANSMISSION Manual Transmission - Aisin AR5 - H3 2007 Hummer H3 2007 TRANSMISSION Manual Transmission - Aisin AR5 - H3
TRANSMISSION CLEARANCE SPECIFICATIONS Gear Axial Clearance Gear Radial Clearance Output Shaft Output Shaft Bearing Journals - Minimum Diameter API AI-A or GL-3 SAE 75W-90 GM P/N 89021806 (Canadian P/N 89021807) RWD: 2.2 liters 4WD: 2.3 liters RWD: 2.3 quarts 4WD: 2.4 quarts Application Standard Clearance Metric Maximum Clearance Metric Standard Clearance English Maximum Clearance English 1st Gear 0.20-0.45 mm 0.50 mm 0.0079-0.0177 in 0.0197 in 2nd Gear 0.10-0.25 mm 0.30 mm 0.0039-0.00098 in 0.0118 in 3rd Gear 0.10-0.25 mm 0.30 mm 0.0039-0.00098 in 0.0118 in 5th Countershaft Gear 0.10-0.35 mm 0.40 mm 0.0039-0.0138 in 0.0157 in Application Standard Clearance Metric Maximum Clearance Metric Standard Clearance English Maximum Clearance English 1st Gear 0.020-0.073 mm 0.160 mm 0.0008-0.0029 in 0.0063 in 2nd Gear 0.015-0.068 mm 0.160 mm 0.0006-0.0027 in 0.0063 in 3rd Gear 0.015-0.068 mm 0.160 mm 0.0006-0.0027 in 0.0063 in 5th Countershaft Gear 0.015-0.068 mm 0.160 mm 0.0006-0.0027 in 0.0063 in Reverse Idler Gear 0.040-0.082 mm 0.130 mm 0.0016-0.0032 in 0.0051 in Application Specification Metric English Runout - Maximum 0.06 mm 0.0024 in Flange Thickness - Minimum 4.70 mm 0.1859 in Specification 2007 Hummer H3 2007 TRANSMISSION Manual Transmission - Aisin AR5 - H3
Countershaft Bearing Journals - Minimum Diameter Synchronizer Blocker Ring to Gear - Minimum Clearance Synchronizer Sleeve to Shift Fork - Maximum Clearance 1ST AND 2ND GEAR SYNCHRONIZER RETAINING RING SPECIFICATIONS 1st and 2nd Gear Synchronizer Retaining Ring Specifications Application Metric English 1st Gear 38.860 mm 1.5299 in 2nd Gear 46.860 mm 1.8449 in 3rd Gear 37.860 mm 1.4905 in Application Specification Metric English 5th Countershaft Gear Bearing 29.86 mm 1.1756 in Application Specification Metric English 1st Gear 0.8 mm 0.031 in 2nd Gear 0.8 mm 0.031 in 3rd Gear 0.8 mm 0.031 in 4th Gear 0.8 mm 0.031 in 5th Gear 0.8 mm 0.031 in Application Specification Metric English 1st/2nd Gear 1.0 mm 0.039 in 3rd/4th Gear 1.0 mm 0.039 in 5th Gear 1.0 mm 0.039 in Reverse Idler Gear 0.50 mm 0.0197 in Mark Thickness (mm) Thickness (in) A 2.30-2.35 0.0906-0.0925 B 2.35-2.40 0.0925-0.0945 C 2.40-2.45 0.0945-0.0965 D 2.45-2.50 0.0965-0.0984 E 2.50-2.55 0.0984-0.1004 2007 Hummer H3 2007 TRANSMISSION Manual Transmission - Aisin AR5 - H3
3RD AND 4TH GEAR SYNCHRONIZER RETAINING RING SPECIFICATIONS 3rd and 4th Gear Synchronizer Retaining Ring Specifications 5TH GEAR SYNCHRONIZER RETAINING RING SPECIFICATIONS 5th Gear Synchronizer Retaining Ring Specifications COUNTERSHAFT FRONT BEARING RETAINING RING SPECIFICATIONS Countershaft Front Bearing Retaining Ring Specifications F 2.55-2.60 0.1004-0.1024 G 2.60-2.65 0.1024-0.1043 Mark Thickness (mm) Thickness (in) A 1.80-1.85 0.0709-0.0728 B 1.85-1.90 0.0728-0.0748 C 1.90-1.95 0.0748-0.0768 D 1.95-2.00 0.0768-0.0787 E 2.00-2.05 0.0787-0.0807 F 2.05-2.10 0.0807-0.0827 G 2.10-2.15 0.0827-0.0846 Mark Thickness (mm) Thickness (in) A 2.80-2.85 0.1102-0.1122 B 2.85-2.90 0.1122-0.1142 C 2.90-2.95 0.1142-0.1161 D 2.95-3.00 0.1161-0.1181 E 3.00-3.05 0.1181-0.1201 F 3.05-3.10 0.1201-0.1220 G 3.10-3.15 0.1220-0.1240 Mark Thickness (mm) Thickness (in) A 2.05-2.10 0.0807-0.0827 B 2.10-2.15 0.0827-0.0846 C 2.15-2.20 0.0846-0.0866 D 2.20-2.25 0.0866-0.0886 E 2.25-2.30 0.0886-0.0906 F 2.30-2.35 0.0906-0.0925 2007 Hummer H3 2007 TRANSMISSION Manual Transmission - Aisin AR5 - H3
INPUT SHAFT BEARING RETAINING RING SPECIFICATIONS Input Shaft Bearing Retaining Ring Specifications FIFTH GEAR RETAINING RING SPECIFICATIONS Fifth Gear Retaining Ring Specifications COMPONENT RESISTANCE Component Resistance Mark Thickness (mm) Thickness (in) A 2.10-2.15 0.0827-0.0846 B 2.15-2.20 0.0846-0.0866 C 2.20-2.25 0.0866-0.0886 D 2.25-2.30 0.0886-0.0906 E 2.30-2.35 0.0906-0.0925 F 2.35-2.40 0.0925-0.0945 G 2.40-2.45 0.0945-0.0965 Mark Thickness (mm) Thickness (in) C 2.75-2.80 0.1083-0.1102 D 2.80-2.85 0.1102-0.1122 E 2.85-2.90 0.1122-0.1142 F 2.90-2.95 0.1142-0.1161 G 2.95-3.00 0.1161-0.1181 H 3.00-3.05 0.1181-0.1201 J 3.05-3.10 0.1201-0.1220 K 3.10-3.15 0.1220-0.1240 L 3.15-3.20 0.1240-0.1260 M 3.20-3.25 0.1260-0.1280 N 3.25-3.30 0.1280-0.1299 P 3.30-3.35 0.1299-0.1319 Component Pass Through Pins Resistance 25° C (77°F) Resistance 150° C (302°F) Resistance to Ground (Case) Vehicle Speed Sensor 1, 2 1,300-1,500 ohms 2,360-3,160 ohms Greater than 10 M ohms 2007 Hummer H3 2007 TRANSMISSION Manual Transmission - Aisin AR5 - H3
SCHEMATIC AND ROUTING DIAGRAMS MANUAL TRANSMISSION SCHEMATIC ICONS Manual Transmission Schematic Icons MANUAL TRANSMISSION SCHEMATICS Icon Icon Definition NOTE: The OBD II symbol is used on the circuit diagrams in order to alert the technician that the circuit is essential for proper OBD II emission control circuit operation. Any circuit which fails and causes the malfunction indicator lamp (MIL) to turn ON or causes emissions-related component damage, is identified as an OBD II circuit. Refer to Splicing Twisted or Shielded Cable . IMPORTANT: Twisted-pair wires provide an effective "shield" that helps protect sensitive electronic components from electrical interference. If the wires were covered with shielding, install new shielding. In order to prevent electrical interference from degrading the performance of the connected components, you must maintain the proper specification when making any repairs to the twisted-pair wires shown : The wires must be twisted a minimum of 9 turns per 31 cm (12 in) as measured anywhere along the length of the wires. The outside diameter of the twisted wires must not exceed 6.0 mm (.25 in). 2007 Hummer H3 2007 TRANSMISSION Manual Transmission - Aisin AR5 - H3
AISIN AR-5 MANUAL TRANSMISSION WORKSHOP SERVICE REPAIR MANUAL
This manual is compatible with the following computer operating systems:
All Windows versions
All Mac versions
You need the Adobe Acrobat Reader to view the document as the manual is in PDF format. If your computer doesn't have this application, you can download and install it for free from the Adobe Acrobat website.
File size: 11 MB
Transmission covered:
5-speed manual transmission AISIN AR-5
Contents:
Service precaution
General description
Diagnosis
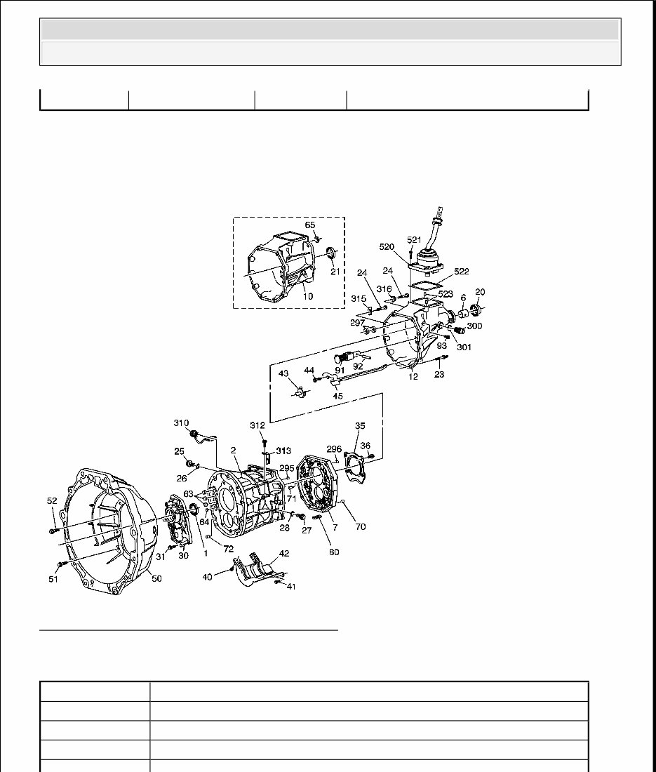
Manual transmission assembly
Transmission and associated parts
Removal
Installation
Rear oil seal (transfer adapter) - Removal, Installation
Transmission unit - Disassembled view, Disassembly, Inspection, Reassembly
Diagnostic code index
Shift lever assembly
Transmission input shaft
Transmission housing
Bearing retainer replacement
Control lever and/or boot replacement
Transmission fluid replacement
Diagrams
Main data and specifications
General specifications
Torque specifications
Special tools
This manual is presented for you in electronic format. You can just print out the page you need then dispose of it when you have completed your task. This manual has detailed illustrations as well as step-by-step written instructions with the necessary diagrams or pictures. These manuals are your number one source for repair and service information and specifically written for the do-it-yourself as well as the experienced mechanics worldwide used to use this factory manual to fix your vehicle. Using this repair manual is an inexpensive way to keep your gearbox working properly. It is this level of detail, along with illustrations, that guide the reader through each service, repair, and maintenance procedure.
Recently Viewed
5,521,897Happy Clients
2,594,462eManuals
1,120,453Trusted Sellers
15Years in Business
Price:
Actual Price:
AISIN AR-5 Manual Transmission Workshop Service Manual