calcActive())">
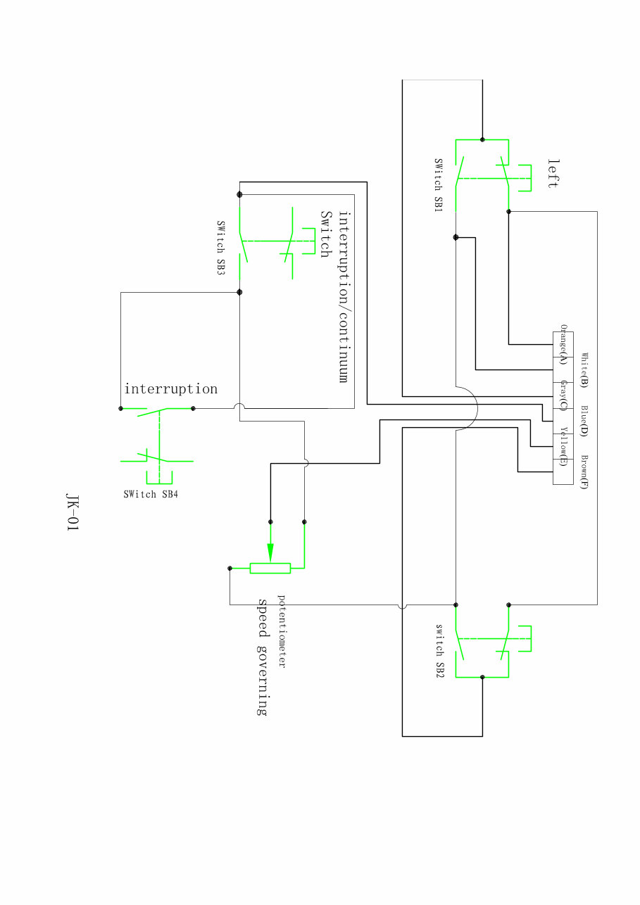
Watersnake Foot Control Unit - Wiring Diagram (SWDR, SWXB, PSB, TSB models)
What's Included?
Fast Download Speeds
Online & Offline Access
Access PDF Contents & Bookmarks
Full Search Facility
Print one or all pages of your manual
Viewed 10 Times Today
Secure transaction
What's Included?
Fast Download Speeds
Online & Offline Access
Access PDF Contents & Bookmarks
Full Search Facility
Print one or all pages of your manual
$26.99
The Watersnake Foot Control Unit - Wiring Diagram is an essential resource for professional mechanics and DIY enthusiasts who own the SWDR, SWXB, PSB, and TSB models. This comprehensive wiring diagram offers detailed instructions for the proper installation and wiring of the foot control unit to ensure optimal performance.
With easy-to-follow diagrams and step-by-step instructions, even first-time users will find it effortless to connect the unit to their water snake model. Bid farewell to frustrating installations and welcome smooth operation with the Watersnake Foot Control Unit - Wiring Diagram.
Get your hands on this valuable manual today and enjoy instant delivery through a download link.
