calcActive())">
YANMAR Marine Diesel Engine 3JH3E 3JH3BE 3JH3CE 4JH3E 4JH3BE 4JH3CE Full Service & Repair Manual
What's Included?
Fast Download Speeds
Online & Offline Access
Access PDF Contents & Bookmarks
Full Search Facility
Print one or all pages of your manual

S fRVICEMAM ωL
MOD 黯 L
3dH3( 酶 )(C哩 494dH3(B)(C)

Printed in Japan
HINSffi-H8009
FOREWORD
This service manual has been complied lor engineers engaged in sales ,
service , inspection and maintenance. Accordingly , descriptions 01 the
construction and lunctions 01 the engine are emphasized in this manual
while items which should already be common knowledge are omitted
One characteristic 01 a marine diesel engine is that its pe付。 rmance in a
vessel is governed by the applicability 01 the vessel's hull construction
and its steering system.
Engine installation , litting out and propeller selection have a substantial
effect on the performance 01 the engine and the vesse l. Moreover, when
the engine runs unevenly or when trouble occurs , it is essential to check
a wide range 01 operating conditions - such as installation to the hull
and suitability 01 the ship's piping and propeller - and not just the engine
itsell. To get maximum performance Irom this engine , you should com
pletely understand its lunctions, construction and capabilities, as well
as proper use and servicing
Use this manual as a handy relerence in daily inspecti口 n and mainte-
nance , and as a text lor engineering guidance.
Model 4JH3E has been used lor the illustrations in this service manual ,
but they apply to models 3JH3E , 3JH3BE , 3J H3CE, 4J H3BE, and 4JH3CE
as wel l.
METRIC
ALL DIMENSIONS IN MILLIMETERS
UNLESSOTHERvnSESPECll在ED
The contens 01 this service manual may not be copied or
reproduced without permission.

MODELS
3 .J H3(B)(C)
Chapter 1 GENERAL
1. Exterior Views.............. ……...…..... ………… 1-1
2. Specilications .... …..... …………1-3
3. Engine Ou tling ..... ……………..................... 1-6
4. Piping Diagrams ...........…......…………… ....... 1-10
Chapter 2 INSPECnON AND SERVICING OF
BASIC ENGINE PARTS
1. Cylinder Block…..……........... ……… 2-1
2. Cylinder Head …........ .…........... …… '2-4
3. Piston and Piston Pins ..…-………E ……… 2-11
4. Connecting Rod .…….............. … ..... 2-15
5. Crankshaft and Main Bearing ……… ..... 2-18
6. Camshaft and Tappets ........ …·…........ …… '2-21
7. Timing Gear ........... …………................. …2-24
8. Flywheel and Housing …………........ …… ..... 2-26
Chapter 3 FUEL INJECTION EQUIPMENT
1. Fuel injection Pump Service Data ..…… ......3-1
2. Governor ……………........ ……............ ……....... 3-4
3. Disassembly, Reassembly and Inspection 01
Fuel i叫ection pump.... ………-…… 3-14
4. Adjustment 01 Fuellnjection Pump and Governor "'3-24
5. Fuel Feed Pump ………........ …………"'3-30
6. Fuel injection Nozzle ……………… 3-32
7. Troubleshooting ……........…....................……3-36
8. Tools ..... ……..……........ ……...... …"3-38
9. Fuel Filter ……………....... …………"3-40
10. Fuel Tank ……………………….................... … '3-41
11.Troubleshooting …………................ …3-42
Chapter 4 INTAKE AND EXHAUST SYSTEM
1. Intank System …...........................… _............4-1
2. Exhaust System …………........ ……..……"4-2 4I,句,』noauGG
RJMRJURURJWKJW
M
…………"
'hhttttqG nE
……
-m sh忡忡KN·……"时酬凹
s""O N叮叫叮ιJ叫吁o叶仆仆咔啊啊H川川."X』泊m…….n队们K咀eE.川川
l1.'
> m阳r血陌川p~剧E阻丘且趴dm阳d恒
•. ‘、川u"HnueeLmPRC归
itlllth
w ,川川门川臼OOOiγasnHae。口号vao川叶川』U』UhM』U呻H协川甲Uuuuc
MLLLLR c123a4吨E
Chapter 6 COOLl NG WATER SYSTEM
1. Cooling Water System ..……………...... ………6-1
2. Sea Water Pump .... ……………...…… ....6-3
3. Fresh Water Pump............ ………........ … "6-5
4. Heat Exchanrger .……..…………..……… 6-8
5. Pressure Cap and Sub Tank ........... ……..... 6-10
6. Thermostat …….................. ………… 6-12
7. Bilge pump and Bilge Strainer (Optional) … ......... 6-14
Printed in japan
IflNSHI-H8009
49 4 .J H3(B)(C
Chapter 7 REDUCTION AND REVERSING GEAR
Marine Gear Models [KM3A)
1. Construction .....…………-……… E … ......7斗
2. Shifting Device . ..... ….... ….... ………… "7-7
3. Inspection and Servicing ........………-……..…在 12
4. Disassembly ……..........................……......... 7-20
5. Reassembly …·………..... …............ 7-25 nueronU内Mund肉,-mdaa『da守F0
7'''7'?'''
..... ..... ..... ..... .....
.... ....
···-· ···-· ···EE
---- 2····· F··· ne---
••
M
.....
vn·UE-u
[·· eaHHHUU
--IJJl
awn--u
duuuhuu 内M·M-uM仆"guμ
r··m· 组MHH户LV-uιWH…例……au--R喝d··
·me4
… Mn阻nuyhm附aNUL叩
pte--: 且D町阳刚ng划由@叫川nHMAea咱mmmmm唱出oum且由ae
FMCJVHEHnUEn 4E句,』内飞MA吨EG
Chapter 8 REMOTE CONTROL (OPTIONAL)
1 . Remote Control System …......... ……………8-1
2. Remote Controllnstallation ……......... ……........ …'8-2
3. Remote Control Inspection ……………..…8-4
4. Remote Control Adjust ment ….... …… ....8-5
Chapter 9 ELECTRICAL SYSTEM
1. Electrical System ........................... ……… 9-1
2. Battery …………............................... ……………'9-5
3. Starter Motor .... ............. ……......... …… ............. 9-8
4. Alternator Standard , 12VJ55A …………… 9-22
5. Alternator 12V/80A (OPTIONAL) ………… "9-30
6. Instrument Panel ........ …………..…..………… .....9-40
7. Warning Devices ..……………-……… 9-42
8. Air Heater (Optional) .………..……… .......... 9-45
9. Electric type Engine Stopping Device (Optional) ...... 9-46
10.Tachometer ……………·…… "9-48
Chapter 10 DISASSEMBLY AND REASSEMBL Y
1. Disassembly and Reassembly Precautions" ..........10-1
2. Disassembly and Reassembly Tools ...... ……… 10-2
3. Disassembly and Reassembly" ……..... …...... 10-14
4. Table 01 Standard Measurements lor Maintenance … 10-35
5. Tightening torque ...........……....…........…"10-40
6. Test Running ………........................ … ..........10-41
Chapter 11 TROUBLESHOOTING
1. Troubleshooting …·…………-…........11-1

Printed jn japan
IDNSID-H扳回9
CHAPTER 1
GENERAL
1. Exterior Vi ews ………………...…………… 1-1
1-1 3J H3E ..................……………….......… '1-1
1-2 4J H3E ……........ ……........ ……… "1-2
2. Specifications ....... …·……………………… '1-3
2-1 3J H3E, 3J H3BE, 3JH3CE …………....... … "1-3
2-2 4J H3E, 4J H3BE ,乱JH3CE ………·……'-1-4
2-3 Sales condition , Marine gear ........ ….......... 1-5
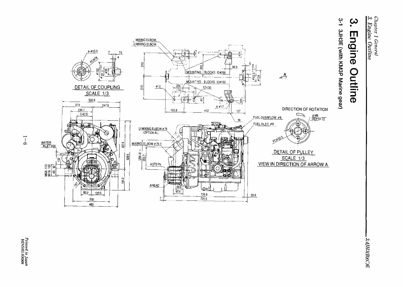
3. Engine OutJine ……......... ………………………1-6
3-1 3J H3E (with KM3P Marine gear) …............ 1-6
3-2 3JH3BE (with KM3A Marine gear) ........… '1-7
3-3 4J H3E (with KM3P Marine gear) ............... 1-8
3-4 4J H3BE (with KM3A Marine gear) …… "1-9
4. Piping diagrams ……………..................… "1-10
4-1 3,4J H3(B)(C)E ...................…………"1-1 0

Chapter 1 GeneraI
1. Exterior Views
1. Exterior Views
1-1 3J H3E
• Operation Side
十一-1
Shitt lever
• Non Operation Side
Fresh water pυmp
Intake manifold
V-belt
广一一
f 11 A
~-LJ扩
Fuel filter
Fuel oil pump
Oil filter cap
Fuel feed pump
Lube 口il filter
Exhaust ma叩 fold
Starter motor
Sea water pump
<Note>τñis illustration shows Yanmar marine gear (Model : KlV口的 when it has been attached
Printed 臼 }apa.n
HINSHI-Hí<<109
1-1
3.4JH3(B)(C)E

Chapter 1 General
1. ExterÍor VÍews
3.4JH3(B)(C)E
1-2 4JH3E
Dipstick
• Operation Side
Intake manifold
Fuel filter
Marine gear
Fuel oil pump
Shift lever
Oil filter cap
Fuel feed pump
Lube oil filter
Oil Filter cap (Marine gear)
• Non Operation Side
V-belt Fresh water tank
Fresh water pump
Alternator
Exhaust manifold
Starter motor
Sea water pump
( Note)ηlis iI1ustration shows Yanmar marine gear 仙10del : KM3P) when it has been attached
1-2
Printed in ]apan
HINSIlI-HSOO9

Chapter 1 General
Z Speciflcatío旧
3,4JH3(B)(C)E
2. Specifications
2-1 3J H3E, 3J H3BE, 3J H3CE
Model 3JH3E 3JH3BE 3JH3CE
Type
Vertical 4-cycle water cooled diesel engine
Combustion system
Direct injection
Aspirat阳n
Normal aspiration
Number 01 cylinders
3
Bore X stroke
n内n同 84 X 90
Displacement a 1.496
Ospuetepd utfc「anltShan
(KHWP/Nrppmm )
26.5/3650
One hour rating
(36/365日)
output
Brake mean effective
kgf/cm
2
(flywheel oulpul) pressure
5.93
Piston speed m/sec 1 日 95
Continuous rali咱
ospuepeMud wcrankshaft
(KHWPN/rppmrn )
29.4/380日
(40/3800)
outpot
日rake mean effective 。 621
(DIN6270A)
kgflcm
2
flywheel output
pressure (6.33)
Piston speed m/sec 11.4
Compression ratio 17.7
Fire order
240' 240' 240'
1 • 3 - 2 - 1
Fuel injection pump YPES.CL (wilh Timer)
Fuel injection timing
degree 12'
(b.T.D.C.)
Fuel injection p用自ure kg/cm
2
2口口 :!:5
Fuel injection nozzle Hole type
Direc1 ion 01
(Crankshaff)
Counter-clock wise
rotation viewed from stern
power take off At Flywheel side
Constant high temperature fresh water cooling
Cooling system Fresh water : Cenlrifugal pump
Sea water :Rubber impeller pump
Lubrication system Forced lubrication 叫th trochoid pump
Sla巾ng syslem
Slarting motor DC 12V,I.2kW
AC generato 12V.55A (12V80A: Oplion)
Model KM3P KM3A (缸il 由响也31 can be 峰时)
Type Mechanical cone clulch
Mechae nlticmail tecr one clutch
directly ∞民a阳n
(lorque limiter no angle)
Reduction rate (aheadlastern) 训 2.36/3.16 2.61且 16 3.20/3.16 2.33 归口4 2.6413.04
pro阳l阳 speed (ahea曲 slem) rpm 1610/1 囚31457门却31188/1 却3 162911249 144111249
Standard propeller
Marine Gear
(Dia. XpitchXnumber)
mm
Propeller shaft dia.
X Countershatt dia.
mm
Lubrication system Splash
LubeαI pan I Tolal capacif)' E 0.35 0.45
1 Effective capacity e 0.05 口口5
Cooling system
Weighl [kg[ [13[ [13J
Overall length mm 755.6 752.8 545.8
Dimensions Overall width
m"飞
52口 6 520.6
Overall height mn同 628.6 628.6
Engine weight without marine gear (dry) kg 186 173
Lubricating oil capacity EffecVmax z 4.411.8 7 4.9尼 1 4.9/2.1
W LK r3 Fhd qu 7' nu .一-
Dr UH 1 / au A铀Y
nu 内d
O CJu
n o
AU
n 。
"u gmh ntM lpwm
tak a18
R11H
12· iz 、JJUUH
Benb 副川N川、阳阻
1-3

Chapter 1 GeneraJ
z Specifícatíons
2-2 4J H3E, 4JH3BE, 4JH3CE
Engine Model
Type
Combustion system
Aspiration
Number of cylinders
80re X stroke
Displacement
One hour rating
sOpuetpeud t/crankshan
output
Brake mean effective
(flywheel oulpul) pressure
Piston speed
Continuous rating
sDpuetped ut/C「ankShan
outpot
Brake rn8an effective
(口 IN6270A)
fJywheel output
pressure
Piston speed
Compression ratio
Fire order
Fuel injection pump
Fuel injection timing
(b .T.D.C.)
Fuel injection pressure
Fuel injection nozzle
Direction of
(Crankshaft)
rotation
Power take off
Cooling system
Lubrication system
Starting system
Starting motor
AC generato
Model
Type
Reduclion rate (ahead/astern)
PrO阴阳r speed (ahead!a创em)
Standard propeller
Marine Gear (Diao XpitchXnumber)
Propeller shaft diao
X Countershaft dia
Lubrication system
LL剧。il pan I Total capacity
1 Effe~~e capacity
Cooling system
Weight
Ov erall length
Dimensions Overall width
Overall height
Engine weight without marine gear (d叩)
Lubricating oil capacity EffeCVmax
mm
a
(KHWPNAppm m)
kgflcm
2
m/sec
lKHWP/Nrppmm )
kgf/cm
2
m/sec.
degree
kg/cm
2
M
rpm
mm
mm
e
e
[kg]
mm
mm
mm
kg
a
(Note) Rating condition: 150 - 3046 门, 1HP 斗。 7355kW
3. 4J H3(BXC)I
4JH3E 4JH3日E 4JH3CE
Ve r1 icaI4-cycle water cooled diesel engine
Direct injection
Normal aspiration
4
84 X 9口
1.995
36.8/3650 34.6/3650
(50/3650) (47/3650)
6.18 5.81
10.95
4 1.2/38口。 38.213800
(56/3800) (5213800)
6.65
11. 4
17.7
180' 180' 180' 180'
1 ~ 3 ~ 4 • 2 ~ 1
In-line type YPES-CL (with Timer)
(b.T. D.C.) 12'
220 :t 5
Hole type
Counter-clock wise
viewed from stern
At Flywheel side
Constant high temperature fresh water cooling
Fresh water : Cenlrifugal pump
Sea waler :Rubber impeller pump
Forced lubrication with trochoid pump
DC 1 凹,1.2kW
12V,55A (12V, 80A: oplion)
KM3P KM3A
Mechanical cone clutch
Mechanical cone clutch
pa川
dir,剧Iy on location
(torque limiter no angle)
2.36/3.162.61/3.16 2.33/3.04 2.64/3.04
1610/1203 1457月 203 162911249 1441/1229
Splash
0.35 0.45
0.05 口口5
[13] [13]
849.6
563.1
623.6
223
5.3/1.1 副 engine instaUation angle O'
1~4
639.8
563.6
623.6
210
PnOnted in ]apan
HINSHI-H8阳9

Chapter 1 General
z SpecificatÍons
2-3 Sales condition , Marine gear
仁£t…10
gear model)
←一一
3 .20 (KM3P)
3.21 (KM3A)
2.61 (KM3P)
2.64 (KM3A)
2.36 (KM3P)
~ (KM3A)
Printed in Japan
IIINSIlI-l!8009
No. 01 blades
3
4
3
4
3
L •
4
3, 4]H3(B)( C)E
Outer diameter Moment 01 propeller Propeller Engine
01 propeller inertia (GD'kg-m') materìa!s application
二亘 ";490
至 0.23
3JH3(B)仨
主豆q\ 460
主至1> 470
至 0.19 Bronze
主至s6 440 ωH3(B)E
主豆s6 450 4JH3(日)E
至 0.15
主豆 ";425
1-5

nb凶』MEN-』Cmu。』4~如同=h旨。。口叫出国。hw·岳阳LH「问wkh
』
同
ω
m30-30 。czzo
c.>
... ‘ ω'』工ωm{〈〈ZZX主ω可歪曲13000由平ιlhi--lj!nb巳任
A
4在=
DETAIL OF PULLEY AHH二
w- n= nn- nn二A州-
m-E 1--
-UN- E一O-
A-E nu-r土-「巳-
no-- -Bn一
nu- N川-
w- F』~川v-
AV
28_8
O
F
N
o
m
U-MIXING ElBO\li φ7F
(OPTIONAL;
IMIXI也且应vic
U-MIXING ELBOW
φ12
7. 5
4
DETAIL OF COUP Ll NG
主坠且卫二L
0) HUEhd问句民陶=』阳、"bZHZ由自zmg@
You're Reading a Preview
What's Included?
Fast Download Speeds
Online & Offline Access
Access PDF Contents & Bookmarks
Full Search Facility
Print one or all pages of your manual
$39.99
Viewed 17 Times Today
Loading...
Secure transaction
What's Included?
Fast Download Speeds
Online & Offline Access
Access PDF Contents & Bookmarks
Full Search Facility
Print one or all pages of your manual
$39.99
Get instant access to the Complete Factory Service Repair Workshop Manual without any extra fees or expiry dates. This Professional Manual is suitable for both professional Mechanics and DIY enthusiasts, covering all repairs, servicing, and troubleshooting procedures with detailed photos & diagrams. It contains step-by-step instructions, highly detailed exploded diagrams, and pictures to guide you through every job correctly.
Print out a single page or the entire manual as per your choice. Use this Manual on as many computers as required, without any limitations or trial periods. There's no need to renew or pay any extra, as this Manual can be used for life. It is fully compatible with all Windows & MAC Computers.