21
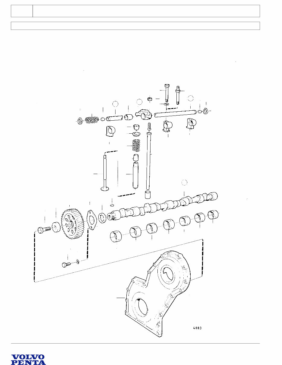
Camshaft and Valve Mechanism
TMD40B, TMD40C
24
19
19
26
29
9
18
18
17
17
16
13
25 14
20
15
32
31
22
23
30 21
12
28
27
1
11
3
2
5
8
10
4
4
4
4
4
4
4
6
7
33
Upd:7/25/2022 46143 7744060 -21 -54153341
AD40B, AQAD40A, AQAD40B, AQD40A, MD40A, TAMD40A, TAMD40B, TMD40A, TMD40B, TMD40C
Camshaft and Valve Mechanism
21
TMD40B, TMD40C
REF PART NO. QTY DESCRIPTION SEE SEC. NOTES
1 (1542418) 1 Camshaft
2 1542221 1 Spacer washer
3 910116 1 Woodruff key
4 1542067 7 Camshaft bushing 54153330
5 838992 1 Thrust washer (1542222)
6 941907 2 Spring washer
7 955295 2 Hexagon screw
8 1542034 1 Camshaft gear 54153343
9 1542223 1 Washer 54153343
10 955347 1 Hexagon screw MO-4406 L=65mm
955344 1 Hexagon screw MO4407- L=50mm
11 12 Replaced by valve lifter 1542208 and push rod 1542207.
1542208 12 Valve tappet
12 12 Replaced by valve lifter 1542208 and push rod 1542207.
1542207 12 Push rod Replaced by 1545239., MO-26848
1545239 12 Push rod MO 26849-
13 418301 6 Rocker arm No. 1-3-5-7-9-11
418298 6 Rocker arm No. 2-4-6-8-10-12
14 418297 12 Bushing
15 418286 12 Ball stud
16 921781 12 Hexagon nut
17 (1542039) 1 Rocker arm shaft
18 955083 2 Cap plug
19 914456 2 Snap ring
20 411139 5 Compression spring
21 (1542041) 1 Bearing bracket
22 (1542042) 1 Bearing bracket
23 (1542043) 6 Bearing bracket
24 955304 4 Hexagon screw
25 955894 4 Washer
26 (1542283) 4 Stud 54153313
27 1542472 6 Inlet valve (1542037)
(1542389) 6 Exhaust valve
28 419702 6 Valve seal Repl by 1306630
1306630 6 Valve stem seal
29 419653 12 Valve guide 54153313
30 1545198 12 Valve spring
31 460181 12 Valve spring washer
32 419643 24 Valve cotter
33 54153343
54153343
7744060- 21-54153341 46143 Upd:7/25/2022
AD40B, AQAD40A, AQAD40B, AQD40A, MD40A, TAMD40A, TAMD40B, TMD40A, TMD40B, TMD40C
21
Camshaft and Valve Mechanism
AQAD40A, AQAD40B, AQD40A, MD40A, TAMD40A, TAMD40B, TMD40A
24
19
19
26
29
9
18
18
17
17
16
13
25 14
20
15
32
31
22
23
30 21
12
28
27
1
11
3
2
5
8
10
4
4
4
4
4
4
4
6
7
33
Upd:7/25/2022 46143 7744060 -21 -54153340
AD40B, AQAD40A, AQAD40B, AQD40A, MD40A, TAMD40A, TAMD40B, TMD40A, TMD40B, TMD40C
Camshaft and Valve Mechanism
21
AQAD40A, AQAD40B, AQD40A, MD40A, TAMD40A, TAMD40B, TMD40A
REF PART NO. QTY DESCRIPTION SEE SEC. NOTES
1 (1542418) 1 Camshaft
2 1542221 1 Spacer washer
3 910116 1 Woodruff key
4 1542067 7 Camshaft bushing 54153329
5 838992 1 Thrust washer (1542222)
6 941907 2 Spring washer
7 955295 2 Hexagon screw
8 1542034 1 Camshaft gear 54153342
9 1542223 1 Washer 54153342
10 955347 1 Hexagon screw MO-4406 L=65mm
955344 1 Hexagon screw MO4407- L=50mm
11 12 Replaced by valve lifter 1542208 and push rod 1542207.
1542208 12 Valve tappet
12 12 Replaced by valve lifter 1542208 and push rod 1542207.
1542207 12 Push rod Replaced by 1545239., MO-26848
1545239 12 Push rod MO 26849-
13 418301 6 Rocker arm No. 1-3-5-7-9-11
418298 6 Rocker arm No. 2-4-6-8-10-12
14 418297 12 Bushing
15 418286 12 Ball stud
16 921781 12 Hexagon nut
17 (1542039) 1 Rocker arm shaft
18 955083 2 Cap plug
19 914456 2 Snap ring
20 411139 5 Compression spring
21 (1542041) 1 Bearing bracket
22 (1542042) 1 Bearing bracket
23 (1542043) 6 Bearing bracket
24 955304 4 Hexagon screw
25 955894 4 Washer
26 (1542283) 4 Stud 54153312
27 1542472 6 Inlet valve (1542037)
(1542389) 6 Exhaust valve
28 419702 6 Valve seal Repl by 1306630
1306630 6 Valve stem seal
29 419653 12 Valve guide 54153312
30 1545198 12 Valve spring
31 460181 12 Valve spring washer
32 419643 24 Valve cotter
33 54153342
54153342
7744060- 21-54153340 46143 Upd:7/25/2022
AD40B, AQAD40A, AQAD40B, AQD40A, MD40A, TAMD40A, TAMD40B, TMD40A, TMD40B, TMD40C
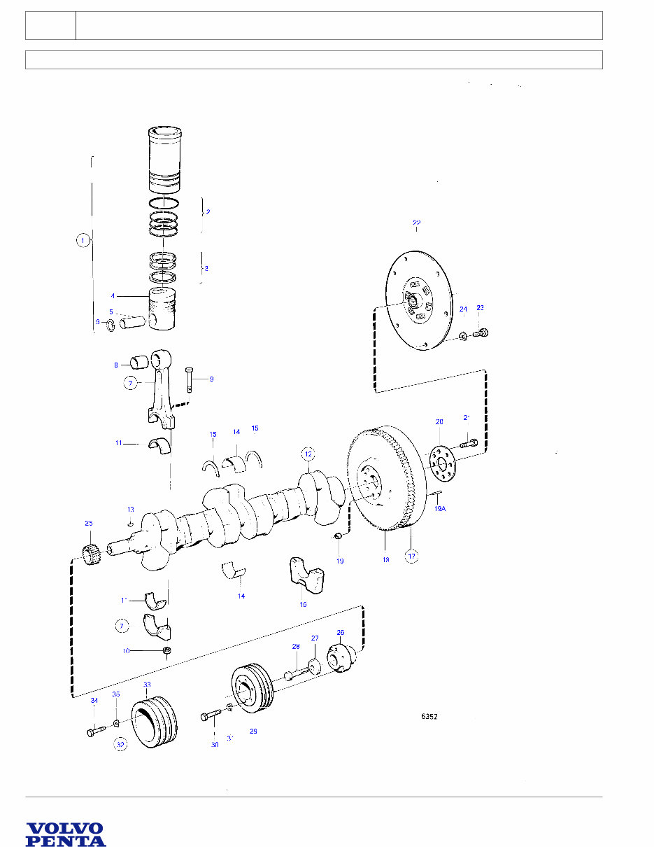
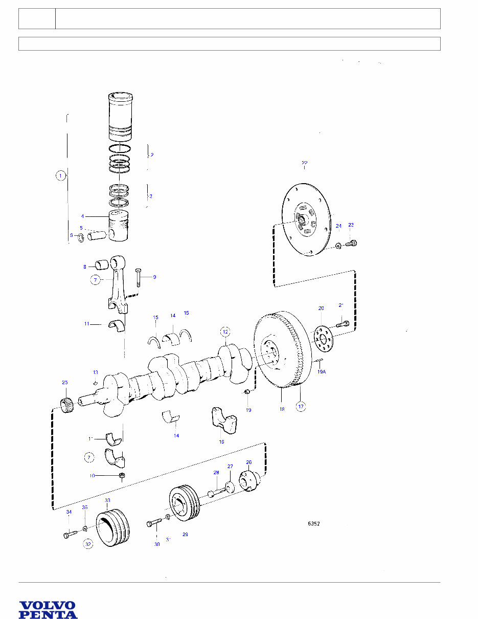
21
Crankshaft and Related Parts
AQAD40A, AQAD40B, AQD40A, MD40A, TAMD40A, TAMD40B, TMD40A
Upd:7/25/2022 46149 7744060 -21 -54153332
AD40B, AQAD40A, AQAD40B, AQD40A, MD40A, TAMD40A, TAMD40B, TMD40A, TMD40B, TMD40C
Crankshaft and Related Parts
21
AQAD40A, AQAD40B, AQD40A, MD40A, TAMD40A, TAMD40B, TMD40A
REF PART NO. QTY DESCRIPTION SEE SEC. NOTES
1 875722 6 Cylinder liner kit
2 875651 6 Sealing ring kit (275595)
3 275350 6 Piston ring kit (275326)
4 6
5 1542160 6 Piston pin
6 914519 12 Snap ring
7 1542072 6 Connecting rod
8 1542076 6 Bushing
9 1542077 12 Connecting rod bolt
10 1542078 12 Nut
11 270111 6 Big-end bearing kit Std D, SN-2204141572
(270112) 6 Big-end bearing kit Over size 0,25 mm
270113 6 Big-end bearing kit Over size 0,50 mm
270114 6 Big-end bearing kit Over size 0,75 mm
876511 6 Big-end bearing kit Std D, SN2204141573-
876512 6 Big-end bearing kit Over size 0,25 mm
876513 6 Big-end bearing kit Over size 0,50 mm
876514 6 Big-end bearing kit Over size 0,75 mm
12 1542304 1 Crankshaft Replaced by crankshaft-1545231 and 7ea main sender kit -270467.
1545231 1 Crankshaft SN-2204141572
860379 1 Crankshaft SN2204141573-
13 910118 1 Woodruff key
14 270460 7 Main bearing kit MO-28308., Std D
(270467) 7 Main bearing kit Std D, SN-2204141572
(270468) 7 Main bearing kit MO-28308., Over size 0,25 mm, (270461)
270462 7 Main bearing kit MO-28308., Over size 0,50 mm
270469 7 Main bearing kit MO 28309-., Over size 0,50 mm
270470 7 Main bearing kit MO-28308., Over size 0,75 mm, (270463)
876515 7 Main bearing kit Std D, SN2204141573-
876516 7 Main bearing kit Over size 0,25 mm
876517 7 Main bearing kit Over size 0,50 mm
876518 7 Main bearing kit Over size 0,75 mm
15 (270464) 1 Thrust washer kit Std D, SN-2204141572
(270465) 1 Thrust washer kit Over size 0,1mm
(270466) 1 Thrust washer kit Over size 0,2mm
876523 1 Thrust washer Std D, SN2204141573-
(876524) 1 Thrust washer kit Over size 0,25 mm
(876525) 1 Thrust washer kit Over size 0,50 mm
(876526) 1 Thrust washer kit Over size 0,75 mm
16 54153329
17 829460 1 Flywheel
18 829462 1 Ring gear
19 415311 3 Guide sleeve
19A 191873 3 Locating pin
20 1542093 1 Bolt plate
21 1542471 8 Hexagon screw Repl by 1544147
22 841895 1 Absorber MO-35022
855389 1 Absorber (841895) MO35023-
(841893) 1 Absorber Alt (824991)
23 955295 6 Hexagon screw
24 941907 6 Spring washer
25 1542305 1 Gear 54153342
26 1542196 1 Hub (1542228)
27 420124 1 Washer
28 1542149 1 Hexagon screw
29 1542315 1 Pulley
30 955299 6 Hexagon screw
31 941907 6 Spring washer
32 843314 1 Pulley
33 842710 1 Pulley
34 955301 6 Hexagon screw
35 941907 6 Spring washer
7744060- 21-54153332 46149 Upd:7/25/2022
AD40B, AQAD40A, AQAD40B, AQD40A, MD40A, TAMD40A, TAMD40B, TMD40A, TMD40B, TMD40C
21
Crankshaft and Related Parts
TMD40B, TMD40C
Upd:7/25/2022 46149 7744060 -21 -54153333
AD40B, AQAD40A, AQAD40B, AQD40A, MD40A, TAMD40A, TAMD40B, TMD40A, TMD40B, TMD40C
Crankshaft and Related Parts
21
TMD40B, TMD40C
REF PART NO. QTY DESCRIPTION SEE SEC. NOTES
1 875722 6 Cylinder liner kit
2 875651 6 Sealing ring kit (275595)
3 275350 6 Piston ring kit (275326)
4 6
5 1542160 6 Piston pin
6 914519 12 Snap ring
7 1542072 6 Connecting rod
8 1542076 6 Bushing
9 1542077 12 Connecting rod bolt
10 1542078 12 Nut
11 270111 6 Big-end bearing kit Std D, SN-2204141572
(270112) 6 Big-end bearing kit Over size 0,25 mm
270113 6 Big-end bearing kit Over size 0,50 mm
270114 6 Big-end bearing kit Over size 0,75 mm
876511 6 Big-end bearing kit Std D, SN2204141573-
876512 6 Big-end bearing kit Over size 0,25 mm
876513 6 Big-end bearing kit Over size 0,50 mm
876514 6 Big-end bearing kit Over size 0,75 mm
12 1542304 1 Crankshaft Replaced by crankshaft-1545231 and 7ea main sender kit -270467.
1545231 1 Crankshaft SN-2204141572
860379 1 Crankshaft SN2204141573-
13 910118 1 Woodruff key
14 270460 7 Main bearing kit MO-28308., Std D
(270467) 7 Main bearing kit Std D, SN-2204141572
(270468) 7 Main bearing kit MO-28308., (270461), Over size 0,25 mm
270462 7 Main bearing kit MO-28308., Over size 0,50 mm
270469 7 Main bearing kit MO 28309-., Over size 0,50 mm
270470 7 Main bearing kit MO-28308., (270463), Over size 0,75 mm
876515 7 Main bearing kit Std D, SN2204141573-
876516 7 Main bearing kit Over size 0,25 mm
876517 7 Main bearing kit Over size 0,50 mm
876518 7 Main bearing kit Over size 0,75 mm
15 (270464) 1 Thrust washer kit Std D, SN-2204141572
(270465) 1 Thrust washer kit Over size 0,1mm
(270466) 1 Thrust washer kit Over size 0,2mm
876523 1 Thrust washer Std D, SN2204141573-
(876524) 1 Thrust washer kit Over size 0,25 mm
(876525) 1 Thrust washer kit Over size 0,50 mm
(876526) 1 Thrust washer kit Over size 0,75 mm
16 54153330
17 829460 1 Flywheel
18 829462 1 Ring gear
19 415311 3 Guide sleeve
19A 191873 3 Locating pin
20 1542093 1 Bolt plate
21 1542471 8 Hexagon screw Repl by 1544147
22 841895 1 Absorber MO-35022
855389 1 Absorber (841895) MO35023-
(841893) 1 Absorber Alt (824991)
23 955295 6 Hexagon screw
24 941907 6 Spring washer
25 1542305 1 Gear 54153343
26 1542196 1 Hub (1542228)
27 420124 1 Washer
28 1542149 1 Hexagon screw
29 1542315 1 Pulley
30 955299 6 Hexagon screw
31 941907 6 Spring washer
32 843314 1 Pulley
33 842710 1 Pulley
34 955301 6 Hexagon screw
35 941907 6 Spring washer
7744060- 21-54153333 46149 Upd:7/25/2022
AD40B, AQAD40A, AQAD40B, AQD40A, MD40A, TAMD40A, TAMD40B, TMD40A, TMD40B, TMD40C
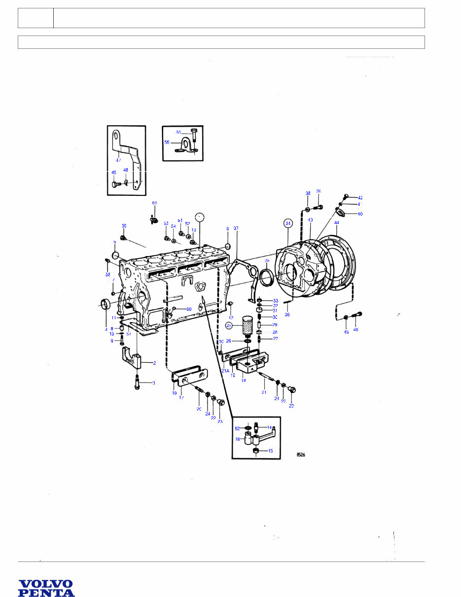
21
Cylinder Block and Flywheel Cover
TMD40A
Upd:7/25/2022 46141 7744060 -21 -54153328
AD40B, AQAD40A, AQAD40B, AQD40A, MD40A, TAMD40A, TAMD40B, TMD40A, TMD40B, TMD40C
Cylinder Block and Flywheel Cover
21
TMD40A
REF PART NO. QTY DESCRIPTION NOTES
1 1545051 1 Cylinder block Repl by 838981
(838981) 1 Cylinder block
2 7
3 1542416 14 Flange screw (1542202)
4 1542067 7 Camshaft bushing
5 463905 5 Expansion plug
6 1542263 1 Expansion plug
7 955083 4 Cap plug
8 1545160 1 Spacer sleeve Early type
9 955324 5 Hexagon screw
10 941908 2 Spring washer
11 1545204 1 Spacer sleeve
12 415311 6 Guide sleeve
13 955082 6 Cap plug
14 1542380 6 Stud
15 946035 6 Lock nut
16 1542320 2 Oil jet
17 1542050 2 Inspection lid
18 (842995) 1 Housing
19 1542052 3 Seal
20 924075 5 Stud
21 17378 1 Stud
21A (843882) 1 Splash plate
22 469846 6 Sealing ring (424342)
23 (1542286) 6 Cap nut
24 914449 6 Snap ring
25 875850 1 Filter Repl by 876069
876069 1 Filter
26 843449 1 Gasket
27 924058 1 Stud
28 842972 1 Valve disc
29 842974 1 Spacer sleeve
30 843905 1 Spring
31 842975 1 Protecting casing
32 421158 1 Sealing ring
33 963105 1 Lock nut
34 829467 1 Flywheel housing
35 3582851 1 Sealing ring
36 (404069) 1 Pin
37 829487 1 Gasket
38 941908 8 Spring washer
39 955320 6 Hexagon screw L=40mm
955321 2 Hexagon screw L=45mm
40 407092 1 Inspection cover
41 941906 2 Spring washer
42 955269 2 Hexagon screw
43 (829488) 1 Gasket See group 4A
44 829489 1 Cap Only when reverse gear is installed.
45 941908 11 Spring washer
46 955319 11 Hexagon screw
47 1 Early type, see group 2B
48 941908 2 Spring washer Early type
49 955319 1 Hexagon screw Early type
50 (844051) 1 Spring washer
51 960630 1 Plug
52 947621 1 Gasket MO-26461
18671 1 Gasket MO 26462-
53 960634 1 Plug
54 947627 1 Gasket
55 955303 2 Hexagon screw Early type see group 2B
56 1
57 1545159 1 Foot plate
58 952077 4 Plug Early type
7744060- 21-54153328 46141 Upd:7/25/2022
AD40B, AQAD40A, AQAD40B, AQD40A, MD40A, TAMD40A, TAMD40B, TMD40A, TMD40B, TMD40C
You're Reading a Preview
What's Included?
Lifetime Access
Access PDF Contents & Bookmarks
Print one or all pages of your manual
Add to Cart
$79.99
$103.99