
calcActive())">
Volvo Penta Engines (3.0L/4.3L/5.0L/5.7L) Electrical Wiring Diagrams Manual
What's Included?

Fast Download Speeds
Online & Offline Access
Access PDF Contents & Bookmarks
Full Search Facility
Print one or all pages of your manual

Workshop Manual
Wiring Diagrams
3.0GS-A/B/C, 3.0GL-A/B/C
4.3GL-A/B/C/D
5.0GL-A/B/C/D/E
5.7GL-A/B/C/D/E
g
P@HA


Contents
3.0 GS-A/B/C . . . . . . . . . . . . . . . . . . . . . . . . . . . . . . . . . . . . . . . . . . . . . . . . . . . . . . . . . . . . 2
3.0 GL-A/B . . . . . . . . . . . . . . . . . . . . . . . . . . . . . . . . . . . . . . . . . . . . . . . . . . . . . . . . . . . . . 4
3.0 GL-C . . . . . . . . . . . . . . . . . . . . . . . . . . . . . . . . . . . . . . . . . . . . . . . . . . . . . . . . . . . . . . . 6
4.3 GL-A . . . . . . . . . . . . . . . . . . . . . . . . . . . . . . . . . . . . . . . . . . . . . . . . . . . . . . . . . . . . . . . 8
4.3 GL-B/C . . . . . . . . . . . . . . . . . . . . . . . . . . . . . . . . . . . . . . . . . . . . . . . . . . . . . . . . . . . . 10
4.3 GL-D . . . . . . . . . . . . . . . . . . . . . . . . . . . . . . . . . . . . . . . . . . . . . . . . . . . . . . . . . . . . . . 12
5.0 & 5.7 GL-A . . . . . . . . . . . . . . . . . . . . . . . . . . . . . . . . . . . . . . . . . . . . . . . . . . . . . . . . . 14
5.0 & 5.7 GL-B . . . . . . . . . . . . . . . . . . . . . . . . . . . . . . . . . . . . . . . . . . . . . . . . . . . . . . . . . 16
5.0 & 5.7 GL-C/D . . . . . . . . . . . . . . . . . . . . . . . . . . . . . . . . . . . . . . . . . . . . . . . . . . . . . . . 18
5.0 & 5.7 GL-E . . . . . . . . . . . . . . . . . . . . . . . . . . . . . . . . . . . . . . . . . . . . . . . . . . . . . . . . . 20
Instrument Panel (Typical) . . . . . . . . . . . . . . . . . . . . . . . . . . . . . . . . . . . . . . . . . . . . . . . 22

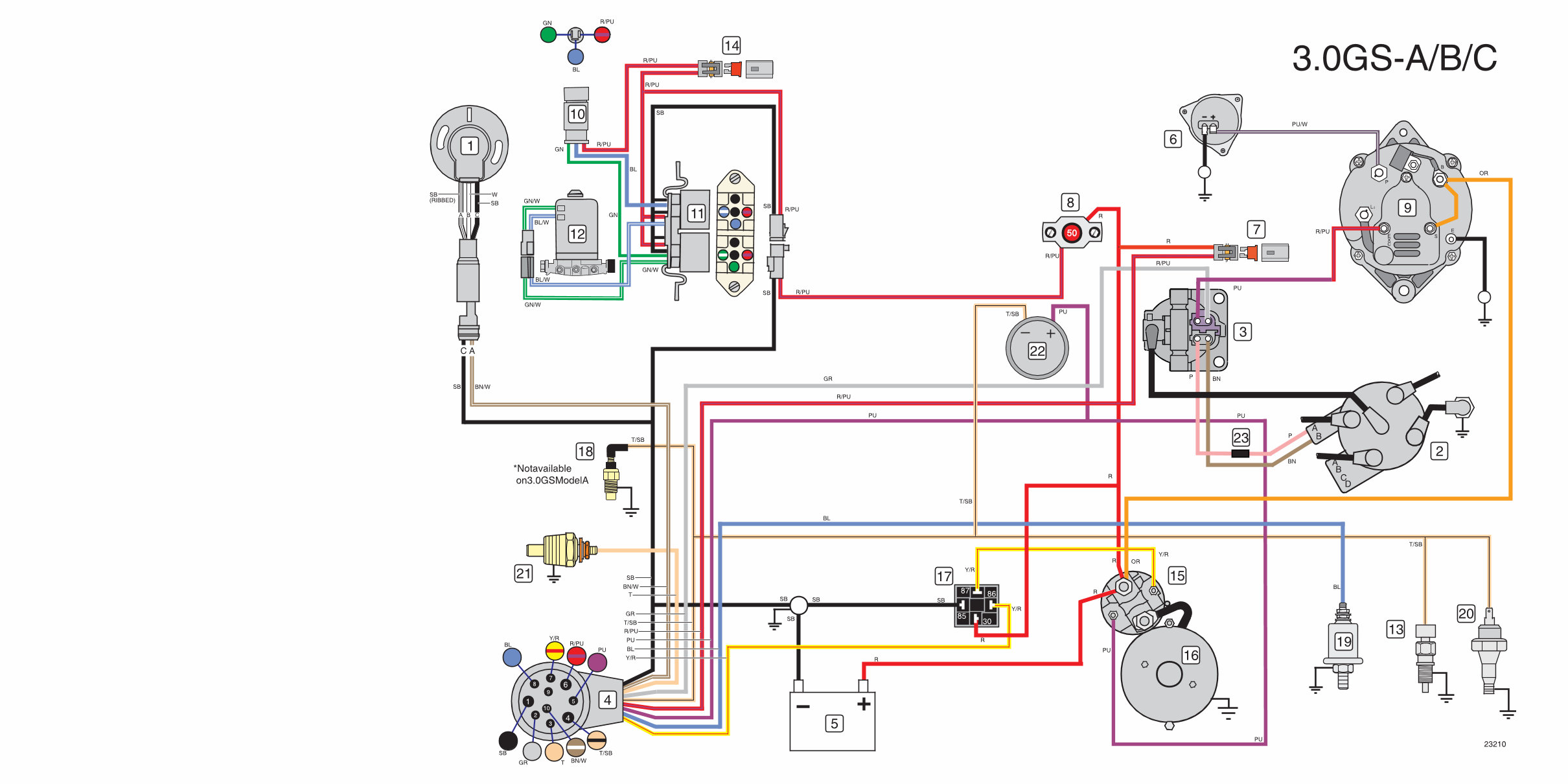
3.0 GS-A/B/C
ENG
1 Trim Sender
2 Distributor
3 Ignition Coil
4 10-Pin Connector
5 12 Volt Battery
6 Electric Choke
7 40 Amp Fuse (Accessories)
8 50 Amp Circuit Breaker
9 Alternator
10 Control (Trim/Tilt)
11 Relay (Trim/Tilt)
12 Trim Pump
13 temperture switch
14 10 Amp Fuse (Trim/Tilt)
15 Solenoid
16 Starter Motor
17 Starter Relay
18 Exhaust Overheat Sensor
19 Oil Pressure Sensor
20 Oil Pressure Switch
21 Temperature Sender
22 Engine Alarm
23 Resistor
24 Diodes
25 Fuel Pump
26 Fuel Pump Relay
27 12.5 Amp Circuit Breaker (Fuel Pump
Relay)
28 7.5 Amp Fuse (Fuel Pump Relay)
DEU
1 Trimmgeber
2 Zündverteiler
3 Zündspule
4 10-polige Steckverbindung
5 12-Volt-Batterie
6 Elektrische Kaltstartvorrichtung
7 40-A-Sicherung (Zubehörteile)
8 50-A-Schutzschalter
9 Drehstromgenerator
10 Bedienung (Trimmen/schwenken)
11 Relais (Trimmen/schwenken)
12 Trimmpumpe
13 Temperaturschalter
14 10-A-Sicherung (Trimmen/schwenken)
15 Magnetschalter
16 Starter
17 Startrelais
18 Abgasüberhitzungsgeber
19 Öldruckgeber
20 Öldruckschalter
21 Temperaturgeber
22 Motoralarm
23 Widerstand
24 Dioden
25 Kraftstoffpumpe
26 Kraftstoffrelais
27 12,5-A-Schutzschalter (Kraftstoff-
pumpenrelais)
28 7,5-A-Sicherung (Kraftstoffpumpen-
relais)
FRA
1 Capteur de Trim
2 Distributeur
3 Bobine d’allumage
4 Connecteur 10 broches
5 Batterie 12 V
6 Volet de départ électrique
7 Fusible 40 A (Accessoires)
8 Disjoncteur 50 A
9 Alternateur
10 Commande (Trim/Tilt)
11 Relais (Trim/Tilt)
12 Pompe de Trim
13 Thermocontact
14 Fusible 10 A (Trim/Tilt)
15 Solénoïde
16 Démarreur
17 Relais démarreur
18 Capteur de surchauffe échappement
19 Capteur de pression d'huile
20 Manocontacteur de pression d'huile
21 Sonde de température
22 Alarme moteur
23 Résistance
24 Diodes
25 Pompe à carburant
26 Relais de pompe à carburant
27 Disjoncteur 12,5 A (relais de pompe Ã
carburant)
28 Fusible 7,5 A (relais de pompe à car-
burant)
ESP
1 Transmisor de trimado
2 Distribuidor
3 Bobina de encendido
4 Conector de 10 clavijas
5 BaterÃa de 12 V
6 Estrangulador eléctrico
7 Fusible de 40 A (accesorios)
8 Disyuntor de 50 A
9 Alternador
10 Control (Trimado/Inclinación)
11 Relé (Trimado/Inclinación)
12 Bomba de trimado
13 interruptor de temperatura
14 Fusible de 10 A (Trimado/Inclinación)
15 Solenoide
16 Motor de arranque
17 Relé de arranque
18 Sensor de recalentamiento del escape
19 Sensor de presión de aceite
20 Interruptor de presión de aceite
21 Transmisor de temperatura
22 Alarma del motor
23 Resistor
24 Diodos
25 Bomba de combustible
26 Relé de bomba de combustible
27 Disyuntor de 12,5 A (relé de bomba de
combustible)
28 Fusible de 7,5 A (relé de bomba de
combustible)
ITA
1 Sensore di assetto
2 Spinterogeno
3 Bobina di accensione
4 Connettori a 10 terminali
5 Batteria a 12 V
6 Elettrovalvola dell’aria
7 Fusibile da 40 amp (accessori)
8 Interruttore da 50 amp
9 Alternatore
10 Comando (assetto/inclinazione)
11 Relè (assetto/inclinazione)
12 Pompa di regolazione assetto
13 Termostato
14 Fusibile da 10 Amp (assetto/inclinazi-
one)
15 Solenoide
16 Motorino di avviamento
17 Relè del motorino di avviamento
18 Sensore di surriscaldamento dello scar-
ico
19 Sensore di pressione dell’olio
20 Pressostato dell’olio
21 Sensore di temperatura
22 Allarme del motore
23 Resistore
24 Diodi
25 Pompa del carburante
26 Relè della pompa del carburante
27 Interruttore da 12.5 amp (relè della
pompa del carburante)
28 Fusibile da 7.5 Amp (relè della pompa
del carburante)
SVE
1 Trimsändare
2 Fördelare
3 Tändspole
4 10-poligt kontaktdon
5 12 volts batteri
6 Elektrisk choke
7 40 ampere säkring (tillbehör)
8 50 ampere överspänningsskydd
9 Generator
10 Reglage (Power Trim)
11 Relä (Power Trim)
12 Trimpump
13 Temperaturkontakt
14 10 ampere säkring (Power Trim)
15 Magnetventil
16 Startmotor
17 Startrelä
18 Överhettningsgivare avgas
19 Oljetrycksgivare
20 Oljetrycksvakt (oljetryckskontakt)
21 Temperatursändare (temperaturgivare)
22 Motorlarm
23 Motstånd
24 Dioder
25 Bränslepump
26 Bränslepumprelä
27 12,5 ampere överspänningsskydd
(bränslepumprelä)
28 7,5 ampere säkring (bränslepumprelä)

10
40
GR

3.0 GL-A/B
ENG
1 Trim Sender
2 Distributor
3 Ignition Coil
4 10-Pin Connector
5 12 Volt Battery
6 Electric Choke
7 40 Amp Fuse (Accessories)
8 50 Amp Circuit Breaker
9 Alternator
10 Control (Trim/Tilt)
11 Relay (Trim/Tilt)
12 Trim Pump
13 temperture switch
14 10 Amp Fuse (Trim/Tilt)
15 Solenoid
16 Starter Motor
17 Starter Relay
18 Exhaust Overheat Sensor
19 Oil Pressure Sensor
20 Oil Pressure Switch
21 Temperature Sender
22 Resistor
DEU
1 Trimmgeber
2 Zündverteiler
3 Zündspule
4 10-polige Steckverbindung
5 12-Volt-Batterie
6 Elektrische Kaltstartvorrichtung
7 40-A-Sicherung (Zubehörteile)
8 50-A-Schutzschalter
9 Drehstromgenerator
10 Bedienung (Trimmen/schwenken)
11 Relais (Trimmen/schwenken)
12 Trimmpumpe
13 Temperaturschalter
14 10-A-Sicherung (Trimmen/schwenken)
15 Magnetschalter
16 Starter
17 Startrelais
18 Abgasüberhitzungsgeber
19 Öldruckgeber
20 Öldruckschalter
21 Temperaturgeber
22 Widerstand
FRA
1 Capteur de Trim
2 Distributeur
3 Bobine d’allumage
4 Connecteur 10 broches
5 Batterie 12 V
6 Volet de départ électrique
7 Fusible 40 A (Accessoires)
8 Disjoncteur 50 A
9 Alternateur
10 Commande (Trim/Tilt)
11 Relais (Trim/Tilt)
12 Pompe de Trim
13 Thermocontact
14 Fusible 10 A (Trim/Tilt)
15 Solénoïde
16 Démarreur
17 Relais démarreur
18 Capteur de surchauffe échappement
19 Capteur de pression d'huile
20 Manocontacteur de pression d'huile
21 Sonde de température
22 Résistance
ESP
1 Transmisor de trimado
2 Distribuidor
3 Bobina de encendido
4 Conector de 10 clavijas
5 BaterÃa de 12 V
6 Estrangulador eléctrico
7 Fusible de 40 A (accesorios)
8 Disyuntor de 50 A
9 Alternador
10 Control (Trimado/Inclinación)
11 Relé (Trimado/Inclinación)
12 Bomba de trimado
13 interruptor de temperatura
14 Fusible de 10 A (Trimado/Inclinación)
15 Solenoide
16 Motor de arranque
17 Relé de arranque
18 Sensor de recalentamiento del escape
19 Sensor de presión de aceite
20 Interruptor de presión de aceite
21 Transmisor de temperatura
22 Resistor
ITA
1 Sensore di assetto
2 Spinterogeno
3 Bobina di accensione
4 Connettori a 10 terminali
5 Batteria a 12 V
6 Elettrovalvola dell’aria
7 Fusibile da 40 amp (accessori)
8 Interruttore da 50 amp
9 Alternatore
10 Comando (assetto/inclinazione)
11 Relè (assetto/inclinazione)
12 Pompa di regolazione assetto
13 Termostato
14 Fusibile da 10 Amp (assetto/inclinazione)
15 Solenoide
16 Motorino di avviamento
17 Relè del motorino di avviamento
18 Sensore di surriscaldamento dello scarico
19 Sensore di pressione dell’olio
20 Pressostato dell’olio
21 Sensore di temperatura
22 Resistore
SVE
1 Trimsändare
2 Fördelare
3 Tändspole
4 10-poligt kontaktdon
5 12 volts batteri
6 Elektrisk choke
7 40 ampere säkring (tillbehör)
8 50 ampere överspänningsskydd
9 Generator
10 Reglage (Power Trim)
11 Relä (Power Trim)
12 Trimpump
13 Temperaturkontakt
14 10 ampere säkring (Power Trim)
15 Magnetventil
16 Startmotor
17 Startrelä
18 Överhettningsgivare avgas
19 Oljetrycksgivare
20 Oljetrycksvakt (oljetryckskontakt)
21 Temperatursändare (temperaturgivare)
22 Motstånd

10
40
GR

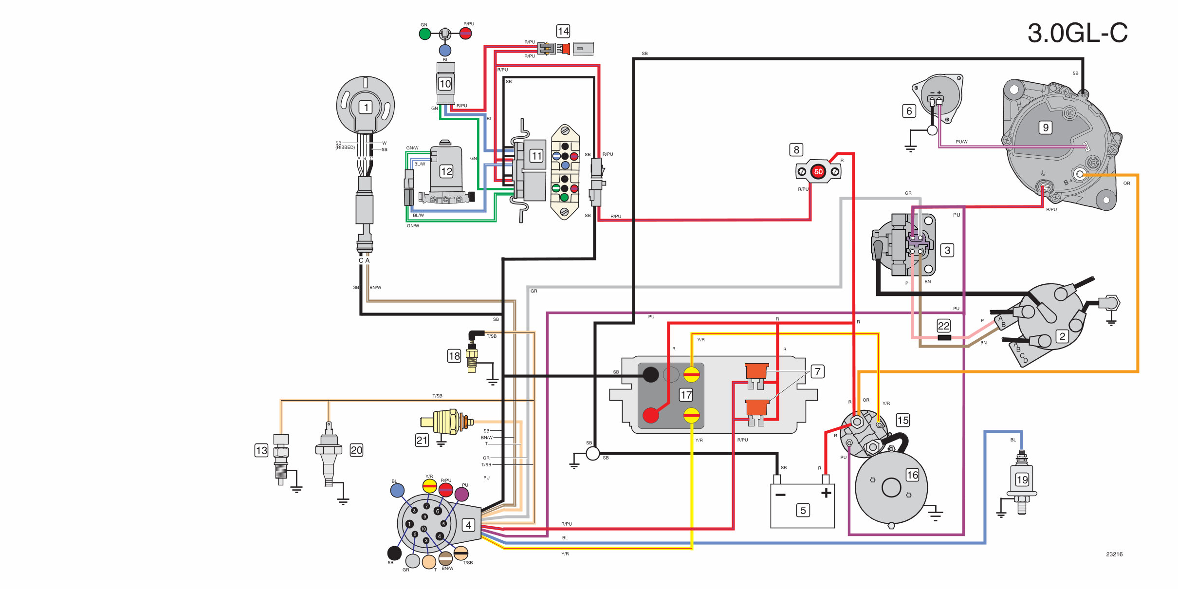
3.0 GL-C
ENG
1 Trim Sender
2 Distributor
3 Ignition Coil
4 10-Pin Connector
5 12 Volt Battery
6 Electric Choke
7 20 Amp Fuse X 2 (Accessories)
8 50 Amp Circuit Breaker
9 Alternator
10 Control (Trim/Tilt)
11 Relay (Trim/Tilt)
12 Trim Pump
13 temperture switch
14 10 Amp Fuse (Trim/Tilt)
15 Solenoid
16 Starter Motor
17 Starter Relay
18 Exhaust Overheat Sensor
19 Oil Pressure Sensor
20 Oil Pressure Switch
21 Temperature Sender
22 Resistor
23 Engine Alarm
24 Diodes
25 Fuel Pump
26 Fuel Pump Relay
27 12.5 Amp Circuit Breaker (Fuel Pump
Relay)
28 7.5 Amp Fuse (Fuel Pump Relay)
DEU
1 Trimmgeber
2 Zündverteiler
3 Zündspule
4 10-polige Steckverbindung
5 12-Volt-Batterie
6 Elektrische Kaltstartvorrichtung
7 20-A-Sicherung (Zubehörteile)
8 50-A-Schutzschalter
9 Drehstromgenerator
10 Bedienung (Trimmen/schwenken)
11 Relais (Trimmen/schwenken)
12 Trimmpumpe
13 Temperaturschalter
14 10-A-Sicherung (Trimmen/schwenken)
15 Magnetschalter
16 Starter
17 Startrelais
18 Abgasüberhitzungsgeber
19 Öldruckgeber
20 Öldruckschalter
21 Temperaturgeber
22 Motoralarm
23 Widerstand
24 Dioden
25 Kraftstoffpumpe
26 Kraftstoffrelais
27 12,5-A-Schutzschalter (Kraftstoffpumpen-
relais)
28 7,5-A-Sicherung (Kraftstoffpumpenrelais)
FRA
1 Capteur de Trim
2 Distributeur
3 Bobine d’allumage
4 Connecteur 10 broches
5 Batterie 12 V
6 Volet de départ électrique
7 Fusible 20 A (Accessoires)
8 Disjoncteur 50 A
9 Alternateur
10 Commande (Trim/Tilt)
11 Relais (Trim/Tilt)
12 Pompe de Trim
13 Thermocontact
14 Fusible 10 A (Trim/Tilt)
15 Solénoïde
16 Démarreur
17 Relais démarreur
18 Capteur de surchauffe échappement
19 Capteur de pression d'huile
20 Manocontacteur de pression d'huile
21 Sonde de température
22 Alarme moteur
23 Résistance
24 Diodes
25 Pompe à carburant
26 Relais de pompe à carburant
27 Disjoncteur 12,5 A (relais de pompe à car-
burant)
28 Fusible 7,5 A (relais de pompe à car-
burant)
ESP
1 Transmisor de trimado
2 Distribuidor
3 Bobina de encendido
4 Conector de 10 clavijas
5 BaterÃa de 12 V
6 Estrangulador eléctrico
7 Fusible de 20 A (accesorios)
8 Disyuntor de 50 A
9 Alternador
10 Control (Trimado/Inclinación)
11 Relé (Trimado/Inclinación)
12 Bomba de trimado
13 interruptor de temperatura
14 Fusible de 10 A (Trimado/Inclinación)
15 Solenoide
16 Motor de arranque
17 Relé de arranque
18 Sensor de recalentamiento del escape
19 Sensor de presión de aceite
20 Interruptor de presión de aceite
21 Transmisor de temperatura
22 Alarma del motor
23 Resistor
24 Diodos
25 Bomba de combustible
26 Relé de bomba de combustible
27 Disyuntor de 12,5 A (relé de bomba de
combustible)
28 Fusible de 7,5 A (relé de bomba de com-
bustible)
ITA
1 Sensore di assetto
2 Spinterogeno
3 Bobina di accensione
4 Connettori a 10 terminali
5 Batteria a 12 V
6 Elettrovalvola dell’aria
7 Fusibile da 20 amp (accessori)
8 Interruttore da 50 amp
9 Alternatore
10 Comando (assetto/inclinazione)
11 Relè (assetto/inclinazione)
12 Pompa di regolazione assetto
13 Termostato
14 Fusibile da 10 Amp (assetto/inclinazione)
15 Solenoide
16 Motorino di avviamento
17 Relè del motorino di avviamento
18 Sensore di surriscaldamento dello scarico
19 Sensore di pressione dell’olio
20 Pressostato dell’olio
21 Sensore di temperatura
22 Allarme del motore
23 Resistore
24 Diodi
25 Pompa del carburante
26 Relè della pompa del carburante
27 Interruttore da 12.5 amp (relè della pompa
del carburante)
28 Fusibile da 7.5 Amp (relè della pompa del
carburante)
SVE
1 Trimsändare
2 Fördelare
3 Tändspole
4 10-poligt kontaktdon
5 12 volts batteri
6 Elektrisk choke
7 20 ampere säkring (tillbehör)
8 50 ampere överspänningsskydd
9 Generator
10 Reglage (Power Trim)
11 Relä (Power Trim)
12 Trimpump
13 Temperaturkontakt
14 10 ampere säkring (Power Trim)
15 Magnetventil
16 Startmotor
17 Startrelä
18 Överhettningsgivare avgas
19 Oljetrycksgivare
20 Oljetrycksvakt (oljetryckskontakt)
21 Temperatursändare (temperaturgivare)
22 Motorlarm
23 Motstånd
24 Dioder
25 Bränslepump
26 Bränslepumprelä
27 12,5 ampere överspänningsskydd
(bränslepumprelä)
28 7,5 ampere säkring (bränslepumprelä)

10
GR
20
20

4.3GL-A
ENG
1 Trim Sender
2 Distributor
3 Ignition Coil
4 10-Pin Connector
5 12 Volt Battery
6 Electric Choke
7 40 Amp Fuse (Accessories)
8 50 Amp Circuit Breaker
9 Alternator
10 Control (Trim/Tilt)
11 Relay (Trim/Tilt)
12 Trim Pump
13 temperture switch
14 10 Amp Fuse (Trim/Tilt)
15 Solenoid
16 Starter Motor
17 Starter Relay
18 Exhaust Overheat Sensor
19 Oil Pressure Sensor
20 Oil Pressure Switch
21 Temperature Sender
22 Resistor
23 Engine Alarm
24 Diodes
25 Fuel Pump
26 Fuel Pump Relay
27 7.5 Amp Fuse (Fuel Pump Relay)
DEU
1 Trimmgeber
2 Zündverteiler
3 Zündspule
4 10-polige Steckverbindung
5 12-Volt-Batterie
6 Elektrische Kaltstartvorrichtung
7 40-A-Sicherung (Zubehörteile)
8 50-A-Schutzschalter
9 Drehstromgenerator
10 Bedienung (Trimmen/schwenken)
11 Relais (Trimmen/schwenken)
12 Trimmpumpe
13 Temperaturschalter
14 10-A-Sicherung (Trimmen/schwenken)
15 Magnetschalter
16 Starter
17 Startrelais
18 Abgasüberhitzungsgeber
19 Öldruckgeber
20 Öldruckschalter
21 Temperaturgeber
22 Widerstand
23 Motoralarm
24 Dioden
25 Kraftstoffpumpe
26 Kraftstoffrelais
27 7,5-A-Sicherung (Kraftstoffpumpenrelais)
FRA
1 Capteur de Trim
2 Distributeur
3 Bobine d’allumage
4 Connecteur 10 broches
5 Batterie 12 V
6 Volet de départ électrique
7 Fusible 40 A (Accessoires)
8 Disjoncteur 50 A
9 Alternateur
10 Commande (Trim/Tilt)
11 Relais (Trim/Tilt)
12 Pompe de Trim
13 Thermocontact
14 Fusible 10 A (Trim/Tilt)
15 Solénoïde
16 Démarreur
17 Relais démarreur
18 Capteur de surchauffe échappement
19 Capteur de pression d'huile
20 Manocontacteur de pression d'huile
21 Sonde de température
22 Résistance
23 Alarme moteur
24 Diodes
25 Pompe à carburant
26 Relais de pompe à carburant
27 Fusible 7,5 A (relais de pompe à car-
burant)
ESP
1 Transmisor de trimado
2 Distribuidor
3 Bobina de encendido
4 Conector de 10 clavijas
5 BaterÃa de 12 V
6 Estrangulador eléctrico
7 Fusible de 40 A (accesorios)
8 Disyuntor de 50 A
9 Alternador
10 Control (Trimado/Inclinación)
11 Relé (Trimado/Inclinación)
12 Bomba de trimado
13 interruptor de temperatura
14 Fusible de 10 A (Trimado/Inclinación)
15 Solenoide
16 Motor de arranque
17 Relé de arranque
18 Sensor de recalentamiento del escape
19 Sensor de presión de aceite
20 Interruptor de presión de aceite
21 Transmisor de temperatura
22 Resistor
23 Alarma del motor
24 Diodos
25 Bomba de combustible
26 Relé de bomba de combustible
27 Fusible de 7,5 A (relé de bomba de com-
bustible)
ITA
1 Sensore di assetto
2 Spinterogeno
3 Bobina di accensione
4 Connettori a 10 terminali
5 Batteria a 12 V
6 Elettrovalvola dell’aria
7 Fusibile da 40 amp (accessori)
8 Interruttore da 50 amp
9 Alternatore
10 Comando (assetto/inclinazione)
11 Relè (assetto/inclinazione)
12 Pompa di regolazione assetto
13 Termostato
14 Fusibile da 10 Amp (assetto/inclinazione)
15 Solenoide
16 Motorino di avviamento
17 Relè del motorino di avviamento
18 Sensore di surriscaldamento dello scarico
19 Sensore di pressione dell’olio
20 Pressostato dell’olio
21 Sensore di temperatura
22 Resistore
23 Allarme del motore
24 Diodi
25 Pompa del carburante
26 Relè della pompa del carburante
27 Fusibile da 7.5 Amp (relè della pompa del
carburante)
SVE
1 Trimsändare
2 Fördelare
3 Tändspole
4 10-poligt kontaktdon
5 12 volts batteri
6 Elektrisk choke
7 40 ampere säkring (tillbehör)
8 50 ampere överspänningsskydd
9 Generator
10 Reglage (Power Trim)
11 Relä (Power Trim)
12 Trimpump
13 Temperaturkontakt
14 10 ampere säkring (Power Trim)
15 Magnetventil
16 Startmotor
17 Startrelä
18 Överhettningsgivare avgas
19 Oljetrycksgivare
20 Oljetrycksvakt (oljetryckskontakt)
21 Temperatursändare (temperaturgivare)
22 Motstånd
23 Motorlarm
24 Dioder
25 Bränslepump
26 Bränslepumprelä
27 7,5 ampere säkring (bränslepumprelä)
You're Reading a Preview
What's Included?

Fast Download Speeds
Online & Offline Access
Access PDF Contents & Bookmarks
Full Search Facility
Print one or all pages of your manual
$36.99
Viewed 72 Times Today

Loading...
Secure transaction
What's Included?

Fast Download Speeds
Online & Offline Access
Access PDF Contents & Bookmarks
Full Search Facility
Print one or all pages of your manual
$36.99
If you are experiencing an electrical issue with your Volvo Penta inboard, this manual provides a full-color electrical wiring diagram to assist you. This comprehensive guide covers the following model(s):
- 3.0GS-A/B/C
- 3.0GL-A/B/C
- 4.3GL-A/B/C/D
- 5.0GL-A/B/C/D/E
- 5.7GL-A/B/C/D/E
Our manuals are designed to be useful for both professional mechanics and DIY enthusiasts. The file is available in PDF format and contains 28 pages of detailed information in English. The quality of the manual is exceptionally good, ensuring that the wiring diagrams and pictures are clear and bright when printed. Please note that this is not an interactive software manual, but a comprehensive PDF guide. If you have any specific requests or inquiries, feel free to reach out to us for assistance.