calcActive())">
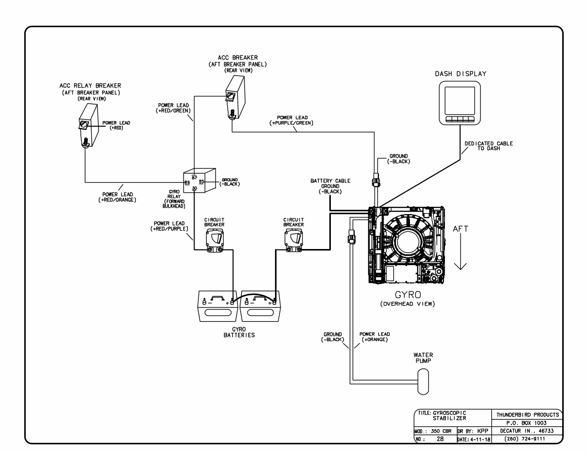
Formula 350 CBR Gyro Stabilizer System Schematics Diagram
What's Included?
Fast Download Speeds
Online & Offline Access
Access PDF Contents & Bookmarks
Full Search Facility
Print one or all pages of your manual
Viewed 21 Times Today
Secure transaction
What's Included?
Fast Download Speeds
Online & Offline Access
Access PDF Contents & Bookmarks
Full Search Facility
Print one or all pages of your manual
$26.99
Enhance your car repair skills with the Formula 350 CBR Gyro Stabilizer System Schematics Diagrams Trouble Shooting manual. Whether you're a professional mechanic or a DIY enthusiast, this manual equips you with all the necessary information to diagnose, check, and repair your Formula 350 CB.
This manual comprises:
- Detailed schematics and diagrams
- Easy-to-understand explanations
- Comprehensive trouble-shooting guides
- Step-by-step repair instructions
Say goodbye to perplexing repair challenges. Instead, gain clarity on the exact steps needed for effective repairs. Acquire this comprehensive trouble-shooting manual today and have all the essential information at your disposal to fix your Formula 350 CB.
This manual is available for instant download online, providing you with quick access to valuable insights.
