Onan BGE, NHE Service Manual Cummins Onan Emerald Plus Series Generator Service Repair Book 965-0528
What's Included?
Lifetime Access
Fast Download Speeds
Online & Offline Access
Access PDF Contents & Bookmarks
Full Search Facility
Print one or all pages of your manual
Caution: This document contains mixed page sizes (8.5 x 11 or 11 x 17), which may affect printing. Please adjust your printer settings according to the size of each page you wish to print.
BGE, NHE Emerald Plus'" Series , 965-0528 (BGE Spec F through K, NHE Spec E through K) 9-94 . I
The engine exhaust from this product contains chemicals known to the State of California to cause cancer, birth defects or other reproductiveharm.
, PURPOSE This Supplement supercedes Supplement 965-1055. It transmits the revisions to the Service Manual necessaryfor covering all Spec Mgenera- tor sets: gasolinefueled and LPG fueled. Notethat the nameplate on a Spec M generator set will have the statement: “This engine meets 1995-1 998 California emissions regulations for ULGE en- gines.” To satisfy California emissions regulationsSpec M generator sets have internal engine modifications and precision-manufactured carburetors with tam- per-resistantfuel mixturejets and tamper-resistant LPG demand regulators. It should therefore be noted that fuel mixture and LPG lock-off pressure adjustments should not be attempted. Nor should the carburetor or LPG demand regulator be over- hauled. Instead, a malfunctioning carburetor or LPG demand regulator should be replaced (see TEMS in Section 6). TROUBLESHOOTING ENGINE PRIMARY SYS- LgWAR”G1 Unauthorized modifications or re- placement of fuel, exhaust, air intake or speed control system wmponenis that affecf engine emissions are prohibited by law in the State of California. 9 Modification, removal or replacement of the generator set label is also prohibited, Supplement 965-1 060 Date: 1 1-95 Insert with- Title: BGE/NHE Service Manual Number (Date): 965-0528 (9-94) SERVICE MANUAL 965-0528 REVISIONS 1. Insert this Supplement in its entirety under the front cover of the manual. (Discard any copy of Supplement 965-1 055.) 2. On Page 1-1 wriie: “See Operator’s Manualfor fuel and engine oil recommendations and Peri- odic Maintenance.” 3. On Page 2-1 write: “For Spec M and later, igni- tion timing (nonadjustable) is 12” BTDC.” 4. On Page 5-4 write: “See Page S-2 of Supple- ment965-1 060for instructions on howto purge LPG and disconnect the genset from RV sys- tems.” Cross out the instructions under the subheadings L P-Gas (Propane) Purging Pro- cedure and Disconnecting Set from RV Sys- tems on Page 5-4. 5. On Page 6-15 under the heading GOVER- NOR, write: “See Supplement 965-1 060 for Spec M and Later.” 6. On Page 6-17 under the heading FUEL SYS- TEM-GASOLINE, write: “See Supplement 965-1060 for Spec M and Later.” 7. On Page 6-25 under the heading FUEL SYS- TEM-LPG LIQUID WITHDRAWAL, write: “See Supplement 965-1060 for Spec M and Later.” 8. On Page 6-31 under the heading FUEL SYS- TEM-LPG VAPOR WITHDRAWAL, write: “See Supplement 965-1060 for Spec M and Later.” . I The engine exhaust from this product contains chemicals known to the State of California to cause cancer, birth I defects or other reproductiveharm. s-I
Disconnecting Set from RV Systems (All Specs) 1. First disconnect the negative (-) battery cable from the baitery and then disconnect the bat- tery cables from the genset. LQWAR”G1 Sparks and high current could cause fire and other damage to the battery, battery cables and vehicleif the loose ends of cables connected to the battery touch. Always disconnect the negative (-) battery cable from the battery before disconnect- ing the battery cables from the genset. 2. Disconnect the remote control wiring harness connector at the genset. 3. Disconnect the generator output wiring and conduit from the power distribution panel or box on the vehicle. Tag all wires to make re- connections easier. 4. Disconnectthe exhaust tailpipe from the outlet of the muffler andthen removethe muffler. See EXHAUST SYSTEM under Engine Subsys- tems. 5. Disconnect the fuel linefrom thegenset. Follow the applicable instructions depending on the fuel. [QWARNINGI Gasolineand LPG (liguifiedpe- troleum gas) are flammable and explosive and can cause severe personal injury or death. Do not smokeif you smellgas orgas- oline or are near fuel tanks or fuel-burning equipment or are in an area sharing ventila- tion with such equipment. Keep flames, sparks, pilot lights, electrical arcs and arc- producing equipment and all other sources of ignition well away. Gasoline Fueled Gensets: Disconnect the fuel line from the genset and securely plug the end of the fuel lineto prevent leakage or an ac- cumulation of explosive gasoline vapor. f PG Fueled Gensets: Close the fuel shutoff valve(s) at the LPG container(s) and move the vehicle outside and away from below-grade spaces where LPG could accumulate. To purgethe fuel line and genset as much as pos- sible, run the genset (ii it starts) until it runs out of fuel with the LPG valve(s) closed. k - j LPG is flammable and explo- a sive and can cause asphyxiation. NFPA 58, Section 1.6 requires all persons handling LPG to be trained in proper handling and operating procedures. LPG “sinks” when it escapes into the air and can accumulate in explosive con- centrations. Before disconnecting the LPG fuel line, close the fuel shutoff valve(s) at the LPG container(s) and move the vehicle outsideandaway frompi& or basements or other below-grade spaces where LPG could accumulate. For LPG li9uid-wifhdrawalsyste~s (see Figure S-6) push the regulator priming button while cranking for 10 seconds to purge some of the remainingLPG. Then loosenthe threadedflex- ible fuel supply hose connector at the fuel filter on the genset just enough to hear gas escap- ing. Unthread the connectorwhenno moregas is heard escaping. Finally, cap the end of the fuel supply hosewitha 1/4 inch NFTF pipecap to preventfuel from escaping if someone inad- vertently opens the shutoff valve(s) at the LPG container(s). Large volumes of LPG can be released in the process of disconnecting a liquid-withdrawal type of LPG supply sys- tem. Before disconnecting LPG fuel con- nections, make sure the the fuel shutoff valve@) at the LPG container(s) are closed and that the vehicle is outside and away from pits or basements or other below- grade spaces where LPG could accumu- late. ForLPG vapor-withdrawalgensets (see Figure S-IO) disconnect the gas supply hose at the carburetor and the fuel solenoid shutoff valve leads at the control box on the genset. If the pressure regulator/solenoid valve assembly is also to be removed, cap the end of the fuel sup- ply linewith athreadedpipe cap to preventfuel from escaping if someone inadvertently opens the shutoff valve(s). 9 s-2
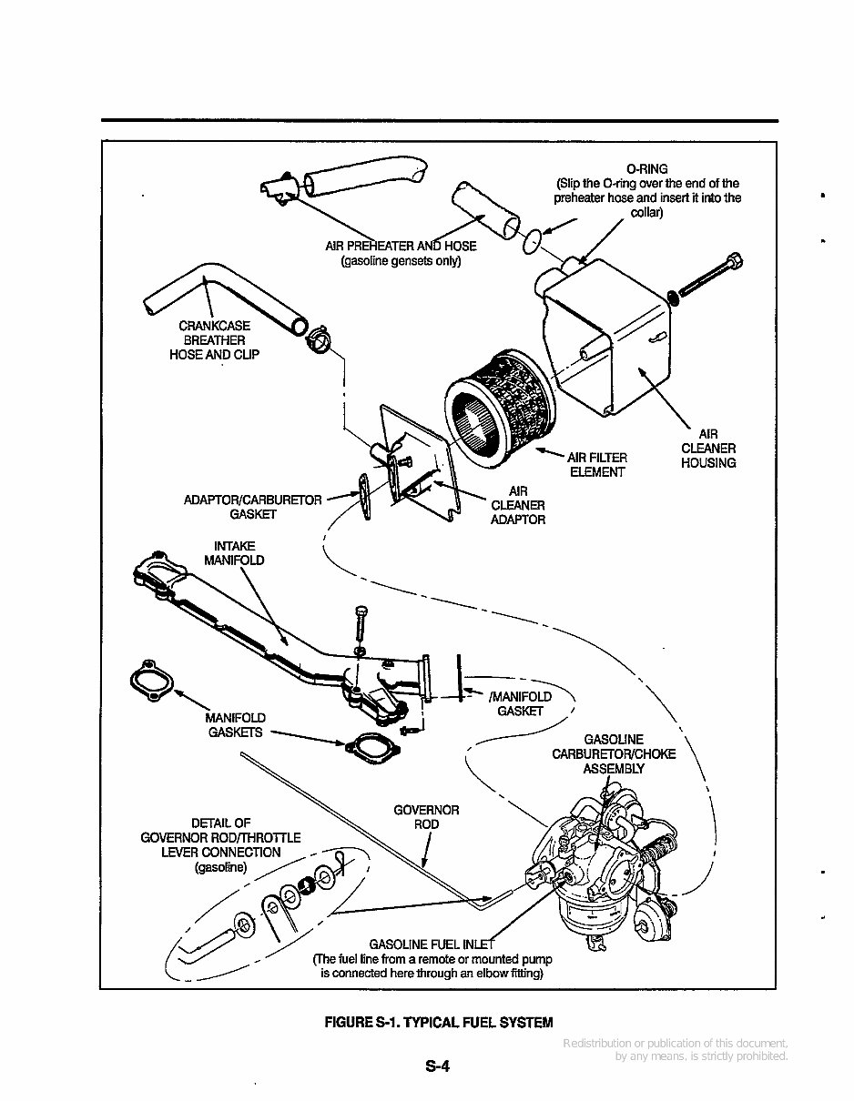
FUEL SYSTEM (BEGINNING SPEC M) The carburetor mixes air and fuel in the correct pro- portion for good performance. The governor oper- ates the throttle to maintain a nearly constant en- gine speed (frequency) as the load vanes. Figure S-1 is representative of most of the fuel system parts. LPG (liquifiedpetroleum gas) systemsdo not use an air preheateror choke and havedifferentfuel connections. See Automatic Choke, Fuel Pump and LPG SystemComponents in this sectionfor de- tails of the other parts of the fuel system. 1QWAR"GI Gasoline and LPG are flammable and explosive and can cause severe personal injury or death. Do not smokeif you smellgas or gasoline vapors or are near fuel tanks or fuel- burning equipment or are in an area sharing ventilation with such equipment. Keep flames, sparks, pilot flames, electrical arcs and switches and other sources of ignition well away. b - 1 LPG is flammable and explosive and can cause asphyxiation. NFPA 58, Section 1.6 requires all persons handling LPG to be trainedin proper handling and operating proce- dum. Air Cleaner Assembly Disassembly: 1. Remove the crankcase breather hose and air preheater hose (gasoline gensets only) from the air cleaner housing. 2. Remove the air cleaner housing center capscrew and lift off the housing and air filter. 3. Remove the three capscrews that secure the air cleaner adapter to the carburetor and lift off the adapter. (One of the screws is inside the throat of the adapter.) Reassembly: Reassembly is the reverse of disas- sembly. Use a new gasket between the adapter and the carburetor. - 1 Takecarenot to cross-threadthe in- side adapter mounting screw. Carburetor And Intake Manifold Assembly Disassembly: 1. Remove the air cleaner assembly. 2. Disconnect the fuel line and governor rodfrom the carburetor. Large volumes of LPG can be released in the process of disconnectinga liquid-withdrawal fype of LPG supply sys- tem. See Disconnecting Set from RV Sys- tems (Page S-2) for the proper procedures and precautions. 3. Remove the intake manifold capscrews, the carburetor air preheater (gasoline gensets only) andthe carburetor and intakemanifoldas an assembly. On LPG gensets equipped for liquid withdrawal, if will first be necessary to disconnect the fuel vaporizer (the tube wrapped aroundthe exhaust manifold) at both ends, remove the pressure regulator, discon- nect the vaporizer line from.its support bracket and rotate the vaporizer line out of the way. - 1 Bending the fuel vaporizer tu& ing can weaken it to the point that it can crack allowing LPG under high pressure to escape, resulting in possible sever?? per- sonal injury or death. 4. Remove the two intake manifold gaskets and cover the intake ports to prevent loose parts from accidentally entering the ports. 5. Unboltthe carburetorfrom the intake manifold. Reassembly: Reassembly is the reverse of disas- sembly. Use new gaskets betweenthe intake mani- fold and the engine and betweenthe intake mani- fold and the carburetor. Do not use sealer on the gaskets. Tighten all fasteners accordingto Assem- bly Torques. s-3
O-RING (Slip the O-ring over the end of the HOSE AND CUP is connected here through an elbow fitting) FIGURE $1. TYPICAL FUEL SYSTEM S-4
Governor and Carburetor Adjustments Careful adjustments of the carburetorand governor are essential for top performance. Perform all nec- essary engine and generator maintenanceand re- pairs before making these adjustments. These adjustments require the use of meters to measure voltage, frequency and amperage and a stepped load bank of at least 8 kW, where a portion of at least 600 watts is variable. Digital meters are recommended.Accuracy shouldbeat least 0.3 per- cent for frequency. measurement and 0.5 percent for voltage measurement. It is recommended that the genset be disconnected from the AC service panel of the vehicle. If the gen- set is not disconnected, disconnect or unplug all voltage and frequencysensitivedevicesthroughout the vehicle to protectthem from thevariationsinfre- quency and voltage that occur during these adjust- ments. b - 1 Disconnect or unplug all voltage and fwuency sensitive devices such as W’s, VCR’s, computers and other solid-state elec- tronic devicesbefom making governor and car- buretor adjustments. Typicallly,some internal cimujts are powered when these types of de- vicesarepluggedin, even if the devicehas been switched ““OFF”, These circuits can be dam- aged by variationsin voltageand frequency. Consequentialdamageto W’s, VCR’s, comput- ers and other voltage and frequency sensitive devices as a result of failing to observe thispre- caution is nof covered under the Onan warranty policy. Governor Rod Length AdjustrnenlThe length of the governor rod (Figure S-2) must be checkedand adjusted as follows beforeotheradjustmentsare at- tempted: 1. Loosen the lock nut at the ball joint end of the governor rod and unsnap the socket from the ball. 2. Push the governor rod gently towards the car- buretor (full-throttle position). While keeping it there, turn the socket, as necessary, to lengthen or shorten the rod so that the ball and socket line up. - 1 Too much pressure on the rod can result in a faulty adjustment of the rod length. 3. Snap the socket back over the ball. 4. Tighten the lock nut while holding the socket square with the axis of the ball. Also, the leg at the throttle end of the rod must be kept level. 5. Gently rotate the governor arm and check for . binding. If necessary, loosen the locknut and repeatStep 4 untilthe linkagemovessmoothly. Binding can cause erratic governor action. FIGURE S-2. GOVERNOR ROD s-5
Note: The following groups of adjustments must be performed in sequence. Idle Speed Stop Adjustment: The frequency specificationsfor 60 Hz gensets are followed in pa- rentheses by the specifications for 50 Hz gensets. 1. Start the genset and let it warm up for ten min- utes under 1/2 to 3/4 rated load. (On vapor withdrawal type LPG gensets it might be nec- essary to first adjust the supply pressure as in- structed under LPG System Components to get the genset to start.) 2. Disconnect the load(checkfor zero amps). Pull the governor rod so that the tang on the throttle lever bears against the idle speed stop screw. Adjustthe screw to obtain54-56Hz (44-46Hz). (On LPG carburetorsthe stop screwhasa lock- nut.) Frequency Adjustments: The frequency specifi- cationsfor 60 Hz gensets are followed in parenthe- ses by the specifications for 50 Hz gensets. 1. Set the altitude adjust knob (gasoline only) on the carburetor to your altitude. 2. Disconnect all loads (check for zero amps). Then check no-load frequency. If necessary, turn the governor speed adjusting screw to obtain a no-load frequency of 62-63 Hz 3. Check output voltage. See Generatorif output voltage cannot beadjustedto within 10 percent of rated voltage (Table S-1). 4. See Troubeshoofing if the engine runs roughly. . (51.5-52.5 Hz). IDLESPEED ST_OP SCREW ALTITU 4 E SCALE A\L)ITUDE ADJUST KNOB FIGURE S-3. GASOLINE CARBURETOR F\ I FUELINLET I VAPOR-WITHDRAWAL FUEL INLET I LIQUID-WITHDRAWAL I THRO~ LNER STOP SCREW AND LOCKNUT FIGURE S-4. LPG CARBURETOR S-6
Droop AdjustmenkxThe frequency specifications for 60 Hz gensets are followed in parentheses by the specificationsfor 50 Hz gensets. 1. Connect rated load. amps (A). Load (watts) = V x A (A 1 .O power factor, obtainable with a re- sistance load bank, is assumed. True ratedoutput might not be obtained if appli- ances are used as part of the load.) B. See Generator if output voltage cannot be adjustedto within 10 percentof ratedvolt- age (Table S-1). A. Load (watts) is the product of volts (V) and TABLE $1. VOLTAGE SPECIFICATION I OUTPUT NO-LOAD I FULL-LOAD I VOLTAGE I VOLTAGE VOLTAGE I 120V,lPH I 132 I 112 I 120/240V, 1PH I 264 I 224 I 2. Check and adjust droop. A. If droop (from no-load frequency) is more than 3 Hz (3.5 Hz) for Model BGE or 4 Hz (3.5 Hz) for Model NHE, turn the governor sensitivity adjusting screw (Figure S-2) one turn counterclockwise. Disconnect the load and, if necessary, readjust the governor speed adjusting screw to return to 62-63 Hz (51.5-52.5 Hz) no-load fre- quency. Checkdroopagain and repeatthe adjustments, if necessary. B. If droop (from no-load frequency) is less than 2 Hz (2 Hz) for Model BGD or 3 Hz (2 Hz) for Model NHD, turn the governor sensitivity adjusting screw (Figure S-2) one turn clockwise. Disconnect the load and, if necessary, readjust the governor speed adjusting screw to return to 62-63 Hz (51.5-52.5 Hz) no-load frequency. Check droop again and repeatthe adjust- ments, if necessary. 3. Check governor response under 1/4,1/2 and 314 ratedloads. See Troubleshootingif hunting is unacceptable. Carburetor Replacement Otherthan turning the altitudeadjust knob shown in Figure S-3, which changes the main fuel mixture within a limited range (gasoline carburetors only), fuel mixture adjustments should not be attempted on gasoline or LPG carburetors. Norshouldthe car- buretor be overhauled. Instead, a malfunctioning carburetor should be replaced. Before replacing a carburetor, however, make certain 1) that all other necessary engine and generator adjustments and repairs have been performed and 2) that the carbu- retor is actually malfunctioning, by carefully follow- ing the troubleshooting procedures in Trouble- shooting. L PG carburetors are usually not the cause of prob- lems. Make certain all otherpossible causes of the problem have been eliminatedbefore replacing an LPG cahuretofi - 1 Unauthorized modifications or re- placement of fuel, exhaust, air intake or speed control system components that affect engine emissions are prohibited by law in the State of California. See the instructionson how to remove and replace the carburetor underthe subheadings AIR CLEAN- ER ASSEMBLY and CARBURETOR AND INTAKE MANIFOLD ASSEMBLY in this section. s-7
The Onan Cummins Emerald Plus Series BGE, NHE Generator Service Repair Manual is a comprehensive resource for detailed servicing instructions, repair, preventative maintenance, and troubleshooting procedures. It is designed to provide complete information for maintaining and repairing your Onan Cummins Generator. This manual includes step-by-step instructions, photos, and illustrations to guide both professional mechanics and DIY enthusiasts through the repair process.
Featuring easy navigation, the manual allows for quick identification of service repair procedures. Detailed illustrations, exploded diagrams, drawings, and photos are included to guide users through each repair procedure. The manual covers major engine service, engine sensors, governor actuator, exhaust manifold, fuel system, starter, battery charging alternator, generator testing, disassembly, reassembly, reconnecting the generator, line circuit breakers, safety precautions, control panel operation, engine oil recommendations, engine coolant, periodic maintenance, generator set control, DC circuit breaker, engine oil pressure sender, engine coolant temperature sender, governor actuator, starter relay, specifications, and wiring diagram.
This manual covers the following Onan Cummins Generator Models: BGE, NHE. It is available in a printable format, with 161 pages and is written in English. After purchasing the service manual, it can be instantly viewed and printed as needed, making it an indispensable source of detailed maintenance and repair information for your Onan Cummins BGE, NHE Generator.
Recently Viewed
5,521,897Happy Clients
2,594,462eManuals
1,120,453Trusted Sellers
15Years in Business
Price:
Actual Price:
Onan BGE, NHE Service Manual Cummins Onan Emerald Plus Series Generator Service Repair Book 965-0528