calcActive())">
COLEMAN POWER STATION Electric Generator Service Manual
What's Included?
Fast Download Speeds
Online & Offline Access
Access PDF Contents & Bookmarks
Full Search Facility
Print one or all pages of your manual
Viewed 80 Times Today
Secure transaction
What's Included?
Fast Download Speeds
Online & Offline Access
Access PDF Contents & Bookmarks
Full Search Facility
Print one or all pages of your manual
$33.99
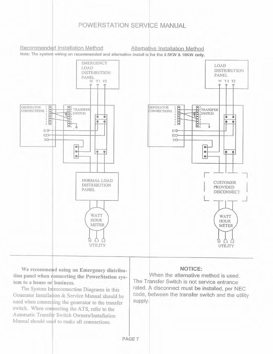
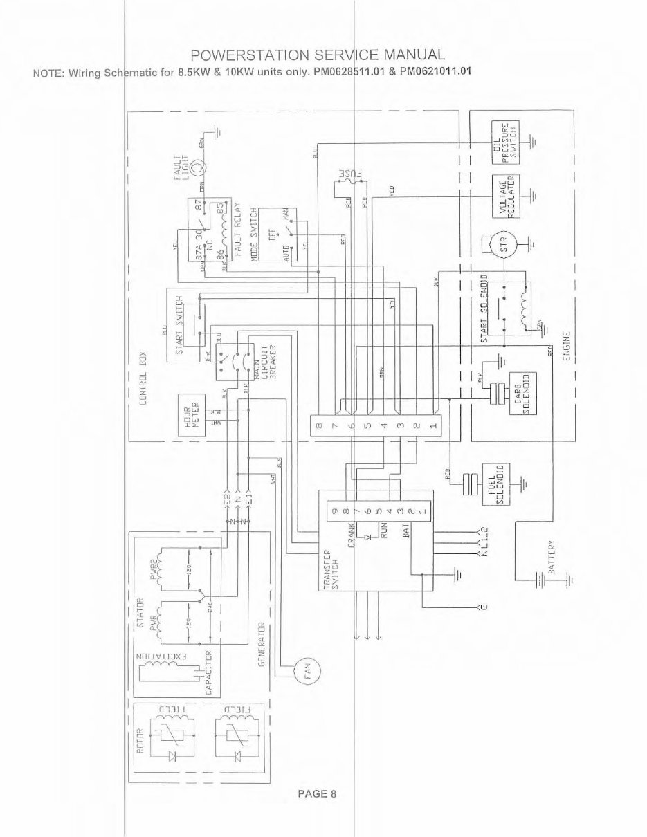
If you're in need of a comprehensive guide for servicing your Coleman Power Station electric generator, look no further than this manual. Whether you're a professional mechanic or a DIY enthusiast, this manual provides detailed instructions for maintenance, troubleshooting, and repair.
With this manual, you'll have access to valuable information on the electrical system, engine components, fuel system, and more. It's an indispensable resource for ensuring the optimal performance and longevity of your Coleman Power Station electric generator.









