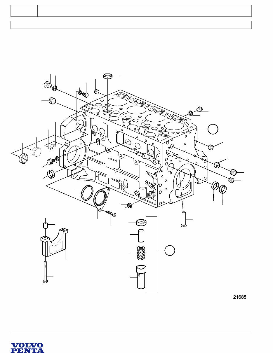
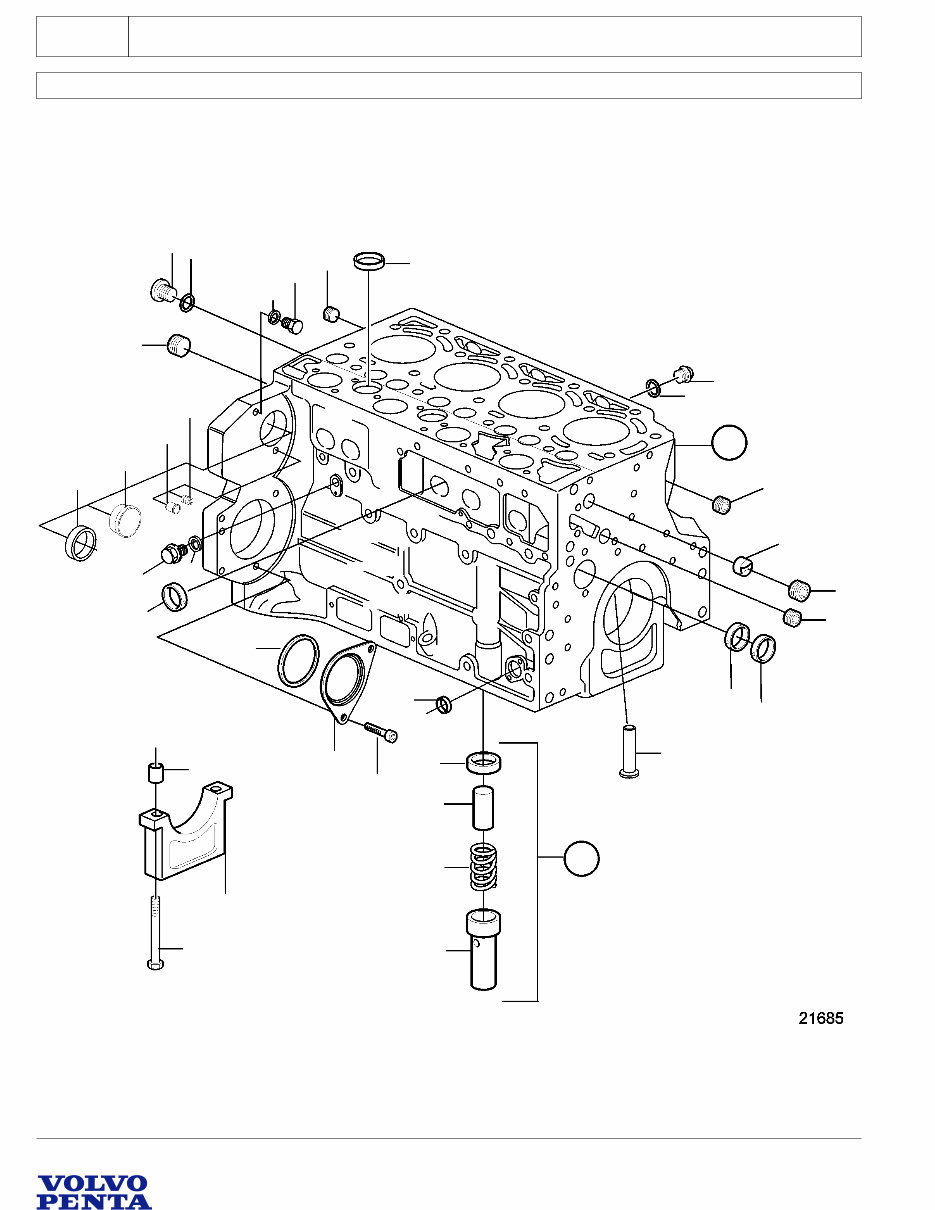
211
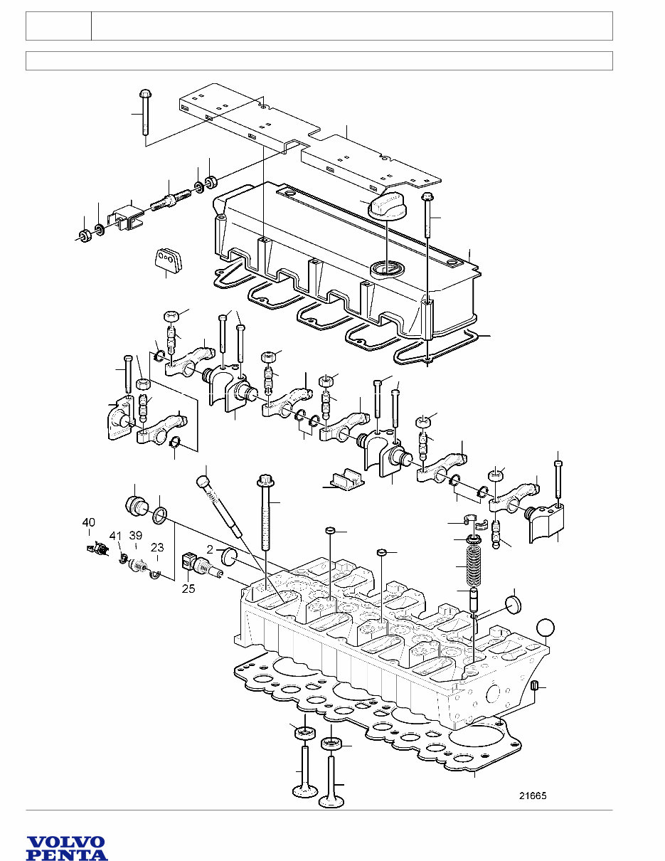
Cylinder Head
TAD530GE EDC4, TAD530GE MECH, TAD531GE EDC4, TAD531GE MECH, TD520GE
14
14
38
27
27
28
28
29
26
13
15
21
34
34
34
34
36
36 36
36
36
36
33
33
33
33
33
33
37
37
37
37
17
35
35
35
35
35
35
30
31
31
22
24
16 23
23
25
18
10
5
5
9
40
32
39 41
8
2 2
6
7
1
20
4
3
12
11
19
Upd:2/23/2024 44402 7748250_ID5A-211-54170826
TAD530GE EDC4, TAD530GE MECH, TAD531GE EDC4, TAD531GE MECH, TAD532GE EDC4, TAD730GE
EDC4, TAD730GE MECH, TAD731GE EDC4, TAD731GE
Cylinder Head
211
TAD530GE EDC4, TAD530GE MECH, TAD531GE EDC4, TAD531GE MECH, TD520GE
REF PART NO. QTY DESCRIPTION NOTES
1 20405500 1 Cylinder head
3803988 1 Cylinder head, reman
3803988 1 Cylinder head, reman (20405500)
2 20412745 3 Cap plug
3 20459962 4 Valve seat, intake Std=49,09mm, Std
20580079 4 Valve seat, intake O.S=0,20mm
20580080 4 Valve seat, intake O.S=0,40mm
4 20459963 4 Valve seat, exhaust Std=43,60mm, Std
20580082 4 Valve seat, exhaust O.S=0,20mm
20580083 4 Valve seat, exhaust O.S=0,40mm
5 20412733 3 Cap plug
6 20405897 8 Valve guide Std=15,00mm, Std
20580074 8 Valve guide O.S=0,25mm
20580078 8 Valve guide O.S=0.50mm
7 976013 8 O-ring
8 11700347 8 Compression spring
9 11700346 8 Valve spring washer
10 11700345 16 Collet
11 20714469 4 Inlet valve, intake (20572597)
12 20565912 4 Exhaust valve, exhaust
13 20412589 1 Filler cap
14 20412601 9 Flange screw
15 20412587 1 Valve cover Only with gasket 20412588, SN-5310555383
20725337 1 Valve cover Only with gasket 20725315, SN5301055584-
16 20412590 1 Cap
17 20412588 1 Plane gasket Gasket only for valve cover: 20412587, SN-5310555383
20725315 1 Gasket Metal gasket only for valve cover: 20725337, SN5301055584-
18 11700334 18 Six point screw
19 11700335 1 Cylinder head gasket TH=1,4mm, One dot
23178165 1 Cylinder head gasket TH=1,4mm, One dot
11700336 1 Cylinder head gasket TH=1,5mm, Two dots
23172474 1 Cylinder head gasket TH=1,5mm, Two dots
11700337 1 Cylinder head gasket TH=1,6mm, Three dots
23193385 1 Cylinder head gasket TH=1,6mm, Three dots
20 20405521 2 Spring pin
21 20405886 6 Seal
22 20405895 4 Plug
23 947628 2 Gasket
24 20464451 1 Plug
25 20924086 1 Sensor, coolant water (20543720)
26 20450956 1 Cable clamp EDC IV
27 20460344 2 Hexagon nut EDC IV
28 20460345 2 Washer EDC IV
29 20580716 1 Shoulder screw EDC IV
30 11700369 1 Bracket
31 11700368 3 Bracket
32 11700367 1 Bracket
33 11700370 8 Rocker arm
34 984741 10 Flange screw
35 20405524 8 Adjusting screw
36 11700373 8 Hexagon nut
37 20549891 8 Snap ring
38 20459964 1 Valve cover EDC IV
39 20450683 1 Adapter EDC IV
40 20513340 1 Sensor EDC IV
41 969011 1 Gasket EDC IV
7748250_ID5A-211-54170826 44402 Upd:2/23/2024
TAD530GE EDC4, TAD530GE MECH, TAD531GE EDC4, TAD531GE MECH, TAD532GE EDC4, TAD730GE
EDC4, TAD730GE MECH, TAD731GE EDC4, TAD731GE
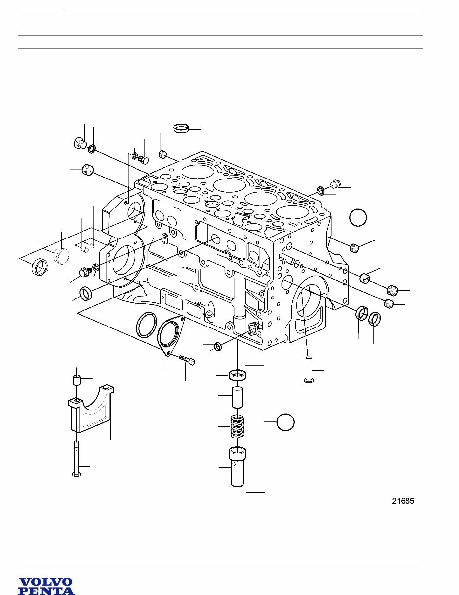
211
Cylinder Head
TAD532GE EDC4
14
14
38
27
27
28
28
29
26
13
15
21
34
34
34
34
36
36 36
36
36
36
33
33
33
33
33
33
37
37
37 37
17
35
35
35
35
35
35
30
31
31
22
41
40
39
16
23
18
24
25
5
5
10
9
32
8
2 2
6
7
1
20
4
3
12
11
19
Upd:2/23/2024 44401 7748250_ID5A-211-54158261
TAD530GE EDC4, TAD530GE MECH, TAD531GE EDC4, TAD531GE MECH, TAD532GE EDC4, TAD730GE
EDC4, TAD730GE MECH, TAD731GE EDC4, TAD731GE
Cylinder Head
211
TAD532GE EDC4
REF PART NO. QTY DESCRIPTION NOTES
1 21077450 1 Cylinder head (21077450)
3801234 1 Cylinder head (21077450)
3801234 1 Cylinder head
2 20412745 3 Cap plug
3 20459962 4 Valve seat, intake Std=49,09mm, Std
20580079 4 Valve seat, intake O.S=0,20mm
20580080 4 Valve seat, intake O.S=0,40mm
4 20845144 4 Valve seat, exhaust Std=43,60mm, Std
20580082 4 Valve seat, exhaust O.S=0,20mm
20580083 4 Valve seat, exhaust O.S=0,40mm
5 20412733 3 Cap plug
6 20405897 8 Valve guide Std=15,00mm, Std, Replaced by 21344665.
20580074 8 Valve guide O.S=0,25mm
20580078 8 Valve guide O.S=0.50mm
7 976013 8 O-ring
8 11700347 8 Compression spring
9 20847155 8 Retainer
10 11700345 16 Collet
11 20758481 4 Inlet valve, intake
12 20755883 4 Exhaust valve, exhaust
13 20412589 1 Filler cap
14 20412601 9 Flange screw
15 20725337 1 Valve cover
16 20412590 1 Cap
17 20725315 1 Gasket
18 11700334 18 Six point screw
19 11700335 1 Cylinder head gasket TH=1,4mm, One dot
23178165 1 Cylinder head gasket TH=1,4mm, One dot
11700336 1 Cylinder head gasket TH=1,5mm, Two dots
23172474 1 Cylinder head gasket TH=1,5mm, Two dots
11700337 1 Cylinder head gasket TH=1,6mm, Three dots
23193385 1 Cylinder head gasket TH=1,6mm, Three dots
20 20405521 2 Spring pin
21 20405886 6 Seal
22 20405895 4 Plug
23 947628 2 Gasket
24 20840772 1 Lock ring
25 20840807 1 Thrust washer
26 20450956 1 Cable clamp EDC IV
27 20460344 2 Hexagon nut EDC IV
28 20460345 2 Washer EDC IV
29 20580716 1 Shoulder screw EDC IV
30 11700369 1 Bracket
31 11700368 3 Bracket
32 11700367 1 Bracket
33 20792876 8 Rocker arm
34 984741 10 Flange screw
35 20405524 8 Adjusting screw
36 11700373 8 Hexagon nut
37 20549891 8 Snap ring
38 20459964 1 Valve cover EDC IV
39 20450683 1 Adapter EDC IV
40 20513340 1 Sensor EDC IV
41 969011 1 Gasket EDC IV
7748250_ID5A-211-54158261 44401 Upd:2/23/2024
TAD530GE EDC4, TAD530GE MECH, TAD531GE EDC4, TAD531GE MECH, TAD532GE EDC4, TAD730GE
EDC4, TAD730GE MECH, TAD731GE EDC4, TAD731GE
212
Cylinder Block
TD520GE
5
6
6
16
35
28
29
15
7
33
32
1
31
30
8
9
27
26
10
11
14
24
13 22
12
34
18
23 4
25
19
17
20
2
3 21
Upd:2/23/2024 44405 7748250_ID5A-212-54170832
TAD530GE EDC4, TAD530GE MECH, TAD531GE EDC4, TAD531GE MECH, TAD532GE EDC4, TAD730GE
EDC4, TAD730GE MECH, TAD731GE EDC4, TAD731GE
Cylinder Block
212
TD520GE
REF PART NO. QTY DESCRIPTION NOTES
1 20405979 1 Crankcase Part has a unique replacement. The new part may be used in any case.
The old part may only used for engines that were org. eq. with this part.,
Delivered with cylinder liner., SN-782200
20555444 1 Crankcase SN782201-
2 5 Main bearing cap
3 20405583 10 Flange screw
4 11700278 10 Bushing
5 945065 2 Plug M14
6 969011 4 Gasket
7 20405716 1 Plug M14
8 20405718 1 Plug M14
9 20405906 1 Guide sleeve
10 20405717 1 Plug M30
11 20405719 1 Plug M22
12 11700284 6 Bushing
13 11700285 1 Bushing
14 20405721 6 Cap plug A45
15 20405718 1 Plug M14
16 20405722 1 Plug M22
17 11700271 1 Delivery valve
18 20405904 1 Ring
19 20405936 1 Valve
20 20405896 1 Compression spring
21 20405937 1 Sleeve
22 20412745 1 Cap plug A36
23 24426064 1 Cover (20459898)
24 20412359 1 O-ring
25 975108 2 Flange screw L=20mm
26 20405716 1 Plug M14
27 969011 1 Gasket
28 20441859 2 Filling-in plug, screw plug
29 947281 2 Gasket
30 20450778 1 Core plug
31 20464563 1 Plug
32 20464561 1 Plug
33 20459970 1 Set screw, set screw L=15mm
34 20405561 4 Piston cooling jet, piston cooling
35 20799722 1 Cap plug 32mm
7748250_ID5A-212-54170832 44405 Upd:2/23/2024
TAD530GE EDC4, TAD530GE MECH, TAD531GE EDC4, TAD531GE MECH, TAD532GE EDC4, TAD730GE
EDC4, TAD730GE MECH, TAD731GE EDC4, TAD731GE
212
Cylinder Block
TAD532GE EDC4
5
6
6
16
35
28
29
15
7
33
32
1
31
30
8
9
27
26
10
11
14
24
13 22
12
34
18
23 4
25
19
17
20
2
3 21
Upd:2/23/2024 44405 7748250_ID5A-212-54158329
TAD530GE EDC4, TAD530GE MECH, TAD531GE EDC4, TAD531GE MECH, TAD532GE EDC4, TAD730GE
EDC4, TAD730GE MECH, TAD731GE EDC4, TAD731GE
Cylinder Block
212
TAD532GE EDC4
REF PART NO. QTY DESCRIPTION NOTES
1 20555442 1 Crankcase Delivered with cylinder liner.
2 5 Main bearing cap
3 20405583 10 Flange screw
4 11700278 10 Bushing
5 11700279 2 Plug M14, (945065)
6 969011 4 Gasket
7 20405716 1 Plug M14
8 20508600 2 Plug M14
9 20405584 1 Guide sleeve
10 20405717 1 Plug M30
11 20405719 1 Plug M22
12 11700284 6 Bushing
13 11700285 1 Bushing
14 20405721 6 Cap plug A45
15 20785813 1 Plug M14
16 20508600 1 Plug M22
17 11700271 1 Delivery valve
18 20405904 1 Ring
19 20405936 1 Valve
20 20405896 1 Compression spring
21 20405937 1 Sleeve
22 20412745 1 Cap plug A36
23 24426064 1 Cover
24 20412359 1 O-ring
25 975108 2 Flange screw L=20mm
26 20405716 1 Plug M14
27 969011 1 Gasket
28 20441859 2 Filling-in plug, screw plug
29 947281 2 Gasket
30 20450778 1 Core plug
31 20464563 1 Plug
32 20464561 1 Plug
33 20459970 1 Set screw, set screw L=15mm
34 20405561 4 Piston cooling jet, piston cooling
35 20799722 1 Cap plug
7748250_ID5A-212-54158329 44405 Upd:2/23/2024
TAD530GE EDC4, TAD530GE MECH, TAD531GE EDC4, TAD531GE MECH, TAD532GE EDC4, TAD730GE
EDC4, TAD730GE MECH, TAD731GE EDC4, TAD731GE
212
Cylinder Block
TAD530GE EDC4, TAD530GE MECH, TAD531GE EDC4, TAD531GE MECH
5
6
6
16
35
28
29
15
7
33
32
1
31
30
8
9
27
26
10
11
14
24
13 22
12
34
18
23 4
25
19
17
20
2
3 21
Upd:2/23/2024 44405 7748250_ID5A-212-54158213
TAD530GE EDC4, TAD530GE MECH, TAD531GE EDC4, TAD531GE MECH, TAD532GE EDC4, TAD730GE
EDC4, TAD730GE MECH, TAD731GE EDC4, TAD731GE
Cylinder Block
212
TAD530GE EDC4, TAD530GE MECH, TAD531GE EDC4, TAD531GE MECH
REF PART NO. QTY DESCRIPTION NOTES
1 20557730 1 Crankcase Delivered with cylinder liner.
2 5 Main bearing cap
3 20405583 10 Flange screw
4 11700278 10 Bushing
5 11700279 2 Plug M14, (945065)
6 969011 4 Gasket
7 20405716 1 Plug M14
8 20508600 2 Plug M14
9 20405584 1 Guide sleeve (20405906)
10 20405717 1 Plug M30
11 20405719 1 Plug M22
12 11700284 6 Bushing
13 11700285 1 Bushing
14 20405721 6 Cap plug A45
15 20785813 1 Plug M14
16 20508600 1 Plug M22
17 11700271 1 Delivery valve
18 20405904 1 Ring
19 20405936 1 Valve
20 20405896 1 Compression spring
21 20405937 1 Sleeve
22 20412745 1 Cap plug A36
23 24426064 1 Cover
24 20412359 1 O-ring
25 975108 2 Flange screw L=20mm
26 20405716 1 Plug M14
27 969011 1 Gasket
28 20441859 2 Filling-in plug, screw plug
29 947281 2 Gasket
30 20450778 1 Core plug
31 20464563 1 Plug
32 20464561 1 Plug
33 20459970 1 Set screw, set screw L=15mm
34 20405561 4 Piston cooling jet, piston cooling
35 20799722 1 Cap plug
7748250_ID5A-212-54158213 44405 Upd:2/23/2024
TAD530GE EDC4, TAD530GE MECH, TAD531GE EDC4, TAD531GE MECH, TAD532GE EDC4, TAD730GE
EDC4, TAD730GE MECH, TAD731GE EDC4, TAD731GE
You're Reading a Preview
What's Included?
Lifetime Access
Access PDF Contents & Bookmarks
Print one or all pages of your manual