ROBIN AMERICA, INC. ROBIN TO WISCONSIN ROBIN ENGINE MODEL CROSS REFERENCE LIST ROBIN EY08 EY15 EY 15V EY20 EY2OV EY23 EY28 EY3 5 EY40 - EY45V EY2 1 EY44 EY 18-3 EY25 EY27 EH11 EH12 EH15 EH17 EH21 EH25 EH30 EH30V EH34 EH34V EH43V EC13V DY23 DY27 DY30 DY3 5 DY4 1 WISCONSIN ROBIN SIDE VALVE W 1-080 W1-145 W1-145V W1-185 W1-185V W1-230 W 1-280 W 1-340 W 1-390 Wl-45OV EY21W EY44W EY18-3W EY25W EY27W OVERHEAD VALVE WO1-115 wo1-120 WO1-150 WO1-170 wo1-210 WOl-250 WO 1-300 WO1-300V WO1-340 WO 1 -340V WO 1-43 OV TWO CYCLE WT1-125V DIESEL WRD 1-230 WRD 1-270 -1-300 WRD1-350 WRD1-410
/Specification ECI 00DD2200 Introduction This catalog is designed to identify Robin Engine parts. When ordering parts, it is always advisable to list the engine model, specification number and serial number. With this information. we can check your order for any incorrect part numbers. Use your Service Parts List to ensure proper part number and nomenclature identification. ROBIN AMERICA INC. reserves the right to modify, alter and improve engines and parts. Part numbers and the structure of parts may change from those shown in this catalog. Table of Contents . Crankcase and Cylinder ............................................................................................... 1 Crankshaft and Piston ................................................................................................. 2 Blower Housing and Mufner ................................................. ..:. .................................... 3 Magneto ...................................................................................................................... .4 Recoil Starter ............................................................................................................... 5 Accessories ................................................................................................................. .6
,/ i /
." . .. ,
1
c I 1
c a LL I a I- VI 0 W N v) cz W 0 > U - R cum 00 w w NN mv) .. LIY PCP: w w >> 00 I .. A
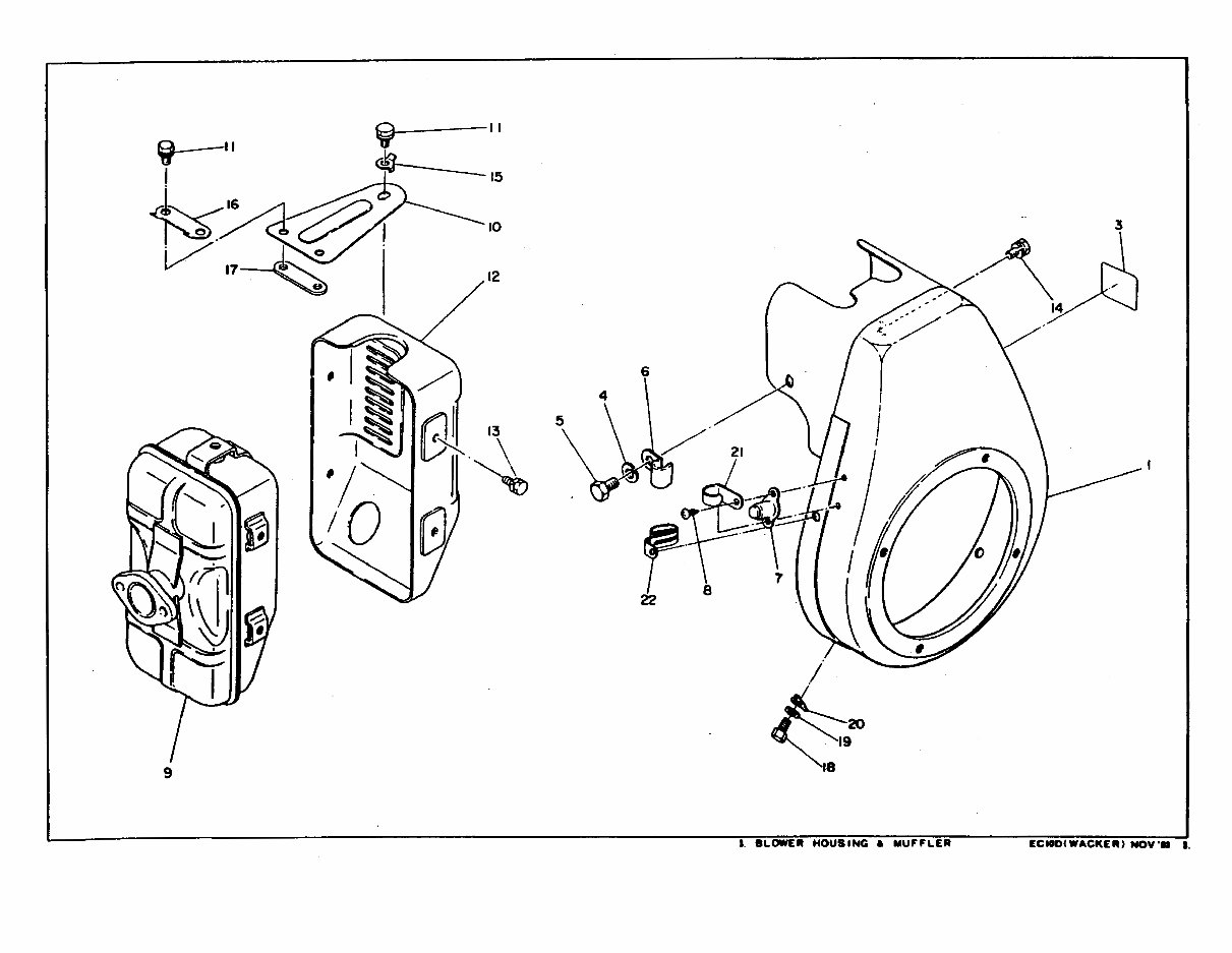
The Robin EC10D parts manual for Wacker is a fully illustrated parts list with exploded views. This manual serves as a valuable tool for assisting in the disassembly and assembly of the vehicle. It is designed to be useful for both professional mechanics and DIY enthusiasts.