calcActive())">
parts manual for onan engines b43m ga016
What's Included?
Fast Download Speeds
Online & Offline Access
Access PDF Contents & Bookmarks
Full Search Facility
Print one or all pages of your manual

.
.“
.-
~~~~ ~“”””” ““’”
;...
....
. ..-
.—
Par”& ~ “.” .“.
Manua, ..::...
B43M’=GAO16
Industrial
Engines
.
.
,...
-,, .... ... . ~.—-m<-,=
‘4
,.,
.-
.
965-0254
11-88 (Spec A-C)
Replaces 5-85 (Spec A-C)
Printed in U.S.A. ~

—.—
/<-.
‘ \
-.
For parts or service, contact-the dealer frorn._whorn you purchased this equipment or. refer to your Nearest
,-
Authorized Onan Parts and Service Center.
To avoid errors or delay in”filling your parts order, always give the MODEL, ~PEC” NO. and SERIAL NO. -from the
Onan nameplate. ~
..
0
0
MODEL AND SPEC NO.
SERIAL NO.
.=
,.-.
,,,’ ,
I.
M-1149
For handy reference, insert “YOUR”
nameplate information in the spaces above.
.,,.
Std. #36D
—.

Index
Adapter, Clutch 46
Adapter, Exhaust (Flange Type) 49
Adapter, Governor Arm 26,34
Adapter, Oil Filter 36,41
Air Cleaner-Remote 45
Ammeter 34,35
Arm, Governor Control 25
Armature, Starter 21.37,38
Baffle, Breather Valve 4
Ball, Governor 11
Base, Oil 8
Base, Remote Oil Filter 36
Bearing, Camshaft 4
Bearing, Crankshaft 4
Block, Cylinder 4
Block, Terminal (4 Place) 43
Box, Breaker 19,20,42
Bracket, Governor Control 12,26
Bracket, Lifting 48
Brush, Ground-Starter 21,37,38
Cable, Choke 34.35
Cable, Spark Plug 19,44
Camshaft 11
Cap, Fuel Tank 33
Carburetor Components (Gasoline) 16,28,31,32
Carburetor, Gasoline 14,27
Clamp, Muffler 49
Coil, Ignition 19,44
Condenser, Ignition 20,42
Cover, Air-Cleaner 14,48
Cover, Breaker Box 20,42
/T
Cover, Dust-Starter 21,38
Cover, Valve 4
Crankshaft 10
Drain, Oil Filter 41
Element, Air Cleaner 14
Extension, Governor Arm 35
Filter, Breather Tube 14,45
Filter, Oil 41,48
Flywheel 10
Gasket, Breaker Box 19,20,42
Gasket, Cylinder Head 4
Gasket, Exhaust Adapter 49
Gasket, Oil Base 8
Gasket, Valve Cover 4
Gauge, Oil Pressure 34,35
Gear, Camshaft 11
Gear, Crankshaft 10
Gear, Ring 10
Gearcase 7
Governor 12,25,26
Guard, Flywheel 10,48
Harness, Wiring 35
Head, Cylinder 4
Holder, Brush 21,38
Hose, Fuel 27
Hose, Vacuum 14,27
Housing, Air 18
Housing, Air Cleaner 14
Housing, Blower 18
Housing, Cylinder 18
Housing, Starter 21,38
Kit, Adapter - Remote Air Cleaner 45
Kit, Alternator Connector 23,24
Kit, Clutch 46
Kit, Fuel Tank 33
Kit, Gasket - Engine 4
Kit, Repair - Carburetor 16,28,31,32
Kit, Repair – Starter 21,38
Kit, Tuneup - Ignition 20,42
Lever, Choke 47
Lever, Throttle Control 34)35
Line, Fuel - Gasoline 33
Line, Oil - Flexible 34,35
Manifold, Exhaust 49
Manifold, Intake 14
Muffler, Exhaust 49
Numerical Index 50,51,52,53
Panel, Control 34,35
Pipe, Exhaust 49
Piston 6
Plate, Bearing - Rear 4
Plug, Spark 19,44
Pump, Fuel-Electric (Gasoline) 40
Pump, Fuel-Vacuum (Gasoline) 27,30
Pump, Oil 8
Regulator, Voltage 23,24
Relay, Start Solenoid 21,37,38
Ring, Piston 6
Rod, Connecting 6
Rod, Control-Governor 12,25
Seal, Oil 4,7
Seat, Valve 4
Sender, Oil Pressure (Electric) 48
Spring, Governor 12,25,26,34,35
Starter 21,38
Starter Components 21,37,38
Starter, Recoil 39
Stator 23,24,44
Strap, Fuel Tank 33
Switch, Ignition 34,35
Switch, Pressure-Oil 48
Tank, Fuel 33,48
Tappet, Valve 4
Tube, Air Intake 14,48
Tube, Breather 14,45
Tube, Oil 4
Tube, Vacuum Port 7,27
Valve, Exhaust 4
Valve, Intake 4
Valve, Shut-Off 33
Wrapper, Filter Element 48
1

Introduction
This cata~og applies to the Standard B43M-GA016 Engines. Parts are arranged in groups
of related items. Each illustrated part is identified bv a reference number /-
corresponding to the same reference number in the parts ‘list for that group, Parts
~.
illustrations are typical. Using the MODEL and SPEC NO. from the nameplate, select the
Parts that apply to your engine. Unless otherwise mentioned in the description, parts
are in’cerch.angeable between model’s, Right and left sides are determined by facing the
blower end (front) of the engine.
WARNING
This engine is not designed or intended far use in any type of aircraft.
Use of this engjne in alrcra-ft may result in engine failure and cause
serious bodily Injury, death andlor property damage.
NOTICE !
Items referenced as optional indicate part is factory installed and ma
not be a
?7
licable to all models. Y For field conversions additional par s
are usua y required.
,,
,-
2

/“7,
c.
..
3

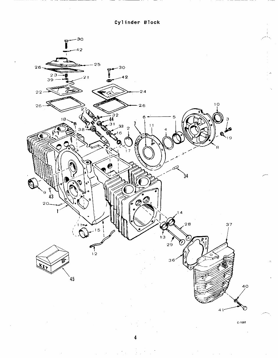
Cylinder Block
-30
r
_,/ 4 ‘2
1
.14
./’- ‘,
.-..
-.
’45
~,-
C.1082
,.>,
40
/
4

Cylinder Block
n,
REF PART QTY
NO. NO. USED
PART
DESCRIPTION
Block Assembly, Cylinder (All
Replacement Cylinder Block
Assemblies Use Intake Valve
Seals and Include Parts
Marked *)
Engines with Standard Rear
Bearing Plate
Engines with 4 Boss Bearing
Plate
Engines with SAE A or SAE B
Rear Bearing Plate (Does
Not Include Rear Bearing
Plate)
*Plug, Welch (1–5/8”) Camshaft
Opening
*Screw, Cap - Hex Head
(3/8-16 X 1-1/4”)
*Shim, Crankshaft End Play
(.005”)
Bearing, Crankshaft - Rear
(Includes Thrust Washer)
*Standard
.002” Undersize
.010” Undersize
.020” Undersize
,030” Undersize
*Washer, Thrust
*Gasket, Bearing Plate
Plate, Bearing - Rear
*Standard
Optional - 4 Boss
Optional - SAE B
Optional - SAE A
*Bearing, Camshaft
Seal, Oil - Crankshaft Rear
*Pin, Drive - Bearing Stop
*Tube, Oil - Cylinder Block
Insert, Valve Seat - Exhaust
*Standard
.002” Oversize
.005” Oversize
.010” Oversize
.025” Oversize
Insert, Valve Seat – Intake
*Standard
.002” Oversize
.005” Oversize
.010” Oversize
.025” Oversize
Bearing, Crankshaft - Front
F 1anged
*Standard
,002” Undersize
.010” Undersize
,020” Undersize
.030” Undersize
Guide, Valve
Engines w/o Intake Valve
Seals
Intake
Exhaust
Engines with Intake Valve
Seals
*Exhaust
*Intake
REF PART
NO. NO.
QTY PART
USED DESCRIPTION
2 *Gasket Intake Valve Guide
Vacuum Port
Tube - Early Models
Plug, Breather Hole -
Later Models
*Washer, Lock - Spring (3/8”)
*Pin, Gear Cover Alignment
Reed, Breather Valve
Baffle, Breather Valve
Spring, Breather Valve
Cover, Valve - RH
Cover, Valve - LH
Gasket, Valve Cover
Tappet, Valve
Standard
,002” Oversize
.005” Oversize
Valve, Intake
Valve, Exhaust
Screw, Cap - Hex Head
(1/4-20 X 1-3/4”)
Spring, Valve
Lock, Valve Spring
Seal, Valve - Intake
(Optional)
Screw, Socket – Set
(3/8-16 X 5/8”)
Gasket, Cylinder Head
Standard
Optional (Graphoil)
Head, Cylinder
Right Side - Spec A
Left Side - Spec A
Left Side - Begin Spec B
Right Side - Begin Spec B
Roto Cap - Valve
Washer, Flat (1/4” Screw)
Washer, Flat (5/16” Screw)
Screw, Cap - Hex Head (Special)
5/16-18 X 1-5/8”
2“ Long
Washer, Flat - Copper
(1/4” Screw)
Plug, Core Hole
Washer, Intake Valve Spring
Retainer (Optional)
Kit, Gasket
Valve Grind/Carbon Removal
(Standard Head Gaskets)
Valve Grind/Carbon Removal
(Graphoil Head Gaskets)
Gasket Kit, Complete
(Standard Head Gaskets)
Gasket Kit, Complete
(Graphoil Head Gaskets)
1 17 110-0068
18
149-1299
517-0120
1
1
110-3148 1
110-3151 1
110-3154 1
19
20
21
22
23
24
25
26
27
850-0050
516-0141
123-1175
123-1173
123-1174
110-1879
110-2274
110-1921
5
2
1
1
1
1
1
3
517-0048 1
BOO-0051 5
104-0776 AR
2
3
4
5
115-0006
115-0006-02
115-0006-05
110-2368
110-1955
800-0010
110-0539
110-0639
509-0168
4
4
4
28
29
30
2
2
.2
101-0450 1
101-0450-02 1
101-0450-10 1
101-0450-20 1
101-0450-30 1
104-0575 2
101-0415 1
31
32
33
4
8
2
34 803-0071 2
6
7
8
36
110-2287
110-3181
2
2 101-0439 1
101-0551 1
101-0430 1
101-0437 1
101-0405 2
509-0041 1
516-0072 4
120-0735 1
37
110-2564
110-2563
110-2561
110-2562
110-0904
526-0018
526-0122
800-0540
800-0571
526-0063
1
1
1
1
4
1
18
1:
11
12
13
38
39
40
41 110-1824 2
110-1824-02 2
110-1824-05 2
110-1824-10 2
110-1824-25 2
12
6
2 42
14 43
44
517-0067
110-0893
1
2 110-0197 2
110-0197-02 2
110-0197-05 2
110-0197-10 2
110-0197-25 2
45
168-0140
168-0183
168-0153
168-0182
1
15 1
101-0432 1
101-0432-02 1
101-0432-10 1
101-0432-20 1
101-0432-30 1
1
1
..
16
,.- * – parts Included in the Cylinder Block Assembly.
110-1807 2
110-1807 2
110-1807 2
110-3161 2
/-.
5

Piston and Rod
/1
CT-1055
REF PART
NO. NO.
.
1
112-0186
112-0186-05
112.-Olg6-lO
112-0186-20
112-0186’-30
112-0186-40
2 112-0229
3 518-0311
4
113-0189
113-0189-05
113-0189-10
113-0189-20
113-0189--30
113-0189-40
QTY
USED
2
2
2
2
2
2
2
4
2
2
2
2
2
2
PART
DESCRIPTION
Piston and Pin (Includes
Retaining Rings)
Standard
.005” Oversize
,010” Oversize
,020” Oversize
,030” Oversize
.040” Oversize
Pin, Piston
Ring, Retaining
Ring Set, Piston
Standard
.005” Oversize
.010” Oversize
.020” Oversize
,030” Oversize
,04~” Oversize
REF PART QTY
NO. NO. USED
5
-114-0300 2
114-0300-10 2-
114-0300-20 2
114-0300-30 2
6 114-0240 4
7 870-0302 4
.!
,-
PART
DESCRIPTION
Rod, Connecting (Includes
Bolt and Nut)
Standard
..010” Undersize
.020” Undersize
.030” Undersize
Bolt, Connecting Rod (Special)
N“ut, Hex - Crown Lock
(5/16-24)
\
!
1
I
,/—
I
1
,
,.
.-.
6

Gearcase
f
/2
/8
10
I
REF
NO.
PART
NO.
QTY PART
USED DESCRIPTION
REF PART
NO. NO.
QTY
USED
PART
DESCRIPTION
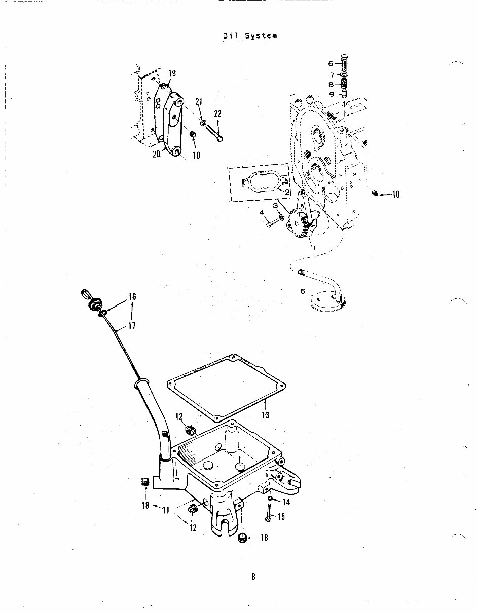
1 103-0738 Gearcase Assembly (Includes
Parts Marked *)
*Bearing, Governor Shaft
*Shaft and Arm, Governor
*Yoke, Governor Shaft
*Screw, Machine - Pan Head
(#8-32 X 3/8”)
*Pin, Dowel - Governor Cup
stop
*Seal, Oil - Governor Shaft
*Ball, Bearing - Governor Shaft
1:
11
509-0040
103-0408
*Seal, Oil - Crankshaft
Gasket, Gearcaae Mounting
Screw, Cap - Hex Head
5/16-18 X 1-3/4”
5/16-18 x 2-3/4” (Special)
Washer, Flat – Copper
(5/16” Screw)
*Tube, Vacuum Port
*Clamp, Vacuum Port Cap
*Cap, Vacuum Port
1
2 510-0105
3 150-1470
. 4 150-1187
5 815-0046
1
1
1
2
800-0032
800-0545
526-0065
4
1
5 12
13
16
17
149-1299
503-0301
149-1321
1
1
1
6 516-0130 1
,.
7 509-0008
8 510-0014
1
1
* – parts Included in 103-0738 Gearcase Assembly.

. . .
Oil System
-.
\
16
t
17
‘1 /’
--”
,/
(
\
3
..
‘w
<
—
— .—
,-----
8
,—.
You're Reading a Preview
What's Included?
Fast Download Speeds
Online & Offline Access
Access PDF Contents & Bookmarks
Full Search Facility
Print one or all pages of your manual
$27.99
Viewed 80 Times Today
Loading...
Secure transaction
What's Included?
Fast Download Speeds
Online & Offline Access
Access PDF Contents & Bookmarks
Full Search Facility
Print one or all pages of your manual
$27.99
A parts manual for Onan engines B43M GA016 is available in PDF format. This manual is compatible with all versions of Windows, Mac, and Linux, and it is printable. It can be accessed instantly at high speed and requires Adobe Reader for viewing. The manual provides great value and is a full version, making it useful for both professional mechanics and DIY enthusiasts.