calcActive())">
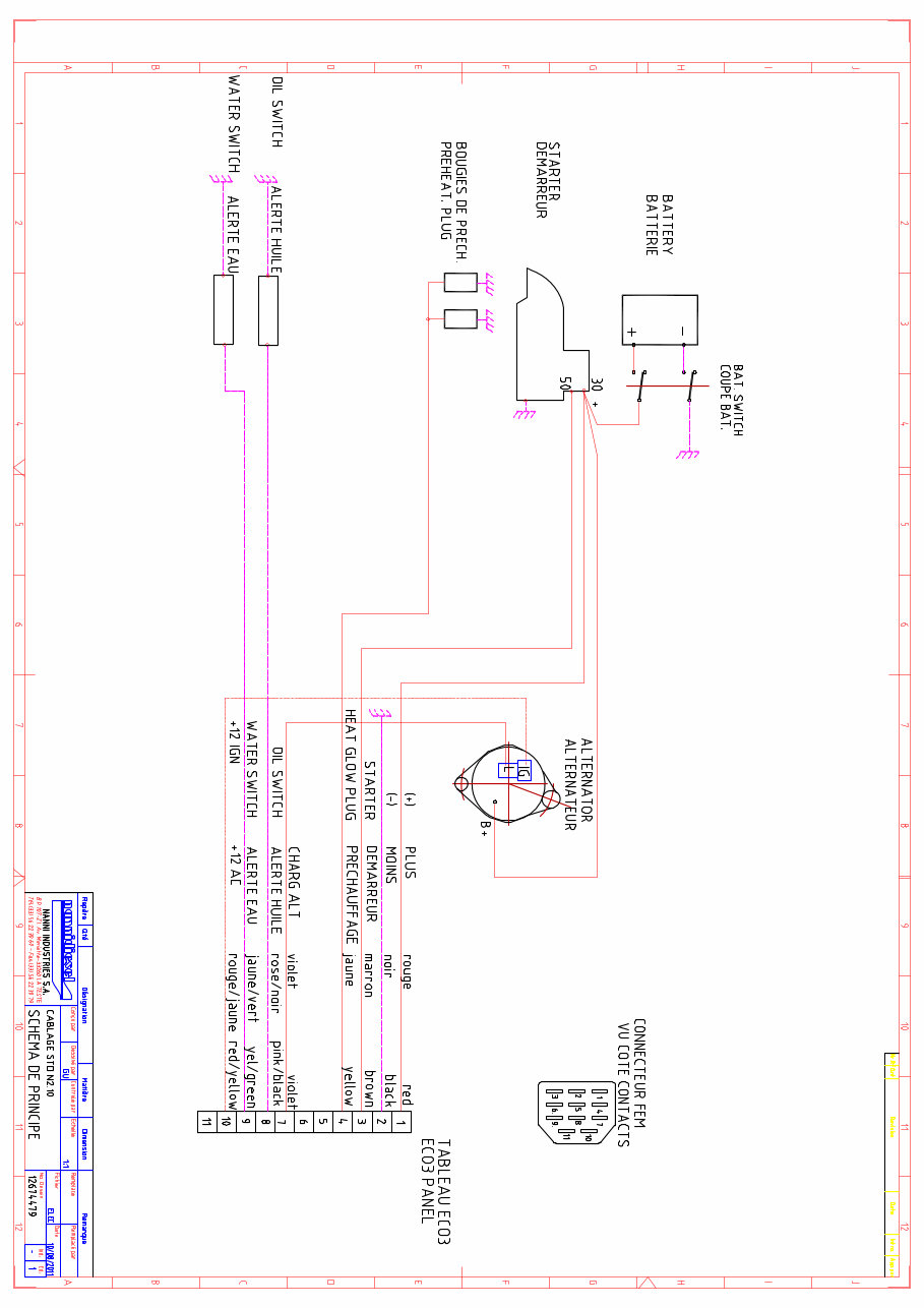
Nanni N2.10 with a Eco3 panel Wiring Diagrams
What's Included?
Fast Download Speeds
Online & Offline Access
Access PDF Contents & Bookmarks
Full Search Facility
Print one or all pages of your manual
Viewed 12 Times Today
Secure transaction
What's Included?
Fast Download Speeds
Online & Offline Access
Access PDF Contents & Bookmarks
Full Search Facility
Print one or all pages of your manual
$26.99
This digital manual contains the wiring diagrams and service manual for the Nanni N2.10 and Eco3 panel. It offers comprehensive guidance on testing and servicing the components, including easy-to-read wiring diagrams for both parts. The manual is designed to assist both professional mechanics and DIY enthusiasts.
Key benefits of this manual:
- Clear and easy-to-read wiring diagrams
- Comprehensive instructions for service and testing
- Detailed guidance for servicing components
- Useful for troubleshooting and identifying parts requiring service
Whether you are an experienced mechanic or a novice enthusiast, this manual provides the necessary support for working on the Nanni N2.10 engine and Eco3 panel. Its clear diagrams and detailed instructions ensure a successful outcome for your repair or maintenance tasks.
