calcActive())">
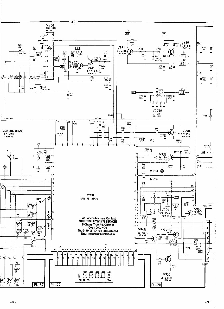
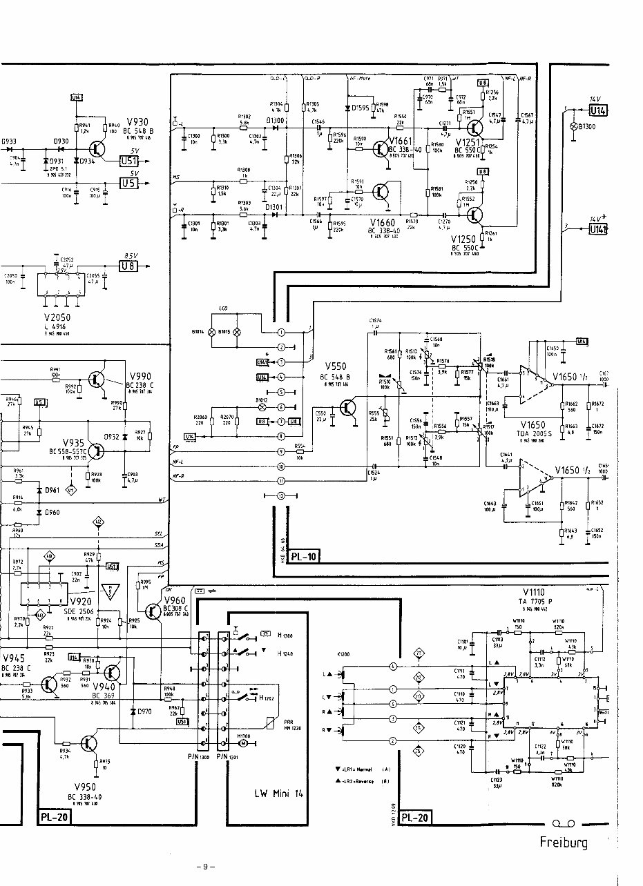
Schematic Diagrams Manual BLAUPUNKT FREIBURG/MELBOURNE SQR-39 CAR STEREO
What's Included?
Fast Download Speeds
Online & Offline Access
Access PDF Contents & Bookmarks
Full Search Facility
Print one or all pages of your manual
Viewed 57 Times Today
Secure transaction
What's Included?
Fast Download Speeds
Online & Offline Access
Access PDF Contents & Bookmarks
Full Search Facility
Print one or all pages of your manual
$31.99
This is a Schematic Diagram Manual for the BLAUPUNKT FREIBURG/MELBOURNE SQR-39 car stereo. It comprehensively covers every part of the car stereo, inside and out, and is tailored specifically for this model and series. This manual serves as a complete, user-friendly guide for servicing, repairing, and diagnosing your electronic item. It is designed to assist both professional mechanics and DIY enthusiasts in effectively addressing any issues with the car stereo.
- Comprehensive coverage of every part of the car stereo
- Designed for easy servicing, repairing, and diagnosing
- Useful for both professional mechanics and DIY enthusiasts
Whether you are a professional mechanic or a DIY enthusiast, this manual provides thorough guidance for locating and repairing any issues with the BLAUPUNKT FREIBURG/MELBOURNE SQR-39 car stereo.









