Roland juno60 juno-60 juno 60 complete service manual
This is a comprehensive service manual containing specifications, parts list, exploded views, circuit board diagrams, and more. It is an invaluable resource for both professional mechanics and DIY enthusiasts.
Whether you want to modify, circuit bend, repair, or enhance your Roland product, this manual provides detailed instructions and insights. It also offers guidance on entering the secret test mode for most products.
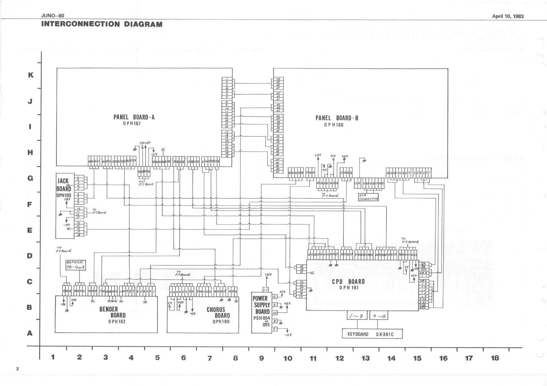
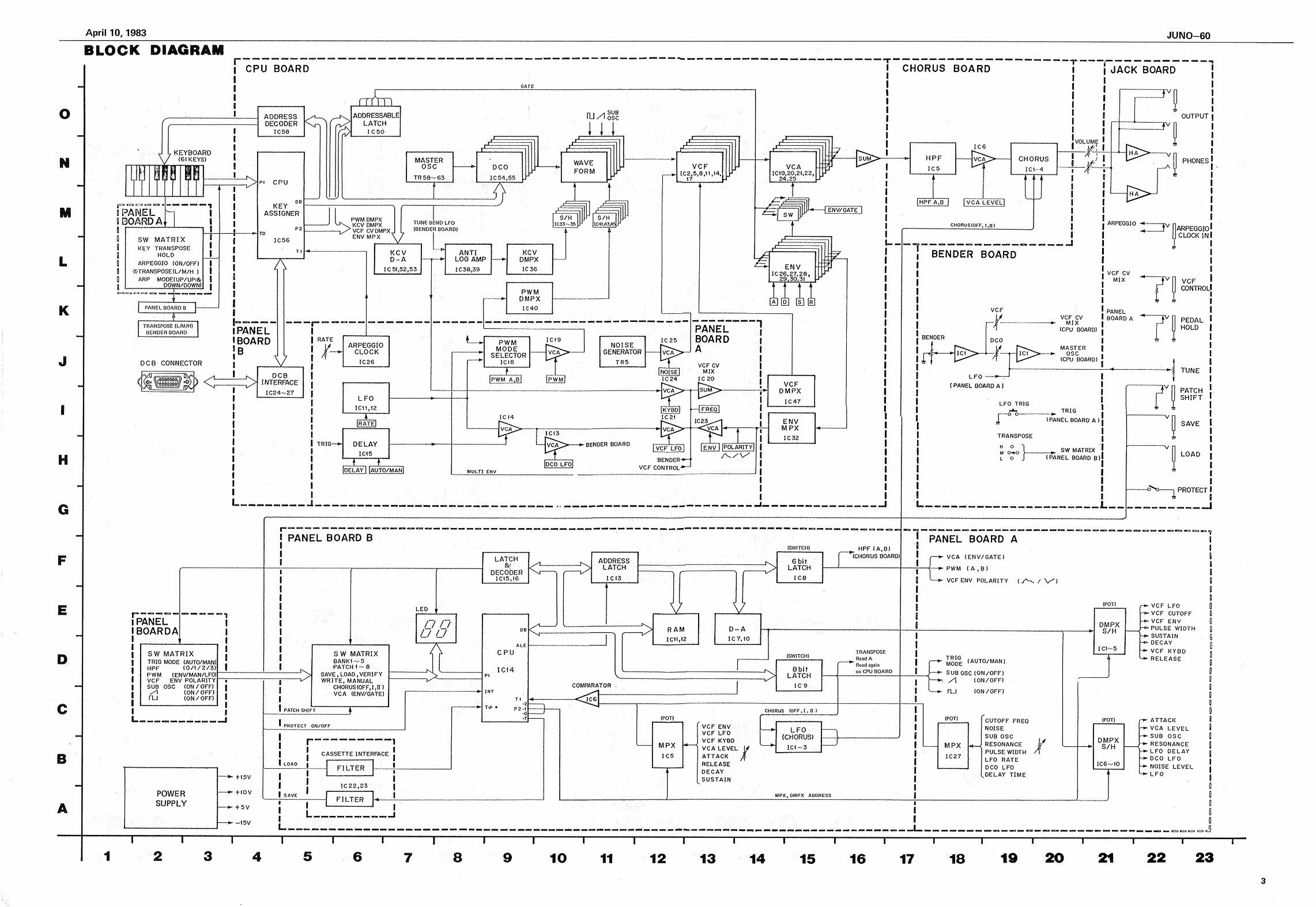
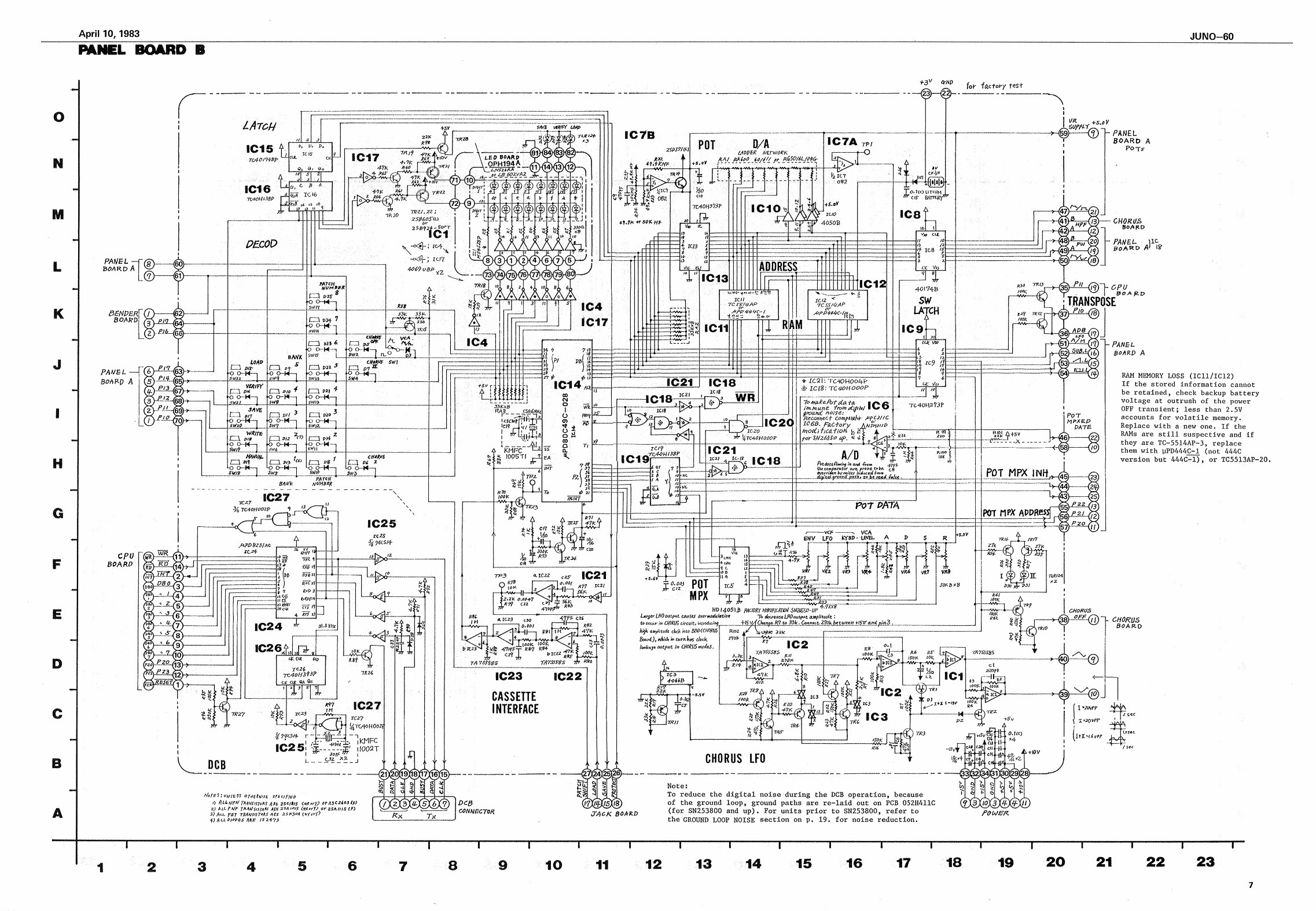
Featuring detailed content, this manual covers a wide range of topics including specifications, panel layout, circuit board layout, block diagram, disassembly procedure, LSI pin description, IC block diagram, inspection, MIDI implementation chart, overall circuit diagram, and parts list.
With high-resolution images and step-by-step instructions, this official service and repair manual ensures the best possible repair and service for your device.
Instant access to the manual is available after payment, eliminating the need for shipping and allowing you to commence repairs immediately.
- Language: English
- Format: PDF
- Platform: Windows, MAC, Linux, etc.
If you require service manuals for other Roland products, feel free to inquire!
Thank you!









