Roland fp8 fp-8 fp 8 complete service manual
This is a comprehensive service manual containing specifications, parts list, exploded views, circuit board diagrams, and more. It is an invaluable resource for both professional mechanics and DIY enthusiasts.
Whether you want to modify, circuit bend, repair, or enhance your Roland product, this manual provides detailed instructions and insights. It also includes guidance on entering the secret test mode for most products.
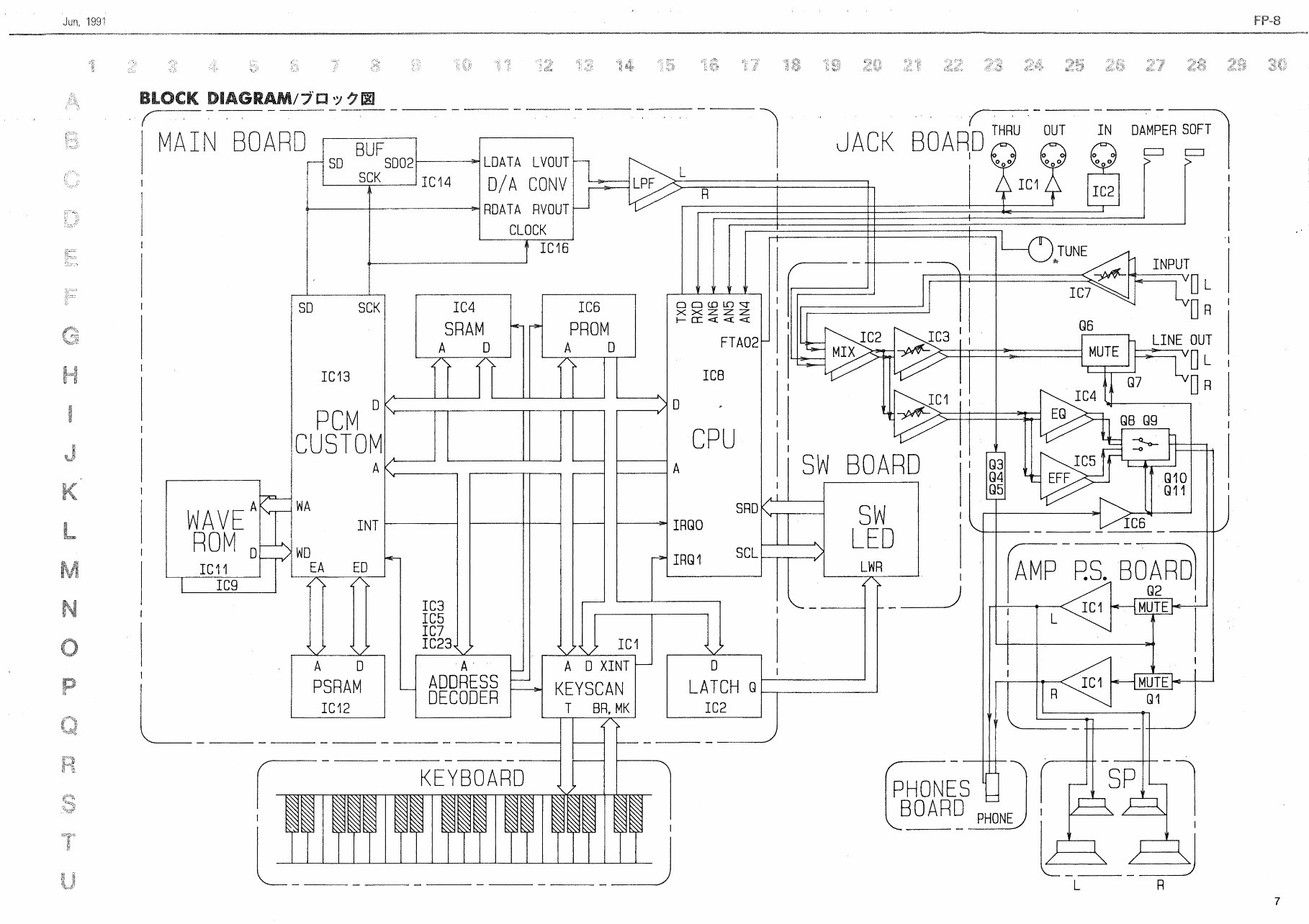
Featuring detailed content such as specifications, panel layout, circuit board layout, block diagram, disassembly procedure, LSI pin description, IC block diagram, inspection, MIDI implementation chart, overall circuit diagram, and parts list, this manual is a must-have for anyone working with Roland products.
Notably, this official service and repair manual is available in .PDF format, ensuring high-resolution quality for all printed pages. With instant access upon payment, there are no shipping fees or waiting for postal delivery, allowing you to commence repairs promptly.
- Language: English
- Format: .PDF
- Platform: Windows, MAC, Linux, etc.
If you require service manuals for other Roland products, feel free to inquire. Thank you for considering this resource!









