CANON EOS 5D Mark II REF. NO. C12-6201 (See Page 2) N. S CB3-4939 CB3-4940 CB3-4870 CB3-4869 CB3-2684 CB3-4874 CB3-3972 CB3-4859 CB3-4854 CG2-2329 CB3-4856 CB3-4855 CB3-4878 CB3-4853 CB3-4858 Pg. 1
PARTS LIST NEW PARTS NO. CLASS QTY DESCRIPTION REF. NO. C12-6201 Pg. 1 CB3-2684-000 000 C 1 SCREW CB3-3972-000 000 C 1 CAP, EXTENSION TERMINAL * CB3-4853-000 000 B 1 COVER, FRONT, LEFT * CB3-4854-000 000 B 1 TAPE, DOUBLE SIDE * CB3-4855-000 000 B 1 COVER, GRIP HOLDING * CB3-4856-000 000 B 1 TAPE, DOUBLE SIDE * CB3-4858-000 000 B 1 PLATE, NAME 1 * CB3-4859-000 000 B 1 PLATE, NAME 2 * CB3-4869-000 000 B 1 CAP, INTERFACE L * CB3-4870-000 000 B 1 CAP, INTERFACE R * CB3-4874-000 000 C 1 CASE, DATE BATTERY * CB3-4878-000 000 B 1 TAPE, DOUBLE SIDE * CB3-4939-000 000 B 1 COVER, HOLDING * CB3-4940-000 000 B 1 TAPE, DOUBLE SIDE * CG2-2329-000 000 B 1 COVER ASS'Y, BATTERY
CANON EOS 5D Mark II REF. NO. C12-6201 N. S N. S N. S CB3-2115 x2 CB3-4868 CG2-2327 CB2-0727 CB3-2114 x2 XA1-7170-409 XA4-9170-507 XA1-7170-227 x2 XA1-7170-707 x2 CB3-4149 x2 XA1-7170-407 CB3-2114 x2 CB3-5187 (See Page 3) (See Page 9) Pg. 2
PARTS LIST NEW PARTS NO. CLASS QTY DESCRIPTION REF. NO. C12-6201 CB2-0727-000 000 C 1 SCREW, M1.7X4.5 CB3-2114-000 000 F 4 SCREW CB3-2115-000 000 F 2 SCREW CB3-4149-000 000 C 2 SCREW * CB3-4868-000 000 B 1 COVER, INTERFACE * CB3-5187-000 000 B 1 SCREW, M1.7X2.5 * CG2-2327-000 000 B 1 COVER ASS'Y, FRONT XA1-7170-227 000 F 2 SCREW, CROSS-RECESS, PH XA1-7170-407 000 F 1 SCREW, CROSS-RECESS, PH XA1-7170-409 000 F 1 SCREW, CROSS-RECESS, PH S XA1-7170-707 000 F 2 SCREW XA4-9170-507 000 F 1 SCREW, CROSS-RECESS, PH Pg. 2
CANON EOS 5D Mark II REF. NO. C12-6201 CB3-4985 XA4-9170-459 CB3-2861 CB3-2860 CB3-5186 CB3-4871 CY3-1596 CB3-2112 x4 CB2-0727 XA1-7170-507 CB3-2816 (See Page 5) (See Page 10) Pg. 3
PARTS LIST NEW PARTS NO. CLASS QTY DESCRIPTION REF. NO. C12-6201 Pg. 3 CB2-0727-000 000 C 1 SCREW, M1.7X4.5 CB3-2112-000 000 F 4 SCREW CB3-2816-000 000 C 1 DOOR, CABLE CB3-2860-000 000 C 1 DIAL, DIOPTER CORRECTION CB3-2861-000 000 C 1 SCREW * CB3-4871-000 000 B 1 COVER, BOTTOM * CB3-4985-000 000 C 1 SHEET, PROTECT LIGHT * CB3-5186-000 000 C 1 SCREW, M1.7X5.5 * CY3-1596-000 000 B 1 LABEL, BODY NUMBER XA1-7170-507 000 F 1 SCREW, CROSS-RECESS, PH XA4-9170-459 000 F 1 SCREW, CROSS-RECESS, PH
CANON EOS 5D Mark II REF. NO. C12-6201 Pg. 4 (See Page 6) CB3-4845 CB3-2808 x2 CG2-2322 XA4-9200-507 x2 CB3-2875 x4 CB3-3863 CB3-5181 CB3-4993 CH1-8588 CG2-2282 XA1-7170-307 x2 XA4-9170-457 x2 VD7-2245-001 VD7-2245-001 VD7-2242-001
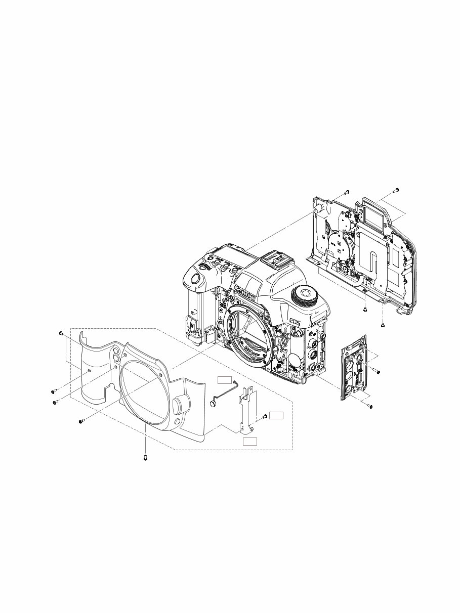
The Canon EOS 5D Mark II Parts Catalog is a comprehensive resource for professional mechanics and DIY enthusiasts. It provides detailed diagrams and lists of parts for the Canon EOS 5D Mark II camera, making it easier to identify and procure the necessary components for repairs and maintenance.
Whether you're a professional technician or an avid photographer who enjoys fixing your own equipment, this parts catalog is an invaluable tool for ensuring the proper functioning of your Canon EOS 5D Mark II camera.