calcActive())">
MARANTZ 250 STEREO POWER AMPLIFIER Repair Manual
What's Included?
Fast Download Speeds
Online & Offline Access
Access PDF Contents & Bookmarks
Full Search Facility
Print one or all pages of your manual
Viewed 72 Times Today
Secure transaction
What's Included?
Fast Download Speeds
Online & Offline Access
Access PDF Contents & Bookmarks
Full Search Facility
Print one or all pages of your manual
$30.99
Get the repair manual for the MARANTZ 250 STEREO POWER AMPLIFIER. This manual provides a step-by-step guide with illustrations for easy repairs. It is suitable for both professional mechanics and DIY enthusiasts.
- Introduction
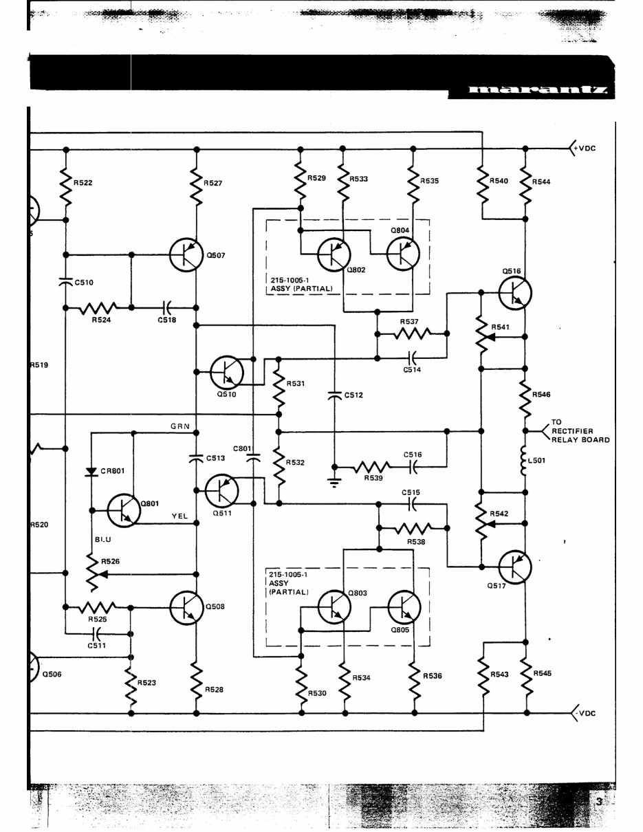
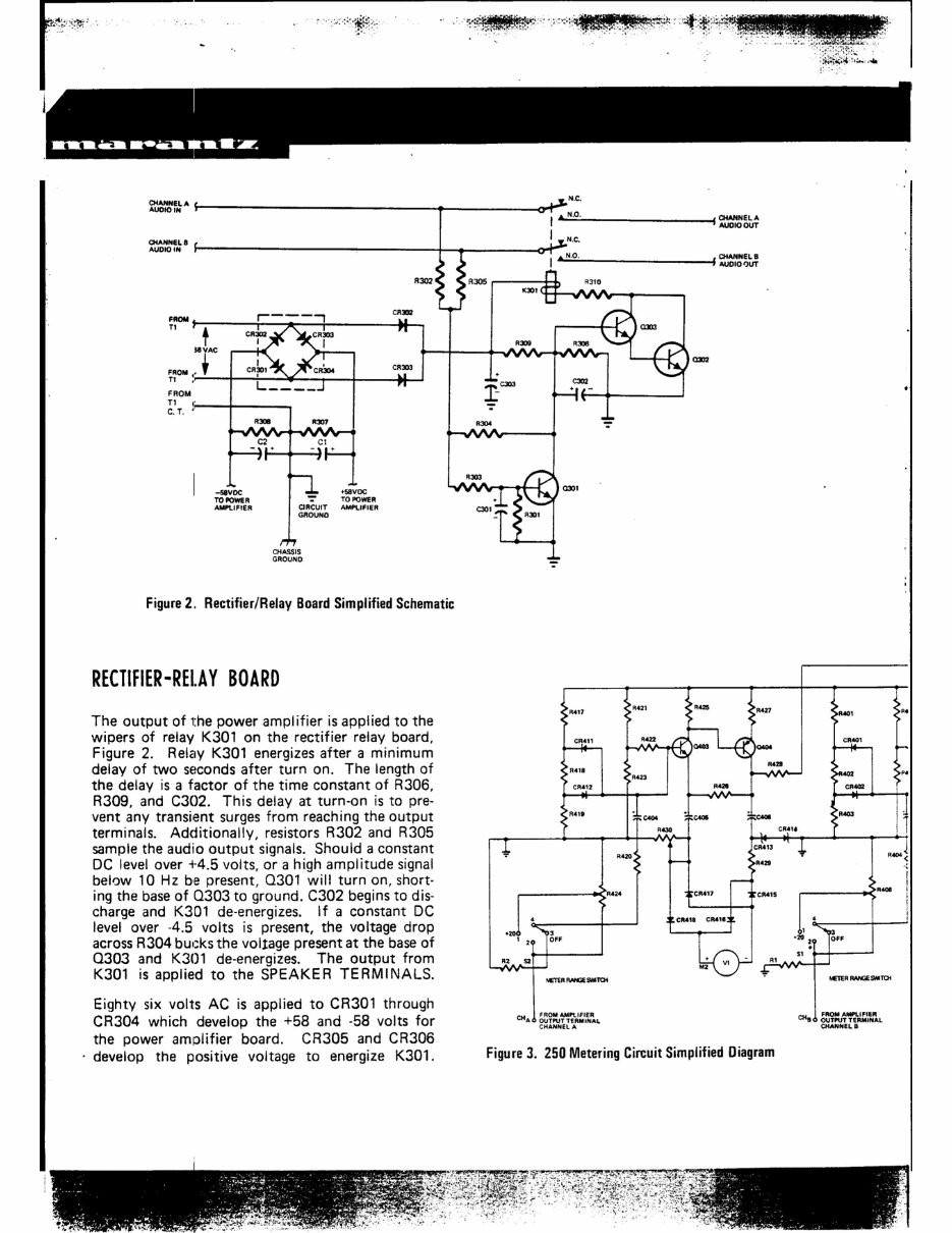
- Circuit Description
- Meter Description
- 100,220-Volt Conversion
- Technical Specifications
- Performance Verification
- Trouble Analysis
- Parts List
- Component Layout Diagrams
- Schematic
- Plus more...
Total Pages: 29
Format: PDF
Language: English
Compatible with: Win/Mac
- Printable Manual
- Easy To Follow
- Step By Step Instructions
- Diagrams/Pictures Included
- No Technical knowledge or Skills Needed
- Save $$$
Grab your own copy now!









