R260
R260 (EU)
R260 X-Series
Skid-Steer Loader
®
Form No.
50950172
PARTS MANUAL
Revision A
03/14
Introduction
For your safety and continued proper operation,
use only genuine GEHL® service parts. When or-
dering service parts, specify the correct part num-
ber, full description, quantity required, the unit
model number and serial number.
The model and serial number decal for this unit is
located on the left chassis upright. “Right” and
“Left” are determined from a position sitting on
the seat and facing forward.
Manitou Americas reserves the right to make
changes or improvements in the design or con-
struction of any part of the unit without incurring
the obligation to install such changes on any previ-
ously delivered units.
NOTE: Purchase equivalent, quality tires for your
loader. Contact your dealer for replacement tire
information.
NOTE: Replacement batteries are not provided by
the GEHL Company. For battery specifications
see “Electrical-Chassis” chapter. ALL REPLACE-
MENT BATTERIES MUST BE PURCHASED
LOCALLY.
Refer to the abbreviations table located on this
page for the various fastener descriptions. Stan-
dard attaching hardware torque values are also
provided on the inside back cover. If a part re-
quires lubrication or a nonstandard torque val-
ue, it will be specified behind the part number
description in parenthesis.
Items shown in the parts list that do not have part
numbers are shown for reference purposes only
and are NOT available for purchase.
Dimensions are in inches unless otherwise speci-
fied.
NOTE: The following abbreviations and symbols
may be used herein:
A . . . . . . . . . . . . . . . . . . . . . . . . . . . . . . . Ampere
AR . . . . . . . . . . . . . . . . . . . . . . . . . . As Required
ASSY . . . . . . . . . . . . . . . . . . . . . . . . . . . . . ASSY
AUX . . . . . . . . . . . . . . . . . . . . . . . . . . . Auxiliary
CCA . . . . . . . . . . . . . . Cold Cranking Amperage
CYL . . . . . . . . . . . . . . . . . . . . . . . . . . . . Cylinder
DH . . . . . . . . . . . . . . . . . . . . . . . . . . . Dual Hand
DJS . . . . . . . . . . . . . . . . . . . . . . . . . Dual Joystick
FL . . . . . . . . . . . . . . . . . . . . . . . . . . . . . . . . . Flare
FOPS . . . . . . Falling Object Protective Structure
GA . . . . . . . . . . . . . . . . . . . . . . . . . . . . . . . Gauge
HEX . . . . . . . . . . . . . . . . . . . . . . . . . . . . Hexagon
H/F . . . . . . . . . . . . . . . . . . . . . . . . . . . Hand/Foot
HF . . . . . . . . . . . . . . . . . . . . . . . . . . . High-Flow
HYD . . . . . . . . . . . . . . . . . . . . . . . . . . . Hydraulic
JIC . . . . . . . . . . . . . . . . . Joint Industrial Council
kW . . . . . . . . . . . . . . . . . . . . . . . . . . . . . Kilowatt
LBS . . . . . . . . . . . . . . . . . . . . . . . . . . . . . Pounds
M . . . . . . . . . . . . . . . . . . . . . . . . . . . . . . . . Meter
MM (mm) . . . . . . . . . . . . . . . . . . . . . Millimeter
NA . . . . . . . . . . . . . . . . . . . . Naturally Aspirated
N/A . . . . . . . . . . . . . . . . . . . . . . . Not Applicable
NEG . . . . . . . . . . . . . . . . . . . . . . . . . . . . Negative
N•m . . . . . . . . . . . . . . . . . . . . . . . . Newton meter
NO . . . . . . . . . . . . . . . . . . . . . . . . . . . . . Number
NPT . . . . . . . . . . . . . . . . . . National Pipe Thread
NSS . . . . . . . . . . . . . . . . . . . Not Sold Separately
PN . . . . . . . . . . . . . . . . . . . . . . . . . . Part Number
POS . . . . . . . . . . . . . . . . . . . . . . . . . . . . . Positive
PSI . . . . . . . . . . . . . . . . . Pounds per Square Inch
QTY . . . . . . . . . . . . . . . . . . . . . . . . . . . . Quantity
REF . . . . . . . . . . . . . . . . . . . . . . . . . . . Reference
REQ'D .. . . . . . . . . . . . . . . . . . . . . . . . . . Required
ROPS . . . . . . . . . . Roll Over Protective Structure
RPM . . . . . . . . . . . . . . . . Revolutions Per Minute
SAE . . . . . . . . Society of Automotive Engineers
SN . . . . . . . . . . . . . . . . . . . . . . . . Serial Number
SQ . . . . . . . . . . . . . . . . . . . . . . . . . . . . . . Square
ST . . . . . . . . . . . . . . . . . . . . . . . . . . . . . . . Straight
TB . . . . . . . . . . . . . . . . . . . . . . . . . . . . . . . T-Bar
TB/JS . . . . . . . . . . . . . . . . . . . . . . T-Bar/Joystick
TURBO . . . . . . . . . . . . . . . . . . . . . Turbocharger
V . . . . . . . . . . . . . . . . . . . . . . . . . . . . . . . . . Volt
GEHL is a registered trademark of Manitou Americas, Inc.
DESCRIPTION PAGE
TABLE OF CONTENTS
SECTION A: MAIN LOADER COMPONENT
Chassis (includes HVAC, Heater-Only and Power-A-Tach
®
) . . . . . . . . . . . . . . . . . . . . . . . . . . . . . 1
Grille and Engine Cover . . . . . . . . . . . . . . . . . . . . . . . . . . . . . . . . . . . . . . . . . . . . . . . . . . . . . . . . . 21
ROPS/FOPS Structure/Interior (includes Non-HVAC, Heater-Only and HVAC) . . . . . . . . . . . . . 25
Restraint Bar . . . . . . . . . . . . . . . . . . . . . . . . . . . . . . . . . . . . . . . . . . . . . . . . . . . . . . . . . . . . . . . . . . 33
Seat and Seat Belt Options . . . . . . . . . . . . . . . . . . . . . . . . . . . . . . . . . . . . . . . . . . . . . . . . . . . . . . . 35
Lift Arm . . . . . . . . . . . . . . . . . . . . . . . . . . . . . . . . . . . . . . . . . . . . . . . . . . . . . . . . . . . . . . . . . . . . . 43
Attachment Bracket (includes Power-A-Tach
®
) . . . . . . . . . . . . . . . . . . . . . . . . . . . . . . . . . . . . . . 45
Wheel Drives . . . . . . . . . . . . . . . . . . . . . . . . . . . . . . . . . . . . . . . . . . . . . . . . . . . . . . . . . . . . . . . . . 49
Engine . . . . . . . . . . . . . . . . . . . . . . . . . . . . . . . . . . . . . . . . . . . . . . . . . . . . . . . . . . . . . . . . . . . . . . . 51
Air Cleaner/Exhaust . . . . . . . . . . . . . . . . . . . . . . . . . . . . . . . . . . . . . . . . . . . . . . . . . . . . . . . . . . . . 57
Radiator/Cooler . . . . . . . . . . . . . . . . . . . . . . . . . . . . . . . . . . . . . . . . . . . . . . . . . . . . . . . . . . . . . . . 61
Hydrostatic System with Drive Motors . . . . . . . . . . . . . . . . . . . . . . . . . . . . . . . . . . . . . . . . . . . . . 63
Hydraulics - Chassis (with Auxiliary Hydraulics and Hydraglide™) . . . . . . . . . . . . . . . . . . . . . . 71
Hydraulics - Lift Arm . . . . . . . . . . . . . . . . . . . . . . . . . . . . . . . . . . . . . . . . . . . . . . . . . . . . . . . . . . . 95
Controls - Wheel Drives - Lift/Tilt . . . . . . . . . . . . . . . . . . . . . . . . . . . . . . . . . . . . . . . . . . . . . . . . . 99
Controls - Engine . . . . . . . . . . . . . . . . . . . . . . . . . . . . . . . . . . . . . . . . . . . . . . . . . . . . . . . . . . . . . 111
Electrical - Chassis (includes Hydraglide™) . . . . . . . . . . . . . . . . . . . . . . . . . . . . . . . . . . . . . . . . 113
Electrical - ROPS/FOPS . . . . . . . . . . . . . . . . . . . . . . . . . . . . . . . . . . . . . . . . . . . . . . . . . . . . . . . . 119
Electrical - Lights . . . . . . . . . . . . . . . . . . . . . . . . . . . . . . . . . . . . . . . . . . . . . . . . . . . . . . . . . . . . . 125
Electrical - Engine . . . . . . . . . . . . . . . . . . . . . . . . . . . . . . . . . . . . . . . . . . . . . . . . . . . . . . . . . . . . 127
Electrical - Control . . . . . . . . . . . . . . . . . . . . . . . . . . . . . . . . . . . . . . . . . . . . . . . . . . . . . . . . . . . . 131
Electrical - 14-Pin Auxiliary Connector . . . . . . . . . . . . . . . . . . . . . . . . . . . . . . . . . . . . . . . . . . . . 133
Four-Point Lift . . . . . . . . . . . . . . . . . . . . . . . . . . . . . . . . . . . . . . . . . . . . . . . . . . . . . . . . . . . . . . . 135
Sound Suppression . . . . . . . . . . . . . . . . . . . . . . . . . . . . . . . . . . . . . . . . . . . . . . . . . . . . . . . . . . . . 137
Brake Release . . . . . . . . . . . . . . . . . . . . . . . . . . . . . . . . . . . . . . . . . . . . . . . . . . . . . . . . . . . . . . . . 149
Tires . . . . . . . . . . . . . . . . . . . . . . . . . . . . . . . . . . . . . . . . . . . . . . . . . . . . . . . . . . . . . . . . . . . . . . . 151
Decals . . . . . . . . . . . . . . . . . . . . . . . . . . . . . . . . . . . . . . . . . . . . . . . . . . . . . . . . . . . . . . . . . . . . . . 154
SECTION B: HYDRAULIC COMPONENTS and HVAC/HEATER HOUSINGS
Lift Cylinder . . . . . . . . . . . . . . . . . . . . . . . . . . . . . . . . . . . . . . . . . . . . . . . . . . . . . . . . . . . . . . . . . 165
Tilt Cylinder . . . . . . . . . . . . . . . . . . . . . . . . . . . . . . . . . . . . . . . . . . . . . . . . . . . . . . . . . . . . . . . . . 167
Drive Motors with Parking Brake . . . . . . . . . . . . . . . . . . . . . . . . . . . . . . . . . . . . . . . . . . . . . . . . 169
Tandem Pumps . . . . . . . . . . . . . . . . . . . . . . . . . . . . . . . . . . . . . . . . . . . . . . . . . . . . . . . . . . . . . . . 173
Gear Pumps - Single and Double . . . . . . . . . . . . . . . . . . . . . . . . . . . . . . . . . . . . . . . . . . . . . . . . . 181
Self-Leveling Valve . . . . . . . . . . . . . . . . . . . . . . . . . . . . . . . . . . . . . . . . . . . . . . . . . . . . . . . . . . . 185
Solenoid Valves - Lift and Tilt . . . . . . . . . . . . . . . . . . . . . . . . . . . . . . . . . . . . . . . . . . . . . . . . . . . 187
Solenoid Valves - Brake, Joystick Supply and Brake Release . . . . . . . . . . . . . . . . . . . . . . . . . . . 189
Main Control Valves . . . . . . . . . . . . . . . . . . . . . . . . . . . . . . . . . . . . . . . . . . . . . . . . . . . . . . . . . . . 191
Hydraglide™ Ride Control Manifold Valve . . . . . . . . . . . . . . . . . . . . . . . . . . . . . . . . . . . . . . . . 195
Condensor, Heater Housing and HVAC Housing Assembly . . . . . . . . . . . . . . . . . . . . . . . . . . . . 197
Foot Valve . . . . . . . . . . . . . . . . . . . . . . . . . . . . . . . . . . . . . . . . . . . . . . . . . . . . . . . . . . . . . . . . . . . 199
(continued on next page)
DESCRIPTION PAGE
TABLE OF CONTENTS
SECTION C: FILTER LISTING, KITS AND ACCESSORIES
Filter Listing, Analysis Kits and Other Available Accessories . . . . . . . . . . . . . . . . . . . . . . . 200
50850001 Counterweight Kit . . . . . . . . . . . . . . . . . . . . . . . . . . . . . . . . . . . . . . . . . . . . . . . . . . . 201
50352739 Auxiliary Coupler Service Kits . . . . . . . . . . . . . . . . . . . . . . . . . . . . . . . . . . . . . . . . . 201
811496 Warning Lamp Kit . . . . . . . . . . . . . . . . . . . . . . . . . . . . . . . . . . . . . . . . . . . . . . . . . . . . . 202
811488 Rearview Mirror Kit . . . . . . . . . . . . . . . . . . . . . . . . . . . . . . . . . . . . . . . . . . . . . . . . . . . . 203
811489 AM/FM Radio Kit . . . . . . . . . . . . . . . . . . . . . . . . . . . . . . . . . . . . . . . . . . . . . . . . . . . . . 204
3-Point Restraint - 2" Seat Belt 810426 and 3" Seat Belt 810427 . . . . . . . . . . . . . . . . . . . . . . . 205
50850344 Backup Alarm Kit for T-Bar Controls . . . . . . . . . . . . . . . . . . . . . . . . . . . . . . . . . . . . 206
805855 Engine Block Heater Kit . . . . . . . . . . . . . . . . . . . . . . . . . . . . . . . . . . . . . . . . . . . . . . . . 207
50850284 Cab Door Kit . . . . . . . . . . . . . . . . . . . . . . . . . . . . . . . . . . . . . . . . . . . . . . . . . . . . . . . 208
811487 Side Window Kit . . . . . . . . . . . . . . . . . . . . . . . . . . . . . . . . . . . . . . . . . . . . . . . . . . . . . . 210
Seat Belt Kits - 2" 810424 and 3" 810425 . . . . . . . . . . . . . . . . . . . . . . . . . . . . . . . . . . . . . . . . . 211
Seat Kits - Suspension 810422 and Standard 810423 . . . . . . . . . . . . . . . . . . . . . . . . . . . . . . . . . 211
810946 Universal Radio Kit . . . . . . . . . . . . . . . . . . . . . . . . . . . . . . . . . . . . . . . . . . . . . . . . . . . . 212
811486 Backup Alarm Kit for Dual Joystick and Hand/Foot . . . . . . . . . . . . . . . . . . . . . . . . . . . 213
50850341 Dual Flasher Kit . . . . . . . . . . . . . . . . . . . . . . . . . . . . . . . . . . . . . . . . . . . . . . . . . . . . . 214
50850116 Impact-Resistant Front Door Kit . . . . . . . . . . . . . . . . . . . . . . . . . . . . . . . . . . . . . . . . 215
50850328 Four-Point Lift Kit . . . . . . . . . . . . . . . . . . . . . . . . . . . . . . . . . . . . . . . . . . . . . . . . . . . 216
50850357 Rear Wiper Kit . . . . . . . . . . . . . . . . . . . . . . . . . . . . . . . . . . . . . . . . . . . . . . . . . . . . . . 217
50850475 Electric Attachment Control Kit . . . . . . . . . . . . . . . . . . . . . . . . . . . . . . . . . . . . . . . . 218
50850457 Single-Point Lift Kit . . . . . . . . . . . . . . . . . . . . . . . . . . . . . . . . . . . . . . . . . . . . . . . . . . 219
50850374 Power-A-Tach Kit . . . . . . . . . . . . . . . . . . . . . . . . . . . . . . . . . . . . . . . . . . . . . . . . . . . 220
50450384 Completing Kit for all Power-A-Tach Kits . . . . . . . . . . . . . . . . . . . . . . . . . . . . . . . . 222
50850395 Cab Heater Kit . . . . . . . . . . . . . . . . . . . . . . . . . . . . . . . . . . . . . . . . . . . . . . . . . . . . . . 223
50850556 Pre-Cleaner Kit (Non-DPF Models) . . . . . . . . . . . . . . . . . . . . . . . . . . . . . . . . . . . . . . 226
50850572 (EU & X-Series) Backup Alarm Kit . . . . . . . . . . . . . . . . . . . . . . . . . . . . . . . . . . . . . 227
SECTION D: SCHEMATICS
Electrical Schematic - HVAC . . . . . . . . . . . . . . . . . . . . . . . . . . . . . . . . . . . . . . . . . . . . . . . . . . . 229
Electrical Schematic - Heater/Defroster . . . . . . . . . . . . . . . . . . . . . . . . . . . . . . . . . . . . . . . . . . . 230
Electrical Schematic - 14-Pin Connector . . . . . . . . . . . . . . . . . . . . . . . . . . . . . . . . . . . . . . . . . . 231
Hydrostatic/Hydraulic Schematic - Hand/Foot . . . . . . . . . . . . . . . . . . . . . . . . . . . . . . . . . . . . . . 232
Hydrostatic/Hydraulic Schematic - Dual Joystick . . . . . . . . . . . . . . . . . . . . . . . . . . . . . . . . . . . 233
Hydrostatic/Hydraulic Schematic - T-Bar . . . . . . . . . . . . . . . . . . . . . . . . . . . . . . . . . . . . . . . . . . 234
Hydrostatic/Hydraulic Schematic - Dual Hand . . . . . . . . . . . . . . . . . . . . . . . . . . . . . . . . . . . . . . 235
Electrical Schematic - Engine . . . . . . . . . . . . . . . . . . . . . . . . . . . . . . . . . . . . . . . . . . . . . . . . . . . 236
Electrical Schematic - Chassis . . . . . . . . . . . . . . . . . . . . . . . . . . . . . . . . . . . . . . . . . . . . . . . . . . 238
Electrical Schematic - ROPS . . . . . . . . . . . . . . . . . . . . . . . . . . . . . . . . . . . . . . . . . . . . . . . . . . . . 240
Numerical Index . . . . . . . . . . . . . . . . . . . . . . . . . . . . . . . . . . . . . . . . . . . . . . . . . . . . . . . . . . . . . 242
O-Ring Table, Coupling & Adapter Torque Table . . . . . . . . . . . . . . . . . . . . . . . . . . . . . . . . . . . 257
Torque Specifications Table . . . . . . . . . . . . . . . . . . . . . . . . . . . . . . . . . . . . . . . . . Inside Back Cover
PRINTED IN USA 50950172/AP0314 1
SECTION A: MAIN LOADER COMPONENTS
Chassis (includes HVAC, Heater-Only and Power-A-Tach®) . . . . . . . . . . . . . . . . . . . . . . 1
Grille and Engine Cover . . . . . . . . . . . . . . . . . . . . . . . . . . . . . . . . . . . . . . . . . . . . . . . . . . 21
ROPS/FOPS Structure/Interior (includes Non-HVAC, Heater-Only and HVAC) . . . . . . 25
Restraint Bar . . . . . . . . . . . . . . . . . . . . . . . . . . . . . . . . . . . . . . . . . . . . . . . . . . . . . . . . . . . 33
Seat and Seat Belt Options . . . . . . . . . . . . . . . . . . . . . . . . . . . . . . . . . . . . . . . . . . . . . . . . 35
Lift Arm . . . . . . . . . . . . . . . . . . . . . . . . . . . . . . . . . . . . . . . . . . . . . . . . . . . . . . . . . . . . . . 43
Attachment Bracket (includes Power-A-Tach®) . . . . . . . . . . . . . . . . . . . . . . . . . . . . . . . 45
Wheel Drives . . . . . . . . . . . . . . . . . . . . . . . . . . . . . . . . . . . . . . . . . . . . . . . . . . . . . . . . . . 49
Engine . . . . . . . . . . . . . . . . . . . . . . . . . . . . . . . . . . . . . . . . . . . . . . . . . . . . . . . . . . . . . . . . 51
Air Cleaner/Exhaust . . . . . . . . . . . . . . . . . . . . . . . . . . . . . . . . . . . . . . . . . . . . . . . . . . . . . 57
Radiator/Cooler . . . . . . . . . . . . . . . . . . . . . . . . . . . . . . . . . . . . . . . . . . . . . . . . . . . . . . . . . 61
Hydrostatic System with Drive Motors . . . . . . . . . . . . . . . . . . . . . . . . . . . . . . . . . . . . . . 63
Hydraulics - Chassis (with Auxiliary Hydraulics and Hydraglide™) . . . . . . . . . . . . . . . 71
Hydraulics - Lift Arm . . . . . . . . . . . . . . . . . . . . . . . . . . . . . . . . . . . . . . . . . . . . . . . . . . . . 95
Controls - Wheel Drives - Lift/Tilt . . . . . . . . . . . . . . . . . . . . . . . . . . . . . . . . . . . . . . . . . . 99
Controls - Engine . . . . . . . . . . . . . . . . . . . . . . . . . . . . . . . . . . . . . . . . . . . . . . . . . . . . . . 111
Electrical - Chassis (includes Hydraglide™) . . . . . . . . . . . . . . . . . . . . . . . . . . . . . . . . . 113
Electrical - ROPS/FOPS . . . . . . . . . . . . . . . . . . . . . . . . . . . . . . . . . . . . . . . . . . . . . . . . . 119
Electrical - Lights . . . . . . . . . . . . . . . . . . . . . . . . . . . . . . . . . . . . . . . . . . . . . . . . . . . . . . 125
Electrical - Engine . . . . . . . . . . . . . . . . . . . . . . . . . . . . . . . . . . . . . . . . . . . . . . . . . . . . . 127
Electrical - Control . . . . . . . . . . . . . . . . . . . . . . . . . . . . . . . . . . . . . . . . . . . . . . . . . . . . . 131
Electrical - 14-Pin Auxiliary Connector . . . . . . . . . . . . . . . . . . . . . . . . . . . . . . . . . . . . . 133
Four-Point Lift . . . . . . . . . . . . . . . . . . . . . . . . . . . . . . . . . . . . . . . . . . . . . . . . . . . . . . . . 135
Sound Suppression . . . . . . . . . . . . . . . . . . . . . . . . . . . . . . . . . . . . . . . . . . . . . . . . . . . . . 137
Brake Release . . . . . . . . . . . . . . . . . . . . . . . . . . . . . . . . . . . . . . . . . . . . . . . . . . . . . . . . . 149
Tires . . . . . . . . . . . . . . . . . . . . . . . . . . . . . . . . . . . . . . . . . . . . . . . . . . . . . . . . . . . . . . . . 151
Decals . . . . . . . . . . . . . . . . . . . . . . . . . . . . . . . . . . . . . . . . . . . . . . . . . . . . . . . . . . . . . . . 154
SECTION A: MAIN LOADER COMPONENTS
1 50950172/AP0314 PRINTED IN USA
SEE NOTE 1
NOTES:
1. APPLY HI-TACK GASKET ADHESIVE
2. APPLY OIL-RESISTANT RTV
3. APPY PIPE THREAD SEALANT
4. SHIM AS REQUIRED
SEE NOTE 2
2
8
11
7
SEE NOTE 3
VENTED LOCKING FUEL
CAP SHOWN, GEHL SERVICE
PART NUMBER 132051
14
3
30
14
15
39
9
27
12
25
38
19
20
1
6
29
39
22
42
36
16
21
35
5
35
10
34
31
32
23
37
SAME BOTH SIDES
41
42
9
33
24
3
38
38
42
42
9
13
42
4
38
9
4
41
3
37
23
26
15
SEE NOTE 4
40 SEE NOTE 2
DETAIL A
SAME BOTH SIDES
SEE DETAIL A
18
28
9
38
9
43
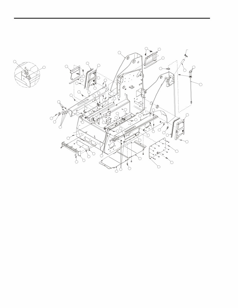
CHASSIS
50450431
SN 175579 and Up
PRINTED IN USA 50950172/AP0314 2
Ref. Part
No. No. Description Quantity
1 071706 NUT/LOCK 1/2 2
2 072343 GASKET/FUEL SENDER 1
3 081380 SCREW/CAP HEX FLANGE LOCKING 5/16 X 3/4 8
4 090666 NUT/LOCK SERRATED FLANGE 3/8 4
5 092164 SCREW/CAP HEX FLANGE LOCKING 1/2 X 1-1/4 6
6 131522 PLUG MORB12 1
7 131529 PLUG MORB08 1
8 132050 STRAINER/FUEL FILL 1
650702 SCREW/TAPPING PAN HEAD THREAD FORMING #6 X 3/8 2
9 134853 NUT/SPIRALOCK™ 1/2 10
10 138593 ASSY/CHAINCASE COVER 2
11 184670 PLUG/PIPE SQUARE SOCKET MP12 2
12 189144 STOP/DOWN 2
13 191826 PLUG/HOLE 4
14 193706 LATCH/SWELL 4
15 194271 STRIP/FOAM 1/4 X 1-1/2 X 15-13/16 2
16 195138 SCREW/TAPPING HEX WASHER HEAD THREAD ROLL 3/8 X 3/4 4
17 210-19470 NUT/HEX FLANGE SERRATED LOCK 5/16 6
18 230-32588 VENT/AIR 2
19 240903 PLUG/PASS THROUGH 2
20 241233 FILLER/ROPS RIGHT 1
21 241234 FILLER/ROPS LEFT 1
22 242675 COVER/CLEAN-OUT 1
23 244559 SEAL/BULB 90° 2
24 245238 SEAL/FILLER PLATE 2
25 310-32585 SCREW/CAP FLAT HARDENED 1/2 X 1-1/2 2
26 310-32624 SCREW/CAP SELF-TAPPING #10 X 5/8 5
27 360-32599 SHIM 6
28 50302792 SENDER/FUEL 1
29 50350493 CHASSIS SIDE COVER/LEFT 1
30 50350496 CHASSIS SIDE COVER/RIGHT 1
31 50350568 COVER/LOWER LEFT 1
32 50350570 FENDER/WLDMT/LEFT 1
33 50350572 FENDER/WLDMT/RIGHT 1
34 50350573 COVER/LOWER RIGHT 1
35 50352457 PAN/BELLY 2
36 50352769 STEP 1
37 50353776 WELDMT/CHASSIS 1
38 650527 BOLT/CARRIAGE ROUND HEAD SQUARE NECK 1/2 X 1/-14 10
39 650573 BOLT/CARRIAGE 5/16 X 1 2
40 651042 SCREW/MACHINE HEX WASHER HEAD 3/8 X 1 28
41 651067 BOLT/CARRIAGE ROUND HEAD SQUARE NECK 3/8 X 1 4
42 651648 SCREW/TAPPING HEX WASHER HEAD THREAD ROLL 5/16 X 3/4 7
43 L43846 PLUG MP08 2
CHASSIS
3 50950172/AP0314 PRINTED IN USA
NOTE 1
NOTES:
1. APPLY HI-TACK GASKET ADHESIVE
2. APPLY OIL-RESISTANT RTV
3. APPY PIPE THREAD SEALANT
NOTE 3
NOTE 2
NOTE 3
2
11
7
40
13
6
NOTE 2
VENTED LOCKING FUEL
CAP SHOWN, GEHL SERVICE
PART NUMBER 132051
17
16
35
3
30
16
17
39 13
9
10
28
14 27
38
21
22
1
5
29
39
12
24
44
37
18
23
42
36
4
36
12
34
31
32
25
25
35
NOTE 2
10
9
43
41
44
20
9
40
33
NOTE 2
26
3
9 10
35
38
38
38
44
44
9
10
15
35
44
8
38
10
35
9
10
9
10
8
41
3
CHASSIS
50450064
SN 175578 and Before
PRINTED IN USA 50950172/AP0314 4
Ref. Part
No. No. Description Quantity
1 071706 NUT/LOCK 1/2 2
2 072343 GASKET/FUEL SENDER 1
3 081380 SCREW/CAP HEX FLANGE LOCKING 5/16 X 3/4 4
4 092164 SCREW/CAP HEX FLANGE LOCKING 1/2 X 1-1/4 6
5 131522 PLUG MORB12 1
6 131529 PLUG MORB08 1
7 132050 STRAINER/FUEL FILL 1
650702 SCREW/TAPPING PAN HEAD THREAD FORMING #6 X 3/8 2
8 090666 NUT/LOCK SERRATED FLANGE 3/8 4
9 134853 NUT/SPIRALOCK™ 1/2 10
10 134966 WASHER/FLAT HARDENED 1/2 10
11 136013 FUEL SENSOR/VDO 1
12 138593 ASSY/CHAINCASE COVER 2
13 184670 PLUG/PIPE SQUARE SOCKET MP12 2
14 189144 STOP/DOWN 2
15 191826 PLUG/HOLE 4
16 193706 LATCH/SWELL 4
17 194271 STRIP/FOAM 1/4 X 1-1/2 X 15-13/16 2
18 195138 SCREW/TAPPING HEX WASHER HEAD THREAD ROLL 3/8 X 3/4 4
19 210-19470 NUT/HEX FLANGE SERRATED LOCK 5/16 2
20 230-32588 VENT/AIR 2
21 240903 PLUG/PASS THROUGH 2
22 241233 FILLER/ROPS RIGHT 1
23 241234 FILLER/ROPS LEFT 1
24 242675 COVER/CLEAN-OUT 1
25 244559 SEAL/BULB 90° 2
26 245238 SEAL/FILLER PLATE 2
27 310-32585 SCREW/CAP FLAT HARDENED 1/2 X 1-1/2 2
28 360-32599 SHIM 6
29 50350493 CHASSIS SIDE COVER/LEFT 1
30 50350496 CHASSIS SIDE COVER/RIGHT 1
31 50350568 COVER/LOWER LEFT 1
32 50350570 FENDER/WLDMT/LEFT 1
33 50350572 FENDER/WLDMT/RIGHT 1
34 50350573 COVER/LOWER RIGHT 1
35 50350775 WELDMT/CHASSIS 1
36 50352457 PAN/BELLY 2
37 50352769 STEP 1
38 650573 BOLT/CARRIAGE 5/16 X 1 2
39 651042 SCREW/MACHINE HEX WASHER HEAD 3/8 X 1 28
40 651067 BOLT/CARRIAGE ROUND HEAD SQUARE NECK 3/8 X 1 4
41 651312 SCREW/MACHINE TRUSS HEAD SLOTTED CROSS-RECESSED #10 X 1/2 5
42 651324 BOLT/CARRIAGE ROUND HEAD SQUARE NECK 1/2 X 1-1/2 10
43 651648 SCREW/TAPPING HEX WASHER HEAD THREAD ROLL 5/16 X 3/4 7
CHASSIS
5 50950172/AP0314 PRINTED IN USA
2
4
3
4
3
3
1
3
1
1
4
2
3
CHASSIS
Rear Bumper and Counterweight
50450308_50450002
You're Reading a Preview
What's Included?
Lifetime Access
Access PDF Contents & Bookmarks
Print one or all pages of your manual
Add to Cart
$31.99
$41.99