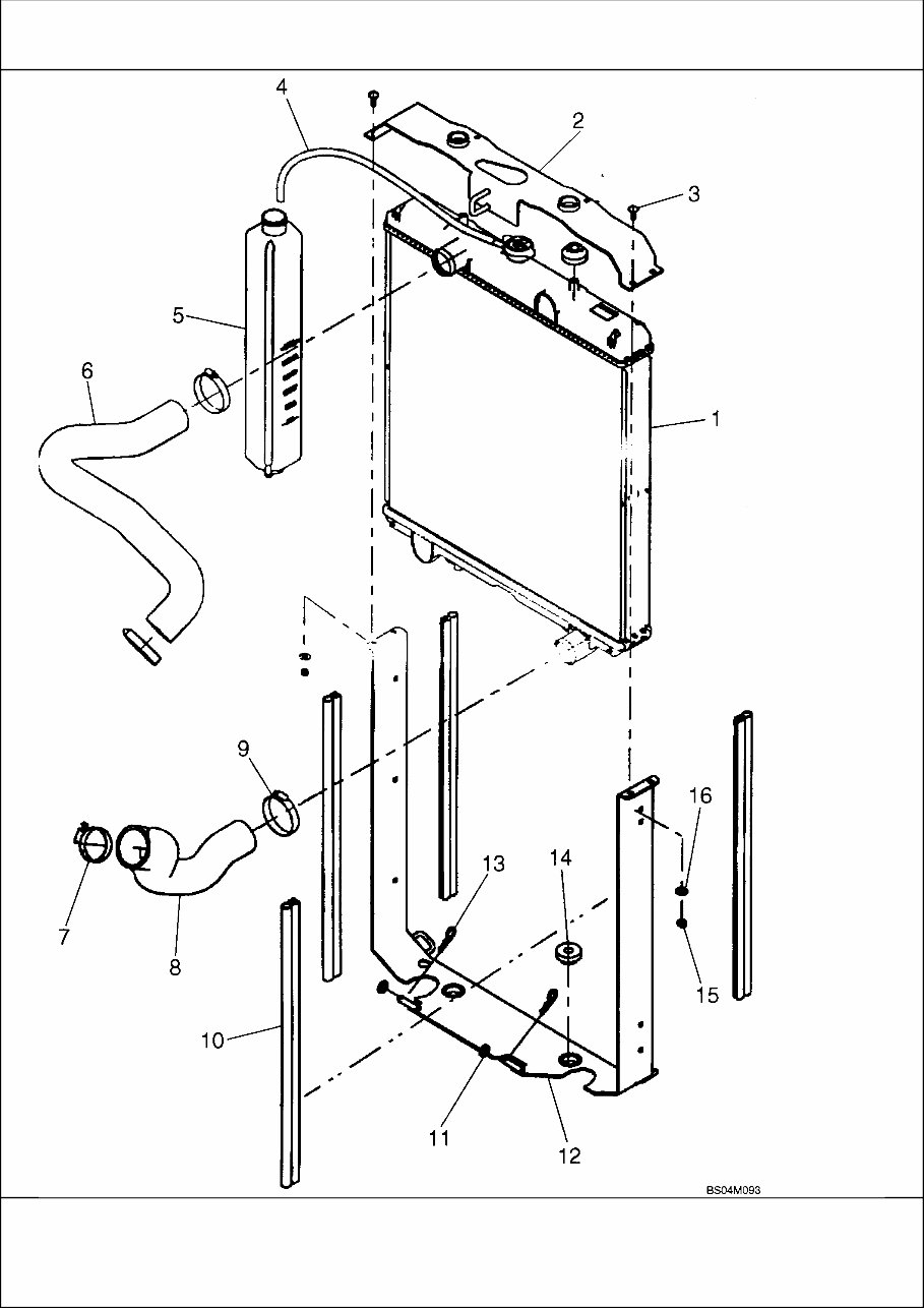
Ref Part Number Qty Description 430 SKID STEER (2/05- ) 02-01 RADIATOR - COOLANT RECOVERY SYSTEM 1 87013856 1 RADIATOR, Incl. 1A, 1B 1A 87032485 1 FITTING, Drain 1B 87032486 1 CAP, RADIATOR, 2 87459340 1 FRAME, Upper Radiator; Component Parts Not Serviced Separately 3 280638 4 BOLT, CARRIAGE, Short NK, 1/4"-20 x 3/4", G5, Full Thd, 4 87023365 1 HOSE, Coolant Recovery 5 87020980 1 RESERVOIR, COOLANT EXPNSN, Incl. Cap 257884A1 257884A1 1 PLUG, 6 87040170 1 HOSE ASSY., Upper Radiator 7 45014 1 CLAMP, #40, 2.06/3.00 Type F Worm, Type F #40 8 87040171 1 HOSE, Lower Radiator 9 86050202 3 CLAMP, #32, 1.56/2.50 Type F Worm, 10 87033635 4 SEAL, 11 86624176 2 WASHER, M10 x 20 x 2, M10 x 20 x 2 12 87050449 1 FRAME ASSY, Lower Radiator 13 216698 2 PIN, SPLIT (COTTER), 14 87017045 4 CUSHION, 15 7770 4 NUT, 1/4"-20, G5, 15 322358 4 WASHER, SPRING, Belleville, M8,
430 SKID STEER (2/05- ) 02-02 FAN MOUNTING
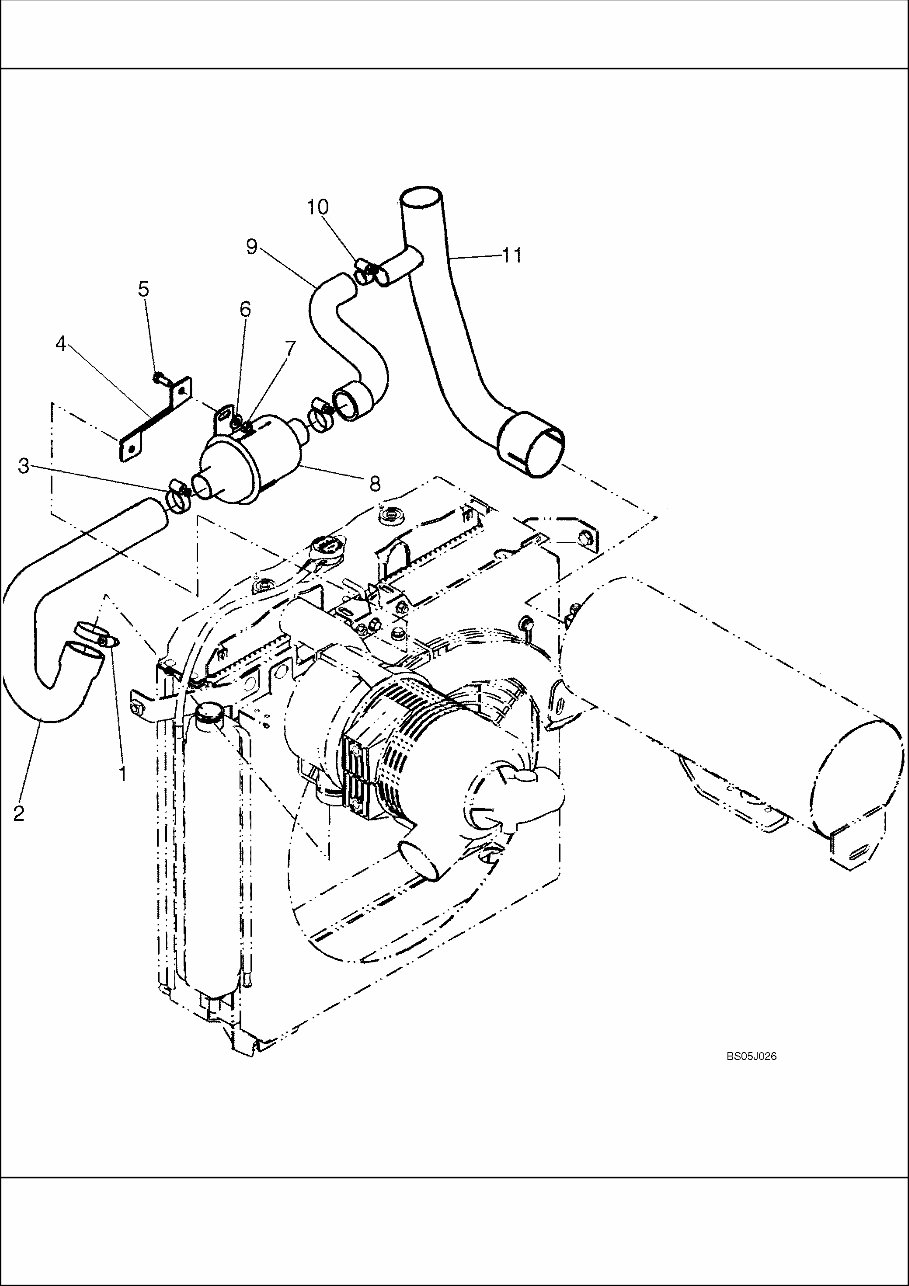
Ref Part Number Qty Description 430 SKID STEER (2/05- ) 02-02 FAN MOUNTING 1 87025470 1 FAN, 480 mm 2 A189252 1 SPACER, Fan 3 140045 4 WASHER, SPRING, Belleville, M10, 4 120071 4 SCREW, Hex, M10 x 65, 8.8, 5 87046889 1 SHROUD ASSY., 6 86508748 4 BOLT, CARRIAGE, Short NK, 3/8"-16 x 3/4", G5, Full Thd, If Used 6 80280503 4 BOLT, CARRIAGE, Short NK, 3/8"-16 x 1", G5, Full Thd, Short NK, 3/8"-16 x 1", G5, Full Thd; If Used 7 120104 3 SCREW, Hex, M8 x 20, 8.8, 8 322358 3 WASHER, SPRING, Belleville, M8, 9 86624184 3 WASHER, M8 x 16 x 1.6, M8 x 16 x 1.6 10 87046887 1 GUARD, Fan 11 REF 1 INSTRUCTION, See Figure 06-01, Oil Cooler
This illustrated parts catalog provides comprehensive part information and numbers for the Case Factory 430 Skid Steer Loader. It includes all the factory parts details required to accurately identify the correct part numbers for the loader, encompassing engine parts.
The catalog features detailed illustrations and exploded views, which are invaluable for disassembly, repair, and reassembly of the skid steer. Additionally, the parts list exploded views aid in servicing, rebuilding, teardowns, overhauls, repairs, and adjustments.
With its searchability and bookmarking features, finding specific information is effortless. The manual is compatible with all computer systems and can be easily zoomed, printed, and viewed.
The contents of the manual cover general information, engine, fuel system, electrical system, power train, brakes, hydraulics, chassis, attachment, and an index. Having access to a parts catalog not only saves time and money but also enhances your knowledge when ordering parts.
For optimal viewing, ensure you have the latest version of Acrobat Reader. If you encounter any issues, consider upgrading to the newest version of Adobe Acrobat Reader.
For any additional manuals you may require, feel free to reach out as there is a wide selection available.
Recently Viewed
5,521,897Happy Clients
2,594,462eManuals
1,120,453Trusted Sellers
15Years in Business
Price:
Actual Price:
Case 430 Skid Steer Loader Illustrated Parts List Manual Catalog -