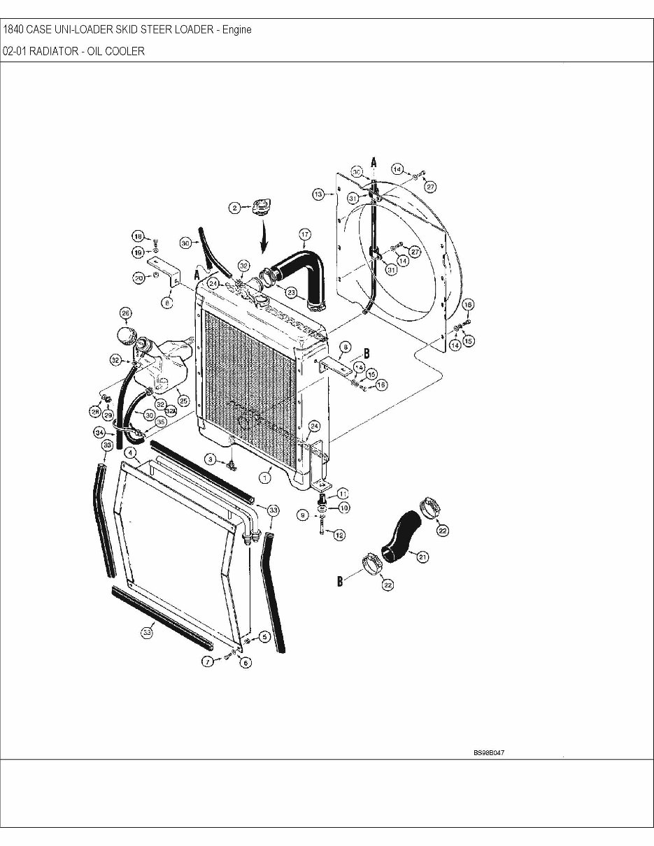
1840 CASE UN I-LOADER SKID STEER LOADER - Engine 02-01A RADIATOR - OIL COOLER (HEAVY DUTY) Ref Part Number Qty Description 252930A1 1 RADIATOR, Heavy Duty 2 284358A1 2 SEAL, 3 230745A1 2 SEAL, 4 252931A2 COOLER, OIL, 5 275891A1 HOSE ASSY., 6 275892A1 HOSE ASSY., 7 A184544 SPACER, 8 814-10050 4 BOLT, Hex, M10 x 50,8.8,
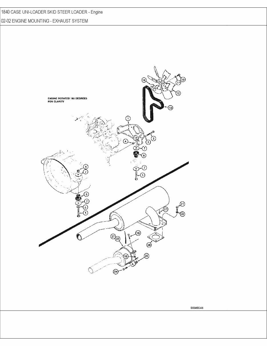
1840 CASE UN I-LOADER SKID STEER LOADER - Engine 02-02 ENGINE MOUNTING - EXHAUST SYSTEM ENGINE ROTATED 1~O DEGREES FOR CLARITY 88988048
1840 CASE UN I-LOADER SKID STEER LOADER - Engine 02-02 ENGINE MOUNTING - EXHAUST SYSTEM Ref Part Number 247 421A 1 2 814-12085 3 495-11053 4 A170309 5 814-16090 6 495-21069 7 496-81025 8 A 140221 8 308706A1 9 832-10416 10 43140 10 814-10070 10 814-10075 11 496-21041 12 1998736C1 12 301849A1 13 J911558 13 J911559 13 J911558 14 H437716 14 H437612 14 A184545 14 A184523 15 A189113 16 117000A1 26 298119A1 17 217-77 18 413-624 19 232-4616 20 J912220 21 613-10025 22 892-11010 23 1347886C1 24 413-620 25 231-5146 27 NSS Qty Description 1 SUPPORT, Rear; Replaces D131504 4 BOLT, Hex, M12 x 85,8.8, 12 - 1.75 x 85 mm 4 WASHER, 1/2", SAE, Replaces 195-533 2 RING, 3 BOLT, Hex, M16 x 90,8.8, Replaces 413-1056 2 WASHER, 5/8", 11/16 x 1-3/4 x 9/64 in 5-6 WASHER, 21/32" x 21/2" x .188", HDN, 3 MOUNTING PARTS, North American Models SUPPORT, European Models 2 NUT, LOCK, M16 x 2, CI 8, Replaces 232-14110 4 BOLT, Hex, M10 x 30, 8.8, Full Thd, Models Without Emissions Certified Engine; Replaces 614-10030 4 BOLT, Hex, M10 x 70,8.8, 10 - 1.5 x 70 mm; Models With Emissions Certified Engine With Fuel Injection Pump J933090, See Figure 03-07 4 BOLT, Hex, M10 x 75,8.8, 10 - 1.5 x 80 mm; Models With Emissions Certified Engine With Fuel Injection Pump J935679, See Figure 03-08 4 WASHER, 13/32" x 13/16" x .089", HDN, FAN, Models Without Emissions Certified Engine; Replaces A173543 FAN, Models With Emissions Certified Engine; Replaces A173543, 1998736C1 BELT, European Models - JAF0098065; North American Models - JAF0118968 BELT, 1574.8 MM Long 89DBA Noise Kit; European Models JAF0098065 -; North American Models JAF0118968 - BELT, 1498.6 MM Long; Models With Emissions Certified Engine SPACER, Aluminum; Models Without Emissions Certified Engine; If Used SPACER, Steel; Models Without Emissions Certified Engine; If Used SPACER, Models With Emissions Certified Engine With Fuel Injection Pump J933090, See Figure 03-07 SPACER, Models With Emissions Certified Engine With Fuel Injection Pump J935679, See Figure 03-08; Replaces D142327 MUFFLER, Standard; Models Without Emissions Certified Engine MUFFLER, Spark Arresting; Replaces 1 03319A 1; Models Without Emissions Certified Engine; Incl. 17 - 19 MUFFLER, Spark Arresting; Models With Emissions Certified Engine; Incl. Ref 17 -19,27; Replaces 103319A1 PLUG, 3/8 inch PT BOLT, Hex, 3/8"-16 x 11/2", G5, NUT, LOCK, 3/8"-24, GC, GASKET, Steel 4 BOLT, Hex, M10 x 25,8.8, Full Thd, 10 - 1.5 x 25 mm 4 WASHER, LOCK, M10, SUPPORT, Models Without Emissions Certified Engine 1-2 BOLT, Hex, 3/8"-16 x 11/4", G5, Full Thd, If used 1-2 NUT, Fig, USR, 3/8"-16, If used 1 NOT SERVICED SEPARATELY, BRACKET; Muffler; Models With Emissions Certified Engine
1840 CASE UN I-LOADER SKID STEER LOADER - Engine 02-03 AIR CLEANER - MOUNTING PARTS A 8902966
1840 CASE UN I-LOADER SKID STEER LOADER - Engine 02-03 AIR CLEANER - MOUNTING PARTS Ref Part Number A189348 NSS F84999 2 NSS 3 L30338 4 224-2205 5 A173290 6 A 173291 7 078354 8 037976 9 S113982 9 A189052 10 A184598 11 0128303 12 214-1452 13 L113910 14 413-612 15 231-5146 16 214-1456 17 036264 18 221-1335 19 L103131 20 1983233C1 20 292950A1 20 293797A1 21 221-1401 Qty Description 1 AIR CLEANER, Incl. 1 - 10 NOT SERVICED SEPARATELY, Body; Air Cleaner CLAMP, Air Cleaner; Incl. 2 - 4 NOT SERVICED SEPARATELY, Clamp; Cap Retaining BOLT, NUT, Sq, 5/16"-24, FILTER, ELEMENT, Primary; Outer FILTER, ELEMENT, Secondary; Inner 2 NUT, WING, Incl. Washer GASKET, Air Cleaner Element CAP, If Used VALVE, DUST, 2 inch (51 mm); If Used COVER, Cap; Air Cleaner HOSE, Air Cleaner; Intake CLAMP, HOSE, #52, 2.81/3.75 Type F Worm, 2-13/16 - 3-3/4 in; Air Cleaner Hose To Air Cleaner 2 CLAMP, Air Cleaner Mounting; Incl. Hardware 4 BOLT, Hex, 3/8"-16 x 3/4", G5, Full Thd, 3/8 NC x 3/4 inch 4 NUT, Fig, USR, 3/8"-16, CLAMP, HOSE, #56, 3.06/4.00 Type F Worm, 3-1/16 -4 in; Air Cleaner Hose To Engine FITTING, Air Filter Restriction Indicator; Used With REF 19 COUPLING, Pipe, 1/8" NPT, 1/8 inch INDICATOR, Air Filter Restriction Indicator; No Longer Available, For Service, Order REF 20 INDICATOR, Restriction; Air Cleaner; Models Without Emissions Certified Engine; No Longer Available, Order 292950A 1 SWITCH, Models Without Emissions Certified Engine SWITCH, RESTRICTION, Air Cleaner; Not Illustrated; Models with Emissions Certified Engine ELBOW, 458, 1/8"-27, NPT, 45, 1/8 inch PT; Used With REF 20, 1983233C1; If Used
1840 CASE UN I-LOADER SKID STEER LOADER - Engine 02-03A AIR CLEANER - MOUNTING PARTS, 4-390 EMISSIONS CERTIFIED ENGINE 1 2 10-~ 4 ~ 6 5 BS03C169
The Complete Case 1840 Skid Steer Loader Illustrated Parts Catalog is a comprehensive manual providing all necessary information and part numbers for your Case Skid Steer.
This manual is useful for both professional mechanics and DIY enthusiasts, offering features such as bookmarks, searchable text, an index, and improved quality.
It is available in English and compatible with all versions of Windows, Mac, iOS, BB, Android, and more, with instant access and no waiting time.
Spanning across 618 pages, it is fully searchable, bookmarked, and indexed for convenience, featuring detailed illustrations and exploded views.
The Parts Catalog is invaluable for examining the various components of your tractor, essential for disassembly, repair, or reassembly, as well as servicing, rebuilding, teardowns, overhauls, repairs, and adjustments.
Its searchability and bookmarking capabilities make it incredibly easy to find specific information, allowing for viewing, zooming, and printing on any computer.
This comprehensive catalog covers a wide range of components, including the engine, fuel system, electrical system, power train, brakes, hydraulics, chassis, and accessories.
Investing in a parts catalog not only saves time and money but also ensures being well-informed when ordering parts.
Please note that some documents may require the latest version of Acrobat Reader to display correctly.
We have a vast collection of manuals available, so feel free to email us about any other manuals you may need.
Recently Viewed
5,521,897Happy Clients
2,594,462eManuals
1,120,453Trusted Sellers
15Years in Business
Price:
Actual Price:
Case 1840 Skid Steer Loader Illustrated Parts List Manual Catalog -