IHI 28N Mini Excavator Parts Catalog
IHI 28N Mini Excavator Parts Catalog
Serial Numbers Covered:
- WL000001 and up
This IHI 28N Mini Excavator Parts Catalog provides a complete breakdown of factory-original components for the IHI 28N mini excavator. Designed for mechanics, parts specialists, and equipment owners, this catalog is a crucial reference for identifying and ordering the correct replacement parts across all machine systems.
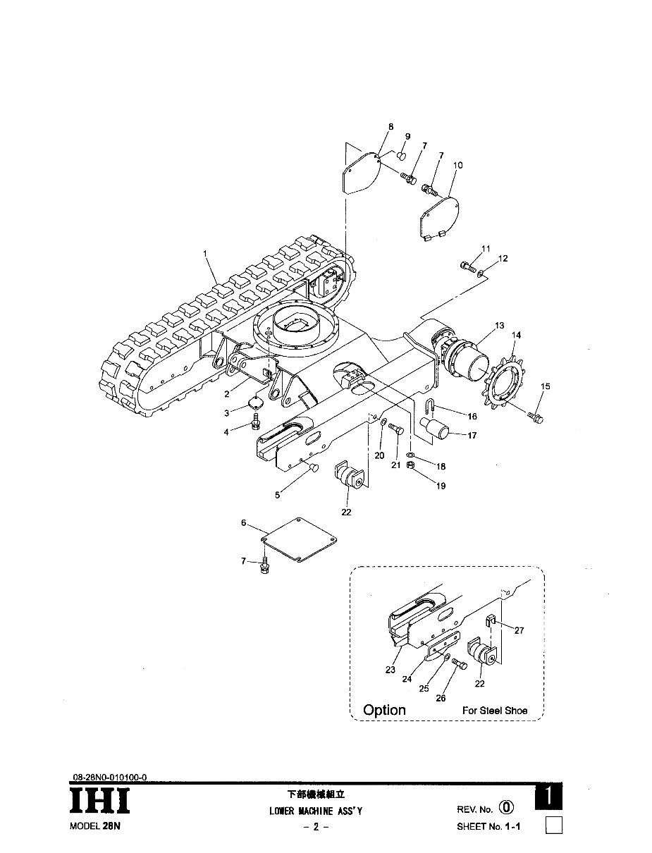
The manual includes detailed exploded diagrams and labeled part numbers for every major assembly, from the hydraulic circuits to the undercarriage. It's organized into system-based sections and includes a comprehensive parts index to speed up lookup and sourcing.
This catalog is invaluable when performing repairs, overhauls, or maintenance planning — especially when dealing with OEM part numbers, component compatibility, or ordering from suppliers.
Content Overview:
- Lower Machine
- Turntable
- Swing Drive Device
- Hydraulic Piping
- Hydraulic Instrument
- Operating Controls
- Power Unit
- Cab & Related Parts
- Electric System
- Tools & Accessories
- Hoe Attachment
- Blade Attachment
- Option Specification
- Parts Index
This catalog is a must-have for workshop technicians and owners of the IHI 28N looking to maintain or restore equipment with accuracy and confidence.
Printable: Yes
Language: English
Compatibility: Works on all devices (Windows, Mac, iOS, Android)
Requirements: PDF reader (e.g. Adobe Reader)









