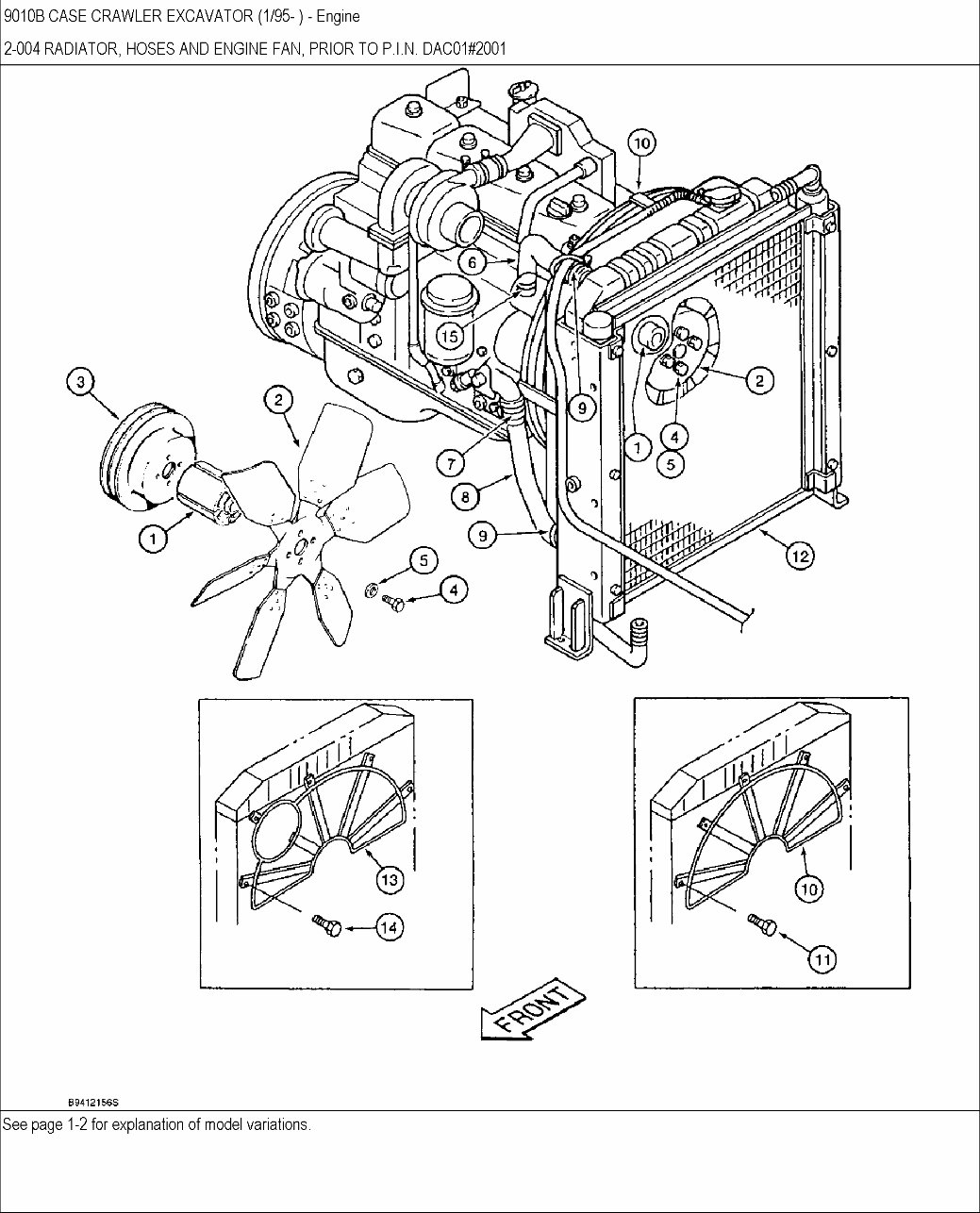
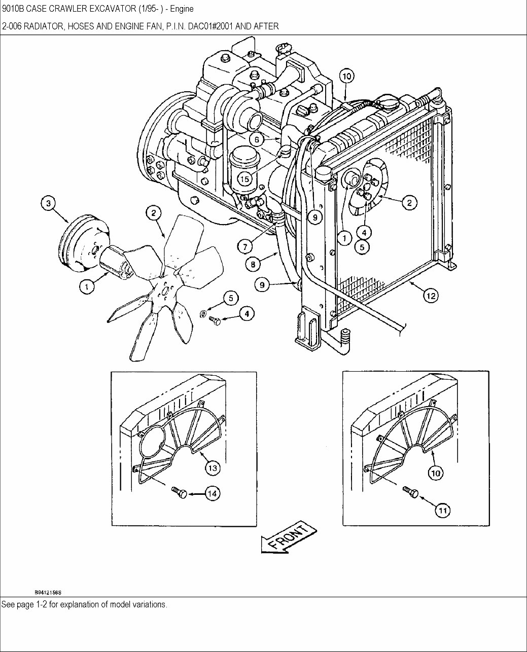
CASE 9010B Excavator Parts Catalog Manual
This parts catalog is an essential resource for anyone working with the CASE 9010B excavator. It provides detailed parts explosions and exploded views, with breakdowns of all part numbers for every aspect of the machine, including the engine. Whether you're a professional mechanic or a DIY enthusiast, this manual is invaluable for servicing, rebuilding, teardowns, overhauls, repairs, and adjustments.
The easy-to-read exploded views make part number identification and accurate ordering a breeze, ensuring correct repairs. With 496 pages of comprehensive information and a file size of 34Mb, this English-language manual contains all the original parts information necessary for looking up the correct part numbers for the entire machine, including engine parts.
Whether you're a professional mechanic or a DIY enthusiast, this manual is invaluable for servicing, rebuilding, teardowns, overhauls, repairs, and adjustments.
If you have any questions or need further assistance, feel free to reach out. We may have the manual you've been searching for. Have a great day!









