CASE 780B CK BACKHOE Loader Parts Catalog Manual
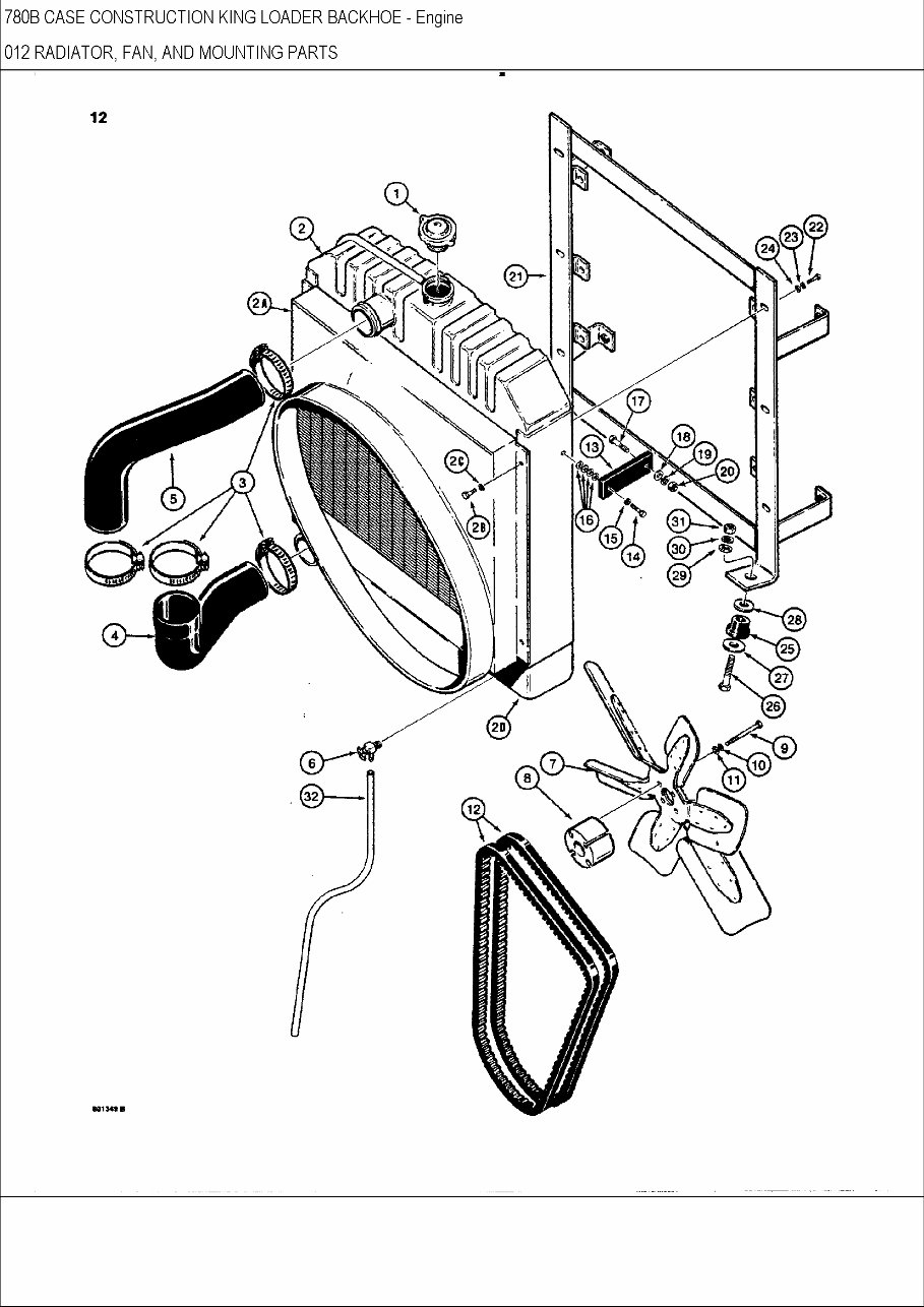
This parts catalog is an essential resource for anyone working with the CASE 780B Construction King Backhoe Loader. It provides detailed parts explosions and breakdowns of all part numbers, including engine parts. Whether you're a professional mechanic or a DIY enthusiast, this manual is invaluable for servicing, rebuilding, teardowns, overhauls, repairs, and adjustments.
The easy-to-read exploded views facilitate part number identification, accurate ordering, and correct repairs. With 478 pages of comprehensive information and a file size of 29Mb, this English-language manual is a crucial tool for understanding how all the components fit together.
Whether you're a professional mechanic or a DIY enthusiast, this manual is invaluable for servicing, rebuilding, teardowns, overhauls, repairs, and adjustments. It contains all the original parts information needed to lookup correct part numbers for the entire machine, including engine parts.
If you have any questions or need further assistance, feel free to reach out. We may have the manual you've been searching for. Have a great day!









