CASE 680H CK BACKHOE Loader Parts Catalog Manual
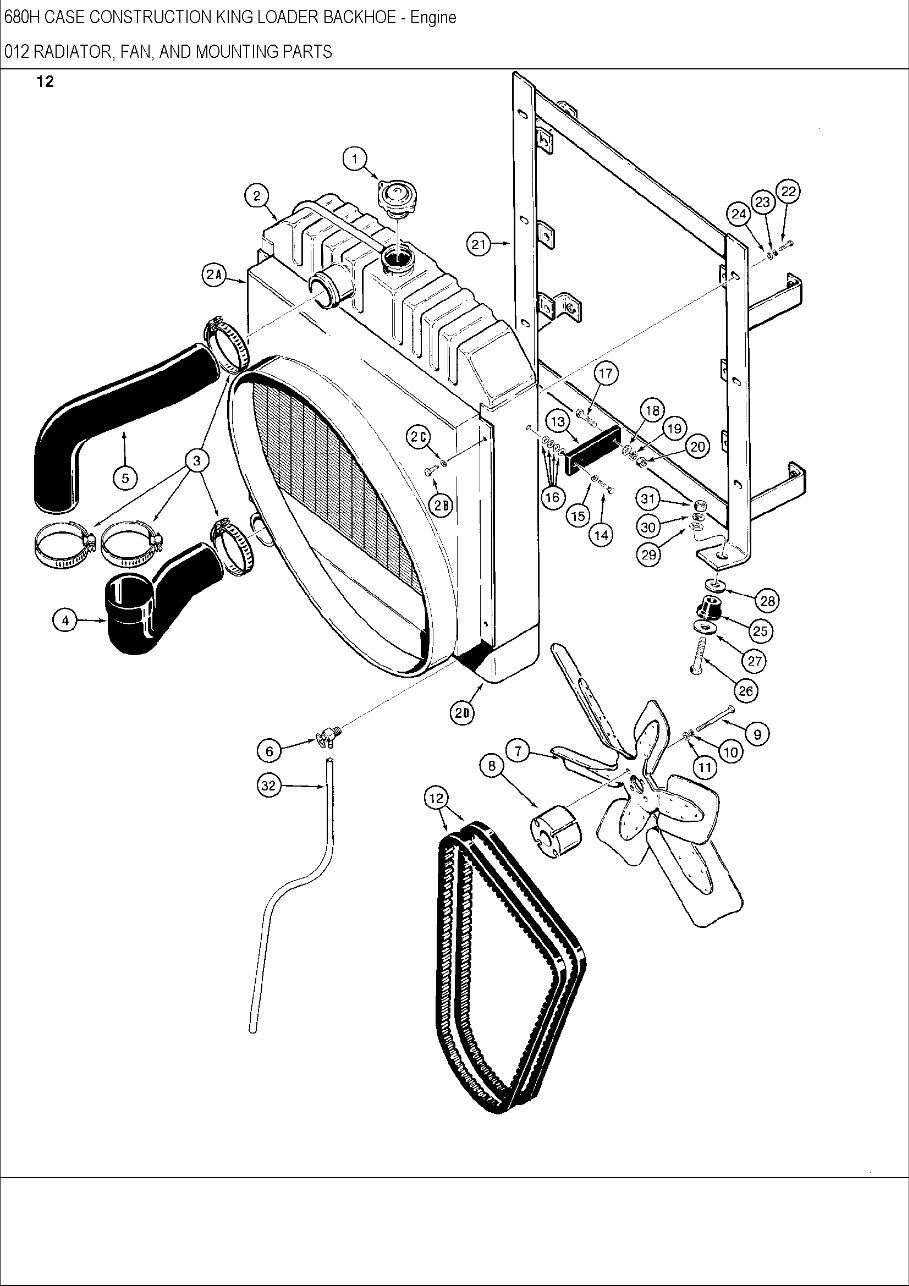
This parts catalog is an essential resource for anyone working with the CASE 680H Construction King Backhoe Loader. It provides detailed parts explosions and exploded views, covering all aspects of the machine, including a comprehensive breakdown of engine parts. Whether you're a professional mechanic or a DIY enthusiast, this manual is invaluable for tractor parts lookup and understanding how everything fits together.
The parts list exploded views are particularly useful for servicing, rebuilding, teardowns, overhauls, repairs, and adjustments. The easy-to-read exploded views facilitate accurate part number identification, ensuring correct ordering and ultimately leading to proper repairs. With 469 pages and a file size of 31Mb, this English-language manual contains all the original parts information necessary for identifying the correct part numbers for the entire machine, including engine parts.
It's a valuable resource for anyone seeking to maintain or repair the CASE 680H Construction King Backhoe Loader. Whether you're a professional mechanic or a DIY enthusiast, this manual is an indispensable tool for understanding and maintaining your machine.
If you have any questions or if there's a specific manual you've been searching for, feel free to reach out. We may have the manual you've been looking for all this time. Have a great day!









