Case 580G Backhoe Loader Parts Catalog

What's Included?
Download Lifetime Access
Fast Download Speeds
Online & Offline Access
Access PDF Contents & Bookmarks
Full Search Facility
Print one or all pages of your manual
Viewed 48 Times Today Fire
Trust Guard Security Scanned
Secure transaction
What's Included?
Download Lifetime Access
Fast Download Speeds
Online & Offline Access
Access PDF Contents & Bookmarks
Full Search Facility
Print one or all pages of your manual
$48.99

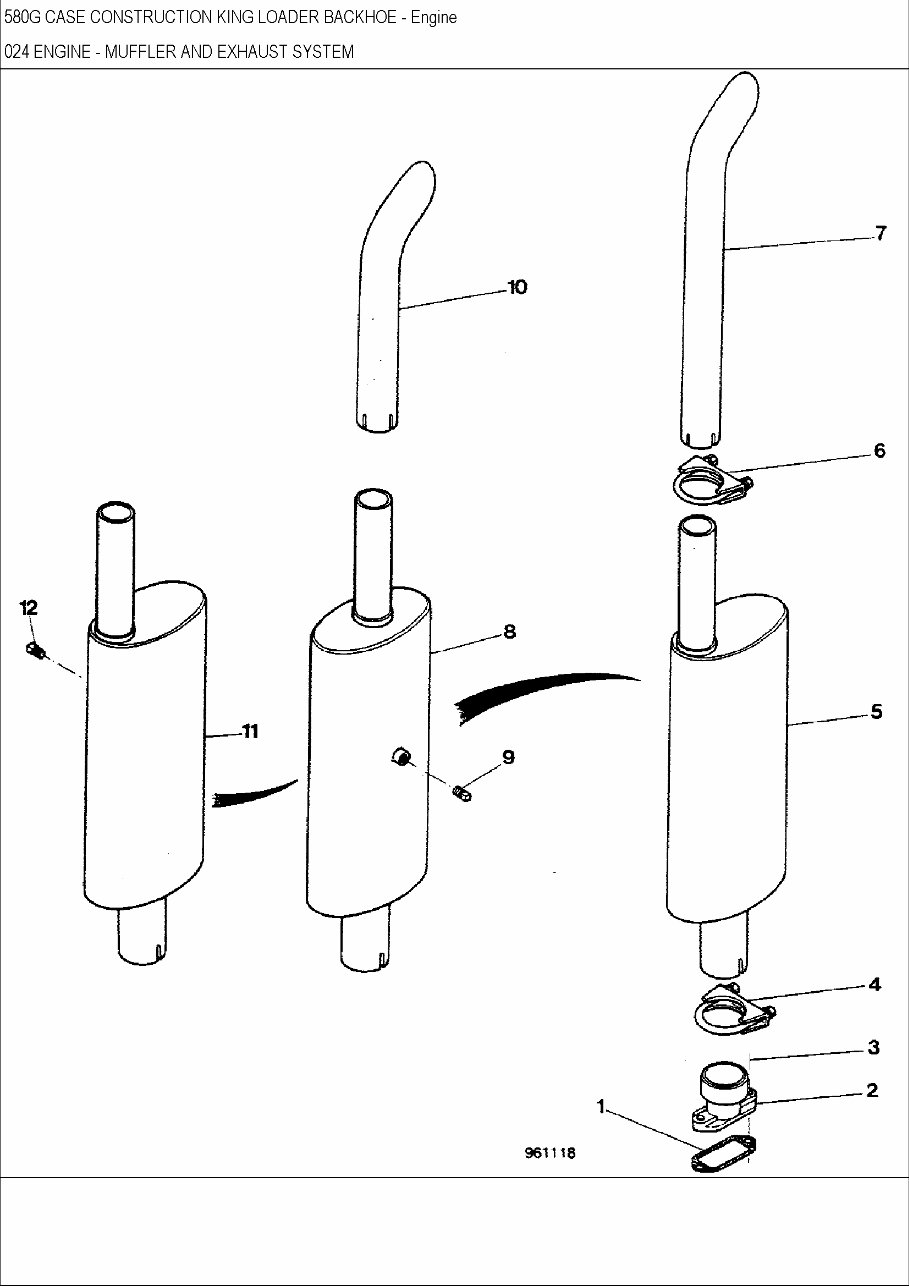
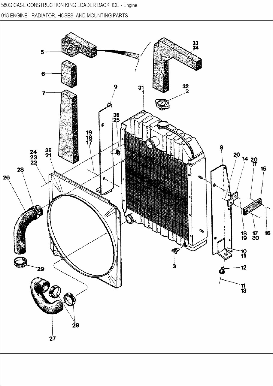
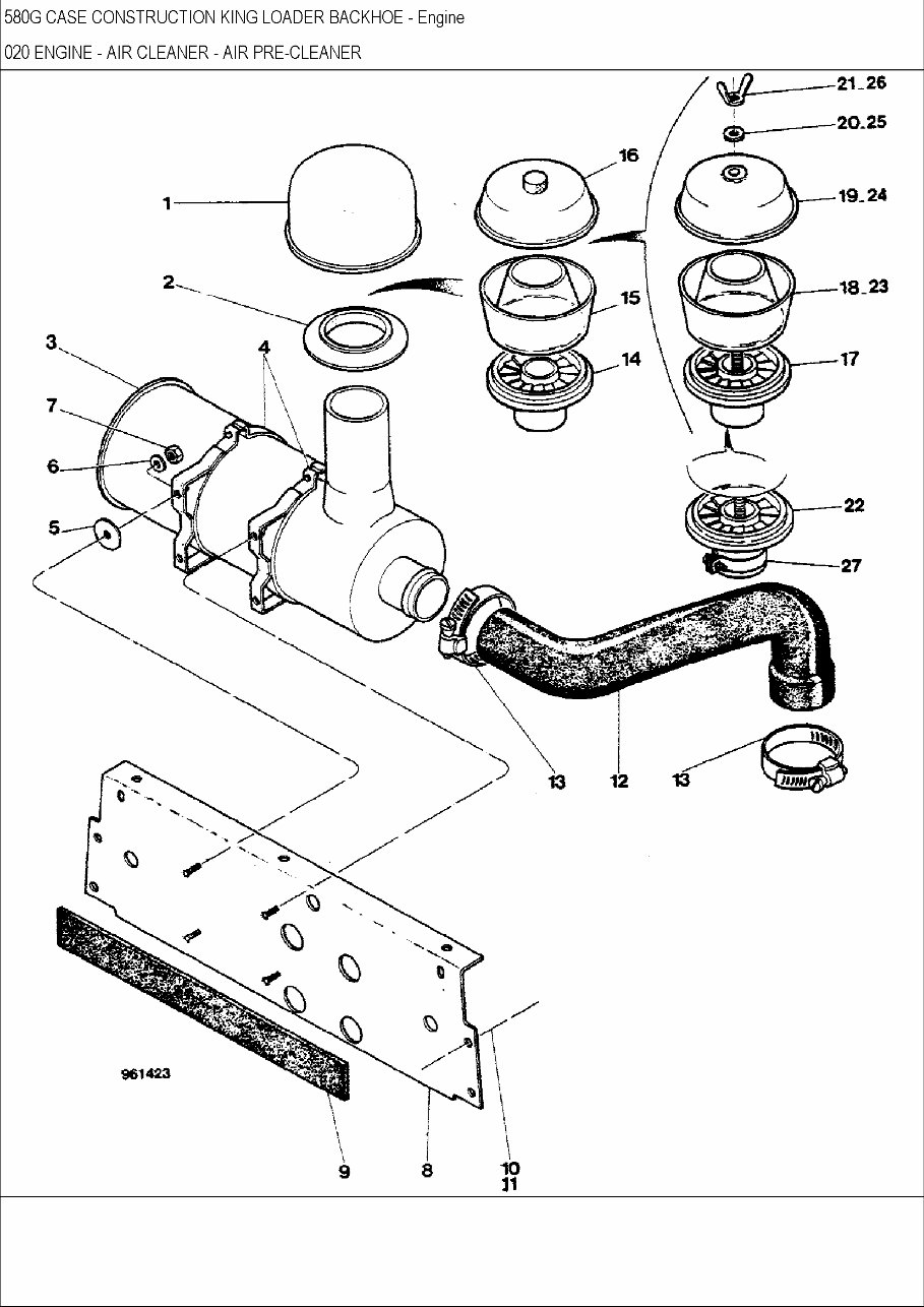
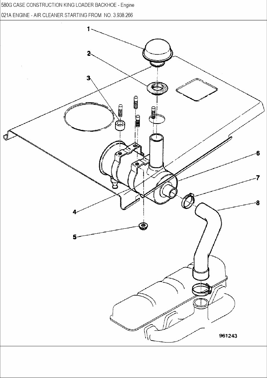
Get access to a comprehensive parts catalog for the Case 580G Backhoe Loader. This catalog includes detailed exploded-view illustrations and parts diagrams, encompassing every OEM part number for all vehicle components. It is an invaluable resource for ordering replacement parts and cross-referencing part numbers between OEM and aftermarket manufacturers.

While not a traditional repair manual with step-by-step procedures, the catalog's exploded-view illustrations can be extremely beneficial when a workshop manual is unavailable. Whether you are undertaking a rebuild/overhaul or need to order precise replacement parts, this manual is indispensable for both professional mechanics and DIY enthusiasts.

Printable: Yes
Language: English
Compatibility: Compatible with various electronic devices, including PC, Mac computers, Android, and Apple smartphones and tablets.
Requirements: Adobe Reader (free)

Happy Clients 5,521,897 Happy Clients
eManuals 2,594,462 eManuals
Trusted Sellers 1,120,453 Trusted Sellers
Years in Business 15 Years in Business