8*3*/(%*"(3".
6HFWLRQ
9
0QQaTeXPcX^]b "
7^fc^dbTcWTfXaX]VSXPVaP\ #
4[TRcaXRP[SXbcaXQdcX^]
>eTaeXTf %
5dbTb
4]VX]TR^\_Pac\T]c0& '
4]VX]TR^\_Pac\T]c1(
4]VX]TR^\_Pac\T]c1!"
?PbbT]VTaR^\_Pac\T]c2&
?PbbT]VTaR^\_Pac\T]c2'!$ !
?PbbT]VTaR^\_Pac\T]c2!%" "
?PbbT]VTaR^\_Pac\T]c2"!"' #
2PaV^R^\_Pac\T]c3& $
2PaV^R^\_Pac\T]c3'' %
2PaV^R^\_Pac\T]c4& &
AT[PhbBWd]cb
8V]XcX^]bfXcRWfXcWaT[Phb '
4]VX]TR^\_Pac\T]c5<0!5BC" (
?PbbT]VTaR^\_Pac\T]c2<0!2B7# !
2PaV^R^\_Pac\T]cA<0AB7% !
>cWTaaT[Phb !!
6a^d]SR^]]TRcX^]
""%& !"
"&"( !#
"(""(' !$
2^]ca^[\^Sd[Tb
>eTaeXTf !%
2T]caP[4[TRca^]XR<^Sd[T24< !'
ATPa4[TRca^]XR<^Sd[TA4< "
3PcPR^\\d]XRPcX^] "!
6a^d_!"
4]VX]T\P]PVT\T]cbhbcT\3T]b^ "#
4]VX]T\P]PVT\T]cbhbcT\<4& "%
4]VX]T\P]PVT\T]cbhbcT\1XUdT[ "'
4]VX]T\P]PVT\T]cbhbcT\3XTbT[ #
4\XbbX^]R^]ca^[3T]b^ #!
4\XbbX^]R^]ca^[<4& #"
6a^d_!%
4[TRcaXRR^^[X]VUP] ##
6a^d_!&
2adXbTR^]ca^[ #$
6a^d_"!
?^fTabd__[h #%
6a^d_""
BcPacX]VbhbcT\ #&
6a^d_"$
7XVWQTP\[^fQTP\P]SPdgX[XPah[XVWcfXaX]V#'
7XVWQTP\[^fQTP\P]SPdgX[XPah[XVWcfXaX]V1XGT]^] #(
5^V[XVWcb$
?PaZX]V[XVWcbcPX[[XVWcbP]S[XRT]bT_[PcT[XVWcX]V $
1aPZT[XVWcb $!
ATeTabX]V[XVWcb $"
8]cTaX^a[XVWcX]V$#
1TP\[T]VcWPSYdbc\T]c$$
BPUTch[XVWcX]V$%
8]bcad\T]cP]SR^]ca^[[XVWcX]V $&
6a^d_"%
8]SXRPc^abP]SfPa]X]V[XVWcb $'
7^a] $(
FX_TaFPbWTaFX]SbWXT[S %
FX_TaFPbWTa7TPS[XVWcb %
FX_TabfPbWTabATPafX]S^f %!
2^]ca^[\^Sd[TT[TRca^]XRPRRTbb^aXTb%"
APX]bT]b^a %#
0]cXcWTUcP[Pa\ %$
4[TRca^]XRX\\^QX[XiTa%%
6a^d_"&
C^fX]VQaPRZTcfXaX]V %&
3XPV]^bcXRbbhbcT\ %'
!E^dc[Tc%(
!E^dc[TcRPaV^R^\_Pac\T]c &
6a^d_"'
2^\QX]TSX]bcad\T]c_P]T[ &
2^\QX]TSX]bcad\T]c_P]T[1XUdT[ &!
BTPcQT[caT\X]STa&"
6a^d_"(
0dSX^fXcWPdgX[XPahP\_[XUXTa &#
0dSX^fXcW^dcPdgX[XPahP\_[XUXTa &%
A^PSCaPUUXR8]U^a\PcX^]AC8 &&
<^QX[TcT[T_W^]T &'
6a^d_#"
4[TRca^]XRP[[hR^]ca^[[TSPdc^\PcXRcaP]b\XbbX^]0F$$$ &(
6TPaca^]XR '
BWXUc[^RZ '
6a^d_$(
1aPZT2^]ca^[<^Sd[T12< '!
6a^d_%#
4[TRca^]XR_^fTabcTTaX]V '"
6a^d_'"
?^fTafX]S^fb '#
2T]caP[[^RZ'$
6a^d_'"
?^fTabd]a^^U '%
2^]cT]cb
>aSTa]d\QTaC?"(%!!
AT_[PRTb_aTeX^db\P]dP[C?"(%!
E^[e^aTcPX]bcWTaXVWcc^\PZTP\T]S\T]cb
!
6a^d_'#
7TPcTSaTPafX]S^f '&
7TPcTSS^^a\Xaa^ab ''
?^fTaS^^a\Xaa^ab '(
6a^d_'$
7TPcTSbTPcb (
?^fTaSaXeTazbbTPc (
?^fTa_PbbT]VTabTPc (!
6a^d_'&
BcP]SPaSWTPcTa ("
<P]dP[R[X\PcTR^]ca^[<22 (#
4[TRca^]XRR[X\PcTR^]ca^[422 ($
?PaZX]VWTPcTaPdgX[XPahWTPcTa (%
6a^d_''
Bd__[T\T]cP[ATbcaPX]cBhbcT\BAB (&
AT\^cTR^]ca^[[TSVPaPVTS^^a^_T]Ta('
4[TRcaXRP[[hPSYdbcPQ[TWTPSaTbcaPX]c ((
2^]]TRc^ab
$#1$#";1
$#";2$#";4
$#";5$#";6 !
$#";7$#' "
$#($# #
$#$#! $
$#"$## %
$#%$#! &
$#!$#!!1 '
$#!"0$#!# (
$#!$$#"#
$#"$$#"(
$## !
$##"$##$ "
$#$$#$ #
$#$"$#%$ $
$#&($#% %
9d]RcX^]_^X]cb
$""$""!' &
$""!($""& '
$""&$""'# (
$""'($"#(!
$"#!$"#"% !
$"#"&$"$$ !!
$"$$"$!# !"
$"$!$$"% !#
$"%!$"%$# !$
$"%$$$"%%# !%
2PQ[TWPa]Tbba^dcX]VX]eTWXR[T
4]VX]TWPa]Tbb<4&3T]b^ !&
4]VX]TWPa]Tbb3XTbT[ !'
5a^]cT]VX]TR^\_Pac\T]cWPa]Tbb;73 !(
5a^]cT]VX]TR^\_Pac\T]cWPa]TbbA73 "
5a^]c_PbbT]VTaR^\_Pac\T]cWPa]Tbb;73 "
5a^]c_PbbT]VTaR^\_Pac\T]cWPa]TbbA73 "!
ATPa_PbbT]VTaR^\_Pac\T]cWPa]Tbb
2PaV^R^\_Pac\T]cWPa]Tbb ""
8]U[PcPQ[TRdacPX]WPa]TbbCad]Z[XScPX[VPcTWPa]Tbb "#
3^^aWPa]Tbb "$
1XUdT[WPa]Tbb "%
2^\_^]T]cX[[dbcaPcX^]b
!"" "&
!"#!' "'
!'!!% "(
!&" #
"#"$% #
"$("(! #!
"(""!$ #"
"!%"'# ##
#&#%' #$
#&%$ #%
%%%"" #&
%"$%%& #'
%%(&# #(
&$&"! $
&#&( $
&&"$ $!
&"%&&" $"
'"'"% $#
'"&'&$ $$
'&%(" $%
(%# $&
$%% $'
%'1 $(
2$" %
%%#% %
%#&%&# %!
%&&!% %"
!!!"! %#
"""&" %$
"'"$#1 %%
$#";0$#% %&
$#!$##"0 %'
$###$#% %(
;Xbc^UR^\_^]T]cb
"
6a^d_b
6a^d_!" ,5dT[bhbcT\
6a^d_!% ,2^^[X]VbhbcT\
6a^d_!& ,4]VX]TR^]ca^[b
6a^d_"! ,6T]TaPc^aP]Se^[cPVTaTVd[Pc^a
6a^d_"" ,BcPacX]VbhbcT\
6a^d_"$ ,;XVWcX]V
6a^d_"% ,0SSXcX^]P[T[TRcaXRP[T`dX_\T]c
6a^d_"& ,FXaX]VP]SUdbTb
6a^d_"' ,8]bcad\T]cb
6a^d_"( ,>cWTa
6a^d_#" ,CaP]b\XbbX^]
6a^d_$( ,1aPZTbhbcT\
6a^d_%# ,BcTTaX]V
6a^d_'" ,3^^abP]S^_T]X]Vb
6a^d_'# ,4gcTaX^aSTR^aPcXeTT[T\T]cbTcR
6a^d_'$ ,8]cTaX^aT`dX_\T]c
6a^d_'& ,2[X\PcTR^]ca^[b
6a^d_'' ,8]cTa]P[T`dX_\T]c
8V]XcX^]bfXcRWbh\Q^[b
G ,0RRTbb^aXTbPdSX^_^bXcX^]
B ,?^fTaTSd_^]X]bTacX^]^UZTh
$ ,CWTbfXcRWaT\PX]bR^]]TRcTSSdaX]VbcPac
$[ ,2^]cPRcXbQa^ZT]fWX[TbcPacX]V
" ,2^]bcP]c_^fTaUa^\cWTQPccTah
$ ,BcPac
2^d]caXTb<PaZTcb
0 ,0dbcaXP
0DB ,0dbcaP[XP
1 ,1T[VXd\
23= ,2P]PSP
27 ,BfXciTa[P]S
3 ,6Ta\P]h
3: ,3T]\PaZ
4 ,B_PX]
4D>B ,<PaZTcb^dcbXSTDB0P]S2P]PSP
58= ,5X][P]S
61 ,6aTPc1aXcPX]
8BA ,8baPT[
9 ,9P_P]
:>A ,:^aTP
= ,=^afPh
=; ,=TcWTa[P]Sb
B ,BfTST]
DB0 ,D]XcTSBcPcTb^U0\TaXRP
F4D ,FTbcTa]4da^_T
>cWTa
022 ,0RRTbb^ah
0<? ,0\_[XUXTa
0D38> ,0dSX^bhbcT\
0DC> ,0dc^\PcXRcaP]b\XbbX^]
18G ,1XGT]^]
24< ,2T]caP[4[TRca^]XR<^Sd[T
34=B> ,5dT[R^]ca^[bhbcT\VPb^[X]T
3BC2 ,3h]P\XRBcPQX[XchCaPRcX^]2^]ca^[
44 ,4Pa[hTSXcX^]
4GC3 ,4gcT]STST[TRcaXRP[SXbcaXQdcX^]
78B?443 ,7XVWb_TTSSPcPQdb
;4 ,;PcTTSXcX^]
;7 ,;TUcWP]SbXST
;73 ,;TUcWP]SSaXeT
;>B?443 ,;^fb_TTSSPcPQdb
<0= ,<P]dP[caP]b\XbbX^]
<4& ,5dT[R^]ca^[bhbcT\VPb^[X]TcdaQ^
?2; ,?^fTa2WX[S;^RZ
A4< ,ATPa4[TRca^]XR<^Sd[T
A7 ,AXVWcWP]SbXST
A73 ,AXVWcWP]SSaXeT
AC8 ,A^PSCaPUUXR8]U^a\PcX^]
BAB ,0XaQPV
BC2 ,BcPQX[XchCaPRcX^]2^]ca^[
C4;4 ,<^QX[TcT[T_W^]T
CDA1> ,CdaQ^T]VX]T
F> ,FXcW^dc
2^[^ab
1; ,1[dT
1= ,1a^f]
6= ,6aTT]
6A ,6aPh
>A ,>aP]VT
? ,?X]Z
A ,ATS
B1 ,1[PRZ
E> ,EX^[Tc
F ,FWXcT
H ,HT[[^f
0QQaTeXPcX^]b
#
7^fc^dbTcWTfXaX]VSXPVaP\
CWTSTbRaX_cX^]bQT[^fP__[hX]VT]TaP[c^
P[[fXaX]VSXPVaP\\P]dP[bP[cW^dVW]^c
P[[bTRcX^]bPaT]TRTbbPaX[hR^]cPX]TSX]
cWXb\P]dP[
02^\_^]T]cSTbXV]PcX^]
4eTahR^\_^]T]cWPbPR^\_^]T]cSTbXV]PcX^]cWPc
R^]bXbcb^Ucf^_Pacb
CWTUXabc_PacXbPch_T]d\QTacWPcSTbRaXQTbcWTch_T
^UR^\_^]T]cX]`dTbcX^]U^aTgP\_[T"gg
CWTbTR^]S_Pac^UcWTSTbXV]PcX^]XbPbTaXP[]d\QTa
U^aTgP\_[Tg!
2^\QX]TScWTbTVXeTPR^\_^]T]cSTbXV]PcX^]
U^aTgP\_[T"!
0ccWTT]S^UcWT\P]dP[XbP[Xbc^UR^\_^]T]cbfWTaT
fXcWcWTWT[_^UcWTR^\_^]T]cSTbXV]PcX^]h^dRP]
aTPS^UUcWT]P\T^UcWTR^\_^]T]cU^aTgP\_[T
"!,[XVWcbfXcRW
;Xbc^Uch_T]d\QTab
CWT[XbcbW^fbfWXRWch_T^UR^\_^]T]ccWPcaTb_TRcXeT
ch_T]d\QTabaTUTac^U^aTgP\_[T"g,bfXcRW
%g,T[TRcaXR\^c^aTcR
1PccTah
! AT[Ph
" BfXcRW
# 2^]ca^[\^Sd[T
$ 2^\QX]TSX]bcad\T]c_P]T[
% 4[TRcaXR\^c^a
& BT]b^a
' 0RcdPc^a
( 7TPcX]VT[T\T]c
;XVWc
5dbT
$ 3XbcaXQdcX^]aPX[
% 0dSX^
& BTaeXRTSXPV]^bcXRb
' 2^]cPRcaTT[
( <TcTa
! 8V]XcX^]R^\_^]T]cbWd]c
" 6a^d]SR^]]TRcX^]
$" 9d]RcX^]_^X]c
$# 2^]]TRc^a
19d]RcX^]_^X]cb
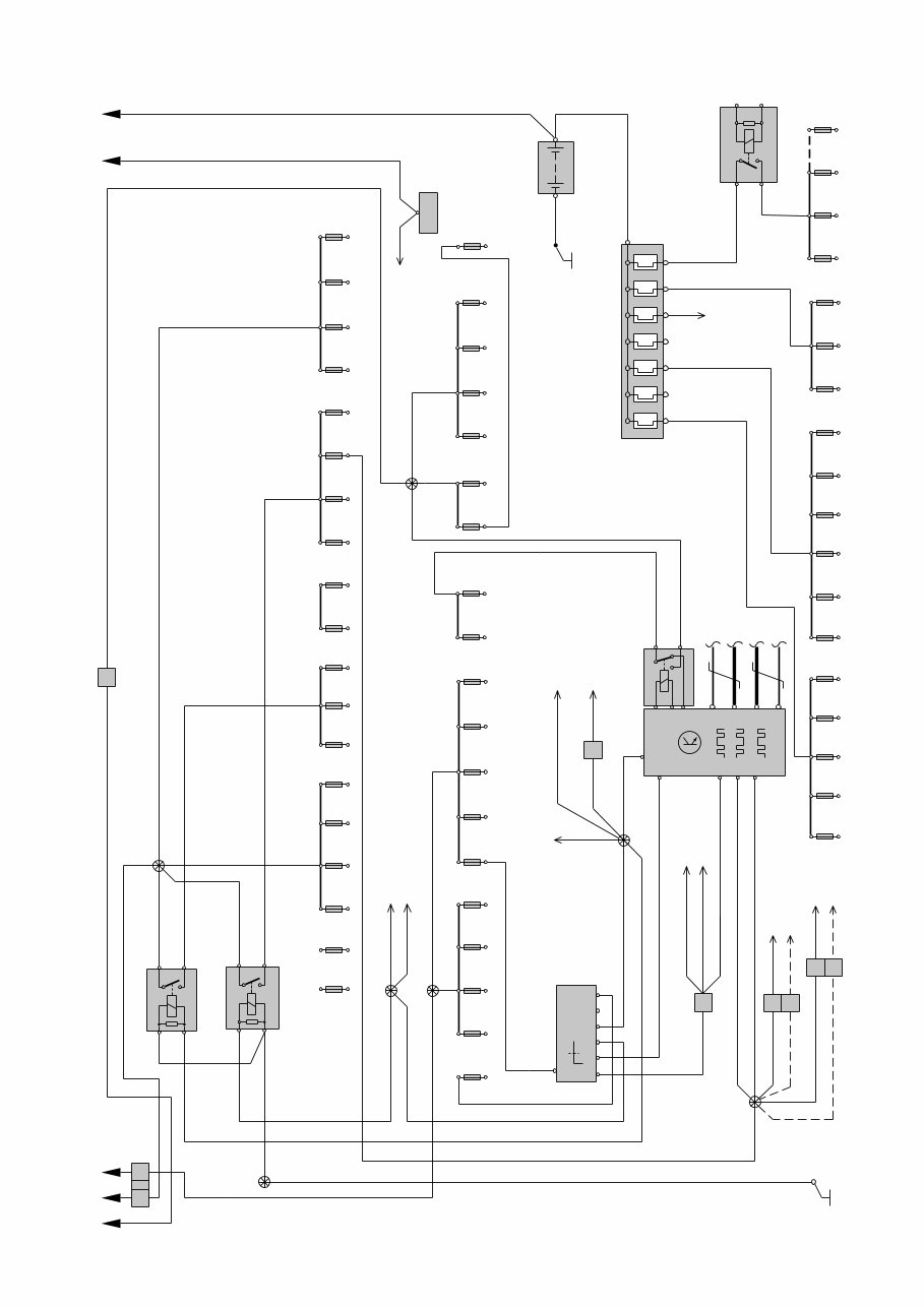
CWTfXaX]VSXPVaP\bR^]cPX]]d\QTaTSYd]RcX^]_^X]cb
TV$""$!
CWXb\P]dP[R^]cPX]bPbTRcX^]fXcWP[Xbc^UYd]RcX^]
_^X]cbCWXb[XbcbW^fbP[[cWTR^\_^]T]cbcWPcPaT
R^]]TRcTSc^TPRWYd]RcX^]_^X]c
CWT[^RPcX^]^UcWTYd]RcX^]_^X]cbXbbW^f]X]cWT
2PQ[TWPa]Tbba^dcX]VX]eTWXR[TbTRcX^]
22^]]TRc^ab
2^]]TRc^ab_a^eXSTPQaXSVTQTcfTT]cf^RPQ[TbWPa
]TbbTbP]SPaTSTbRaXQTSX]cWT2^]]TRc^abbTRcX^]
34[TRcaXRP[SXbcaXQdcX^]
>_TaPcX^]^UcWTUdbTbP]SaT[PhbXbbW^f]X]cWT
4[TRcaXRP[SXbcaXQdcX^]bTRcX^]
43PcPR^\\d]XRPcX^]
C^SPhzbRPabPaTT`dX__TSfXcWP20=]Tcf^aZfWXRW
caP]b\XcbX]U^a\PcX^]2^]]TRcX^]bc^cWXb]Tcf^aZPaT
bW^f]X]cWTXaT]cXaTch^]cWTaTb_TRcXeTfXaX]VSXPVaP\b
2^\_[TcTX]U^a\PcX^]^]20=R^\\d]XRPcX^]XbRP]
QTU^d]SX]cWTbTRcX^]cXc[TS3PcPR^\\d]XRPcX^]
50QQaTeXPcX^]b
0]d\QTa^USXUUTaT]cPQQaTeXPcX^]bPaTdbTSX]cWT
\P]dP[CWTbTPaTTg_[PX]TSX]cWTbTRcX^]0QQaTeXP
cX^]b
62^\_^]T]c[^RPcX^]
CWTaTXbPbTRcX^]PccWTT]S^UcWT\P]dP[X]fWXRWcWT
P__TPaP]RTP]S[^RPcX^]^UR^\_^]T]cbXbSTbRaXQTS
X]]d\TaXRP[^aSTa
$
7^fc^dbTcWTfXaX]VSXPVaP\
;Xbc^Ubh\Q^[b
,BhbcT\e^[cPVT
,6a^d]SR^]]TRcX^]
eXPfXaX]V
,6a^d]SR^]]TRcX^]^]
R^\_^]T]cRWPbbXb
,BRaTT]TSfXaT
,9d]RcX^]_^X]c
,CfXbcTSRPQ[T
,4[TRcaXRP[R^]]TRcX^]
,EPaXP]c
,20=R^\\d]XRPcX^]
,20=WXVWSPcPbXV]P[
20=7
,20=[^fSPcPbXV]P[
20=;
,BTaXP[R^\\d]XRPcX^]
,38=RPQ[TR^PgXP[RPQ[TTcR
,3PcPR^\\d]XRPcX^]
,20=R^\\d]XRPcX^]
,2^]]TRcX^]fXcWUdbTQ^g
,5dacWTaR^]]TRcX^]c^
,2^]]TRc^aQTcfTT]
fXaX]VWPa]TbbTb
,2^]]TRc^aR^]]TRcTS
c^R^\_^]T]c
20=
A F B D E C
G
BL
15/20:13
3
5
2
1
4
R
2/80
1
2 3/10 RMI4
3
1
4/58
REM
CEM
4/56
A:1
SB
31/96
3
54/3LF 15/24:2
Y-GR Y-GR Y-GR
MAN
53/326
SB
MAN
11D/3
2
1 1
2
11D/4
30+
4/28
TCM
B:14
B:2
B:1
B:13
D:3
D:2
B:17
B:18
10/17
B:1
B:3
31/73
SB
SB
10/48 10/55
A:14
A:16
53/604
SB
53/601
SB
31/72
BL
54/51
12
53/615
B:3
B:1
10/18
CAN
CAN
CAN
BL
BL
10/1-2
B A
4 1 2 1
%
4[TRcaXRP[SXbcaXQdcX^]
>eTaeXTf
5
2
1
3
4 5
2
1
3
4 5
2
1
3
4 5
2
1
3
2
5 4
3
1
2
5 4
3
1
2
5
3
1
D
R
11A 11A 11A
3
1
2
5 4
2
1
2
1
2
1
2
1
2
1
2
1
2
1
2
1
2
1
2
1
2
1
2
1
2
1
2
1
2
1
2
1
2
1
2
1
2
1
2
1
2
1 1
2
1
2 2
1
17/17
15/25:2
15/22:2
15/20:1
15/25:6
15/24:11
15/24:6
15/20:5
15/25:1
15/23:16
15/23:10
15/24:8
15/24:5
15/25:5
15/25:9
15/25:8
15/23:15
15/28:2
FMI3
2/92
FST1
2/91
FST3
2/93
2/90
15/22:4
15/20:10
15/20:11
15/24:9
15/24:10
15/24:2
15/20:12
15/24:1
15/20:13
2/32
3
2/14
FMA2
5
2
1
FMA3
2
11A
7
2 2
11A
6
11A
8
11B/14
11B/15
11B/16
11B/17
11B/18
11B/19
11B/20
11B/21
11B/22
11B/23
11B/24
15/23:2
15/25:11
15/20:6
15/23:11
15/24:16
15/20:8
15/24:12
15/24:14
15/20:3
15/23:13
15/25:3
15/20:14
15/20:2
15/20:7
FMI4 FMI2
2/17
FMI1
2/22
FMA4
2/35
15/28:1
15/30:1
15/21:2
15/21:1
15/25:7
5
2
11A
4
11A
3
2 2 2 2
2 1
11B/1
11B/2
11B/3
11B/4
11B/5
11B/6
11B/7
11B/8
11B/9
11B/10
11B/11
11B/12
15/25:4
11B/13
31/93
SB
53/329
SB SB
A:1
R
20/16
B:1
R-W
A B C
R-W
R
R-SB
R
E
15/19
1
2
FST2
2/33
3
4 5
15/23:12
15/24:7
15/24:4
15/24:3
15/25:12
15/25:13
15/22:1
15/22:3
15/24:15
15/25:10
15/23:9
15/23:1
15/23:14
&
4[TRcaXRP[SXbcaXQdcX^]
>eTaeXTf
6/25:1
R
R
2
R
R R
1
R
6/26A:1
GN-R
BL-R
ABC D
R
4/9B:27
4/56B:2
11C/11
11C/29
2
54/3LH
R
3
54/3LD
R
2/30 CMA2
2/31 CMA3
4
2(85)
2
R
1
3(30)
5(87)
BL
3
1(86)
2
4
5(87)
VO
R
1
3(30)
3
R
53/402
R
SB
11C/1
1 1
11C/2
2 2
11C/4
1 1
11C/3
1
11C/5
2 2 2
1
BL
53/403
1 1 1
53/408
11C/8
1
11C/6
1 1
11C/7
2 2 2
1
11C/9
1 1
11C/10
2 2 2
1 1 1
VO
R
1 1 1
11C/23
4
3/1
11C/20
2
R-SB
11C/22 11C/21
2 2 2
X
30
5
S
3 7
50
6
15
8
1
15
16/65:1
11C/26 11C/25 11C/24
2 2 2
11C/27
2
11C/28
2 2
BL-R
53/443
BL-R
BL-R
11C/37 11C/35 11C/36 11C/34
11C/16 11C/13 11C/12
1 1
2 2
1
11C/14
1 1
11C/15
2 2 2
Y
1 1
R
53/415
1 1 1
11C/19
1
11C/17
1 1
11C/18
2 2 2
1 1
1
1
11C/30
2 2
11C/31 11C/33
2 2
11C/32
2
4/9B:28
2 2
2
11C/38
2
Y-W
VO
VO
4/46B:37
11D/11
SB
54/3LC
53/405
Y-W
4
15/24:16
4/46B:23
54/3LE
GN-R
1
BL-R
Y
53/419
12
4
VO
VO
54/24
12
4
VO
VO
54/25
R
1
11E
6 7
2
4 5
2 2
2 3
2 2
1
R
R
31/6 2
1 1 1
11D/1
2 2
11D/2
1 1
11D/4
2
11D/3
2
11D/5
1 1 1
11D/7
2 2
11D/6
2
11D/8
2/82:1
1 1 1
11D/10
2 2
11D/9
2
2(85)
5(87)
4
B:3
B:1
A:20
4/56
CEM
B:10
C:1
CAN
CMI5
2
2/61
1
1 3
1/1
12V
D:2
D:3
B:17
B:18
5
3
R-W
RMA1 2/52
+
3(30)
1
3
2
1(86)
4
SB
-
11D/14
1 1 1
2
11D/13
2
11D/12
2
1
BL
1
2
11D/15
2
11D/16
31/3
VO VO
VO
BL-R
BL-R
2
R
SB
R
E
R
VO
R-SB
R
11D/17
1
2
DIESEL
1(86)
2(85)
3/93:1
3/27A:2
3/94:1
3/27A:2
11D/18
1
2
'
5dbTb
4]VX]TR^\_Pac\T]c0&
05dbTbX]cWTT]VX]TR^\_Pac\T]c
=^ 5dbTUd]RcX^] 0
6[^f_[dV!!!!%eXP!# %
! 5dbT_a^cTRcX^]U^a2""eXP!%
5dbT_a^cTRcX^]U^a2"!""
5dbT_a^cTRcX^]U^a2"#"&
%
" 5dbT_a^cTRcX^]U^a2"%
5dbT_a^cTRcX^]U^a2%(
5dbT_a^cTRcX^]U^a2&(eXP!"
5dbT_a^cTRcX^]U^a2!$eXP!"
%
# 5dbT_a^cTRcX^]U^a2!!#
5dbT_a^cTRcX^]U^a2!$!(
%
& 2^^[X]VUP]R^]ca^[\^Sd[T#& %
11A/7
11A/4
11A/2
11A/3
11A/8
11A/1
(
5dbTb
4]VX]TR^\_Pac\T]c1
15dbTbX]cWTT]VX]TR^\_Pac\T]c
=^ 5dbTUd]RcX^] 0
2^]ca^[\^Sd[T2?<#& !$
! 0RRTbb^ahPdgX[XPah[XVWc !
" B^[T]^XSeP[eTWXVW_aTbbdaTSXTbT['44
# 4]VX]T2^]ca^[<^Sd[T42<##%3XTbT[
7TPcTS^ghVT]bT]b^a&$
7TPcTS^ghVT]bT]b^aSXPV]^bXb&'!
B^[T]^XSeP[eTWXVW_aTbbdaTSXTbT[';4
!
$ ?d\_UdT[[TPZPVTR^]ca^[%%&
4E0?eP[eT''
EPaXPQ[TeP[eTcX\X]VeP[eT'(
CdaQ^RWPaVTaR^]ca^[eP[eT'!'
2P]XbcTabWdc^UUeP[eT'##
B^[T]^XSePaXPQ[TeP[eTcX\X]V^dc[Tc''
?C2aTbXbc^aPXa_aTWTPcX]V("!6Pb^[X]T
% <PbbPXaU[^fbT]b^a<05&&3XTbT[
4]VX]T2^]ca^[<^Sd[T42<##%
8]YTRc^ab'%
<PbbPXaU[^fbT]b^a<05&&
$
$
& 2^]ca^[\^Sd[T4C<#$
' 2^^[X]VUP]T[TRcaXRbQ^gT]VX]TR^\_Pac\T]c%##
0RRT[TaPc^a_TSP[bT]b^a&$
B^[T]^XSbfXcRW02'"eXP!!!
( 7^a]aT[Ph!&
7^a]%eXP!&
7^a]!%eXP!&
$
AT[PhaTPafX]S^ffPbWTa\^c^a!("
FPbWTa_d\_aTPafX]S^f%"
R^]cX]dTb
X X X X X X
17
18
19
20
21
22
23
24
9
10
11
12
13
14
15
16
1
2
3
4
5
6
7
8
You're Reading a Preview
What's Included?
Lifetime Access
Access PDF Contents & Bookmarks
Print one or all pages of your manual
Add to Cart
$28.99
$37.99