1995 Volvo 940 Wiring Diagrams

What's Included?
Download Lifetime Access
Fast Download Speeds
Online & Offline Access
Access PDF Contents & Bookmarks
Full Search Facility
Print one or all pages of your manual
Viewed 49 Times Today Fire
Trust Guard Security Scanned
Secure transaction
What's Included?
Download Lifetime Access
Fast Download Speeds
Online & Offline Access
Access PDF Contents & Bookmarks
Full Search Facility
Print one or all pages of your manual
$30.99

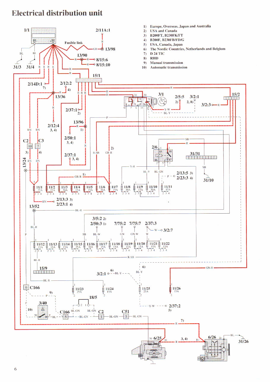
This is a comprehensive factory wiring diagram manual for the 1995 Volvo 940 car. It covers a wide range of systems and components, making it an invaluable resource for both professional mechanics and DIY enthusiasts.

The manual includes detailed diagrams for the following groups:

  • Group 23: LH-jetronic 2.4 multiport fuel injection system (MFI)
  • Group 26: Engine cooling fan
  • Group 27: Cruise control
  • Group 28: Electronic ignition system (EI) EZ 116 K
  • Group 32: Power supply and starter system
  • Group 33: Diesel pre-heating, overload sensor and EGR (D 24 TIC)
  • Group 35: Various lighting systems including high and low beam, parking lights, brake lights, fog lights, and more
  • Group 36: Turn signals, hazard warning flashers, and other related systems
  • Group 37: Diagnostics, car alarm cable harness, and pre-routed wiring for towing hook
  • Group 38: Bulb malfunction indicator, seat belt reminder, and radio connections
  • Group 43: AW 70/71 Overdrive, P-shift lock, and anti-lock braking system (ABS)
  • Group 59: Power window lifts, central locking, and power sunroof
  • Group 84: Heated rear window, door mirrors, and power door mirrors
  • Group 85: Heated seats, power seat, and power seat with memory
  • Group 87: Cabin fan, standard heater, and climate control systems
  • Group 88: SRS Supplemental Restraint System (airbag)

The manual is available in a printable PDF format and is compatible with all versions of Windows and Mac. It is in English and requires Adobe Reader for viewing. Upon payment, you will receive instant access to the manual without any shipping costs or waiting for physical delivery.

For any inquiries, please feel free to contact us.

Happy Clients 5,521,897 Happy Clients
eManuals 2,594,462 eManuals
Trusted Sellers 1,120,453 Trusted Sellers
Years in Business 15 Years in Business