13. When the desired pedal height is achieved, press the brake pedal to inspect for firmness. 14. Lower the vehicle. 15. Remove the scan tool. 16. Install the tire and wheel assemblies. Refer to Tire and Wheel Removal and Installation . 17. Inspect the brake fluid level. Refer to Master Cylinder Reservoir Filling . 18. Road test the vehicle while inspecting that the pedal remains high and firm. Refer to Hydraulic Brake System Bleeding . Page 2 of 2 Document ID: 2165370 12/1/2010 http://localhost:9001/si/showDoc.do?docSyskey=2165370&pubCellSyskey=1238&pubObj...
EBCM. 8. Remove the 4 EBCM bolts (1). 9. Carefully pull the EBCM (1) from the BPMV. Do not pry the components apart. 10. Remove the 12 EBCM seals, if necessary. Installation Procedure Page 2 of 4 Document ID: 2167671 12/1/2010 http://localhost:9001/si/showDoc.do?docSyskey=2167671&pubCellSyskey=954&pubObj...
1. Install the EBCM seals, if removed. 2. Install the EBCM (1) to the BPMV. Caution: Refer to Fastener Caution in the Preface section. 3. Install the 4 EBCM bolts (1) and tighten the bolts in a cross pattern to 3 N·m (27 lb in). Page 3 of 4 Document ID: 2167671 12/1/2010 http://localhost:9001/si/showDoc.do?docSyskey=2167671&pubCellSyskey=954&pubObj...
4. Position the LF brake pipe to the BPMV. 5. Connect the LF brake pipe fitting (1) to the BPMV and tighten to 21 N·m (16 lb ft). 6. Install the radiator surge tank. Refer to Radiator Surge Tank Replacement . 7. Install the underhood electrical center. Refer to Underhood Electrical Center or Junction Block Replacement . 8. If installing a new EBCM, program the EBCM. Refer to Control Module References . 9. Without starting the engine, place the ignition switch in the ON position. 10. Perform the Diagnostic System Check - Vehicle . 11. Observe the feel of the brake pedal after performing the diagnostic system check. If the pedal now feels spongy, air may have been in the secondary circuit of the brake modulator assembly, which may have been introduced into the primary circuit. If the pedal feels spongy, perform the Antilock Brake System Automated Bleed Procedure . Page 4 of 4 Document ID: 2167671 12/1/2010 http://localhost:9001/si/showDoc.do?docSyskey=2167671&pubCellSyskey=954&pubObj...
Discover the essential 2008 Saturn Vue Service & Repair Manual, a valuable resource for professional mechanics and DIY enthusiasts alike. This comprehensive manual equips you with detailed instructions and illustrations to effectively maintain, repair, and service all 2008 Saturn Vue models.
Complete coverage for all 2008 Saturn Vue models
Step-by-step procedures for routine maintenance
Detailed troubleshooting guides for issue resolution
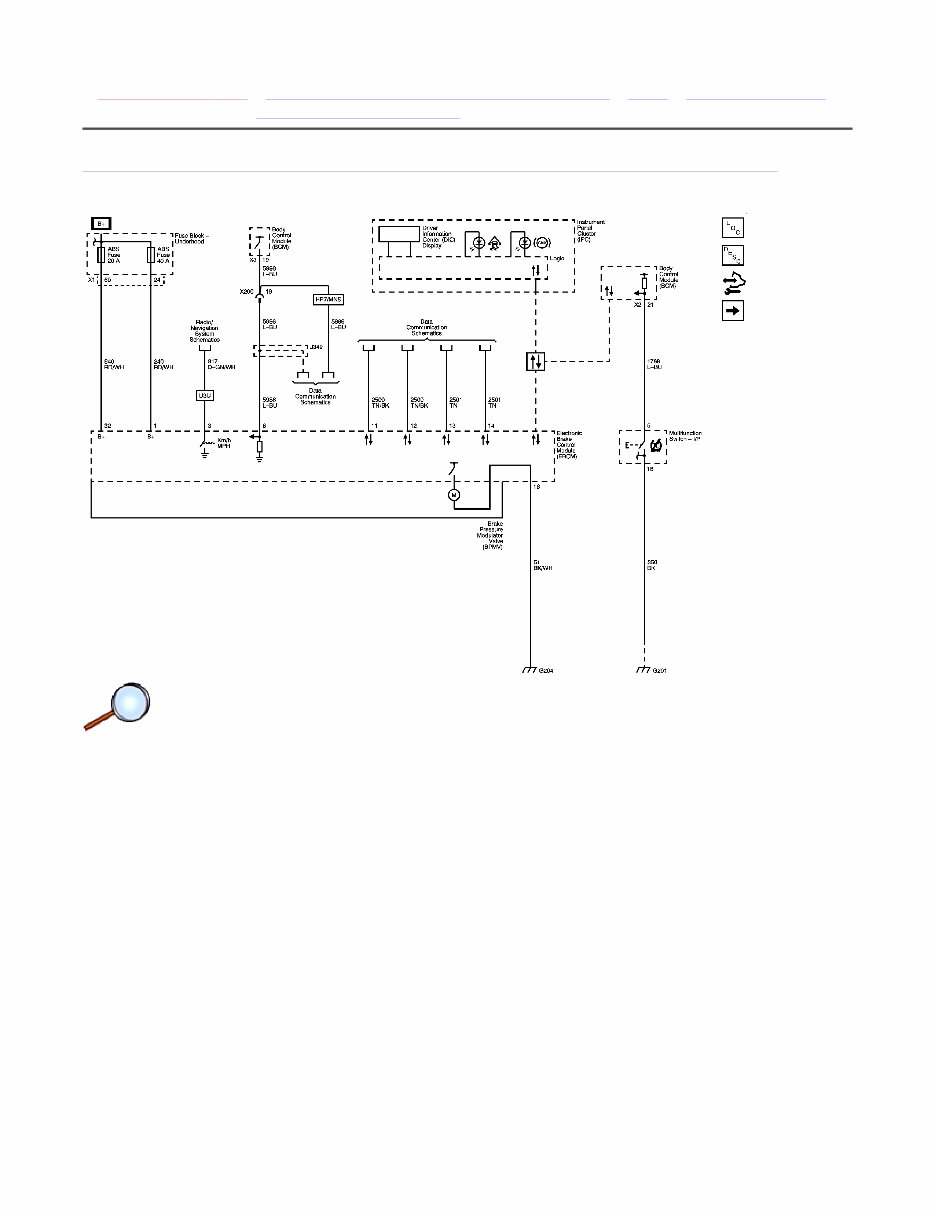
Clear and concise wiring diagrams for easy understanding
Comprehensive specifications and torque values
Diagnostic codes and explanations
Repair procedures for engine, transmission, suspension, brakes, electrical systems, and more
Empower yourself with the knowledge and confidence to handle any automotive task that comes your way. Keep your Saturn Vue running smoothly and efficiently with the 2008 Saturn Vue Service & Repair Manual.