GENERAL INFORMATION 11A-0-3 ........................................... 1. SPECIFICATIONS 11A-1-1 ................................................. SERVICE SPECIFICATIONS 11A-1-1 .................................... REWORK DIMENSIONS 11A-1-3 ........................................ TORQUE SPECIFICATIONS 11A-1-4 ..................................... NEW TIGHTENING METHOD- BY USE OF BOLTS TO BE TIGHTENED IN PLASTIC AREA 11A-1-6 ............................... SEALANT 11A-1-6 ........................................................ FORM-IN-PLACE GASKET 11A-1-7 ...................................... 2. SPECIAL TOOLS 11A-2-1 ................................................. 3. ALTERNATOR AND IGNITION SYSTEM 11A-3-1 ........................ 4. TIMING BELT 11A-4-1 ...................................................... 5. FUEL AND EMISSION CONTROL SYSTEM 11A-5-1 .................... 6. WATER PUMP ANDWATER HOSE 11A-6-1 ............................. 7. INTAKE AND EXHAUST MANIFOLD 11A-7-1 ............................ 8. ROCKER ARMS AND CAMSHAFT 11A-8-1 .............................. 9. CYLINDER HEAD AND VALVES 11A-9-1 ................................. 10. OIL PUMP AND OIL PAN 11A-10-1 ....................................... 11. PISTON AND CONNECTING ROD 11A-11-1 .............................. 12. CRANKSHAFT, CYLINDER BLOCK 11A-12-1 ........................... 11A-0-1 PWEE9520 E Nov. 1995 Mitsubishi Motors Corporation ENGINE 4G1 SERIES CONTENTS
11A-0-2 PWEE9520 E Nov. 1995 Mitsubishi Motors Corporation NOTES
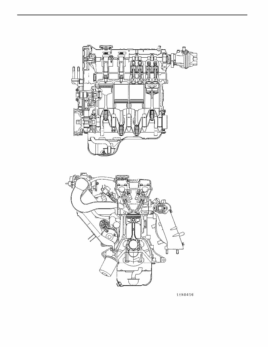
4G1 ENGINE (E-W) - General Information 11A-0-3 PWEE9520 E Nov. 1995 Mitsubishi Motors Corporation GENERAL INFORMATION
4G1 ENGINE (E-W) - General Information 11A-0-4 PWEE9520 E Nov. 1995 Mitsubishi Motors Corporation
4G1 ENGINE (E-W) - General Information 11A-0-7 PWEE9520 E Nov. 1995 Mitsubishi Motors Corporation Descriptions 4G15- CARBURETTOR 4G15-MPI Type In-line OHV, SOHC In-line OHV, DOHC Number of cylinders 4 4 Combustion chamber Semi spherical type Pentroof type Total displacement dm 3 1,468 1,468 Cylinder bore mm 75.5 75.5 Piston stroke mm 82.0 82.0 Compression ratio 9.0 9.5 Number of Intake 8 8 valve Exhaust 4 8 Valve timing Intake opens BTDC 14_ BTDC 16_ Intake closes ABDC 48_ ABDC 40_ Exhaust opens BBDC 55_ BBDC 45_ Exhaust closes ATDC 13_ ATDC 15 _ Lubrication system Pressure feed, full-flow filtration Pressure feed, full-flow filtration Oil pump type Trochoid type Trochoid type Cooling system Water-cooled, forced circulation Water-cooled, forced circulation Water pump type Centrifugal impeller type Centrifugal impeller type PWEE9520-A E Dec. 1998 Mitsubishi Motors Corporation Added
This workshop service manual is specifically for the 1.5L 4G15 engine used in the PROTON JUMBUCK. It is a comprehensive guide tailored to meet the needs of Proton/Mitsubishi technicians globally. The manual is not a scanned copy and offers high-quality, well-structured content. It is designed for both professional mechanics and DIY enthusiasts. Please note that this manual exclusively covers the engine.