1999-2000 Porsche 996 Electrical Wiring Diagram Manual
1999-2000 Porsche 911 Carrera (996) Electrical Wiring Diagrams Manual
The 1999–2000 Porsche 911 Carrera (996) Wiring Diagrams Manual is a comprehensive OEM resource designed for technicians and experienced enthusiasts working on Porsche’s first water-cooled 911 generation. This manual offers a complete set of factory-issued wiring schematics, component connection maps, and detailed diagrams essential for diagnosing and repairing electrical systems in the 996-series Carrera models.
Contents Overview:
- Lighting Systems – Exterior and interior lighting circuits including ROW and USA/Canada variants
- Instrument Cluster & Sensors – Diagrams for gauges, sensor inputs, and dashboard systems
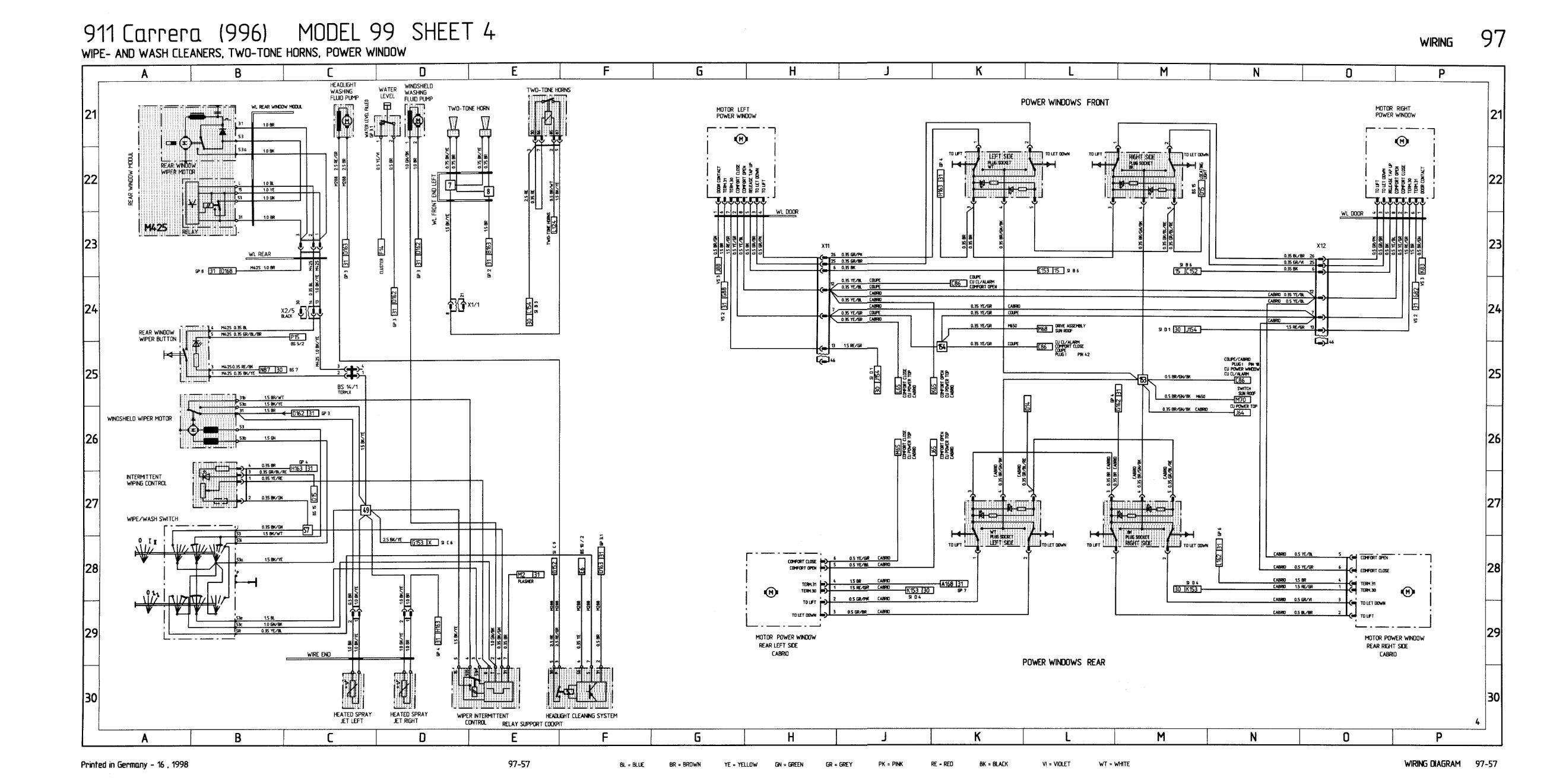
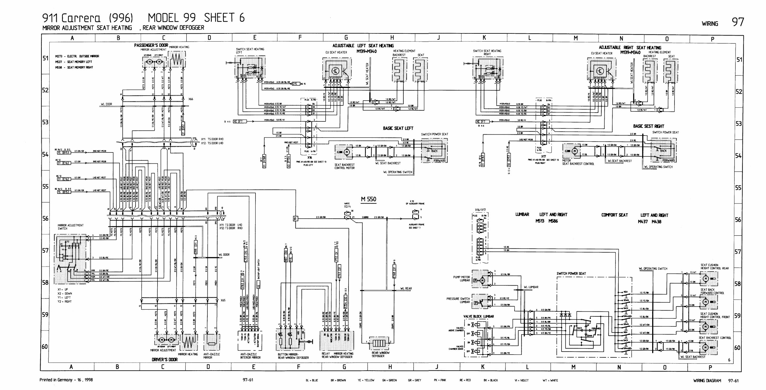
- Power Accessories – Includes windows, mirrors, seat heating, sunroof, spoiler, and convertible top drive
- Climate & HVAC Systems – Engine cooling, heater, and air conditioning system wiring
- Safety & Control Systems – ABS, Airbags, Cruise Control, Porsche Stability Management (PSM)
- Drivetrain & Engine Control – Detailed diagrams for DME 5.2 and ME 7 Motronic systems, fuel and ignition circuits, and Tiptronic automatic transmission wiring
- Comfort & Security – Central locking, alarm systems, interior monitoring, and anti-theft systems
- Audio & Navigation – Includes schematics for radio, telephone, PCM info system, and navigation units
- Power Supply & Grounding – Battery, fuses, relays, ground points, and power distribution layouts
- Connectors & Components – Pin assignments, connectors, abbreviations, and welding points
This wiring manual is a critical reference for isolating electrical issues, retrofitting OEM systems, or restoring Porsche 996 Carrera models to factory specification. Whether working on lighting faults, module replacements, or harness tracing, this diagram set provides the clarity and accuracy expected from a factory Porsche technical manual.
Printable: Yes
Language: English
Compatibility: Pretty much any electronic device, incl. PC & Mac computers, Android and Apple smartphones & tablet, etc.
Requirements: Adobe Reader (free)









