calcActive())">
PORSCHE 928 S Model 89 Wiring Diagram
What's Included?
Fast Download Speeds
Online & Offline Access
Access PDF Contents & Bookmarks
Full Search Facility
Print one or all pages of your manual

Wiring 97
0
Wiring Diagram Type 928 S
Model 89
Sheet 1
Sheet 2
Sheet 3
Sheet 4
Sheet 5
Sheet 6
Sheet 7
Sheet 8
Sheet 9
Sheet 10
Sheet 11
Sheet 12
Coordinates
i- 10
I- IO
II- 20
21- 30
31- 40
41- 50
51- 60
61- 70
71- 80
81- 90
91 - 100
Lights Row
Lights USA
Body
Instrument Cluster and Senders
Engine Cooling, Heater, Air Conditioner
Outside Mirror, Power Seat
Seat and Mirror Memory
Radio, Alarm System
Antilock System, Tire Pressure Control,
Porsche Lock Differential, Traitor Coupling
Motor, Fuel and Ingnition, Cruise Control
Central Electric
Constr. Components, Plug Connections,
Ground Points
Current Flow Diagram 97-309

Wiring Diagram Type 928 S
Model 89
The wiring diagram comprises of 11 individual wiring diagrams and 1 sheet construction
components, plug connections and ground points. They are subdivided into coordinate fields.
Each individual wiring diagram comprises a part of the central-electrical system within a
dashdot frame.
This part of the central-electrical system shows all the lines and relays required for the
individual wiring diagram.
The ground-connecting points are designated with “MP” and their location is shown in a vehicle
diagram.
The lo-pole plugs on central electrical system are clipped together from 3 parts.
Part 1, with the cast-on fastening pin, is the “initial element”.
Parts 2, is the “module element”.
Both parts are identified by the digits 1......5.
Part 3 is a “coding element”.
The designations of the plug connections in the wiring diagram for central electrical system
refer e.g. from A 1l....... 15, to the “initial element”, from A 21......25 to module element.
Printed in Germany - XXI, 1988

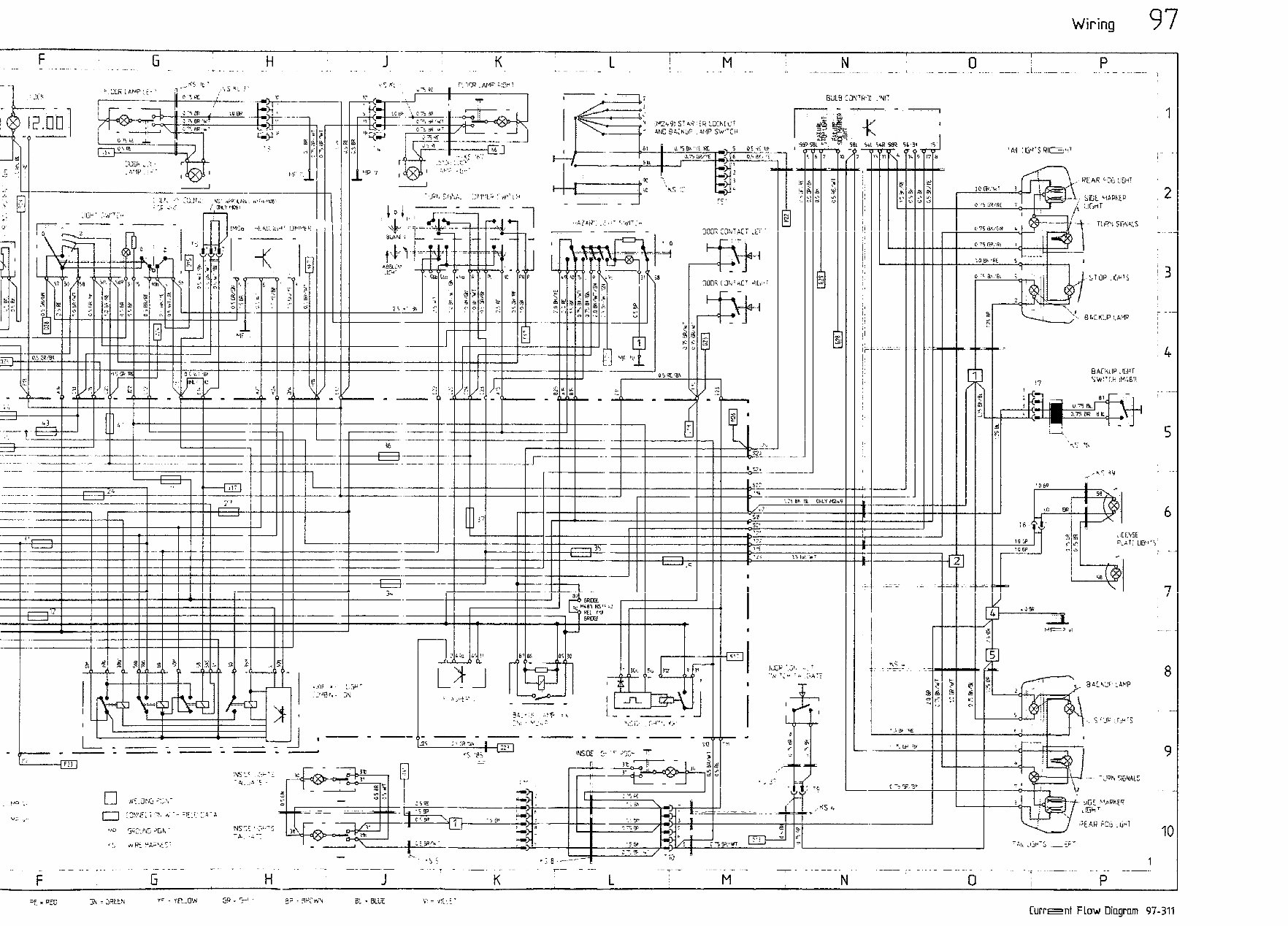
Wiring 97
Wiring Diagram Type 928 S
Model 89 Sheet 1
Lights Row
Coordinates
l-10
Current Flow Diagram 97-311

Ww-q Lhagram lype YZ8 S Model BY Sheet 'I
LlthTS ROW
.,.3ir
-:
s, --
c
d.
‘i Lk
r,
12.llE3 1
UP :
?
G!C/J BCY
-At+'
I-------
1
FMJdE.
wvn, rdh-
.IF GI ,I+ ’
hS’,;ky , QII,,.T
; ‘blNL
';'+'AV'MFh' REA2 WI
! SW
illi. 'l.!ir !jWl'Lh
,I6H' s\N!-L I-
'TDP L,W;
-06 LAMP
1.
I
ACOI'IONAL
WIGP JEAMS
I
-+4!;m.ilrH ' IJl?'W q
3
CONCEAI EO 1.K I\OI.IGH
PIGHT
:
d
s
I
o 0
Id
1~
I’ 1
-c 2
ii
. CONLZAL~C HEAOLIGH
MClOR
r - -
w 18
=
5
6
7
8
9
IO
i%
X
-2
%?&f=&i~y
I
,________ _i--------- 1 yf=:; -j :_”
h j j I,,, o “,,. ‘,pt i
hl
i - i i I i le.i i j i i
-
, +!jqEE:
NE E,YIP:
455E";li I EF '
I
LJ
.a. -
I
-11 1 I
_ !l tbG!dNU'
..I- I __ -- -. - -. I
L-J,
*
cu
1 1 I I
Y
_.--
,
a, Eb
YPV 2
3
I
5
f!
".*1s a' !.!:,tr-
$
;wy+. . y
II' 1
P 5
-s
- - - - --
AWIr~oNAL
HlGld BEAT
I
i!lT, LLW
SIOL !SAR”,E4
JGIJ'
SE ‘.if+<
SICW.! :! =
I
VE
7
,’
10-J-J JI:” i
‘.$ ‘;
LOl. 1 AMP Yh
:Et.-Qd- ELECTRIC
--s-m
Qi _ J ' 'r
---m-e-
MP ‘<
‘\
rs ‘1
+I01 ~~~.
I
t+ A’\
/ yp I\!
L/f, Ji!i
+ih’E ~lfij -:;.?, ’
‘.oN”Iy; i ‘3. h ”
%pJ*,c *j;b. -
,vU!PE ~I’;~i.~~
PO :
-
MP V’I
::pi :i.‘p
&lNMIRfE” : i dY
4RE M?E +bWE':b j
. _._.
.- -- T. -
_.. -
A B 1 c E F G H J
K ;
35 *BiAcK 'h'l - 'WV TE RF-Rffi 31 - jREE?i I' YnJ'n' EP ? r,i: 9 3; i Ji-';WN EL - BLUC
v, x .,!<. E‘
Printed in Gernmy - XXI. 1988

Wiring 97
1
I
L j M
,
N 0
I
P
F
G
_-
1 ,, I,
*s ‘C’
C ,301; AMP :t. r
;‘,5 KL !‘
i:? -
I-- il
DIE #’
.++$A
- Jl;t, ;~‘,h,:. :;,b,p:L’. : dl’ 1 :A
,
3:
IMAL)lS'4~7 iW LOChWT
ANC P:;hhP 4!.lP srF:t,
r
- -
.Yajg’
fB ,2&i
K
i
n
_1
I
1,
‘8
:i
ii
I’
i’
;li
I All : W’S RlC5’rT
OIJOF :OIv:ACT it?
bi. ,- - - - r----“--7 1
SW”1 SIGN4:S
.-
-2%
-I
:m (3h 1 I\CT h'~t,i':
ti
6
-
.-_-. I I I 1
’
.__. _ ___
1,‘I Ll ‘nt
J ,(J- ,, L ’
0 5 II ‘BP
A
?I ,
Y
%
>L 1, a 6:
c:
r; y:
1 >
;
:,
<
m m
()=-Q
m
4 _-
,;y- i;(r) _ ~.~~~~-~
~~~~~~~:~- I’l-~4#E&~“‘-
.- ._.. ~.r-fj----- ._ --_ -__ __ ._
EIAII(tIP LIGHT
'7
\bv!':.H :M;Oll
i .-
A%#
3
4
I 571
-.+. .-_-_-_, J
_I__-I
3. 5:: '11 L, 7 : :5 B* -- 9 OUIY n
--_-
SIC
S^'
'7'
'?i
115
'ii
1.5 Iti IIT
I-
I
--
- “L
JS 117
. -_-.-__I_ _...
.___-- _._-- _.-. --._ i”
----- -
_-..
-... I
1
-1’! ! I I*
_-
Ld
_ _ .. -_- .- ----+t---.-A.-
.-
3..
- __-
- -._.----
FLATi LIGtIrI
-
8
1
---.
I
(y’:
I
,&” ‘2,. -_ v
.‘* 7; r 1 ‘. ;;A’[
I
I
- d
7
8
i Js
r C.
.z >
.I’
&,pJq$j $1. $1 ??JJ.JsJ $ A-
j p?ijjJ yy?JE?q j-r- > ! ?z,: iY -;;,z .; ~.!=Y?-J.~~
d
CT> (If!.@ ~ ,E,o”_” in ,>,‘f-
L .I j vj k’
.
., ‘; ‘JP .‘l+‘s
I ,l’
L 1
1 II .-- --b ----- ------ 1
A-----.
I_-----_---_ L--fJ ’
io
- - ---- --pm I#&E ,c. c >‘.:3L -F
c I
Th’f21
‘~,“’ ,.-‘:, ,+q: ~~, v ” ‘-‘- ;.- r;l: -+gz*j’:fl ,I1
-$I..:” .! 0:
I
.-. -$hi :IGbAL:
JE3.R FC5 4rT
I=] ‘:?!?p;; -7. h -..wi. ::a-$9
VD 5++;:_1@& JClh
e :>
.vp: rA;h;t::
r4cJ ‘,
UT. “‘,
- .------ _. _
H --
-. ---
F
.__ ..-. . .
r- - ---
L ~
--- ------ .--- -- ----- ----.
o .i ..- ___. . . _- --_
G J K M
I
N
p
"E-PEG
5 i jpby; YC YR-ow
zp = '2-1 ?i i ~!yVlN
EL = BLrn
y, = .,!'...E-

Wiring 97
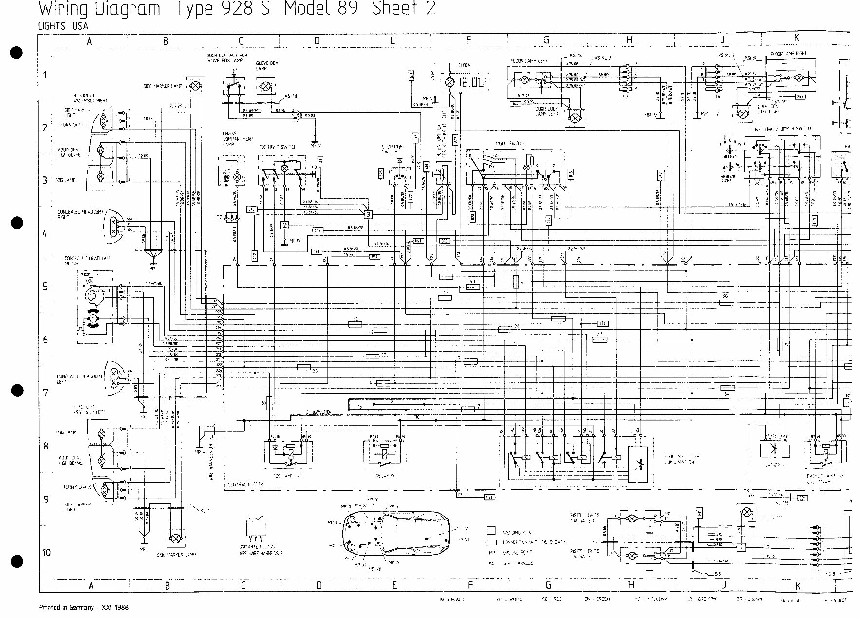
Wiring Diagram Type 928 S
Model 89 Sheet 2
Lights USA
Coordinates
1 - IO
Current Flow Diagram 97-313

Wiring Uiagram lype Y28 S Model 89 Sheet 2
LIGHTS USA
A
I
8
I
I:
I
._1. .
II
I
E . _ _ ,;
F J
I
K
-.i .__
._. ..__ -.. --.----
..- ._._ ..-. .__ -_._-.. . .- ..-_ . ._ .-. --.__ ._..._ -.
Vs Kt I’
FL3OR 1 AMP LEFT
“;5A[ 1
FLOOR LA!+ RIGHT
l-
OOOR CONTACT FOR
GLOVE-BOX LAMP
GLOVE BOX
LAMP
--J-m--
.
J
+I- ;
- -
1
3
6
8
9
IO
SIIIF mRhi‘R ! AYP I
IE ‘..Jl !EH I
AS’,L YRL ‘: HlfiHT
r”i;b ‘,,:,N/\, ,/ !lIMYfR CW’Y +I
ENGIM
m:!JMCnR ‘MEN’
LwlP
4
FOG LIGHT SWI’U
w ‘I
h AOlJITlWd
HlGh Bt+lC
XC ! AMF
CONLEA! tD ‘it aOl.lGW
RlGtlT
CONLt..l r 1: I II AUI 114 1:
ML ‘Eli m
I I/_,(
r--f- y----+---- -t--f---- It -----I
-., ..”
--
l-
a*[*!,r. SUP ‘>.I)
I .,-
JV. “l.:“.!
-s Fe
----UP-
2. : 7 ;lr ‘n B
!?’
‘/., ‘F
lli
r-
:‘X LAMP *II
YEIlTQAi. FI E: TQiT
I
1
YP
‘;;rJt :‘:PKER -29
\%T:IIW w%-
j-J ! *?cr -p& s*-‘Tb -It’.‘, :r--
MP
~~,;q 3y,:
IF a WKE LiAR4ESS
r;NPUR,KEC .: A"? J
ATE ,.&RF @..?W 15 3
*se--
f
I---- -- --- .----.- ----- --------
--_ _-.-- ._- - _--.-. _--.
A
I
I3 c j Cl I
.__._-.-. _. ,
E F H
I
J
-K i
W = BLAT6 VP = v.WE EE : ‘iEr aiF, : “REEN .;il z G.=dE --’
el q aLbF r, ‘/imE
Printed III Germany - XXI. 1988

Wiring 97
F !
G
/ /
H j J ! K
- IKS lb;
FL OCR I AMP LEFT
VS KL 3
#
“758 /
II --+xP
RUl H CONTROL UM I
, SIOE >-IARfCfH iAMP
OOOR iOC*
1
;-
:- -.
6
n
I
r3
s
7
‘- &Sk
3 O’ -
.j LB‘
/‘2
.?T
‘;
x
‘* 0
;’
if
..
i
al
.>, *
ri <>
--
J
I
i
‘b
. . .
.A
7
- -
TAIL III5 3TS RlGtlT
dr 0 !5w.rtxE
4-+--k-
5 OIRLBL ‘:
0 3 (rP ‘,‘l D OSBLlYF
+I-- rxqem F
1
z
110 1
co KS‘?
@=i
c
----I
‘5’
rUF\ XINP. ./ OIMMER :W’Yr
T
;~
I!
I’
I8
1:
I
I 1
11:
/t
Ii
iI
1;
!i
I;
I’
;I
;I
Jo
II
18
;I
/!
I
?UUR CON1 Ai T :.:1F!
,: TURN OIGNALS
SIUE MARKER
LIW T
..-5TOP LIGHTS
UPChtlP LAMP
hAZARC i ,.’ <dl”? 1
e-m
--
RhiKtlP LIGHT
I?
SWlTi’H f+14811
PLATE LtGH
I -
---.
I
..
111
---- L /---id-
TS
K; ‘,
.- - .; -..--
,?%I : 4 I ’
-Al:.:?
4; *
lll\iKllP ; 4r!P
- S’OP LIGHTS
-- -- - - - -
_-m-
T.‘G’. Si6NALS
wy )I+c WY -
I itjyt! -NJ bhTb “f Y. :A“
:+: .y --:‘I,:
d’@ ‘iARtiE5S
MP
YS
1 ----
_ _ _ _..--. _ ..-.... ._~__. ..- - .- .------ --
F
G H ;
.-r.--- --
J
K -r. - - L. T M . ..-.
N 0
: 1 &4:x VF = tiWE RE : SEC jh = %IEEN YE = ‘?ciw ~2 : GREt ja : eRplvv,~ z: 2 eLiiF
i ttmc-
.
Current flow Oingram 97-313

Wiring 97
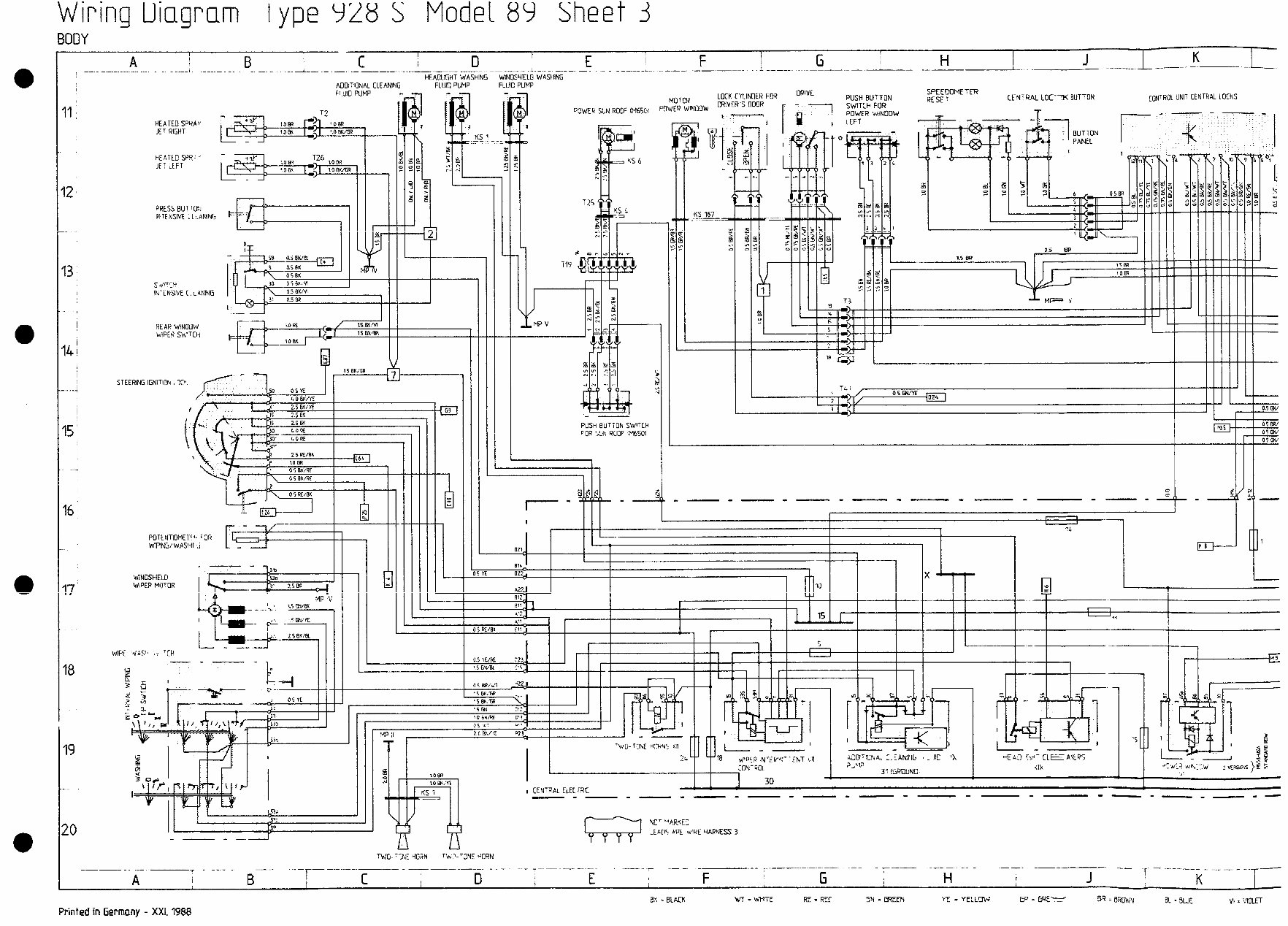
l
Wiring Diagram Type 928 S
Model 89 Sheet 3
Body
Coordinates
II-20
Current Flow Diagram 97-315

Wiring Uiagram lype YZ8 S Model 8Y Sheet 3
A
, __ -.___.
F
1
G
--.--L---.-
H I J
--- I-
_ ---- -.L-.
K
_-.--I-.
LOCK CYLINUER FOR
ORYE
c1n I n!4 Y,. r^ ^ _^^I
PUSH RUTTON
SWIT:h FOR
POWER ‘WINOOW
SPEEOOblETFR
RESET
T
CL-NTRAL LOC’-X BUTTON [O,,TRJt UNIT CENTRAL LOChS
- 11 ;
12'
_.
13
>
I
14;
DOWE SUN ROOF ~FlbSOI
HEATED SPYA)
ET RIEHT
-3 KS 6
PIESSBUl 'Ui'r
IN TE NSIVE ; L i.ANlNG
pJ
E,ai%
1
5 ;z .J/ 7 .J
? IL
8
T3
I Y, ’
I”” ‘IIII/IiI
I I,
0
I<
II I!
I I I I I I I
s ,.“‘I? yi
IN‘LNSIVE t,~4:8NG
REAR WlNOtlW
WIPE’: SW’TCH
.p-J$-+&
k .
a
6
/
+-----l STEERING IGNITION i XI’ 4’ - 1
I?=--
1.:’ ”
~Jl,ro PSK I(
I I I I I
w$f OS&T (024
I I ,
0.5 w
05W
05W
05W
15
16
I
PUSH BUTTON SWITCh
FOR ‘>Ulu 4UOF iM6501
‘t t 7 tx!$ ,;,k
\4#. $,.,,a,
*
\
_’
n < WIOF /Ill /I
I/
I I
L
L I
I
I I I I
1 ,,;
I
’
05 YE 022
&27J
IO
RC]
--
01 PI/ PI
,--~#-.A~ ----- ------- ----- yL-~-y-‘I-
; L--l--k
1
I
r I
I t
I
lb
I ‘1 I Ill,
PCIT~NTIC+IE~“‘* ‘!I?
WIPING/ WASI4I :J
WlNOSHlELD
WIPER MOTOR
17
18
I
!-q+-=$ .zy-j 1 / 1 j
L'
WIPE ,JW .r ‘CH
,---_
Y
P
ti
5
d
I--
k-
-II
.--I
< L
p..
z
&,m / r A+++P 7
’
>VllU ~..
‘5EkW
\,I I If. I,\\”
3 “mm
106”rn
11
II
I
l!E-----
19
+2D ‘TV’- CLEZAKR:
<IX
XfllTK;NA, :,EAMflG I_ IIC ‘X
?,hlF:
3: IGROLINO
I CENTRAL ELEL iRlC
, I
-m---w v--------------m --w--
15%
F:
[sr
- - - _
’ ’ I y # m ;;;[;4:;;t,VE qJsJJ~~ 3 20
I-J U
TWO- “32 m(ORN hi<‘- r2NE +ORN
.__ _..___.__ -..-.-.- --.. _-. ---L__-. -__ -.-
--r-- --
______-__ _ ____-.----. _. _. ..- _-.-. - ---.-.
----r- ---. -
.-- _ _-- __._ -. __ _
A !
B c I D j E ; F 1 G ; H ;
-r- - --.----- - ---- - - -
J I K
3s = BLACK WT - WrfiE RE - Rrr vi - EEEPI UE - YELLFd E? = GRE--5 59 = ERIJWN 81 - stx VI - i’l0LE-l
Printed in Germany - XXI. 1988
You're Reading a Preview
What's Included?
Fast Download Speeds
Online & Offline Access
Access PDF Contents & Bookmarks
Full Search Facility
Print one or all pages of your manual
$27.99
Viewed 69 Times Today
Loading...
Secure transaction
What's Included?
Fast Download Speeds
Online & Offline Access
Access PDF Contents & Bookmarks
Full Search Facility
Print one or all pages of your manual
$27.99
The manual you will receive contains all the necessary instructions for solving electrical problems in your car. This same manual is utilized by professional garages and workshops to address electrical issues.
By using this manual, you can potentially save a significant amount of money as it provides all the technical information required to solve electrical problems. It includes illustrations and diagrams, making it accessible even for individuals with limited electronics knowledge, enabling safe and straightforward car repairs.