2004 Pontiac Aztek Service & Repair Manual Software
If you are in need of a repair manual for your 2004 Pontiac Aztek, look no further. This accessible repair manual software is perfect for both professional mechanics and DIY enthusiasts. In the past, traditional service manuals in book format were costly and less convenient. However, this digital format provides the same information at a much lower cost and with greater convenience.
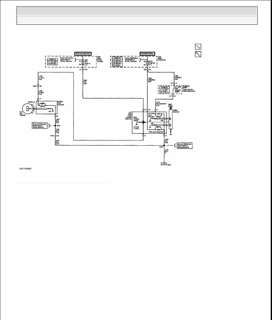
Whether you need to fix the brakes, replace suspension components, get the engine running, or perform standard maintenance, this repair manual software has you covered. It includes comprehensive service information for the brakes, engine, suspension, steering, drivetrain, electrical systems, heating, air conditioning, and more.
By utilizing this 2004 Pontiac Aztek repair manual software, you can save a significant amount of money on vehicle maintenance. Mechanics often charge high fees, but with this manual, you can perform the repairs yourself. The software is compatible with Windows, Mac computers, smartphones, and tablets, making it easy to access and use.




