2009 Kia Sorento V6 3.3L OEM OEM Shop Service & Repair Manual FSM

What's Included?
Download Lifetime Access
Fast Download Speeds
Online & Offline Access
Access PDF Contents & Bookmarks
Full Search Facility
Print one or all pages of your manual
Viewed 54 Times Today Fire
Trust Guard Security Scanned
Secure transaction
What's Included?
Download Lifetime Access
Fast Download Speeds
Online & Offline Access
Access PDF Contents & Bookmarks
Full Search Facility
Print one or all pages of your manual
$35.99

The KIA Sorento V6 3.3L 2009 OEM Factory Shop Service repair manual FSM is an essential tool for anyone who owns or works on a 2009 KIA Sorento V6 3.3L model. This comprehensive manual provides detailed instructions and step-by-step procedures for repairing and maintaining your vehicle.

With the OEM Factory Shop Service repair manual FSM, you can confidently tackle any repair or maintenance job on your 2009 KIA Sorento V6 3.3L. Whether you're a professional mechanic or a DIY enthusiast, this manual will be your trusted companion.

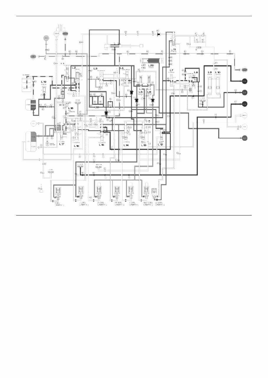
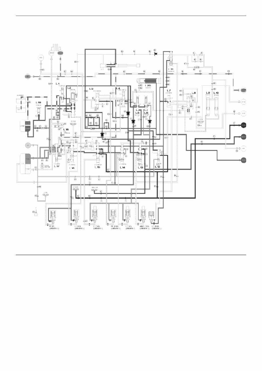
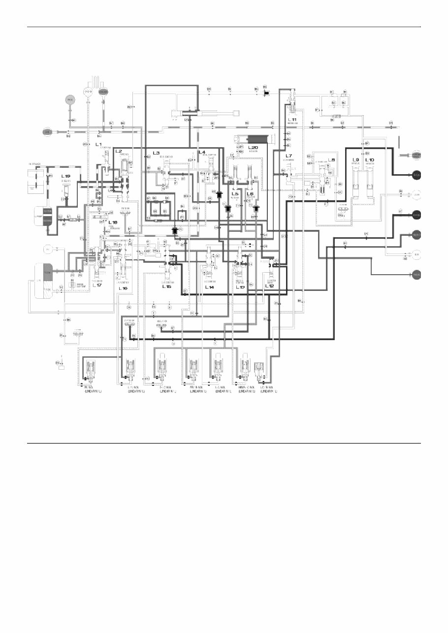
  • Provides detailed diagrams and illustrations to aid in understanding
  • Covers a wide range of topics, including engine, transmission, electrical systems, brakes, suspension, and more
  • Includes specifications and troubleshooting guides to help diagnose and solve issues
  • Written by KIA technicians and engineers, ensuring accuracy and reliability

Investing in the KIA Sorento V6 3.3L 2009 OEM Factory Shop Service repair manual FSM will save you time and money in the long run. By following the instructions and guidelines provided, you can effectively repair and maintain your vehicle, ensuring optimal performance and longevity.

Happy Clients 5,521,897 Happy Clients
eManuals 2,594,462 eManuals
Trusted Sellers 1,120,453 Trusted Sellers
Years in Business 15 Years in Business