1992 GMC Typhoon Service & Repair Manual Software

What's Included?
Download Lifetime Access
Fast Download Speeds
Online & Offline Access
Access PDF Contents & Bookmarks
Full Search Facility
Print one or all pages of your manual
Viewed 68 Times Today Fire
Trust Guard Security Scanned
Secure transaction
What's Included?
Download Lifetime Access
Fast Download Speeds
Online & Offline Access
Access PDF Contents & Bookmarks
Full Search Facility
Print one or all pages of your manual
$36.99

If you are in need of a repair manual for your 1992 GMC Typhoon, look no further. Our accessible repair manual software is the perfect resource for both professional mechanics and DIY enthusiasts. In the past, traditional service manuals in book format were costly and inconvenient. Our repair manual software provides the same valuable information at a more affordable price and in a more convenient digital format.

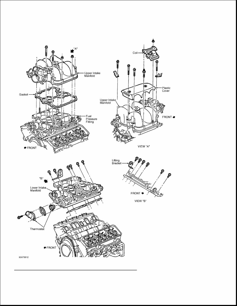
Whether you are looking to fix the brakes, replace suspension components, address engine issues, or perform standard maintenance, this manual has you covered. It includes comprehensive service information for the brakes, engine, suspension, steering, drivetrain, electrical systems, heating, air conditioning, and more.

By utilizing this repair manual software, you can save a significant amount of money on vehicle repairs. Professional mechanics often charge high fees for their services, making a DIY approach a cost-effective alternative. The manual is designed for ease of use and is compatible with Windows, Mac computers, smartphones, and tablets.

Happy Clients 5,521,897 Happy Clients
eManuals 2,594,462 eManuals
Trusted Sellers 1,120,453 Trusted Sellers
Years in Business 15 Years in Business