2009 Ford Mustang Service & Repair Manual

What's Included?
Download Lifetime Access
Fast Download Speeds
Offline Viewing
Access Contents & Bookmarks
Full Search Facility
Print one or all pages of your manual
Viewed 23 Times Today Fire
Trust Guard Security Scanned
Secure transaction
What's Included?
Download Lifetime Access
Fast Download Speeds
Offline Viewing
Access Contents & Bookmarks
Full Search Facility
Print one or all pages of your manual
$36.99 $48.99

The 2009 Ford Mustang Service & Repair Manual is a comprehensive guide that provides detailed information and instructions for servicing and repairing your 2009 Ford Mustang. Whether you are a professional technician or a DIY enthusiast, this manual is designed to help you efficiently and effectively maintain and repair your vehicle.

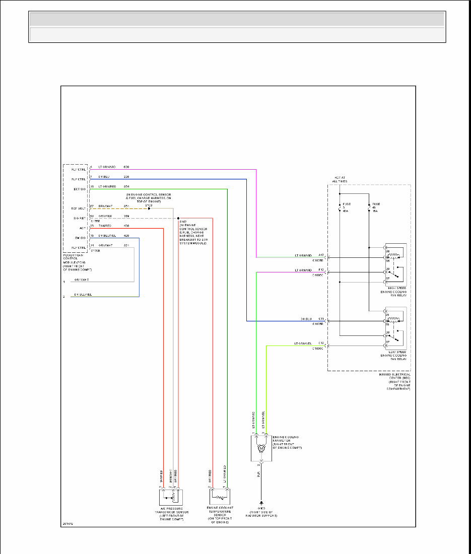
With this manual, you will have access to step-by-step procedures, diagrams, illustrations, specifications, and troubleshooting tips. It covers a wide range of topics, including engine, transmission, suspension, brakes, electrical system, heating and cooling, and much more.

Compatible Models:

  • 2009 Ford Mustang V6-4.0L
  • 2009 Ford Mustang GT-4.6L
  • 2009 Ford Mustang Shelby GT500-5.4L

Whether you need to perform routine maintenance or handle more complex repairs, the 2009 Ford Mustang Service & Repair Manual is an essential tool that will help you get the job done right. Trust in the comprehensive and reliable information provided to keep your 2009 Ford Mustang running smoothly for years to come.

Happy Clients 5,521,897 Happy Clients
eManuals 2,594,462 eManuals
Trusted Sellers 1,120,453 Trusted Sellers
Years in Business 15 Years in Business