calcActive())">
KUBOTA L3130 DT Tractor Parts Manual ILLUSTRATED LIST IPL
What's Included?
Fast Download Speeds
Online & Offline Access
Access PDF Contents & Bookmarks
Full Search Facility
Print one or all pages of your manual

Instructions for Parts Books
The heading at the top of the page will be the same for the picture of the parts at it is for the page with the part
numbers.
Definition of column headings on part number pages:
REF.No The number refering to the part on the picture page of the parts book.
Part No. The number assigned to this part at the time of printing the parts book.
Description Discription of part.
Q'ty Quanity of part used on that page.
S.No. Serial number range of the equipment that this part will fit.
>= Your serial number should be greater than or equal to the number shown.
<= Your serial number should be lesser than or equal to the serial number shown.
I/C Interchangeability of part shown.
The part shown will work for the older and later serial number.
# The part shown is not interchangable with the other serial number.
new for old
old for new
Remarks Notes about this particulart part. Sometimes this may say except [FR] or [CA]
Note about Country Codes:
The parts books we use in the United States of America may also contain information about a part that would be
different in another country. It is important that you are aware of the country codes in some instances.
Symbol Country
A United States of America
CA Canada
FR France
GR Greece
PO Portugal
AU Australia
If the remarks column says for example EXCEPT [FR] this part works in all countries except France.
That means it will work here in the USA.

|ALL PRODUCT INDEX
L3130DT/GST/HST
Ref. L3130DT/GST/HST Page 12054
ENGINE
FUEL SYSTEM
COOLING WATER SYSTEM
ELECTRICAL SYSTEM
CLUTCH/TRANSMISSION/REAR AXLE
SPEED CHANGE LEVER/BRAKE
FRONT AXLE/CHASSIS
STEERING
HYDRAULIC SYSTEM
HITCH/DRAWBAR
HOOD(BONNET)/ROPS/CAB
FRONT WHEEL/REAR WHEEL
LABELS
ACCESSORIES
OPTION

Ref. L3130DT/GST/HST Page 12054
Item Part No. Description Book
ENGINE 01000101 CRANKCASE 100K0721
01000201 OIL PAN 100K0721
01000301 CYLINDER HEAD 100K0721
01000401 GEAR CASE [ROPS TYPE] 100K0721
01000501 HEAD COVER [OLD TYPE] 100K0721
01000502 HEAD COVER [NEW TYPE] 100K0721
01010001 MAIN BEARING CASE [OLD TYPE] 100K0721
01010002 MAIN BEARING CASE [NEW TYPE] 100K0721
010101 CAMSHAFT AND IDLE GEAR SHAFT 100K0721
01010201 PISTON AND CRANKSHAFT 100K0721
01010302 FLYWHEEL [EXCEPT HST TYPE] 100K0721
01010303 FLYWHEEL [HST TYPE] 100K0721
01010501 FUEL CAMSHAFT 100K0721
010200 ENGINE STOP LEVER 100K0721
010202 INJECTION PUMP 100K0721
010204 GOVERNOR 100K0721
010205 SPEED CONTROL PLATE 100K0721
010206 NOZZLE HOLDER AND GLOW PLUG 100K0721
010207 NOZZLE HOLDER [COMPONENT PARTS] 100K0721
01050001 WATER FLANGE AND THERMOSTAT [ROPS
TYPE]
100K0721
010501 WATER PUMP 100K0721
010600 VALVE AND ROCKER ARM 100K0721
010601 INLET MANIFOLD 100K0721
010603 EXHAUST MANIFOLD/MUFFLER 100K0721
01060401 AIR CLEANER [ROPS TYPE] 100K0721
01090101 UPPER GASKET KIT 100K0721
01090201 LOWER GASKET KIT 100K0721
01A01001 ACCELERATOR LEVER [ROPS TYPE] 100K0721
01A020 ACCELERATOR PEDAL [EXCEPT HST TYPE] 100K0721
FUEL SYSTEM 01A101 FUEL TANK 100K0721
01A11001 FUEL PIPE AND FUEL FILTER [ROPS TYPE] 100K0721
01A120 FUEL FILTER 100K0721
01A130 FUEL FILTER [COMPONENT PARTS] 100K0721
COOLING WATER SYSTEM 01A401 FAN 100K0721
01A410 WATER PIPE 100K0721
01A42001 RADIATOR [EXCEPT HST TYPE] [ROPS TYPE] 100K0721
01A42002 RADIATOR [HST TYPE] [ROPS TYPE] 100K0721
01A43001 RESERVE TANK [ROPS TYPE] 100K0721
ELECTRICAL SYSTEM 01A51501 ALTERNATOR 100K0721
01A52001 ALTERNATOR [COMPONENT PARTS] [ROPS
TYPE]
100K0721
01A52501 STARTER 100K0721
01A53001 STARTER [COMPONENT PARTS] 100K0721
01A535 BATTERY 100K0721
01B10201 SWITCH/RELAY [ROPS TYPE] 100K0721
01B10301 SWITCH/SENSOR [EXCEPT CAB [CA] TYPE] 100K0721
01B10401 SWITCH [MANUAL T/M TYPE] 100K0721
01B10402 SWITCH [GST TYPE] 100K0721
01B10403 SWITCH [HST TYPE] 100K0721
01B11501 PANEL BOARD [ROPS TYPE] 100K0721
01B120 PANEL BOARD [COMPONENT PARTS] 100K0721
01B303 HEAD LIGHT 100K0721
01B311 HAZARD LIGHT [ROPS TYPE] 100K0721
01B31201 REAR LAMP [ROPS TYPE] 100K0721
01B50301 ELECTRICAL WIRING [MANUAL T/M TYPE] 100K0721
01B50302 ELECTRICAL WIRING [GST TYPE] 100K0721
01B50303 ELECTRICAL WIRING [HST TYPE] [ROPS TYPE] 100K0721
CLUTCH/TRANSMISSION/REAR AXLE 01C10101 CLUTCH 100K0721

Ref. L3130DT/GST/HST Page 12054
Item Part No. Description Book
CLUTCH/TRANSMISSION/REAR AXLE 01C20101 CLUTCH LEVER [EXCEPT HST TYPE] 100K0721
01C20102 CLUTCH LEVER [HST TYPE] 100K0721
01C30101 CLUTCH PEDAL [EXCEPT HST TYPE] 100K0721
01C30102 CLUTCH PEDAL [HST TYPE] [ROPS TYPE] 100K0721
01C40102 CLUTCH HOUSING [MANUAL T/M TYPE] 100K0721
01C40103 CLUTCH HOUSING [GST TYPE] 100K0721
01C40104 CLUTCH HOUSING [HST TYPE] 100K0721
01C40301 HST (PISTON/PLUG) [COMPONENT PARTS]
[HST TYPE]
100K0721
01C40302 HST (REGULATOR/PIPE) [COMPONENT
PARTS] [HST TYPE]
100K0721
01C40303 HST (ROTARY) [COMPONENT PARTS] [HST
TYPE]
100K0721
01C405 GST VALVE [GST TYPE] 100K0721
01C406 GST VALVE [COMPONENT PARTS] [GST TYPE] 100K0721
01C41001 MID CASE [MANUAL T/M TYPE] 100K0721
01C41003 MID CASE [GST TYPE] 100K0721
01C41005 MID CASE [HST TYPE] 100K0721
01C42002 TRANSMISSION CASE [MANUAL T/M TYPE] 100K0721
01C42003 TRANSMISSION CASE [GST TYPE] 100K0721
01C42004 TRANSMISSION CASE [HST TYPE] 100K0721
01D101 MAIN SHAFT [EXCEPT HST TYPE] 100K0721
01D103 INPUT SHAFT [HST TYPE] 100K0721
01D10501 COUNTERSHAFT [MANUAL T/M TYPE] 100K0721
01D10502 COUNTERSHAFT [GST TYPE] 100K0721
01D10504 COUNTERSHAFT [HST TYPE] 100K0721
01D11001 HYDRAULIC CLUTCH [GST TYPE] 100K0721
01D11501 SHUTTLE SHAFT [MANUAL T/M TYPE] 100K0721
01D11502 SHUTTLE SHAFT [GST TYPE] 100K0721
01D11601 REVERSE SHAFT [MANUAL T/M TYPE] 100K0721
01D11603 REVERSE SHAFT [GST TYPE] 100K0721
01D11701 RANGE GEAR SHAFT [MANUAL T/M TYPE] 100K0721
01D11702 RANGE GEAR SHAFT [GST TYPE] 100K0721
01D11703 RANGE GEAR SHAFT [HST TYPE] 100K0721
01D12501 SPIRAL BEVEL PINION [EXCEPT HST TYPE] 100K0721
01D12502 SPIRAL BEVEL PINION [HST TYPE] 100K0721
01D127 REAR DIFFERENTIAL 100K0721
01D13001 PTO COUNTERSHAFT [EXCEPT HST TYPE] 100K0721
01D13002 PTO COUNTERSHAFT [HST TYPE] 100K0721
01D13201 PTO CLUTCH [EXCEPT HST TYPE] 100K0721
01D13202 PTO CLUTCH [HST TYPE] 100K0721
01D133 PTO CLUTCH [COMPONENT PARTS] 100K0721
01D13501 PTO SHAFT 100K0721
01D20101 MAIN GEAR SHIFT FORK [MANUAL T/M TYPE] 100K0721
01D20102 MAIN GEAR SHIFT FORK [GST TYPE] 100K0721
01D20501 SHUTTLE SHIFT FORK [MANUAL T/M TYPE] 100K0721
01D20502 SHUTTLE SHIFT FORK [GST TYPE] 100K0721
01D21701 RANGE GEAR SHIFT FORK [MANUAL T/M
TYPE]
100K0721
01D21702 RANGE GEAR SHIFT FORK [GST TYPE] 100K0721
01D21703 RANGE GEAR SHIFT FORK [HST TYPE] 100K0721
01D22501 DIFFERENTIAL LOCK SHIFT FORK [EXCEPT
HST TYPE]
100K0721
01D22502 DIFFERENTIAL LOCK SHIFT FORK [HST TYPE]
[ROPS TYPE]
100K0721
SPEED CHANGE LEVER/BRAKE 01E10101 MAIN GEAR SHIFT LEVER [MANUAL T/M TYPE] 100K0721
01E10102 MAIN GEAR SHIFT LEVER [GST TYPE] 100K0721
01E105 SHUTTLE SHIFT LEVER [EXCEPT HST TYPE] 100K0721
01E106 CRUISE CONTROL LEVER [HST TYPE] 100K0721

Ref. L3130DT/GST/HST Page 12054
Item Part No. Description Book
SPEED CHANGE LEVER/BRAKE 01E107 CRUISE CONTROL CABLE [HST TYPE] 100K0721
01E108 NEUTRAL HOLDER LINK [HST TYPE] 100K0721
01E109 SPEED CONTROL PEDAL [HST TYPE] 100K0721
01E11001 RANGE GEAR SHIFT LEVER[MANUAL T/M
TYPE]
100K0721
01E11002 RANGE GEAR SHIFT LEVER [HST TYPE] [ROPS
TYPE]
100K0721
01E12601 PTO CLUTCH CONTROL LEVER [EXCEPT HST
TYPE]
100K0721
01E12602 PTO CLUTCH CONTROL LEVER [HST TYPE] 100K0721
01E12701 PTO CLUTCH VALVE [COMPONENT PARTS]
[EXCEPT HST TYPE]
100K0721
01E12702 PTO CLUTCH VALVE [COMPONENT PARTS]
[HST TYPE]
100K0721
01E140 FRONT WHEEL DRIVE LEVER 100K0721
01E15101 REAR AXLE LH 100K0721
01E15201 REAR AXLE RH 100K0721
01E16101 BRAKE LH [EXCEPT GST TYPE] 100K0721
01E16102 BRAKE LH [GST TYPE] 100K0721
01E16201 BRAKE RH 100K0721
01E16501 BRAKE ROD (BRAKE PEDAL) [ROPS TYPE] 100K0721
01E170 BRAKE ROD (BRAKE CAM) 100K0721
01E20101 BRAKE PEDAL [EXCEPT HST TYPE] 100K0721
01E20102 BRAKE PEDAL [HST TYPE] [ROPS TYPE] 100K0721
FRONT AXLE/CHASSIS 01F10502 FRONT AXLE FRAME 100K0721
01F12001 PROPELLER SHAFT [EXCEPT HST TYPE] 100K0721
01F12002 PROPELLER SHAFT [HST TYPE] 100K0721
01F122 FRONT WHEEL DRIVE SHAFT 100K0721
01F125 FRONT DIFFERENTIAL CASE 100K0721
01F127 BEVEL GEAR (FRONT) 100K0721
01F130 DIFFERENTIAL(FRONT) 100K0721
01F141 FRONT AXLE CASE LH 100K0721
01F142 FRONT AXLE CASE RH 100K0721
01F145 DIFFERENTIAL GEAR SHAFT 100K0721
01F150 FRONT AXLE 100K0721
STEERING 01G10101 STEERING HANDLE [EXCEPT HST TYPE] 100K0721
01G10102 STEERING HANDLE [HST TYPE] [ROPS TYPE] 100K0721
01G10301 TILT PEDAL [ROPS TYPE] 100K0721
01G10501 UNIVERSAL JOINT [ROPS TYPE] 100K0721
01G110 STEERING CONTROLLER 100K0721
01G18002 STEERING CYLINDER 100K0721
01G18502 STEERING CYLINDER [COMPONENT PARTS] 100K0721
HYDRAULIC SYSTEM 01H120 HYDRAULIC PUMP 100K0721
01H125 HYDRAULIC PUMP [COMPONENT PARTS] 100K0721
01H145 REGULATOR VALVE [EXCEPT HST TYPE] 100K0721
01H20501 HYDRAULIC OIL LINE(INLET) [EXCEPT HST
TYPE]
100K0721
01H20502 HYDRAULIC OIL LINE(INLET) [HST TYPE] 100K0721
01H210 HYDRAULIC OIL LINE (DELIVERY) 100K0721
01H21501 HYDRAULIC OIL LINE (PS) [EXCEPT HST TYPE] 100K0721
01H21502 HYDRAULIC OIL LINE (PS) [HST TYPE] 100K0721
01H23001 PTO HYDRAULIC OIL LINE [MANUAL T/M TYPE] 100K0721
01H23002 PTO HYDRAULIC OIL LINE [GST TYPE] 100K0721
01H23501 HYDRAULIC OUTLET BLOCK [EXCEPT HST
TYPE]
100K0721
01H23502 HYDRAULIC OUTLET BLOCK [HST TYPE]
[ROPS TYPE]
100K0721
01H240 HYDRAULIC PIPE(HST) [HST TYPE] 100K0721
01H24501 OIL COOLER [HST TYPE] [ROPS TYPE] 100K0721

Ref. L3130DT/GST/HST Page 12054
Item Part No. Description Book
HYDRAULIC SYSTEM 01H305 TRANSMISSION CASE COVER 100K0721
01H320 LIFT ARM 100K0721
01H330 FEED BACK LEVER 100K0721
01H40501 CONTROL VALVE (W/O REMOTE CONTROL
VALVE) [OLD TYPE]
100K0721
01H40502 CONTROL VALVE (W/O REMOTE CONTROL
VALVE) [NEW TYPE]
100K0721
01H41001 CONTROL VALVE [COMPONENT PARTS] [OLD
TYPE]
100K0721
01H41002 CONTROL VALVE [COMPONENT PARTS] [NEW
TYPE]
100K0721
01H432 CHECK VALVE/SAFETY VALVE 100K0721
01H43501 3P CYLINDER RH 100K0721
01H43601 3P CYLINDER LH 100K0721
01H437 3P CYLINDER [COMPONENT PARTS] 100K0721
01H44001 POSITION CONTROL LEVER [ROPS TYPE] 100K0721
01J105 TOP LINK 100K0721
01J11001 3-POINT LINKAGE (LOWER LINK) 100K0721
01J113 STABILIZER 100K0721
01J115 3-POINT LINKAGE (LIFT ROD) 100K0721
HITCH/DRAWBAR 01K105 DRAWBAR 100K0721
01K125 PTO PROTECTOR 100K0721
HOOD(BONNET)/ROPS/CAB 01L101 FRONT GRILLE 100K0721
01L102 HOOD(BONNET) FRONT SUPPORT 100K0721
01L10501 HOOD(BONNET) [ROPS TYPE] 100K0721
01L10701 HOOD(BONNET) LINK [ROPS TYPE] 100K0721
01L115 SIDE COVER LOWER 100K0721
01L13001 SHUTTER PLATE [ROPS TYPE] 100K0721
01L20101 PANEL FRAME [EXCEPT HST TYPE] 100K0721
01L20102 PANEL FRAME [HST TYPE] [ROPS TYPE] 100K0721
01L203 PANEL COVER [ROPS TYPE] 100K0721
01L210 FENDER [ROPS TYPE] 100K0721
01L21501 FLOOR SEAT [EXCEPT HST TYPE] 100K0721
01L21502 FLOOR SEAT [HST TYPE] [ROPS TYPE] 100K0721
01L21901 SEAT [ROPS TYPE] 100K0721
01L22001 SEAT [COMPONENT PARTS] [ROPS TYPE] 100K0721
01L221 SEAT SUSPENSION [COMPONENT PARTS] 100K0721
01L22501 STEP [EXCEPT HST TYPE] 100K0721
01L22502 STEP [HST TYPE] [ROPS TYPE] 100K0721
01L30101 ROPS (RIGID TYPE) [ROPS TYPE] 100K0721
01L30102 ROPS (FOLDABLE TYPE) [ROPS TYPE] 100K0721
01L50101 SMV EMBLEM [ROPS TYPE] 100K0721
FRONT WHEEL/REAR WHEEL 01P10104 FRONT WHEEL (27*10.50-15) 100K0721
01P10106 FRONT WHEEL (7.2-16 R1) [OLD TYPE] 100K0721
01P10107 FRONT WHEEL (7-16 R1) [NEW TYPE] 100K0721
01P10108 FRONT WHEEL (7.2-16 R1) 100K0721
01P10109 FRONT WHEEL (10-16.5) 100K0721
01P10110 FRONT WHEEL (27*8.50-15) 100K0721
01P10111 FRONT WHEEL (29*12.5-15) [OLD TYPE] 100K0721
01P10112 FRONT WHEEL (29*12.5-15) [NEW TYPE] 100K0721
01P11001 REAR WHEEL (12.4-24 R1) 100K0721
01P11002 REAR WHEEL (44*18-20) 100K0721
01P11003 REAR WHEEL (41/18LL*16.1) 100K0721
01P11004 REAR WHEEL (420/70-24) 100K0721
01P11005 REAR WHEEL (355/80-D20) 100K0721
LABELS 01R10501 LABEL (FRONT) [MANUAL T/M TYPE] [A] 100K0721
01R10502 LABEL (FRONT) [MANUAL T/M TYPE] [CA] 100K0721
01R10503 LABEL (FRONT) [GST TYPE] [A] 100K0721
01R10504 LABEL (FRONT) [GST TYPE] [CA] 100K0721

Ref. L3130DT/GST/HST Page 12054
Item Part No. Description Book
LABELS 01R10505 LABEL (FRONT) [HST TYPE] [ROPS TYPE] [A] 100K0721
01R10506 LABEL (FRONT) [HST TYPE] [ROPS TYPE] [CA] 100K0721
01R11003 LABEL (REAR) [MANUAL T/M TYPE] [A] 100K0721
01R11004 LABEL (REAR) [MANUAL T/M TYPE] [CA] 100K0721
01R11005 LABEL (REAR) [GST TYPE] [A] 100K0721
01R11006 LABEL (REAR) [GST TYPE] [CA] 100K0721
01R11007 LABEL (REAR) [HST TYPE] [ROPS TYPE] [A] 100K0721
01R11008 LABEL (REAR) [HST TYPE] [ROPS TYPE] [CA] 100K0721
ACCESSORIES 01S105 ACCESSORIES AND SERVICE PARTS 100K0721
OPTION 01T10501 WORKING LIGHT KIT [ROPS TYPE] [OPTION] 100K0721
01T11501 CREEP SPEED KIT (GEAR SHAFT) [EXCEPT
HST TYPE] [OPTION]
100K0721
01T11502 CREEP SPEED KIT (SHIFT FORK) [EXCEPT HST
TYPE] [OPTION]
100K0721
01T11503 CREEP SPEED KIT (SHIFT LEVER) [MANUAL
T/M TYPE] [OPTION]
100K0721
01T11504 CREEP SPEED KIT (SHIFT LEVER) [GST TYPE]
[OPTION]
100K0721
01T11701 MID PTO (CASE) [OPTION] 100K0721
01T11702 MID PTO (SHIFT FORK) [OPTION] 100K0721
01T11703 MID PTO (LEVER) [OPTION] 100K0721
01T12601 HYDRAULIC PIPE KIT (HST) [OPTION] 100K0721
01T130 POSITION CONTROL LEVER (WITH DRAFT)
[OPTION]
100K0721
01T133 POSITION CONTROL LINK (WITH DRAFT)
[OPTION]
100K0721
01T135 DRAFT CONTROL LEVER (WITH DRAFT)
[OPTION]
100K0721
01T140 TOP LINK HOLDER (WITH DRAFT) [OPTION] 100K0721
01T144 SWINGING DRAWBAR [OPTION] 100K0721
01T14901 AUXILIARY CONTROL VALVE [OPTION] 100K0721
01T14902 AUXILIARY CONTROL VALVE (FLOATING)
[OPTION]
100K0721
01T15001 AUXILIARY CONTROL VALVE LEVER (1ST)
[ROPS TYPE] [OPTION]
100K0721
01T15003 AUXILIARY CONTROL VALVE LEVER (2ND)
[EXCEPT CAB [CA] TYPE] [OPTION]
100K0721
01T15004 AUXILIARY CONTROL VALVE LEVER (3RD)
[OPTION]
100K0721
01T15501 AUXILIARY CONTROL VALVE COUPLER (1ST)
[EXCEPT CAB [CA] TYPE] [OPTION]
100K0721
01T15502 AUXILIARY CONTROL VALVE COUPLER (2ND)
[EXCEPT CAB [CA] TYPE] [OPTION]
100K0721
01T15503 AUXILIARY CONTROL VALVE COUPLER (3RD)
[OPTION]
100K0721

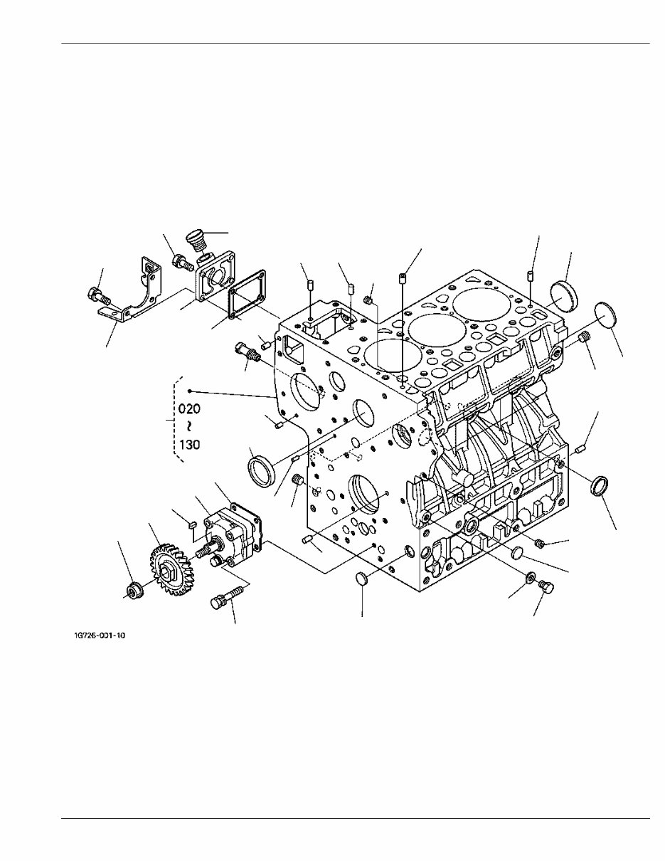
CRANKCASE
Reference: 01000101 Page: 1
010
020
020
030
030
040
040
050
060
070
070
080
080
090
090 090
100
100
110
120
130
140
150
160
170
180
190
200
210
220
230
240
250
260
270

CRANKCASE
Reference: 01000101 Page: 1
REF.No Part No. Description Q'ty S.No. I/C REMARKS Weight
(kgf)
Weight
(lb)
010 1G726-01010 COMP.CRANKCASE 1 <=3Q1566 48.5 106.7
010 1G726-01012 COMP.CRANKCASE 1 >=3S0001 ≠ 48.5 106.7
020 15521-96020 PLUG 5 0.003 0.0066
030 15521-96030 PLUG 2 0.007 0.0154
040 17391-96160 PLUG EXPANSION 3 0.003 0.0066
050 06311-75045 PLUG EXPANSION 1 <=3G0964 0.026 0.0572
050 16271-96160 PLUG EXPANSION 1 >=3J0001 ← 0.025 0.055
060 15221-03380 CAP SEALING 5 0.017 0.0374
070 15221-03390 CAP SEALING 2 0.03 0.066
080 05012-00408 PIN STRAIGHT 2 0.001 0.0022
090 05012-00609 PIN STRAIGHT 3 0.003 0.0066
100 05012-00612 PIN STRAIGHT 2 0.003 0.0066
110 05012-01018 PIN STRAIGHT 1 0.012 0.0264
120 15221-33650 PIN PIPE 1 0.004 0.0088
130 15321-73340 PIPE WATER RETURN 1 0.016 0.0352
140 15221-33610 PLUG 1 0.009 0.0198
140 15469-33610 PLUG 1 ↔ 0.008 0.0176
150 15021-33660 GASKET 1 0.001 0.0022
160 16427-33140 PLUG OIL FILLER 1 0.025 0.055
170 1A021-33110 FLANGE OIL FILLER 1 0.07 0.154
180 1A021-51660 GASKET PUMP COVER 1 0.003 0.0066
190 01023-50618 BOLT 1 0.006 0.0132
200 15471-35012 ASSY PUMP OIL 1 0.55 1.21
210 1A021-35150 GASKET OIL PUMP 1 0.001 0.0022
220 01023-60650 BOLT 4 0.015 0.033
230 19202-35660 GEAR OIL PUMP DRIVE 1 0.23 0.506
240 05712-00410 KEY FEATHER 1 0.001 0.0022
250 15221-35682 NUT FLANGE 1 0.014 0.0308
260 1A021-57483 BRACKET ACCEL.CABLE 1 0.125 0.275
270 01023-50622 BOLT 3 0.005 0.011

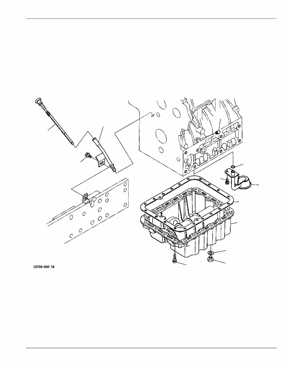
OIL PAN
Reference: 01000201 Page: 2
010
020
030
040
050
060
070
080
090
100
110
120
You're Reading a Preview
What's Included?
Fast Download Speeds
Online & Offline Access
Access PDF Contents & Bookmarks
Full Search Facility
Print one or all pages of your manual
$33.99
$44.99
Viewed 17 Times Today
Loading...
Secure transaction
What's Included?
Fast Download Speeds
Online & Offline Access
Access PDF Contents & Bookmarks
Full Search Facility
Print one or all pages of your manual
$33.99
$44.99
If you own a Kubota tractor, this parts manual is an essential resource for disassembly, repair, and reassembly. It provides detailed illustrations and lists all part numbers for easy reference. Whether you're a professional mechanic or a DIY enthusiast, this manual is highly recommended for owners and prospective buyers.
- Crank
- Oil pan
- Cyl head
- Gear case
- Head cover
- Filter
- Bearings
- Camshaft
- Crankshaft
- Pistons
- Flywheel
- Clutch
- Fuel
- Injection pump
- Governor
- Glow plug
- Water pump
- Air cleaner
- Manifold
- Valves
- Gaskets
- Alternator
- Starter
- Battery
- Electrical wiring
- Differential
- All shafts
- PTO shaft
- All axles
- Drag link
- Steering
- All hydraulics
- Hitch
- Seat
- Accessories
Additionally, this manual covers more categories to ensure comprehensive support for your tractor maintenance needs.
For a wide selection of manuals, feel free to explore our other items or reach out to us for assistance.