Instructions for Parts Books The heading at the top of the page will be the same for the picture of the parts at it is for the page with the part numbers. Definition of column headings on part number pages: REF.No The number refering to the part on the picture page of the parts book. Part No. The number assigned to this part at the time of printing the parts book. Description Discription of part. Q'ty Quanity of part used on that page. S.No. Serial number range of the equipment that this part will fit. >= Your serial number should be greater than or equal to the number shown. <= Your serial number should be lesser than or equal to the serial number shown. I/C Interchangeability of part shown. The part shown will work for the older and later serial number. # The part shown is not interchangable with the other serial number. new for old old for new Remarks Notes about this particulart part. Sometimes this may say except [FR] or [CA] Note about Country Codes: The parts books we use in the United States of America may also contain information about a part that would be different in another country. It is important that you are aware of the country codes in some instances. Symbol Country A United States of America CA Canada FR France GR Greece PO Portugal AU Australia If the remarks column says for example EXCEPT [FR] this part works in all countries except France. That means it will work here in the USA.
|ALL PRODUCT INDEX L2250DT Ref. L2250DT Page 12009 ENGINE FUEL SYSTEM COOLING WATER SYSTEM ELECTRICAL SYSTEM CLUTCH TRANSMISSION SPEED CHANGE LEVER REAR AXLE AND REAR WHEEL BRAKE FRONT AXLE AND FRONT WHEEL STEERING HYDRAULIC SYSTEM DRAWBAR HOOD(BONNET) AND CHASSIS LABELS ACCESSORIES
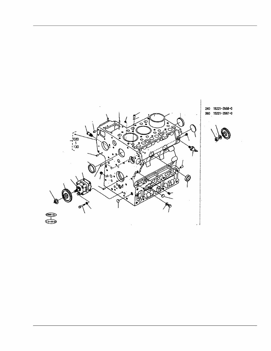
Ref. L2250DT Page 12009 Item Part No. Description Book ENGINE 01T001 CRANKCASE 100K0337 01T002 OIL PAN 100K0337 01T003 PISTON AND CRANKSHAFT 100K0337 01T004 MAIN BEARING CASE 100K0337 01T00501 FLYWHEEL(DC) 100K0337 01T00502 FLYWHEEL(SC) 100K0337 01T006 CYLINDER HEAD 100K0337 01T007 VALVE AND ROCKER ARM 100K0337 01T008 NOZZLE AND GLOW PLUG 100K0337 01T009 CYLINDER HEAD COVER 100K0337 01T010 INLET MANIFOLD 100K0337 01T015 CAMSHAFT 100K0337 01T016 GEAR CASE 100K0337 01T017 WATER PUMP 100K0337 01T018 WATER FLANGE 100K0337 01T019 FUEL CAMSHAFT 100K0337 01T020 INJECTION PUMP 100K0337 01T021 INJECTION PUMP [COMPONENT PARTS] 100K0337 01T022 ENGINE STOP LEVER 100K0337 01T023 SPEED CONTROL PLATE 1 100K0337 01T024 SPEED CONTROL PLATE 2 100K0337 01T025 GOVERNOR 100K0337 01T01101 AIR CLEANER 100K0337 01T01102 DOUBLE AIR CLEANER [OPTION] 100K0337 01T012 PRE-CLEANER [OPTION] 100K0337 01T013 EXHAUST MANIFOLD 100K0337 01T01401 MUFFLER 100K0337 01T01402 UNDER MUFFLER [OPTION] 100K0337 01T02601 STOP ROD EXCEPT [GR] 100K0337 01T027 ACCELERATOR LEVER 100K0337 01T028 ACCELERATOR LINKAGE 100K0337 FUEL SYSTEM 01T029 FUEL TANK 100K0337 01T030 FUEL FILTER 100K0337 01T031 FUEL FILTER [COMPONENT PARTS] 100K0337 COOLING WATER SYSTEM 01T032 FAN 100K0337 01T033 WATER PIPE 100K0337 01T034 RADIATOR 100K0337 01T035 SHUTTER 100K0337 ELECTRICAL SYSTEM 01T03601 DYNAMO EXCEPT [CA] 100K0337 01T03701 DYNAMO [COMPONENT PARTS] 100K0337 01T038 STARTER 100K0337 01T03901 STARTER [COMPONENT PARTS] 100K0337 01T03902 STARTER [COMPONENT PARTS] 100K0337 01T040 BATTERY 100K0337 01T04101 SWITCH AND REGULATOR EXCEPT [FR][GR][PO] 100K0337 01T04201 PANEL [WITH EASY CHECKER] EXCEPT [FR][GR][PO][AU] 100K0337 01T04202 PANEL [WITHOUT EASY CHECKER] [A][FR][GR][PO][AU] 100K0337 01T04301 LIGHT EXCEPT [FR] 100K0337 01T04601 ELECTRICAL WIRING [WITH EASY CHECKER] [A] 100K0337 01T04602 ELECTRICAL WIRING [WITHOUT EASY CHECKER] [A][AU] 100K0337 CLUTCH 01T04701 CLUTCH(DC) 100K0337
These comprehensive manuals cover the servicing, specifications, operation, maintenance, troubleshooting, and more for the following Kubota tractor models:
Kubota Tractor L2250
Kubota Tractor L2550
Kubota Tractor L2850
Kubota Tractor L3250
The manual includes detailed information on various aspects such as:
Operating the new front mower
Instrument panel and controls
Lift link and hydraulic control
Wheels, tires, and tread
Long-term storage
Lubricant specifications
Wiring diagram
And more
The manual is available in a file format compatible with all versions of Windows and Mac. It is in English and requires Adobe Reader and Win for access. Instant access is provided upon purchase, allowing you to avoid uncertainty or surprise. Additionally, all pages are printable, making it a valuable resource for professional mechanics and DIY enthusiasts alike.