PARTS CATALOG ALLIS-CHALMERS model 720 -TRACTOR -IMPLEMENTS ~'-"'---------------- LITHO U.S.A. FORM 9003847 AUG.'74
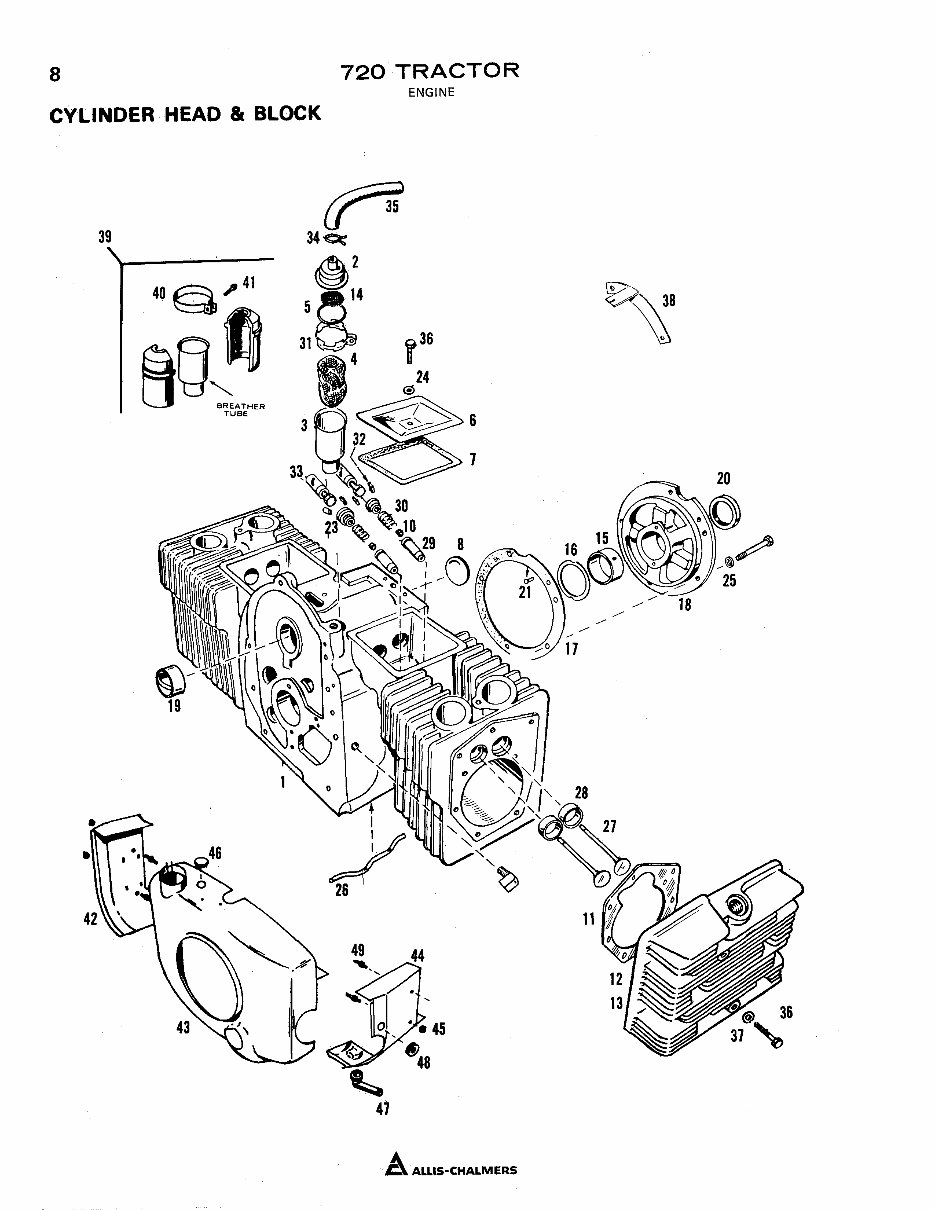
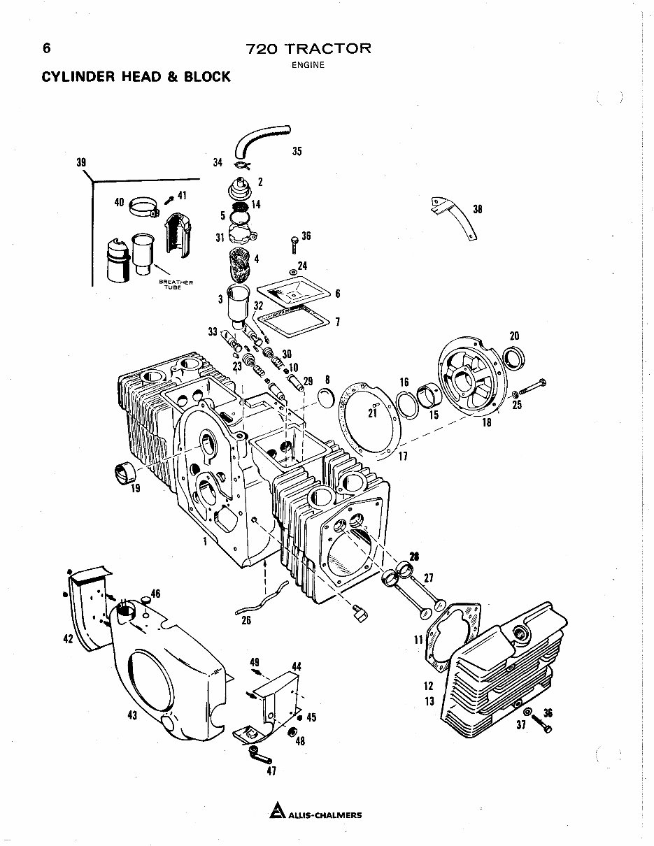
ALPHABETICAL INDEX The alphabetical index is located at the front of this catalog. It is used to locate major groups, assemblies and components. NUMERICAL INDEX The numerical index is located at the end of this catalog and indicate s on which page or page s a part number appears. ILLUSTRATIONS All illustrations are located on the left hand page with the text on the right. Except for some common hardware, all parts are identified with an item number which corresponds to the "item" column on the text page. This is followed by the part number, quantity and de scription. HARDWARE Common hardware not identified such as bolts, nuts, cotter pins and lube fittings, are listed indented in the text beneath the item which they attach or fit into. Common hardware listed indented beneath an item is NOT in- cluded unless specified. Example: (Incl. BOLT, LOCKWASHER & NUT). ORDERING PARTS Be sure to refer to both the text and the illustration to assure order- ing the correct part. 1 FOREWORD ADDITIONAL COPIES Each dealer receives one copy of all publications mailed at the time of printing. All orders for Parts Cat- alogs must be placed with your Region. The form number must be a part of the order as this is the only means of getting the correct Parts Catalog sent to you. The form number of this Catalog 9003847 (Aug. 74) appears on the lower right hand corner of the front cover. A ALLIS-CHALMERS BOX 512 • MILWAUKEE, WISCONSIN 53201
The Allis Chalmers AC 720 complete parts catalog/manual is an essential resource for both professional mechanics and DIY enthusiasts. This comprehensive manual provides complete part information and numbers for every part on the Allis Chalmers 720 tractor. It is available in English language and compatible with Win/Mac.
Instant access - no waiting
Searchable, bookmarked, and indexed for easy navigation
Viewable on any computer, zoomable, and printable
The manual features detailed illustrations and is completely searchable, allowing users to quickly find the information they need. With this manual, users have the convenience of printing specific sections as needed, eliminating the need to rely on costly printing services.
For immediate access to this valuable resource, simply click the green & white "Buy Now" button at the top right-hand side of the page. Explore our extensive collection of manuals by contacting us via email for any additional manuals you may require.